- 易迪拓培训,专注于微波、射频、天线设计工程师的培养
一种具有恒功率控制的单级功率因数校正电路
摘要:提出了一种具有恒功率控制的单级功率因数校正电路。该电路功率因数校正级工作在电流断续模式,具有较低的总谐波畸变和较高的功率因数。该电路的直接能量传递方式降低了直流母线电压并且提高了电路的效率。采用恒功率控制方式使得电路具有良好的输出特性。并通过仿真和实验结果证明了电路的可行性。
关键词:变换器;单级功率因数校正;恒功率控制
0 引言
近年来,功率因数校正(PFC)技术引起了人们的广泛关注。传统的两级PFC电路的主要缺点是成本高以及控制电路复杂。单级功率因数校正(SSPFC)变换器[1][2][3][4],将PFC级和DC/DC级结合在一起大大降低了成本。然而,SSPFC变换器在负载变轻时存在直流母线电压过高的问题。文献[2]采用反馈线圈虽然降低了直流母线电压,但却减小了线电流的导通角,从而增加了总谐波畸变(THD)。
为了解决上述问题,确保在负载变化时降低直流母线电压和减少THD,本文提出了一种具有恒功率控制的SSPFC变换器。能量直接传递方式使得该电路在没有减小线电流导通角的情况下降低了直流母线电压。恒功率控制使得变换器的输出在输出电压高的时候可以看成电压源,在输出电压低的时候可以看成电流源,并且当输出电压在一定范围内变化的时候,输出功率近似恒定。
1 电路工作原理
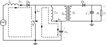
单级功率因数校正电路的原理图如图1所示。它实际上是由一个Boost变换器和一个flyback变换器组合而成的。Boost变换器工作在DCM模式,在占空比和频率恒定的情况下可以达到功率因数校正的目的。flyback变换器可以工作在DCM或CCM模式。
图1单级功率因数校正变换器原理图
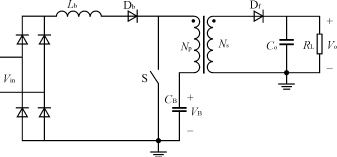
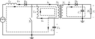
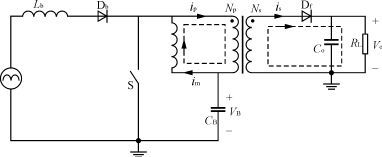
为了分析方便,假定整流电压在一个开关周期中为定值,电容CB足够大使得电压VB基本恒定,flyback变压器视为理想变压器,在原边并联励磁电感Lm,flyback变换器工作在CCM模式。则该电路有3种工作模式如图2所示,主要工作波形如图3所示。
(a) 工作模式1( t 0- t 1)
(b) 工作模式2( t 1- t 2)
(c) 工作模式3( t 2- t 3)
图2 工作模式
图3 电路主要工作波形 [p]
工作模式1( t 0- t 1) t 0时刻开关S导通,直流母线电压 V B加在励磁电感 L m上,由于flyback变换器工作在CCM模式,则电流 i m线性上升可表示为
i
m=
(
t
-
t
0)+
i
m(
t
0) (1)
而电感 L b工作在DCM模式,电流 iL b由零线性上升,其表达式为
iL
b=
(
t
-
t
0) (2)
开关S上流过的电流可表示为
i sw= iL b+ i m (3)
由于二级管Df反向偏置,所以线圈 N s和 N p上没有电流流过。
工作模式2( t 1- t 2) 开关S在 t 1时刻关断,二极管Df正向偏置,励磁电感 L m上的电压为 nV o(其中 n = N p/ N s),则电流 i m线性下降可表示为
i
m=
-(
t
-
t
1)+
i
m(
t
1) (4)
开关S上的漏源电压 V DS为 V B+ nV o,电感 L b上的电流 iL b流过线圈 N p和电容 C B线性下降,其表达式为
iL
b=
-(
t
-
t
1)+
iL
b(
t
1) (5)
因此,原边线圈 N p和副边线圈 N s上流过的电流可分别表示为
i p= iL b+ i m (6)
i s= ni p= n ( iL b+ i m) (7)
由式(7)可以看出副边电流由两部分组成,负载不但从励磁电感 L m上获取能量而且直接从电感 L b上获取能量,这就意味着一部分能量可以不经过储能电容 C B而直接传递给负载,因此,大大提高了效率并且降低了直流母线电压。
工作模式3( t 2- t 3) t 2时刻电流 iL b下降到零,二极管Db反向偏置,励磁电流继续以斜率nVo/Lm线性下降直到 t 3时刻开关S再次导通。此时原边线圈 N p和副边线圈 N s上的电流可分别表示为:
i p= i m (8)
i s= ni p= ni m (9)
2 恒功率控制方法
图4给出了恒功率控制的框图,图中
KVV
和
KII
o分别为电压采样值和电流采样值,通过电阻
R
3及
R
4的分压得到第一个运放的正向输入端电压为
+
,信号放大后得到运放的输出端电压为![]()
,这一点的电压和第二个运放的反向输入端电压相等,根据运放的虚短特性,得到第一个运放的输出电压与第二个运放的正向输入端电压相等,即![]()
=
V
ref,由此可得到式(10)。
+
=
(10)
图4 单级功率因数校正控制框图
假设 a = R 2/ R 1, b = R 4/ R 3,则式(10)表示为
+
=
(11)
从式(11)可以得到输出功率 P o的表达式为
P
o=
V
o
I
o=-
V
o2+
V
o (12)
从式(12)可以看出 P o~ V o曲线是一条抛物线,在抛物线的顶点附近,输出功率 P o近似恒定。以输出电压80V,输出功率80W为例,取 KV =0.01, KI =0.1, V ref=5V,使抛物线的顶点位于 V o=80V, P o=80W处,则可以计算出 a =27.13, b =8.00。于是式(12)可表示为
P o=-0.0125 V o2+2 V o (13)
当输出电压变化范围为60V~100V(±25%)时,输出功率变化为6.25%。
该电路同时具有限压和限流的功能,通过变换式(11)可得 [p]
I o=2-0.0125 V o (14)
V o=160-80 I o (15)
可见在输出短路时电流被限制在2A,在输出开路时电压被限制在160V。
3 仿真与实验结果
基于上述主电路及控制电路,采用以下参数进行了仿真与试验: L b=300μH, C B=470μF/450V, L p= L s=600μH, f s=50kHz, R L=80Ω。
图5为输入线电压和线电流实验波形;图6为输入电压变化时,测量的电路效率,可以看出电路效率在较宽的输入电压范围内可以达到82%以上,比文献[2][3]中所提出的电路的效率要高;图7和图8分别为不同输入电压时,功率因数和THD的测量结果,由图7可见,电路的功率因数在输入电压为100~150V时可以达到0.98,在输入电压为220V时也可达到0.96;图9为输入电压为220V时,在不同负载下直流母线电压 V B的仿真与实验结果,仿真与实验都证明在负载变化时直流母线电压 V B可以控制在380V以下。
图5 输入线电压和线电流实验波形
图6 不同输入电压时测量的电路效率
图7 不同输入电压时测量的功率因数
图8 不同输入电压时测量的谐波含量
图9 不同负载下直流母线电压 V B的仿真与实验结果
4 结语
本文提出了一种具有恒功率控制的单级功率因数校正电路。该电路PFC级工作在DCM模式,具有较低的THD和较高的PF。该电路的直接能量传递方式降低了直流母线电压并且提高了效率。采用恒功率控制方式使得电路具有良好的输出特性,当负载变化时直流母线电压变化不大。
射频工程师养成培训教程套装,助您快速成为一名优秀射频工程师...
天线设计工程师培训课程套装,资深专家授课,让天线设计不再难...
上一篇:基于PIC16F74控制的高频化真在线式UPS
下一篇:精密交流电源中的数字控制

