- 易迪拓培训,专注于微波、射频、天线设计工程师的培养
零转换PWMDC/DC变换器的拓扑综述
摘要:零转换PWMDC/DC变换器是器件应力较小、效率较高的1种DC/DC变换器结构,应用较为广泛。介绍了近几年出现的几种新颖的零转换PWM变换器的拓扑结构,重点分析了它们的工作原理,比较了它们的优缺点。
关键词:零转换PWM变换器;ZVT-PWM;ZCT-PWM,ZCZVT睵WM
1 引言
为了减小功率变换器的体积、重量和开关损耗,提高开关频率和工作效率,在DC/DC变换器中常采用软开关技术,以实现主开关管的零电压(零电流)开通或关断。具体的方法有4种:零电压准谐振变换器(ZVS-QRC),零电压多谐振变换器(ZVS-MRC),ZVS-PWM变换器和零转换PWM变换器。
一般而言,ZVS-QRC变换器[1]电压应力较大,且电压应力与负载变化范围成正比;ZVS-MRC变换器[2]也具有较大的电压应力和电流应力;ZVS睵WM变换器[3]则因串联谐振网络而导致大的导通损耗。而零转换PWM变换器则不同,它克服了前面3种结构的缺点,电路性能大为改善。其电路结构的特点在于,它的谐振网络与主开关管并联;在开关转换期间,谐振网络产生谐振,获得零开关条件;在开关转换结束后,电路又恢复到正常的PWM工作方式。这种电路结构给其带来了4个方面的优点:
1)功率开关器件工作在软开关条件下,承受的电压、电流应力较低;
2)在整个输入电压和负载范围内,都能较好地保持零电压特性;
3)辅助谐振网络并不需要处理很大的环流能量,因此电路的导通损耗较小;
4)采用PWM控制方式,实现了恒频控制。
由于零转换PWM电路的突出优点,使其得到了广泛研究和应用。最近几年里,出现了许多新的零转换PWM拓扑结构,其中以ZVT-PWM变换器的一些改进、ZCT-PWM变换器、以及ZCZVT-PWM变换器等几种特色比较突出。本文将对这几种拓扑结构作简要介绍,重点分析它们的工作原理,并剖析它们的优缺点。
2 ZVT-PWM变换器及其改进
2.1 普通的ZVT-PWM变换器
图1所示是文献[4]提出的普通Boost ZVT-PWM变换器的拓扑结构。它在主开关管S之上,并联了一个由谐振电容 C r(其中包含了主开关S的输出电容和二极管D的结电容)、谐振电感 L r、辅助开关S1及二极管D1组成的辅助谐振网络。

图 1 普 通ZVT- PWM变 换 器
在每次S导通前,先导通S1,使辅助谐振网络谐振。当S两端电容电压谐振到零时,导通S。当S完成导通后,立即关断S1,使辅助谐振电路停止工作。之后,电路以常规的PWM方式运行。该拓扑结构在不
增加电压/电流应力的情况下,实现了S的零电压导通和D的零电流关断。但由于S1是在大电流(接近谐振峰值电流)下关断、大电压(接近输出电压)下开通,S1处于一种非常不好的硬开关环境。
为了解决普通ZVT-PWM变换器的以上缺点,近几年中人们提出了几种改进的ZVT-PWM变换器拓扑结构,它们均实现了主开关管和辅助开关管的软开关,减少了开关损耗。下面对这几种改进结构分别予以介绍。
2.2 改进拓扑之一
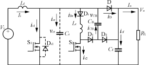
图2所示为文献[5]提出的一种新颖的ZVT-PWM变换器拓扑。与图1的普通ZVT-PWM Boost变换器相比,该改进的拓扑只是在辅助谐振网络中增加了一个电容( C B)和两个二极管(Dr,D2),但却同时实现了主开关管S1和辅助开关管S2的软通断,以下对其工作过程进行分析。

图 2 改 进 的ZVT- PWM变 换 器 拓 扑 之 一
在分析中作如下假定:
1)输入电压 V i为常数,主电感 L f足够大,输入电流 I i为常数;
2)输出电容 C f足够大,输出电压 V o为常数;
3)谐振电路是理想的;
4)谐振电感 L r<< L f
5)忽略半导体器件的电压降和寄生电容;
6)忽略Dr及其它二极管的反向恢复时间。
设初始状态为:S1及S2均为关断状态,输出整流二极管D处于导通状态。 i s1=0, i s2=0, i D= I i, vC r= V o, vC B=0。电路在稳态时,每个开关周期的工作过程可分为7个模态,相应的主要波形如图3所示。

图 3 工 作 过 程 波 形
模态1( t 0- t 2) 在 t 0时刻,S2导通, i D线性下降, i s2线性上升,在 t 1时刻, i s2上升到 I i, i D下降到0,随后 i s2继续上升,iD反向通过恢复电流,直到 t 2时刻, i D达到最大反向恢复电流- I rr,这时流过S2和 L r的电流为 I i+ I rr,该模态结束;
模态2( t 2- t 3) 在 t 2时刻,D关断, L r, C r开始谐振,直到 C r放电到0,转到模态3;
模态3( t 3- t 4) 在 t 3时刻,Ds1自然导通,为S1创造ZVS条件;
模态4( t 4- t 5) 在 t 4时刻,在零电压下导通S1和关断S2,D1导通, L r, C B开始谐振,直到 i L r=0,该模态结束;
模态5(t5- t 6) 该模态类似于普通PWM Boost变换器的开通状态;
模态6( t 6- t 7) 在 t 6时刻,S1关断,输入电流 I i给电容 C r充电,同时 C B放电,直到 V C r= V o,该模态结束;
模态7( t 7- t 8) 该模态类似于普通PWM Boost变换器的关断状态,直到 t 8时刻,进入下一个开关周期。
可见,该拓扑结构实现了S1和D在零电压下导通和关断,S2在零电流下导通和零电压下关断,两个开关管都是软通断,克服了普通ZVT-PWM变换器的辅助开关管为硬通断的缺点,减少了关断损耗。 [p]
2.3 改进拓扑之二
图4所示为文献[6]中提出的另一种新颖的ZVT-PWM变换器拓扑。与图1的普通ZVT-PWM变换器相比,该改进的拓扑只是在辅助谐振网络增加了一个电容,少了一个二极管。以下对其工作过程进行分析。

图4 改 进 的ZVT- PWM变 换 器 拓 扑 之 二
在分析中的假定与2.2基本相同,并设初始状态为: uC f= uC r= V o, iC r=0, i D1= I i,则电路在稳态时,每个开关周期可划分为7个模态,相应的主要波形如图5所示。

图5 工 作 过 程 波 形
模态1( t 1- t 2) 在 t 1时刻,S2开通, L r, C r开始谐振, iL r谐振上升,直到 iL r= I i,该模态结束;
模态2( t 2- t 3) 在 t 2时刻,D1自然关断, C f, C r, L r与输出负载 R L构成谐振回路,直到 C f放电到0,转到模态3;
模态3( t 3- t 4) 在 t 3时刻, C r, L r通过Ds1,S2和 R L构成谐振回路,使 L r中的电流继续减小;
模态4( t 4- t 5) 在 t 4时刻, i L r= I i,S1导通,Ds1关断,此阶段中, L r, C r通过S2,S1和 R L构成谐振回路,使Lr中的电流继续减小;
模态5( t 5- t 7) 在 t 5时刻, iL r=0,在输出电容 C o的作用下, L r, C r通过Ds2,S1反向谐振, L r中的电流反向,S2自行关断;
模态6( t 7- t 8) 该模态类似于普通PWM Boost变换器的开通状态,输入电源通过S1给 L s充电;
模态7( t 8- t 9) 在 t 8时刻,S1关断,输入电流 I i给电容 C f充电,该模态类似于普通PWM Boost变换器的关断状态,直到进入下一周期。
可见,该拓扑结构实现了S1在ZVS条件下通断,S2在零电压、零电流的条件下关断与开通,两个开关管都是软通断,改善了开关环境,克服了普通ZVT-PWM变换器的辅助开关管为硬开关的缺点,减小了关断损耗。
2.4 改进拓扑之三
图6所示为文献[7]提出的另一种改进的ZVT-PWM变换器拓扑。与图1的普通ZVT-PWM变换器相比,该改进的拓扑只是在辅助谐振网络增加了一个电感、一个二极管和一个电容。其工作原理的分析与前面的基本相似,具体分析可以参考文献[7]。从中可知,主开关管S1在零电压下开通和关断,辅助开关管S2在零电流下开通和关断,从而也克服了普通的ZVT-PWM变换器辅助开关管为硬开关的缺点,减小了开关损耗,实现了两个开关都是软开关。

图 6 改 进 的ZVT- PWM变 换 器 拓 扑 之 三
3 ZCT-PWM变换器
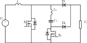
3.1 普通的ZCT-PWM变换器
ZVT-PWM变换器能实现在ZVS下开通,消除导通损耗,但却不能有效地减小关断损耗。而普通的ZCT-PWM变换器[8],如图7所示,则能实现主开关在ZCS下关断,消除关断损耗。然而,其辅助开关仍然是硬开关,而且,其输出整流二极管存在严重的反向恢复问题,导致大的导通损耗。虽然通过改变控制策略,使辅助开关导通时间更长一些,可以实现辅助开关管在ZCS下关断,但辅助开关管的峰值电流将较大。

图7 普 通 的ZCT- PWM变 换 器 [p]
3.2 改进拓扑之一
文献[9]提出了一种改进的ZCT-PWM变换器。该改进的拓扑只是将谐振网络的辅助开关管Sa和嵌位二极管Dc交换位置,能实现所有的开关管在ZCS下通断,并减小了Sa的峰值电流。但它的整流二极管D仍存在严重的反向恢复问题。
3.3 改进拓扑之二
文献[10]介绍了一种新颖的ZCT-PWM变换器,它 很 好 地 解 决 了 以 上 所 提 到 的 各 项 缺 点 , 如 图8所 示 。 与 图 7的 普 通ZCT-PWM变 换 器 相 比 , 该 改 进 的 拓 扑 在 元 器 件 数 量 方 面 没 有 增 减 , 只 是 改 变 了 组 合 方 式 , 但 同 时 实 现 了 主 开 关 管 S和 辅 助 开 关 管Sa的 软 通 断 , 并 解 决 了 输 出 整 流 二 极 管 D严 重 的 反 向 恢 复 问 题 。 以 下 对 其 工 作 过 程 进 行 分 析 。

图8 改进的ZCT-PWM变换器
在分析中的假定与2.2基本相同,并设初始状态为:S及Sa均为关断状态,D处于导通状态。 i D= iL r= I i, vC r= V o,则电路在稳态时,每个开关周期可划分为8个模态,相应的主要波形如图9所示。

图 9 工 作 波 形 图
模态1( t 0- t 1) 在 t 0时刻,S开通, iL r, i D线性下降,直到 i D= iL r=0,D关断,该模态结束;
模态2( t 1- t 2) 该模态类似于普通PWM Boost变换器的开通状态;
模态3( t 2- t 3) 在 t 2时刻,Sa开通, C r, L r开始谐振,经过半个谐振周期, vC r=- V o;
模态4( t 3- t 4) 在 t 3时刻,Da导通,Sa关断, C r, L r继续谐振, i L r反向增大,直到 i L r= I i,is=0,该模态结束;
模态5( t 4- t 5) 在 t 4时刻,主开关管S的反向二极管导通;
模态6( t 5- t 6) 在 t 5时刻,主开关管S关断;
模态7( t 6- t 7) 在 t 6时刻,恒流源 I i给 C r充电,直到 vC r= V o,D导通,该模态结束;
模态8( t 7- t 8) 该模态类似于普通PWM Boost变换器的关断状态,直到 t 8时刻,一个开关周期结束。
可见,该拓扑实现了所有开关管和输出整流二极管D都在较小的d i /d t 下软开通,在ZCS下关断,而且在主开关管S上没有附加的电流应力和导通损耗,大大减小了输出整流二极管的反向恢复电流。
4 ZCZVT-PWM变换器
近些年,一些电力电子研究中心的工程师们正尽力寻求一种最优化的软开关技术,即用尽量少的辅助元器件,实现功率半导体器件同时在零电压和零电流下转换,综合ZVT-PWM变换器和ZCT-PWM变换器的优点,进一步完善零转换条件。文献[11]所介绍一种新颖的ZCZVT-PWM变换器,就能实现主开关管同时在零电压和零电流下转换,如图10所示。以下对其工作过程进行分析。

图10 ZCZVT-PWM变 换 器
在分析中的假定与2.2基本相同,并设初始状态为:主功率开关管S及辅助开关管Sa均为关断状态,输出整流二极管D处于导通状态, v C R2= V o,则电路在稳态时,每个开关周期可划分为13个模态,相应的主要波形如图11所示。

图 11 工 作 过 程 波 形 图
模态1( t 1- t 2) 在 t 1时刻,Sa开通, C R1, L R谐振, i L R, v C R1均增加,直到 v C R1= V i,该模态结束;
模态2( t 2- t 3) 在 t 2时刻,Da2导通, iL R继续增加,直到 iL R= I i,此时D自然关断;
模态3( t 3- t 4) C R2, L R谐振, v C R2减小, i L R继续增加,直到 v C R2=0;
模态4( t 4- t 5) 在 t 4时刻,Ds导通, L R释放能量, iL R减小,直到 iL R= I i,该模态结束;
模态5( t 5- t 6) 在 t 5时刻,S导通,当 L R完全释放能量时, i L R=0, i s= I i,该模态结束;
模态6( t 6- t 7) C R1, L R通过S和Da1开始半周期谐振,此时关断Sa;
模态7( t 7- t 8) 该阶段与普通Boost PWM变换器的开通状态一样;
模态8( t 8- t 9) 在 t 8时刻,Sa开通, C R1, L R谐振, i L R增加, i s下降,直到 i L R= I i, i s=0;
模态9( t 9- t 10) 在 t 9时刻,Ds导通,S关断,当 i L R再次达到 I i,Ds关断,该模态结束;
模态10( t 10- t 11) 在 t 10时刻, C R2, C R1, L R谐振,直到 uC R1= V i,Da2导通;
模态11( t 11- t 12) 在 t 11时刻, C R2, L R继续谐振,直到 i L R=0,Da1开通,Da2关断;
模态12( t 12- t 13) 在 t 12时刻, C R2, C R1, L R谐振,当 i L R再次达到 i L R=0时,Da1关断,此时关断Sa,该模态结束;
模态13( t 13- t 14) 输入电流 I i给 C R2充电, vC 2线性增加到 V o,此时D导通,进入下一个周期。
可见,该拓扑结构实现了主开关管S同时在零电压和零电流条件下开通和关断,辅助开关管Sa在零电流条件下开通,零电压和零电流条件下关断,输出整流二极管D在零电压下转换,从而既综合了ZVT-PWM变换器和ZCT-PWM变换器的优点,又克服了它们各自的缺点,大大减小了开关损耗。
5 结语
零转换PWMDC/DC变换器是低电压(电流)应力、高效率的变换器,但传统的零转换PWMDC/DC变换器仍存在一些问题。为了解决这些问题,人们提出了许多新的改进拓扑。本文对三种改进的ZVT-PWM变换器、一种改进的ZCT-PWM,以及一种新颖的ZCZVT-PWM作了详细介绍和分析。这几个改进的拓扑都实现了所有开关管的软通断,进一步减小了开关损耗,效率大为提高,很值得进一步研究和完善。
射频工程师养成培训教程套装,助您快速成为一名优秀射频工程师...
天线设计工程师培训课程套装,资深专家授课,让天线设计不再难...
上一篇:精密交流电源中的数字控制
下一篇:电动汽车充电器电路拓扑的设计考虑

