- 易迪拓培训,专注于微波、射频、天线设计工程师的培养
一种多功能输出开关电源
摘要:介绍了一种可以多功能宽范围输出的开关电源。详述了电源的基本电路结构和控制策略,介绍了电路多功能的实现,分析了电路中可能存在的问题并给出了解决方案。最后通过试验验证了此设计。关键词:多功能输出;直流电源;逆变器
Design of a Multifunctional Power Supply
MA Jie, LUB Zheng-yu
Abstract:A special design of wide range outputting and multifunctional power supply is presented. The topology of the circuit and its control strategy are described in detail. The implementation of the circuit multifunction is introduced. The problems existing in conventional circuits are analyzed and some solutions are given to solve these problems. At last the design is verified by experiment.
Keywords:Multifunctional output; DC power supply; Inverter
1 引言
近年来,随着电力电子技术的不断发展,高频开关电源以其高效率、高性能、低重量、小体积,在以往使用线性电源的场合中也获得日益广泛的应用[1]。在一些工业场合(例如,在电力系统继电器检测中)需要提供交流、直流电压源和电流源,而且要求调节范围广,纹波低。如果采用多台功能单一电源设备,体积和重量都会增加很多,不经济,也不能满足工作的要求。因此研究开发多功能、宽范围可调节的开关电源很有意义。
本电源系统采用开关电源技术和数字控制方案,可以作交流电压源、直流电压源、交流电流源和直流电流源,作为电压源输出调节范围为1~250V,作为电流源调节范围为1~30A,工作频率在0~400Hz。输出可选择。
2 主电路结构
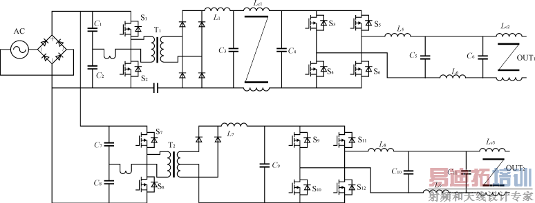
电源主电路如图1所示,分上下两部分,上部分为电压源部分,下部分为电流源部分,每部分采用两级结构,交流输入整流滤波后,先经过DC/DC变换,再通过逆变器输出。其中DC/DC采用半桥电路用来提供稳定的直流母线电压,并隔离输入级和输出级。逆变部分采用了常规全桥逆变电路,适合于较大功率的应用场合。输出采用两级LC滤波器滤除高频纹波。Lc1、Lc2、Lc3是共模抑制器。电压源前后级的高频开关动作很容易引起两级间的互相干扰,在母线电压比较高的时候尤其明显。因此在两级之间串接共模抑制器Lc1,用来隔离其相互间干扰。Lc2,Lc3接在输出端和负载之间的,作用和Lc1类似,用于抑制高频共模分量通过负载。所不同的是电压源前级DC/DC采用全桥整流,电流源采用全波整流。

图 1 前 级 DC隔 离 电 源 与 逆 变 电 源
3 控制原理与结构
对于DC/DC级的控制,本文采用SG3525控制芯片,简单可靠,成本低。
后级逆变器采用了双极性SPWM控制,如图2所示。通过高频三角波和基准正弦波的比较得到控制开关管的PWM波形。正弦基准信号的频率与输出正弦波相同,其幅度的变化可以调制开关的占空比D。幅度调制比ma定义为[2]
ma=Vsm/Vcm (1)

图2 三 角 波 与 逆 变 器 开 关 控 制 波 形
式中:Vsm是正弦基准信号峰值;
Vcm是三角波的峰值。
逆变输出正弦电压峰值Vom和直流母线电压Vd的关系为
Vom=ma×Vd,ma≤1(2) [p]
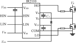
图3是具体控制原理。为消除输出谐波,电路采用了电压、电流双环控制,其中,Vf为反馈电压,If为反馈电流。电压调节环的输出作为电流环的比较基准,电流环输出误差信号与三角波信号比较得到SPWM信号。由IR2110芯片构成驱动电路,由此输出相位互补的两路SPWM信号分别驱动四个开关管。为防止上下桥臂直通,两路SPWM信号之间必须设置死区。保护电路起到监控Vf、If的作用,如果幅值超出阈值,保护电路将关闭驱动信号。

图3 逆 变 级 控 制 电 路
4 多功能输出的实现
在此电源系统中,电压源和电流源的控制采用同一控制电路,通过继电器切换到不同的工作模式。电压源工作时,继电器K1合,K2开(如图3所示),采用电压、电流双环调节控制,基准信号为正弦信号,输出交流电压;基准为直流电平,输出直流电压。电流源工作时,K1开,K2合,电压调节环变为跟随器,只通过电流环调节,基准为正弦信号,输出交流电流;基准为直流电平,输出直流电流。电压源和电流源驱动信号切换是通过K3来实现的,在电压源工作方式,关断电流源的前级;在电流源工作方式,关断电压源的前级,这样可以防止干扰,提高电路的可靠程度。以上的K1、K2、K3是由数控电路给出的。
5 占空比限制与输出交流电压的削顶
5.1 PI调节器输出限幅的考虑
由于所采用的专用驱动芯片IR2110是通过自举供电方式来驱动桥臂上管的(如图4所示)。所以,在上、下管驱动信号恒低或恒高时,给上管供电的自举电容C1能量得不到补给。当电容上的能量放完后,上管关断,就会出现此桥臂无驱动信号,无输出的现象。尤其是直流电压时,常有这一现象。

图4 逆 变 级 驱 动 电 路
在逆变器控制中,PI调节器输出的幅度如果超过三角波的幅度,就会出现过调制的现象,此时,PWM驱动脉宽会过窄或过宽,还会使上述自举电路工作不正常。因此,必须对占空比的最大值与最小值加以限制。
具体方法是,可以在PI调节器的输出端作一定的限幅(见图3),使控制电路不出现过调制的情况,限制PWM的最大、最小占空比,使IR2110的自举电容C1能及时充电。采用限幅的另一个好处是消除了由于IR2110自举失败导致的电路损坏,提高了可靠性。
5.2 输出电压不正常削顶的消除
逆变器控制电路的限幅会使输出波形削顶。但在交流输出未达到限幅值之前,可能首先出现明显的单边削顶(例如在正半波的峰值处)。主要原因是三角波不对称,存在直流偏置,在与PI调节输出比较时,出现一边被限幅,造成输出单边削顶现象。提高母线电压,使实际需求的占空比变化范围缩小,可以消除输出削顶现象。
但是,随最大占空比的下降,调制比下降更快。这会降低母线电压的利用率,导致逆变级的容量扩大。本文的电路用低偏压、低噪声精密运算放大器来产生三角波,同时采用纠偏方法消除直流偏置、确保三角波的对称性,提高了母线电压的利用率。
为确保电路正常工作,同时输出波形不削顶,在此电路中设定最大占空比为0.85,相应的最大调制比为0.7。 [p]
6 电流源母线电容的选取
母线的电容值可以根据式(3)计算
C=
(3)
式中:C是母线输出电容;
Vs是前级整流输入电压;
D是其中一管导通的占空比;
L是母线滤波电感
n是原副边绕组的匝比;
ΔVc是输出纹波电压;
f为前级工作频率。
但是逆变器输入电流并不是真正的直流电流,除直流成分外,还含有双倍于输出频率的交流分量和高频分量。对电流源在输出电流为最大时,这些高频分量会很大,需要母线提供很大的高频纹波电流,所以在尽量加大电解电容的同时,应多采用高频性能优越的电容。不仅可以满足后级高频纹波电流的要求,同时也可以减小后级高频分量对前级的影响。
7 电路实验波形
图5是电压源满载下输出200V交流有效值时的波形,波形THD<2%。图6是电流源满载下输出30A交流有效值时的波形,波形THD<1%。

电 压 :100 V/格 ; 时 间 :10 ms/格
图5 电 压 源200 V交 流 有 效 值 输 出 波 形

电 流 :50 A/格 ; 时 间 :4 ms/格
图6 电 流 源30 A交 流 有 效 值 输 出 波 形
8 结语
本文电压源和电流源两部分的逆变级控制共用同一控制电路,通过信号切换选择电压源或者电流源输出。每一部分采用前级DC/DC隔离电源与桥式逆变电路相结合,改变基准信号可以使逆变器选择输出交流或直流。通过严格控制三角波的对称性与合理确定调制比,能确保电路的正常工作和提高母线电压的利用率。最后通过一台试验样机验证了以上的设计。
射频工程师养成培训教程套装,助您快速成为一名优秀射频工程师...

