- 易迪拓培训,专注于微波、射频、天线设计工程师的培养
三相电度表电源设计及电路设计
录入:edatop.com 点击:
三相电度表有三相三线,三相四线,输入电压有3×(220~240)V/380~400V、3×57V/100V等。三相电度表供电电路可以参考单相电度表电源的设计方法,对于三相四线供电电路,可以在每一相线对零线之间接1只线性变压器,共3只线性变压器;对三相三线可以取一相如Β相作为公共地线,A、C相对Β相接2只线性变压器。这些变压的副边单独整流后再将输出的正极接在一起、负极接在一起,经电容滤波后,再通过DC/DC变换器输出稳定电压,向电度表供电,如图5所示。

图5 三 相 电 度 表 线 性 电 源
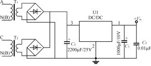
这种供电方式体积和重量较大,成本也较高,显然按以上电路连接时,对三相四线供电时不能缺零线,对三相三线供电时不能缺公共地线,如B相;另外,有的供电局用户要求,三相电度表输入端任意两线有电压输入时都能工作,则图5的设计便不能达到目的;当采用三相电度表专用开关电源模块供电时,可解决以上问题,其内部结构图如图6所示。

图6 三 相 电 度 表 专 用 开 关 电 源 模 块
这种三相电度表专用开关电源模块,体积为32mm×75mm×22mm,输入电压范围宽,在60~480V范围内,任意二线、三线、四线输入都可工作,带有输入过压、输出过流保护功能,电源的EMC特性也较好,另外还有体积小、重量轻、效率高、损耗小等优点,它的每相供电的自身损耗均<0.4W,具有良好效果。
射频工程师养成培训教程套装,助您快速成为一名优秀射频工程师...
射频和天线工程师培训课程详情>>

