- 易迪拓培训,专注于微波、射频、天线设计工程师的培养
HT-220/10高频开关电源的研制
摘要:使用无损吸收电路,能够提高硬开关PFC的工作频率,并降低开关损耗。应用全桥移相软开关技术,实现了DC/DC变换器的大功率输出。通过应用这两种技术,研制HF220/10型高频开关电源。
关键词:无损吸收PFC变换器ZVS睩B
1前言
目前,在我国的变电站、发电站等使用直流电的场合,普遍都是采用相控电源。体积大、效率低、性能指标差等是这种电源的缺点。随着高频开关变换技术的发展,这种缺点变得日益突出了。特别是近年来,器件和电能变换技术的发展,促使高频开关电源走向小型化、重量更轻、效率更高。西安华腾光电有限责任公司正是顺应这一历史潮流开发出了HT220/10型高频开关电源。
HT220/10型高频开关电源是专为分合闸继电器动力母线设计的直流电源。该型号系单相AC220V(±15%)输入,DC286V/10A输出的高性能稳压电源。其输入采用无损吸收、PFC校正电路,直流变换部分采用最新的全桥移相软开关技术(ZVS睩B)。这两项技术的应用,使本机具有较高的效率,功率因数≥0.99,THD≤5%,效率≥92%。

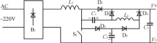
图1PFC主电路原理图
2无损吸收PFC电路
如图1所示的无损吸收PFC主电路的原理图。图中B1为整流桥,L1为PFC升压电感,D1为隔直二极管,S1为开关管,C1,C2,D2,D3和D4,L2组成无损吸收网路,C3为输出滤波电容。具体分析过程如下:当S1断开前,C2中的能量通过D5及L2转移到了C1中,C2的电压降至0。C1的极性如图1所示。当S1断开时,C2上开始为零电压,L1中的电流通过D3给C2充电,直到D1导通为止。并且C2的电位通过D4、D5箝位到输出电压。同时C1通过D2向负载放电,能抑制S1漏极上电压的上升时间,从而充分地保证S1关断在零电压状态下。当S1合上时,C1的左端通过S1接地,电容C2上的电荷通过D5、L2转移到C1中。当开关再次关断的时候,重复上述过程。
3DC/DC变换器电路
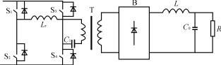
HT220/10型电源的直流变换部分采用ZVS瞆CS睩B技术,其具体的主电路如图2所示,图中S1~S4为开关管,带反并联二极管,C1为隔直电容,Lr为谐振电感,L为输出滤波电感,C0为输出滤波电容,R为负载,其中S1、S2为超前桥臂,S3、S4为滞后桥臂。其基本工作电压波形如图3所示。图中Ip*为传统的ZVS睩B变换器的原边电流波形,Ip为ZVS瞆CS睩B变换器的原边电流波形,图3中的ICS1为ZCS电路中电容的充放电波形。
l 
图2DC/DC主电路原理图

图3ZVS瞆CS睩B变换器波形图 [p]
4监控单元本机监控的实现比较简单,显示单元部分使用3位LED和LED光柱,电压显示用LED数字显示,电流显示用20位的LED光柱。当满载输出时,20位LED全部点亮,D/A采样选用TI公司的TIL561710位D/A转换器,中央控制器单元采用89C52单片机对各单元进行协调控制。其数字电路部分如图4所示。

图4数字电路图
5整机接口
本机的对外接口分为交流输入接口,直流输出接口和控制接口,而且所有的接口为直接插拔方式。控制接口包括RS485总线,模拟电压外控,电流外控和报警接口。交流输入有软起动电路防止电网浪涌电压,直流输出隔直二极管,防止电流倒灌。控制接口也包括防短路保护电路,以避免在插拔过程中产生瞬态电压烧坏器件。
6结语
从以上可知,HT220/10型单机输入高频开关电源的基本特点如下
(1)输入采用无损吸收的有源PFC,不但使本机
变换具有较高的效率,而且使输入功率因数可达到099;
(2)DC/DC变换部分采用ZVS瞆CS睩B结构,提
高了整机效率,降低了开关损耗;
(3)本机配置了简单的CPU控制单元使模拟控
制和数字控制相结合,有利于用户的方便使用;
(4)输入、输出和控制的插拔接口,方便了用户更
换电源模块。
总之,HT220/10型电源的小型化,高效以及方便可靠是本电源的几大特点。10A模块体积仅为370mm×110mm×200mm。
射频工程师养成培训教程套装,助您快速成为一名优秀射频工程师...
天线设计工程师培训课程套装,资深专家授课,让天线设计不再难...
上一篇:浅谈彩色电视机开关电源的工程设计
下一篇:多功能直流UPS的设计

