- 易迪拓培训,专注于微波、射频、天线设计工程师的培养
用神经网络控制的二象限开关电感DC/DC变换器
摘要:经典的DC/DC变换器,如Buck变换器、Boost变换器、Buck-Boost变换器、罗氏变换器和Cuk变换器[1-5],通常都是由电感和电容组成,所以它们的体积大而功率密度低。开关电感已被成功地应用于DC/DC变换器中,开创了设计高功率密度变换器的方法。如美国麻省理工学院MIT)JohnG.Kassakian教授为下一世纪未来的汽车设计了一种新的电源系统[6],该系统的核心就是一个在直流+42V和-14V之间进行变换的二象限DC/DC变换器。
关键词:开关电感神经网络直流变换器
Switched Inductor Two- quadrant DC/DC Converter with Neural Network Control
Abstract:Classical DC/DC converters usually consist of inductors and capactiors such as buck converter, boost converter, buck- boost converter,Luo- Converters and Cuk- Converter [1- 5]. Because all classical converters consist of capactiors and inductors, they have big size and low power density. Switched- inductor has been successfully employed in DC/DC converters and opened the way to build the converters with high power density. For example, Professor John G.Kassakian of MIT designed a new power supply system for the future car in next century[6].The heart of this system is a Two- Quadrant DC/DC Converter operating the conversion between+ 42V and - 14VDC.
Keywords:Switched Inductor Neural Network DC/DC Converter
1前言
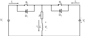
运行在QⅢ和QⅣ象限的二象限变换器如图1所示,它是由二个开关,二个二极管和仅用一个电感L组成的。通常认为源电压V1和负载电压V2都是恒定电压。负载电压V2可以是蓄电池或电动机的反电势(EMF)。因为电路是完全对称的,所以电路的任一端都可以是电源端或负载端。源电压不一定要高于负载电压。R是电路的等效电阻。有两种运行模式:
(1)模式C(象限Ⅲ):电能由V1端向V2端传递;
(2)模式D(象限Ⅳ):电能由V2端向V1端传递。
每种模式都有“通”和“断”两种状态。通常每一种状态都可以运行在不同的占空比k下。开关的周期是T,此处T=1/f。开关状态如表1所示。
表1开关状态(表格中空白栏表示关断状态)
| 开关 | 模式C(QⅢ) | 模式D(QⅣ) | ||
|---|---|---|---|---|
| 接通状态 | 关断状态 | 接通状态 | 关断状态 | |
| S1 | 通 | |||
| V1 | 通 | |||
| S2 | 通 | |||
| V2 | 通 | |||
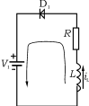
模式C接通状态如图2(a)所示:开关S1接通,另一开关S2和所有二极管断开。在这种情况下,流经V1-S1-R-L回路的电感电流增加,电感L上的电压接近恒定电压V1值。
模式C关断状态如图2(b)所示:二极管D2导通,两只开关和二极管D1断开。在这种情况下,流经L-V2-D2-R回路的电感电流iL减少,电感L上的电压接近恒定电压V2值。电感L传输电源能量给负载。电感电压和电流波形如图2(c)所示。
模式D接通状态如图3(a)所示。开关S2接通,其它开关和二极管断开。在这种情况下,流经V2-L-R-S2回路的电感电流iL增加。电感L上的电压接近恒定电压V2值。

图1二象限开关电感DC/DC变换器
模式D关断状态图如图3(b)所示,二极管D1导通,两只开关和二极管D2断开。在这种情况下,流经L-R-D1-V1回路的电感电流iL减少,电感L上的电压接近恒定电压V1值。电感电流和电压的波形如图3(C)所示。

(a)模式C接通状态图(b)模式C关断状态图

(c)电感电压和电流波形
图2模式C

(a)模式D接通状态图 (b)模式D关断状态图 [p]

(c)电感电压和电流波形
图3模式D
2模式C(象限Ⅲ运行)
2.1连续模式
若等效电阻很小,则电阻上的电压降可以认为是RIL。
由此可见传输效率仅取决于导通占空比k、源电压和负载电压值,而与R、L和f无关。
2.2非连续模式
由方程(9)可知,当ζ≥1时电流iL不连续,所以连续区和非连续区之间的界限定义为:
连续和非连续区的边界如图4所示。从方程(19)可以看出非连续导通区是由下列因素产生的:
(1)开关频率f太低;
(2)导通占空比k大小;
(3)电感L大小;
(4)负载电阻R太大。

图4 连续和非连续区的边界图
整个导通周期远小于T。
iL(kT)是电感电流iL(t)的峰值,同时也是变化量ΔiL的峰—峰值。
当t=t3时,由方程(22)可得iL(t3)=0。
3模式D(象限Ⅳ运行) [p]
3.1连续模式
图4连续和非连续区的边界图
图5连续和非连续区的边界图
若等效电阻R很小,则电阻R上的电压降可以认为是RIL。
由此可见传输效率仅取决于导通占空比k、源电压和负载电压,与R、L和f无关。
3.2非连续模式
连续和非连续区的边界如图5所示。从方程(49)可以看出非连续导通区是由下列因素产生的:
(1)开关频率f太低;
(2)导通占空比k太小;
(3)电感L太小;
(4)负载电阻R太大。
整个导通周期远小于T。假设导通周期位于0和t4之间,电感L上的电压和电流为:

图5 连续和非连续区的边界图
iL(kT)是电感电流iL(t)的峰值,同时也是变化量ΔiL的峰—峰值。当t=t4时,由方程(52)可得iL(t4)=0。
4神经网络控制
这种变换器工作于开环控制方式。由公式(17)和(47)可见,因为电路的电阻R是一随机参数,所以它对系统的工作点有很大的影响。为了获得一个稳定的变换运行,我们在系统中采用神经网络控制[7,8〗。神经网络控制包括一个由比例加积分(PI)运算和神经网络组成的闭环控制。这一系统的全图如图6所示。
比例加积分(PI)运算在4.1中叙述。神经网络由三层组成,分别是输入层、隐含层和输出层。神经网络的结构如图7所示。三层中所有节点的函数如图8所示。它们分别在4.2和4.3中叙述。
4.1数学模型
比例加积分(PI)运算由一个比例加积分控制器和负载组成。式中:τ=L/R,Vi在开关接通时为Vl,在开关关断时为V2。

图6用神经网络控制的二象限开关电感DC/DC变换器

图7神经网络
图8节点函数 [p]
这是一非线性控制系统。由方程我们可以看出电阻R严重地影响了系统的稳定性和响应。
4.2反向传播神经网络(BPNN)方案
做少量的数学运算可以看出,对于一个恒定的电感电流,存在着一个相应的外加电压Vi。
可以把一个具有多输入和多输出的反向传播神经网络(BPNN)放置在输入端和输出端之间。经过分析,电流-功率控制采用三个神经元层次,分别是输入层(IL),隐含层(HL)和输出层(OL)。反向传播神经网络(BPNN)的结构如图7所示,它由三层组成,每层都含有大量的神经元。同一层的所有神经元的函数是相同的,而不同层的神经元函数不同。控制系统布局示意图如图6所示。
4.3结构描述
w1ij,w2ij和w3ij是输入层、隐含层和输出层神经元的权值;θij是n-维第i个元素的活化宽度;Pij是r-维第i个元素;λij是宽度矢量的第i个元素;ρij是m-维第i个活化值。
4.4自学习函数
由系统要求可知训练最佳极限是:
·电流响应超调量≤5%;
·功率响应超调量≤10%;
·波形摇摆≤2个周期。
所有神经元的加权系数都会影响输出参数的响应,加权系数由反向传播学习技术来确定以满足上述极限。在系统的设计中,神经网络每一神经元的所有权值必须被确定,通常称为训练过程。这里我们介绍一种自动调节技术来训练这些权值。
反向传播学习技术是以最小均方(LMS)运算为基础的,它是与斜率有关的搜索方法。学习过程可以从预置初始值开始,即将所有加权值(率)先设置为一个单位。当用这些权值得出的实际输出与目标之间差别最小时,学习过程才算完成。由于神经网络是一个规模不大的网,所以训练过程不需要很长时间即可完成。通常仅需要5∽15秒。
5实验结果
测试装备包括一个14V的电池作为负载和一个42V的直流源做电源。测试条件为:f=1∽5kHz,V1=42V和V2=-14V,L=0.3mH,R=3mΩ,体积=4000(in3),实测结果如表2所示。总的平均功率密度(PD)为27.8W/in3。这种电路的功率密度比经典变换器的功率密度要高得多。经典变换器的功率密度通常小于5W/in3。因为开关频率很低,所以电磁干扰(EMI)很弱。
6结论
人工神经网络控制技术已成功地应用在二象限开关电感DC/DC变换器中,它克服了当导通常占空k为临界值时所引起的系统运行不稳定的不足,从而获得一个平稳的能量传输过程。实验结果证实了我们的设计和反向传播神经网络(BPNN)技术的优点。
表2不同频率时的实测结果
| L(mH) | R(mΩ) | f(kHz) | k | II(A) | IO(A) | IL(A) | PI(W) | PO(W) | η(%) | PD(W/in3) |
|---|---|---|---|---|---|---|---|---|---|---|
| 0.3 | 3 | 1 | 0.3 | 280 | 653 | 933 | 11760 | 9146 | 77.7 | 2.58 |
| 0.3 | 3 | 1 | 0.4 | 1120 | 1680 | 2800 | 47040 | 23520 | 50 | 8.70 |
| 0.3 | 3 | 1 | 0.5 | 2333 | 2333 | 4666 | 98000 | 32666 | 33.3 | 16.11 |
| 0.3 | 3 | 1 | 0.6 | 3920 | 2613 | 6533 | 164640 | 36586 | 22.2 | 24.81 |
| 0.3 | 3 | 1 | 0.7 | 5880 | 2520 | 8400 | 246960 | 35280 | 14.2 | 34.80 |
| 0.3 | 3 | 1 | 0.8 | 8213 | 2053 | 10266 | 344960 | 28746 | 8.3 | 46.08 |
| 0.3 | 3 | 1 | 0.9 | 10920 | 1213 | 12133 | 458640 | 16986 | 3.7 | 58.65 |
| 0.3 | 3 | 3 | 0.3 | 280 | 653 | 933 | 11760 | 9146 | 77.7 | 2.58 |
| 0.3 | 3 | 3 | 0.4 | 1120 | 1680 | 2800 | 47040 | 23520 | 50 | 8.70 |
| 0.3 | 3 | 3 | 0.5 | 2333 | 2333 | 4666 | 98000 | 32666 | 33.3 | 16.11 |
| 0.3 | 3 | 3 | 0.6 | 3920 | 2613 | 6533 | 164640 | 36586 | 22.2 | 24.81 |
| 0.3 | 3 | 3 | 0.7 | 5880 | 2520 | 8400 | 246960 | 35280 | 14.2 | 34.80 |
| 0.3 | 3 | 3 | 0.8 | 8213 | 2053 | 10266 | 344960 | 28746 | 8.3 | 46.08 |
| 0.3 | 3 | 3 | 0.9 | 10920 | 1213 | 12133 | 458640 | 16986 | 3.7 | 58.65 |
| 0.3 | 3 | 5 | 0.3 | 280 | 653 | 933 | 11760 | 9146 | 77.7 | 2.58 |
| 0.3 | 3 | 5 | 0.4 | 1120 | 1680 | 2800 | 47040 | 23520 | 50 | 8.70 |
| 0.3 | 3 | 5 | 0.5 | 2333 | 2333 | 4666 | 98000 | 32666 | 33.3 | 16.11 |
| 0.3 | 3 | 5 | 0.6 | 3920 | 2613 | 6533 | 164640 | 36586 | 22.2 | 24.81 |
| 0.3 | 3 | 5 | 0.7 | 5880 | 2520 | 8400 | 246960 | 35280 | 14.2 | 34.80 |
| 0.3 | 3 | 5 | 0.8 | 8213 | 2053 | 10266 | 344960 | 28746 | 8.3 | 46.08 |
| 0.3 | 3 | 5 | 0.9 | 10920 | 1213 | 12133 | 458640 | 16986 | 3.7 | 58.65 |
射频工程师养成培训教程套装,助您快速成为一名优秀射频工程师...
天线设计工程师培训课程套装,资深专家授课,让天线设计不再难...
上一篇:分布式汽车车身控制系统设计
下一篇:便携式胰岛素泵设计方案

