- 易迪拓培训,专注于微波、射频、天线设计工程师的培养
求助:帮忙该下电路图
录入:edatop.com 点击:
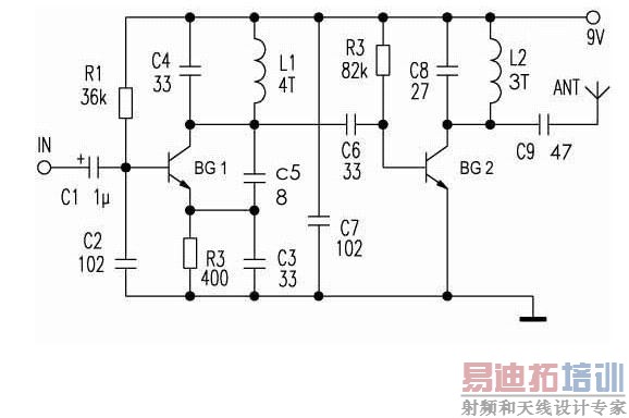
帮忙把这个调频发射机的电路图该成调幅发射机的电路图,谢谢了


射频工程师养成培训教程套装,助您快速成为一名优秀射频工程师...
天线设计工程师培训课程套装,资深专家授课,让天线设计不再难...
上一篇:紧急呼救,原理图库元件调不出来了
下一篇:PADS2005中遇到的一个问题
射频和天线工程师培训课程详情>>

