- 易迪拓培训,专注于微波、射频、天线设计工程师的培养
450W 多路DC/ DC变换器设计
1 概述
450W多路DC/ DC 变换器是一种直流变换开关电源,其输入电压为直流27V ,电源输出分别为直流±20V 10A 和5V 10A 三种不同的类型,其中电源的输入与输出隔离,且输出电源的±20V 和5V 不共地,这样可以防止共地带来的干扰。 该电源具有输出稳压精度高和纹波小等优点。
开关电源PWM 变换器主电路拓扑形式有boost 变换器、buck 变换器、buck2boost 变换器和Cuk 变换器,在此基础上,有带隔离变压器的各种DC2DC 变换器拓扑,如单端正激或单端反激变换器,全桥变换器,半桥变换器,推挽式变换器和Cuk 变换器等。
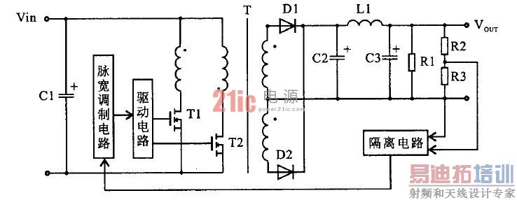
该电源主电路采用双驱动推挽变换器。 在输入电压较低时,推挽电路比半桥或全桥电路优越,因为任何时候最多只有一个开关管工作,在输出功率相同时,开关损耗较小。
低压双驱动推挽变换器电路原理图如图1 所示。

图1 双驱动推挽变换器电路原理
由于驱动电路控制,使得两个功率场效应管T1 、T2 交替导通,且二者之间有一个死区时间,即两个场效应管都关断的阶段,在此期间电感L 1 保持电流续流回路。 对于电流连续方式,输出电压由下式决定:
式中, V S 是输入电压, ton 是T1 或T2 的导通时间, tof f 是其关断时间, NS 和N P 分别是变压器付方和原方匝数。
2 脉宽调制电路设计及计算机仿真
PWM脉宽调制器采用S G1525 脉宽控制器, S G1525 适合于驱动功率场效应管,校正补偿环节采用PI 调节器,输出滤波电路采用π型滤波。 PI 校正补偿电路如图2 所示,其传递函数为:


图2 PI 校正补偿电路
应用MATLAB6. 5 对5V 10A 的电源进行仿真,MATLAB 是一个功能强大的计算机仿真软件,仿真原理图如图3所示,输出电压波形曲线如图4 所示。

图3 电路原理仿真

图4 输出电压波形仿真
3 驱动电路设计
功率驱动器件选用场效应管,场效应管为场控器件,栅源极间有电容效应,因此对驱动电路要求较高。 驱动电路要保证场效应管有较小的导通和关断时间,同时为了保证场效应管可靠关断,关断时应在栅极加负压。 驱动电路采用IR2110 驱动器,驱动电路如图5 所示。

图5 驱动电路
4 电磁兼容性设计
电磁兼容性设计对于开关电源来说难度很大,因为开关电源主要通过高频斩波进行能量变换,而变压器存在漏感,要向周围辐射电磁场。 有关电源EMC 技术指标主要有CE03 、RE02 和RS03.
对于CE03 项的达标主要通过增加滤波电路和改善电源内部的布局来实现的。 解决方案为首先在电源内部对输入电源线和输出部分进行物理隔离。 其次在输入电源线上通过对超标频率点的观察,选择插入损耗参数合理的滤波器,同时加入电感不断优化滤波器的截止频率,这样即可有效的抑制电源线的传导发射。 对于RE02 项达标是通过改进电源箱体的结构,尽量减少活动的端面,对于活动的结合面采用导电密封材料进行防电磁辐射密封来实现的。 RS03 项较容易解决。 改进后的CE03 、RE02 和RS03 项测试结果如图6 ( Ⅰ、Ⅱ、Ⅲ) 所示。

图6 CE03 测试曲线图(Ⅰ)

图6 RE02 测试曲线图(Ⅱ)

图6 RS03 测试曲线图(Ⅲ)
5 结 论
450W三路输出DC/ DC 变换器通过了高低温试验、湿热试验、振动冲击试验和电磁兼容性试验,在大系统中经过使用考核,该电源工作稳定可靠,表明该DC/ DC 变换器设计合理,性能良好,满足设计要求。 [p]
射频工程师养成培训教程套装,助您快速成为一名优秀射频工程师...
天线设计工程师培训课程套装,资深专家授课,让天线设计不再难...
上一篇:手机中电源IC的应用
下一篇:开关电源上的MOS管选择方法

