- 易迪拓培训,专注于微波、射频、天线设计工程师的培养
一种基于正激变换器的开关电源设计方法
1 引言
经过多年的发展,开关电源技术已经取得了很大成功,其应用也十分普遍和广泛。但因其结构复杂,涉及的元器件较多,以及要降低成本、提高可靠性,仍存在一些问题需要解决。例如:电源的设计和生产需要较高的技术支持;电路的调试要有实际经验,也有一定的难度。对于第一个问题,由于目前各种开关电源虽然形式多样,结构各异,但其大都源于几种基本的dc-dc变换器拓扑结构,或者是这些基本电路组合,因此,可以对几种基本dc-dc变换器进行分析,将已有的电路设计公式应用于实际开关电源的设计。对于第二个问题,随着计算机硬件和软件的发展以及仿真技术的不断完善,人们可以利用仿真技术来解决开关电源产品开发和生产中存在的问题。
本文在对基本的buck变换器电路拓扑分析的基础上,对与之相关的正激变换器和双管正激变换器进行了分析,发现可以通过等效变换,从buck变换电路的设计公式中推导出正激变换和双管正激变换电路的参数计算公式;此外,采用pspice仿真软件进行了电路仿真试验,仿真结果证明了开关电源电路设计的正确性。
2 buck变换的拓扑结构与参数设计
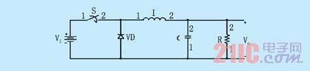
基本buck变换器的电路拓扑结构如图1所示,由电压源vi、串联开关s、续流二极管vd和由lc组成的电流负载组合而成,其中l的大小决定输出电流纹波,而输出电压纹波则由c决定,这是最基本的一种直流变换器。

图1 基本的buck变换器
文献[1]给出了buck变换器的电路设计公式,根据buck变换器的输出公式:

式中:ρ为占空比,且有:ρ=ton/t,则ρ=vo/vi。
电感l的计算公式为:

式中:f为开关频率;
iomin为输出最小电流。
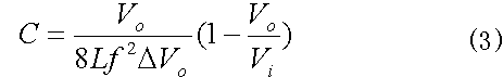
而电容c的计算公式为:

式中:δvo为输出电压纹波。
3 正激变换的公式推导
3.1 拓扑结构与工作模式
一个单管正激变换器的主电路拓扑结构如图2所示,由于正激变换器是在基本的buck型变换器基础上多了一个隔离变压器t1、一个二极管vd1和一个由回收绕组n3和箝位二极管vd3构成的复位电路。由于电路形式发生了变化,所以设计时不能直接使用上述基本buck变换器的参数计算公式。本文通过对正激变换器工作模式的分析,采用等效变换方法将正激变换器等效为一个基本的buck变换电路,由此可将基本buck变换电路的参数计算公式(2)和(3)推广到一类正激变换器的参数计算,建立新的设计公式。

图2 单管正激变换器主电路结构
正激变换器的工作模式为:
(1) 当v1导通时,二极管vd1导通,输入电网经变压器耦合向负载传输能量,此时,滤波电感l1储能;
(2) 当v1截止时,二极管vd1截止,电感l1中产生的感应电势使续流二极管vd2导通,电感l1中储存的能量通过二极管vd2向负载释放。
3.2 等效变换与参数计算
根据对正激变换器工作模式的分析,可以发现二极管vd1的通断与开关管v1的通断同步,因此可以将二极管vd1用一个等效开关管v代替,如果可以忽略v1的导通压降,则变压器副边绕组的感生电压为:
式中:k为变压器的匝比,且有k=n1/n2。
如果用一个大小为vi′的电压源代替变压器副边绕组,就可以将整个正激变换器的输出边等效变换为一个基本的buck变换器。等效电路如图3所示,图中用开关v代替了图2电路中的开关管v1与二极管vd1的作用。由此,通过等效变换的正激变换器主电路拓扑结构与图1所示的基本buck变换器的拓扑结构一致。这样,就可以采用基本buck变换器的参数计算公式(2)和(3)来设计正激变换器。

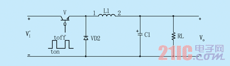
图3 等效buck变换器
由图3可将公式(2)和(3)推广,得到等效后的正激变换器参数计算:
(1) 占空比的计算:

(2) 滤波电感的计算:

(3) 滤波电容的计算:

式(5)、(6)和(7)即为正激变换器的参数计算公式,从式(5)可知占空比不仅与输入输出电压有关,还跟变压器的匝比有关,与式(2)和式(3)相比,滤波电容与电感的计算也多了一个变压器的匝比参数k。
3.3 计算公式验证
现通过pspice仿真来验证所推公式的正确性。设计一个正激变换器,要求其输入电压为48vdc,输出电压为12vdc,输出电流为5a,输出电压纹波分量 δvo为1v,开关频率f为50khz。先选定ρ=0.4,即ton=8μs,再由式(5)、(6)和式(7)算出变压器的匝数比为1.6,l1=15μh,c1=24μf,而rl=vo/io=2.4ω。
在pspice下绘制电气原理图,并对其进行暂态时域分析,仿真时间设为1ms。
仿真输出电压波形如图4所示,可以看出,其输出电压在0.2ms后就已经稳定在所要求的12v上了,其输出纹波也完全符合要求,从而证明前面所推公式是正确的。

图4 双管正激变换器主电路
4 开关电源设计举例
现利用上述方法,设计一个双管正激型开关稳压电源,要求输入电压为48vdc,输入变化范围为±5%,输出电压为12vdc,输出电压纹波范围为1v,输出电流为5a,开关频率为50khz。
(1) 主电路参数计算
选取双管正激电路作为开关稳压电源的主电路,如图5所示。其工作原理与单管正激变换器相同,只是这里的两个开关管同时导通和关断,且因为有vda、vdb,不需另外的复位电路。控制电路则采用简单的电压控制模式。

图5 双管正激变换器主电路
这里可以直接用正激变换器的公式计算其参数。由设计要求可知t=1/f=20μs,r=vo/io=2.4ω,iomin=11.5v/2.4ω=4.79a。由于双管正激电路占空比最大只能为0.5,因此可以选取当输入为45.6v(输入电压最小)时,占空比为0.45,然后由式(5)算出变压器的变比为7/4,由式(6)求出电感l=13μh,根据式(7)解出电容c=25μf。
(2) 控制电路参数计算
开关电源采用占空比控制方式,可分为电压模式控制和电流模式控制两大类。电压模式控制仅有一个电压控制环,电流模式控制中还存在电流内环。这里采用电压模式控制,如图6所示,运算放大器u1为电压控制器,运算放大器u2为比较器。其控制原理为,取样于输出电压的反馈电压uf与给定电压v3相比较,经过比例积分环节,输出电压再与锯齿波v1比较,产生一个pwm波,去驱动开关管。

图6 开关稳压电源的控制电路
控制电路采用pi电压调节器,需要确定的参数有c2、r3和r2,还有输出采样电阻。选取取样电压为输出电压的1/6,取样电阻的值最后根据调试结果确定。根据不同要求的输出电压,调节可变电阻r6,以获得相应的给定电压。取截止频率为开关频率的1/20,即τ=0.0004s。取r2=10kω,先取放大倍数kp=10,则r3=100kω,c2=τ/r3=40pf。
5 仿真试验
将设计的开关电源用pspice进行仿真,首先在pspice下绘制电气原理图,仿真电路如图7所示。再按上述步骤进行参数设计,最后进行仿真试验和电路调试,由于仿真试验的主要目的在于参数的确定和调试,因此,为简便起见可暂不考虑保护电路的作用。调试后的各参数最佳值见图7。

图7 开关稳压电源电路原理图
将图7所示的开关电源控制电路图用pspice进行仿真,并进行暂态时域分析,仿真时间设为2ms。仿真输出波形如图8所示:

图8 vi=45v时的pwm波形、输出电压和取样电压波形

图9 vi=48v时的pwm波形和输出电压
从图8可以看出,其输出电压和反馈电压均满足设计要求。
从图9和10可以看到,虽然输入电压发生了变化,但该系统能实现对占空比的自动调节,使其输出电压稳定在所要求的12v,而且输出纹波和稳定时间均满足设计要求。

图10 vi=51v时的输出电压波形图
6 结束语
本文通过对正激变换电路进行等效变换,将基本buck变换器的参数计算公式推广到一类正激变换电路的参数设计,并采用pspice仿真软件进行正激变换器的仿真试验,仿真结果表明了所推导公式是正确的。进而对开关电源进行了pspice仿真、调试,证明了所推导的正激变换器参数计算公式适用于所有隔离型buck变换电路。
射频工程师养成培训教程套装,助您快速成为一名优秀射频工程师...
天线设计工程师培训课程套装,资深专家授课,让天线设计不再难...
上一篇:设计人员如何为LED电路选择电感器
下一篇:几大LED背光/照明驱动IC介绍

