- 易迪拓培训,专注于微波、射频、天线设计工程师的培养
太阳能灯系统控制电路的设计
随着经济的发展和社会的进步,人们对能源提出了越来越高的要求,寻找新能源已成为当前人类面临的迫切课题。由于太阳能发电具有火电、水电、核电所无法比拟的清洁性、安全性、资源的广泛性和充足性,太阳能被认为是二十一世纪最重要的能源。太阳能的存储是太阳能产品发展的关键,目前主要采用各种电池,但是电池的充电时间长、寿命短以及不环保一直是太阳能产品发展的瓶颈,而超级电容器超级电容器作为一种充电快、寿命长、绿色环保型储能元件,它给太阳能产品的发展带来了新的活力。本文详细介绍了一种超级电容器太阳能草坪灯的设计及实现方法。该草坪灯很好的结合了太阳能和超级电容器的优势,它无需安装其他电源,就可以主动发光,还能够根据环境光线的强弱自动控制灯的开关,而且安装方便、不用布线、工作稳定可靠、免维护、环保无污染、使用寿命长,可广泛应用于广场绿地、小区草坪等场所。
1 设计选择
1.1光源的选择
由于LED技术目前已经实现了关键性突破,同时性能价格比也有较大地提高。现在的LED寿命已可达到100 000h以上,而且工作电压低,非常适合应用于太阳能草坪灯上。另外,LED由低压直流供电,其光源控制成本低,可以调节明暗,并可频繁开关,而且不会对LED的性能产生不良影响。因此,从可靠性、性价比、色温和发光效率等几个方面综合考虑,设计时可选择额定电压为3.3 V、工作电流为6 mA的超亮LED作为光源。由于草坪灯不但要有装饰作用,还要有一定的照明功能,故可选择8个LED使用。
1.2太阳能电池的选择
太阳能电池是依据半导体PN结的光伏效应原理把太阳光能转化为电能的半导体器件,是超级电容器太阳能草坪灯的核心器件。太阳能电池性能的好坏直接决定着能量的转换效率及输出电压的稳定性,同时也直接决定了超级电容器太阳能草坪灯的性能。因此,设计时应采用性价比比较好的单晶硅太阳能电池。
由于地球上各个地区的太阳年总辐射量与平均峰值日照时数不同,太阳能草坪灯的设计和灯的使用地理位置是有关系的,太阳能电池组件额定输出功率和灯具的输入功率之间的关系大约是2~4:1,具体比例要根据灯的每天工作时间以及对连续阴雨天的照明要求决定。本系统的太阳能电池的功率为3.3V×0.006×8=0.1584 W,假设每天工作12个小时,太阳能电池功的效率为40%,每天有效工作时间为5小时,则可选用3 W/6 V的太阳能电池。
1.3超级电容的选择
由于太阳能电池的输入能量极不稳定,同时草坪灯只是在周围光线较弱时才发光,因而必需配置蓄电系统才能有效工作。现阶段普遍采用铅酸蓄电池、Ni-Cd蓄电池或Ni-H蓄电池,但采用蓄电池作为蓄电系统有许多缺陷:首先可充电型蓄电池的充电次数有限(小于1000次),使用寿命较短;其次,由于其化学结构的影响,它不能进行大电流充电;第三,蓄电池需要有防过充、防过放以及温度补偿等控制电路,而且控制电路比较复杂;第四,可充电型蓄电池主要利用化学反应来进行充放电,电池中的废物会对环境产生污染,不属于环保产品。
因此,本产品中选用超级电容做为储能元件。该电容具有法拉级的超大电容量,超强的荷电保持能力,且漏电流非常小,8小时电压下降率小于5%;无须特别的充电电路和控制放电电路,充电迅速,而且可以在仅高于其漏电流(典型值约为1 mA)的状态下充电,因此,即使在阴天,太阳能电池也能对超级电容器充电;与蓄电池相比,其过充、过放都不对其寿命构成负面影响,可靠性高、使用寿命长(充放电循环寿命在10万次以上);此外还具有优良的温度性能,可在-40℃~75℃的环境温度中正常使用;无污染,是一种绿色电源;可焊接,而且不存在象蓄电池那样接触不牢固等问题。
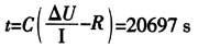
本太阳能草坪灯产品选用锦州凯美能源有限公司生产的6个2.5 V/150 F超级电容器组成的5.0V/225 F电容器模块,其单只电容器产品的ESR(DC)只有20mΩ,直径25 mm,高为48 mm。5 V/225 F超级电容器充电时间为(在充电电流为450mA的情况下):
![]()
式中:C-电容器额定容量;△U-电容器工作电压变化;I-电容器充电电流;t-电容器充电时间。
超级电容器放电时间为:
![]()
式中:ESR为电容器的直流内阻。5 V/225 F超级电容器可从5 V放电到0.6 V。
2系统控制电路的设计
2.1 充电电路
本系统中的充电电路由防过压和防反充电路构成,图1所示为其充电电路,图中的ZD1为5.6V稳压二极管,当电池电压高于5.6 V时,Q2导通,硅电池全部电流通过电阻Q2消耗掉,当硅电池电压降到5.6 V以下时,Q2截至,硅电池给超级电容充电,并同时保护超级电容。
防止反充电控制电路可以保证在太阳能电池输入电压低于超级电容电压时,超级电容不会反向对太阳能电池充电,以免造成不必要的能量损耗。反充电控制可由图1中的二极管D1来完成,这个二极管选用肖特基二极管,因为肖特基二极管的导通压降比普通二极管低。
2.2驱动LED稳压电路
由于所选用的LED灯的额定电压为3.3 V,而超级电容器的电压为5.0 V,并且超级电容器在放电过程中电压会不断降低,因此需要有稳压电路来驱动LED。

本文选用CMOS工艺制造且静态电流极低的VFM开关型DC/DC升压稳压器,该芯片内部包括VFM控制电路、LX开关驱动晶体管、基准电压单元、振荡器、误差比较放大器、电压采样电阻、LX开关保护电路等。芯片外部只需要一个电感、一个输出电容和一个肖特基二极管就可以提供稳定的低噪声输出电压。该稳压器具有8μA的极低输入电流、低纹波、低噪声特性,效率可达到80%,并具有0.6 V的极低启动电压,输出电压精度可达±2.5%。该部分电路如图2所示。

其中331C外围的电感和二极管会影响转换效率,此外,电容和电感也会影响输出波纹。因此。设计时应选择合适的电感、电容和肖特基二极管以获得较高的转换效率和较低的波纹和噪声。根据331C的数据手册,本设计选择47μH且小于0.5 Ω的电感和47μF的低ESR的钽电容。用于整流的二极管对DC-DC的效率影响很大,虽然普通的二极管也能够使DC-DC电路工作正常,但是会降低DC-DC转换器5%~10%的效率,所以D3采用正向导通电压较低、反应时间较短的肖特基二极管lN5817。
[p]
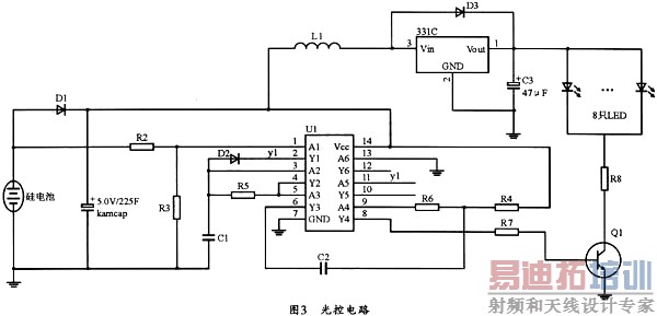
2.3光控电路
超级电容器太阳能草坪灯需要光控开关电路来控制LED的开关。以便在周围环境光线变暗时点亮LED,并当光线变亮时关闭LED。有些光控开关电路采用光敏电阻来开关LED,也可以直接采用太阳能电池做光敏开关,因为太阳能电池特性比光敏电阻好。这部分电路如图3所示。

图3中,U1为带施密特触发器的六反相器74HC14,其中的多谐振荡器由第二个反相器与R5和C1构成。这样,在白天光线变亮时,太阳能电池电压升高,74HC14的1脚为高电平,74HC14的2脚为低电平,8脚同样输出低电平,三极管Q1截至,LED关断。而当光线变暗时,太阳能电池电压降低到一定程度时,HC14的1脚为低电平,HC14的2脚为高电平,多谐振荡器开始振荡,并经过Y4输出高、低电平,Q2时而导通时而截至,此时只要调节R6和C1的值,以把闪光频率调节到人眼不能分辨即可,这样做的最大好处是可以延长草坪灯工作时间。经实际测试,该电路可以每天连续工作10小时以上,完全可以达到用户的使用需求。
3 结束语
本超级电容器太阳能草坪的设计采用了超级电容和集成的DC-DC芯片,因而整个电路设计简单,可靠性高,属于绿色环保产品。目前,此设计已经成功应用于实际产品之中。
射频工程师养成培训教程套装,助您快速成为一名优秀射频工程师...

