- 易迪拓培训,专注于微波、射频、天线设计工程师的培养
浅谈一种LED模拟调光电源的实现
现在实现LED调光有两种最常见的方式:脉冲宽度调变调光 (PWM Dimming) 与模拟调光 (Analog Dimming) 。模拟调光通过改变LED灯电流幅值来调整灯的亮度。显然,电流越大,LED越亮;电流越小,LED越暗。现在PWM的调光电源一般采用两级结构来实现,第一级AC-DC输出恒压,第二级DC-DC,调光功能在第二级通过PWM实现,这样做电路较为复杂,下面设计的调光电源采用模拟调光方式,控制IC采用LD7535+ATtiny24,直接实现横流恒压可调输出,以下是原理图:

实际上调光原理很简单,电源输出电流I=Vref/Rs,其中Vref为基准电压,Rs为输出串联的电流采样电阻,要改变输出电流可以改变Rs,也可以改变Vref,设计的电源采用的是改变Vref的方式。具体思路是通过单片机输出PWM信号,经过滤波分压得到Vref,Rs固定,则输出电流由单片机控制。调光的分辨率则由单片机的PWM位数决定,Attiny的PWM为8位,故电流的步进为500MA/256,约为2MA。下面是电路的简单分析:

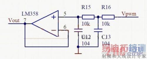
控制信号通过P2送进单片机,U3为单片机工作提供稳定的3.3V电压。ATtiny24的主要工作是根据控制信号,在PB2引脚输出相应的PWM信号,R25和R26对输出电压分压,PA0通过ADC采样输出电压。单片机输出的PWM信号经过下面的滤波电路得到输出稳定的电压信号。

由于单片机供电电压3.3V,因此Vout=Vpwm*D=3.3*D,D为占空比。Vout再经R10,R14分压得到Vref。

Vref与输出采样电阻电压VRs经运放LM358比较放大,再经光耦反馈给LD7535,最终得到设定的输出电压电流值,其它电路部分是普通的反激电源电路在这里就不多分析了。
射频工程师养成培训教程套装,助您快速成为一名优秀射频工程师...
天线设计工程师培训课程套装,资深专家授课,让天线设计不再难...
上一篇:浅谈恩智浦LED驱动IC
SSL2101性能及应用电路
下一篇:ST
STEVAL-ILL015V1
RGB
LED调光解决方案

