- 易迪拓培训,专注于微波、射频、天线设计工程师的培养
系统集成式32位微控制器用于HV/EV电机控制
近几年混合动力汽车(HV)和电动汽车(EV)市场经历了迅速增长,预计未来随着环境问题和原油价格的不断上涨将进一步增长。而普及节能汽车、促进驾驶生态化需在改善电机运行、降低能耗和降低系统成本方面进行革新。此外,艺术元素和游戏般的感觉也使环保驾驶技能增加到指示功能当中。越来越多的设备可以显示汽车内部与周围的情况,例如仪表板显示器、中央显示器和抬头显示器。这些显示设备需要通过高清晰度的图像来直观地向驾驶员传达汽车及其周围情况。
在这个意义上讲,我们正处在这样一个时代——消费者在根据驾驶控制和驾驶辅助功能两个方面来选择他们的汽车。为了满足这一要求,富士通半导体推出了用于HV/EV电机控制的32位微控制器MB91580系列,以及用于驾驶辅助显示控制的系统LSI MB86R11。我们不妨来看看两款器件到底有哪些具体功能和特点,又在汽车中发挥怎样的作用。
MB91580的驱动电机控制优势
MB91580系列是富士通半导体紧跟市场需求推出的节能汽车驱动电机控制芯片。作为高性能32位闪存嵌入微控制器(MCU)的FR家族成员,该系列产品可广泛应用于电动汽车和混合动力汽车的驱动电机控制功能。
该系列拥有专用嵌入旋转变压器感应器接口,能够开拓性地控制EV和HV中使用的三相电机,实现EV/HV驱动电机必须的高转矩响应控制过程达到改善电机运行和降低能耗的目的。
此外,适于高转矩响应控制过程的内置外设功能,既可降低系统成本,又可实现高速反馈控制。高精度检测电流和电机位置的12位A/D转换器和R/D转换器可检测电角度,与检测三相电流的A/D转换器同步。
集成在160DMIPS高性能CPU内的专用浮点运算单元(FPU)利用内置外设功能生成的信息处理向量转换和PID控制运算。该特性通过实现进一步快速反馈控制,有助于改善电机运行和降低能耗。此外,通过抑制与电机控制有关的CPU负载,可对系统而不是功率电机(DC/DC转换器和电池管理等)进行控制,这有利于通过系统集成消减整体成本。
MB86R11的图像显示优势

图1:富士通的主动绿色贡献
混合动力汽车和电动汽车有以下三大创新:第一是电子控制单元(ECU)的创新,以改善混合动力汽车和电动汽车电动机产生的机车性能。使用ECU可以改善电机的可控性,同时不改变当前的硬件,包括电机和逆变器。第二个创新是通过整体优化方法,包括系统的重新配置大幅降低系统成本。第三个创新是改善逆变器模块,使其能够进一步满足电力和节能要求,采用超越目前IGBT损耗特性的元件大幅提高能源利用效率。
为了帮助客户实现创新,富士通不断开发以LSI和软件为重点的产品,及时提供各种解决方案。图2是推动混合动力汽车和电动汽车进一步发展的三大创新。

图2:混合动力车和电动车发展的三大创新
ECU创新
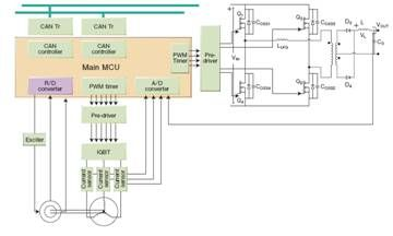
满足混合动力汽车和电动汽车的高转矩响应需要环路控制来精确检测电机工作条件,并计算高速反馈信息的控制水平。具有内置R/D转换器的MB91580系列微控制器就是一个满足ECU创新的解决方案。其重点是实现有效的环路控制。例如,MB91580系列的内置12位A/D转换器和R/D转换器可以高速度和精度高检测电机的电流和位置,在如图3所示。旋转变压器(resolver)的电角度是通过R/D转换器计算的,可以将特殊功能寄存器与A/D转换器检测到的三相电流同步锁定。电角度的SIN(正弦)和COS(余弦)值也可用单精度浮点数格式(IEE754标准)进行自动计算。与采用传统自定义格式的固定点方法相比,这将提高10%至15%的计算速度。

图3:电机控制算法
成本创新
混合动力汽车和电动汽车普及的关键之一是降低成本。通过系统集成就可能做到这一点。图4和5是通过电池管理ECU和DC-DC控制ECU的系统集成实现的创新框图。

图4:整合系统功能以降低成本:BMS集成

图5:系统功能集成以降低成本:DC-DC集成
这些集成可以通过在微控制器中集成ECU控制与电机控制来实现。如前所述,富士通的MCU可以通过电机控制抑制CPU负载率,因此它可以同时进行电池管理控制和DC-DC控制。
节能创新
在驾驶辅助方面,MB86R11可以实现被动绿色(Passive Green)功能,帮助驾驶者体验挑战油耗的绿色生活理念。驾驶者可以利用指示功能检查如何实现生态驾驶(Eco-Driving)。MB86R11的图像显示功能能够根据驾驶场景自由切换显示信息,并支持安全驾驶,包括采用摄像机图像的整车边界检查,为在驾驶者提供易于使用的生态驾驶辅助功能。
此外,富士通还在利用其GaN HEMT技术解决混合动力汽车和电动汽车驱动控制的节能创新问题。我们可以拭目以待。
射频工程师养成培训教程套装,助您快速成为一名优秀射频工程师...
天线设计工程师培训课程套装,资深专家授课,让天线设计不再难...
上一篇:一种新颖的高频链逆变器
下一篇:空间受限的高密度DC/DC电源设计

