- 易迪拓培训,专注于微波、射频、天线设计工程师的培养
汽车信息娱乐系统需要灵活和可配置的多输出电源 IC
背景信息
汽车信息娱乐系统日益流行,持续激增。现代技术进步,例如卫星广播、触摸屏、导航系统、蓝牙、高清电视、集成式手机、媒体播放器和视频游戏系统,都提升了驾驶体验。全球每年生产超过 5000 万量汽车,其中大部分都有某些类型的集成式信息娱乐系统。从电源角度来看,基本的信息娱乐控制台可能需要几个低压电源轨,总电流达到几安培,而一流的控制台可能需要更多电源轨。传统上,这些电压轨和电流由很多分立式电源稳压器 IC 或者大型和过度集成的电源管理集成电路 (PMIC) 提供。不过,这类大型 PMIC 提供的电压轨常常多于所需,占用面积很大,而且对某些轨的供电常常不足。因此,需要能提供解决方案占板面积很小的多输出 IC,而且这类 IC 要提供很多可配置和供电适度的电压轨。此外,如果这类 IC 能以各种不同的方式配置,以适应在开发过程中可能出现的电源要求的变化,就会有更大的优势。由于创新性电路设计,这类 IC 现在已经变成现实了。
信息娱乐系统的电源设计挑战
汽车应用的电子系统设计富有挑战性,这有很多原因:空间高度受限,工作温度范围必须很宽,必须最大限度地降低噪声,必须容许电池瞬态,质量必须很高。既然集成度必须很高,那么就需要高效节能的组件。今天的汽车仪表板上有各种电子系统,相当拥挤,再加上很高的环境工作温度,所以温度监视成了关键要求,尤其是涉及电源管理组件的工作温度时。如果能向系统控制器报警,通知控制器发生了过热情况,就可以通过软件关闭少量电路功能,或者降低处理器性能以及显示器、网络通信等其他大功率组件的性能,以此减轻过热问题。
今天的汽车仪表板常常挤满了大量噪声源和温度敏感源,例如无线电、蓝牙、GPS 和基于手机的网络连接。因此,至关重要的是,这个环境中的所有电路 (包括电源) 都不能产生过多的热量或 EMI。在很多情况下,都有严格的电磁兼容性 (EMC) 要求,其中涵盖了辐射与传导噪声、抗辐射与传导性或辐射与传导敏感性以及静电放电 (ESD)。在一个可能的 PMIC 设计中,要符合所有这些要求,就会牵涉很多性能问题。有些要求是简单易懂的,例如要求 DC-DC 开关稳压器以 AM 无线电频段以外的固定频率工作。然而,还有一些要求难以满足,例如调节内部功率 FET 的转换率,以最大限度地降低 DC-DC 转换器开关节点转换引起的辐射噪声。
此外,今天很多嵌入式系统和先进的处理器在电源启动和加到各种不同的电路上时,都要求受控和精心设计的排序。排序方法要简单并能为系统提供灵活性,这样才不仅能使系统设计更容易,而且能确保系统可靠性,并允许单个 PMIC 满足更多的系统要求,而不仅是特定处理器的要求。
“功能蔓延”指的是即产品规格 (例如:输入和输出电压以及输出电流等) 随着开发周期的推进而发生的变化,这会严重破坏 IC 及相关分立组件的选择。当电路板布局确定后,要改变系统的性能规格时,在最好的情况下,也许通过更换可调输出转换器上的几个电阻器,就可以微调电压了。在最坏情况下,因为新的输出电流要求超过了已采用 IC 的开关电流额定值,也许需要用管脚引出线不兼容的 IC 替换几个 IC。由于电路板的重新设计和重新布局,这将大量导致成本增加及时间延迟。因此需要高度专业化、高性能、可配置的电源管理 IC,以恰当管理电源系统,确保系统的所有性能优势都得以实现,并为不可避免的电源系统更改提供灵活性。直到现在为止,还没有单个 IC 能完成这种任务。
总之,汽车信息娱乐系统设计师面临的主要 IC 设计挑战包括以下各项:
在项目开发阶段更改设计要求 (电压和电流值) [p]
很多系统需要大量 <5V 的轨
在开发工作结束之前,每个轨的电流要求常常是未知的 (例如,FPGA 有不受软件影响的 ICC)
每次修改之后,类似应用在 DC/DC 电流要求上可能有很大差别
符合 ISO26262 规范要求,该规范旨在降低与软件有关的风险,以在汽车中实现安全功能
平衡功耗和多个开关稳压器的高集成度
抵抗从瞬态到冷车发动情况的各种严酷电压变化
监视电源 IC 芯片温度
最大限度地减小解决方案尺寸和占板面积
最大限度地降低 EMI 和噪声辐射
一种简单的解决方案
过去,多种多输出 PMIC 不具备应对这类新式系统的灵活性。上面概述了要满足汽车电源管理 IC 设计限制的任何解决方案都必须:集成度很高;包括具备低压能力、提供中等电流的降压型开关稳压器;有很宽的工作温度范围;有很高的灵活性。设计师所需要的是多通道、可配置 DC/DC 转换器以应对所有这些问题,采用单个器件提供高集成度和可配置性,同时满足大量应用需求。
灵活的 8 通道降压型稳压器
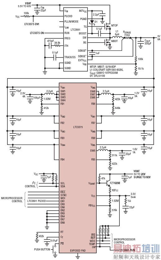
LTC3375 是一款高集成度、通用电源管理解决方案,适用于需要多个低压电源的系统。该器件采用紧凑的 QFN 封装,提供 8 个独立的 1A 通道,具备 I2C 控制、灵活的排序和故障监视。LTC3375 含有 8 个内部补偿的高效率同步降压型稳压器和一个高压、始终保持接通的线性控制器。每个降压型稳压器都有自己独立的 2.25V 至 5.5V 输入电源和 0.425V 至 VIN 的输出电压范围。该器件的按钮 ON/OFF/RESET 控制、电源接通复位和看门狗定时器提供灵活和可靠的上电排序及系统监视。LTC3375 具有一个可编程、可同步的 1MHz 至 3MHz 振荡器,缺省开关频率为 2MHz。所有 DC/DC 断开时,静态电流仅为 11µA,从而降低了始终保持接通系统的功率。该器件非常适用于多种多通道应用,包括工业、汽车和通信系统。
LTC3375 的 8 个降压型转换器可独立使用,或并联连接,以用单个共享电感器实现更大和每输出高达 4A 的输出电流。因为多达 4 个相邻稳压器可以连接在一起,所以可以有 15 种不同的输出配置。通过连接 VIN 和 SW 引脚,并将从属降压型稳压器的 FB 引脚连接到输入电源,相邻降压型稳压器能以主-从式配置相结合。所有这些开关稳压器都是内部补偿的,仅需要外部反馈电阻器来设定输出电压。此外,输出电压可以通过 I2C 调节。这些开关稳压器提供两种工作模式:以突发模式 (Burst Mode®) 工作 (上电缺省模式) 时可在轻负载实现更高效率;而强制连续 PWM 模式可使轻负载时的噪声更低。I2C 接口可用来选择工作模式、相位关系、反馈调节电压和开关转换率。这些降压型稳压器提供正向和反向电流限制、启动时限制浪涌电流的软启动、短路保护以及实现更低辐射 EMI 的转换率控制。其他特点包括芯片温度监视输出 (通过 I2C 可读),该输出指示内部芯片温度; 芯片温度 (DT) 报警功能,当芯片温度达到设定的警报门限时,提醒用户,从而使系统能采取纠正行动。LTC3375 采用耐热增强型、扁平 (0.75mm) 48 引脚 7mm x 7mm 裸露焊盘 QFN 封装。LTC3375 还有高温 (H 级) 版本可选,结温额定值为 -40°C 至 +150°C,非常容易满足高温汽车工作环境的要求。

图 1:简化的 LTC3375 三输出 4A / 3A / 1A 方框图
安全与可靠性也是关键
LTC3375 含有系统看门狗电路,可在微处理器损坏的情况下,用来启动自动的系统复位。看门狗电路监视微处理器的活动。微处理器需要至少每 1.5 秒改变一次看门狗定时器输入 (WDI) 的逻辑状态,以给看门狗定时器清零,并防止看门狗定时器输出 (WDO) 引脚发出超时信号。 [p]
看门狗定时器在上电复位后立即开始运行,并将保持运行,直至在 WDI 输入上检测到转换为止。在这期间,WDO 将处于高阻抗 (Hi-Z) 状态。一旦看门狗定时器超时,WDO 就被拉低,并启动复位定时器。如果在复位定时器超时期间,没有接收到 WDI 转换信号,那么 200ms 之后,WDO 就再次变成 Hi-Z 状态,1.5 秒看门狗复位定时将再次开始。如果在看门狗超时期间,WDI 输入接收到了转换信号,那么 WDO 就在 WDI 转换后立即变成 Hi-Z 状态,1.5 秒看门狗复位定时将从这一点开始。
拉低 WDO 可用来强制起控制作用的微处理器复位。这种复位能以几种方式实现。如果在故障情况下,想给整个系统断电,那么可以将 WDO 连接到 KILL 引脚。在这种情况下,WDO 将拉低 KILL,并启动硬复位 (Hard Reset)。在 200ms 之后,如果在 WDI 上没有检测到转换,那么 WDO 就释放 KILL,并允许给系统再次加电。在这种情况下,需要提到的重要一点是,定时电容器 (CT 引脚) 的大小必须确定为:以低于 1.5s (看门狗超时时间) 减去硬复位时间 (对于 0.01µF 的 CT 电容器而言是 1s) 所得之差为准,在这个时间之内,系统能上电,并确定 WDI 转换。如果不想这么急剧地进行系统复位,那么可以用 WDO 引脚拉低等待复位的任何电源之 EN 引脚。在这种情况下,EN 引脚将被强制为低,并持续 200ms,之后将释放 EN 引脚,如果需要,可以驱动 EN 引脚为高。需要提到的重要一点是,EN 引脚不用低阻抗输出驱动。
抑制辐射和传导噪声
LTC3375 的 PWM 开关频率用 400k RT 电阻器在保证的 1.8MHz 至 2.2MHz 范围内准确微调至 2MHz。RT 电阻器可用来在 1MHz 至 3MHz 范围内设定任何工作频率。这些稳压器还可设定为强制连续 PWM 工作模式,以甚至在轻负载时,防止以突发模式工作。这不仅保持了频率固定,而且降低了 DC-DC 输出电容器上的电压纹波。此外,LTC3375 还可以通过 SYNC 引脚,与一个 1MHz 至 3MHz 的外部时钟同步,以进一步降低系统噪声。
LTC3375 有一个特殊的功能,允许用户降低切换边沿速率,该功能专门用来降低辐射噪声。通过选择布局 / 组件以防止产生射频能量,就可从源头抑制噪声。有必要使用屏蔽电感器,且有必要将这些电感器放置在尽可能靠近 LTC3375 的地方。这是因为,AC 电流通过电感器和输出电容器流到地,再从地返回 LTC3375。从这里也可以清楚地了解,为什么要用宽走线 (大面积更可取) 连接输出电容器的地与 LTC3375 的地以及相关的 VIN 输入去藕电容器的地。
LTC3375 还提供一些附加方法以进行源头抑制。降压型转换器的开关转换率可以通过 I2C 调节。因为降压型转换器是同步的,所以下降和上升时间可以同时延长。图 2 和图 3 分别显示了以全速和低速上升和下降的开关曲线:

图 2:降压型转换器在 2MHz全速上升和下降的开关曲线
图 3 是低速上升和下降的开关曲线:

图 3:降压型转换器在 2MHz 低速上升和下降的开关曲线
线性稳压器控制器
线性控制器可以靠 12V 电池运行,这时可提供相对小的电流。LDO 的输出功率视所用组件的不同而不同。如果需要,可以在 20V 提供 50mA。这非常适用于在汽车信息娱乐系统中为任何“始终保持接通”的电路供电,同时 LTC3375 在断电状态时,仅消耗 11µA 电流。在这个例子中,LTC3375 无需单独的低功率电源来保持系统存储器工作。参见图 4 以了解详细信息。 [p]

图 4:用线性控制器给 Vcc 供电的典型应用电路
抵抗极端电压摆幅
汽车电子系统的另一个障碍是电池电压的急剧变化,在冷车发动时低至约 ~5V,高压尖峰也是引起急剧变化的原因。汽车电子系统不仅需要承受这些严酷的电压变化而不被损坏,而且同时需要继续保持工作。LTC3375 有按钮控制器和外部通路 FET 稳压器,该控制器和稳压器可用来启动外部高压降压型稳压器,然后该外部稳压器以安全的稳定电压给 LTC3375 供电。参见图 5 以了解有关该 IC 在高压瞬态时,稳定输出电压性能的详细信息。如果外部降压型稳压器脱离稳定状态,外部通路 FET 稳压器还可用来在冷车发动工作情况下保持微处理器有效。外部使能引脚使降压型稳压器能从外部启动,也可以通过 I2C 启动,或者两者结合。当输入电压低于欠压闭锁 (UVLO) 门限,或者输出电压不在稳定状态时,微处理器可通过可编程中断 (IRQ) 和复位 (RST) 引脚接收报警信号。参见图 6 以了解详细信息。

图 5:LTC3375 高压瞬态性能

图 6:用上游高压降压型转换器驱动 LTC3375
结论
汽车信息娱乐系统领域的技术进步 (例如卫星广播、触摸屏、导航系统、蓝牙和高清电视) 都提升了现代汽车的驾驶体验。此外,通过用单个多输出 8 通道降压型 IC 取代分立式电源 IC 组件或传统上大型和过度集成的 PMIC,系统设计师可以集成关键电源管理功能,并用更小和更简单的解决方案实现全新的性能。LTC3375 是这类新一代多输出转换器 IC 的一个好例子。该器件是数字可编程的高效率多输出电源 IC,包含 8 个同步降压型转换器 (每个的 IOUT 高达 1A),所有转换器都由独立的 2.25V 至 5.5V 输入电源供电,并具备低输出电压能力。该器件可以提供多达 15 种不同的输出电流配置,这种灵活性允许系统设计师减轻系统“功能蔓延”的影响。因此,该 IC 解决了很多传统上存在并与汽车信息娱乐系统设计有关的问题,从而提升了现代汽车的驾驶体验。
射频工程师养成培训教程套装,助您快速成为一名优秀射频工程师...

