- 易迪拓培训,专注于微波、射频、天线设计工程师的培养
一款2KW高频开关电源电路的设计方案
与此同时,大量集成电路、超大规模集成电路等电子通信设备日益增多,要求电源的发展趋势是小型化、轻量化。本文主要针对滤波电感、电容和变压器的体积和重量比较大,因此提出了一款2KW高频开关电源电路的设计方案,通过方案中的电源电路的设计方法,达到了以减少它们的体积来实现小型化、轻量化。
0 引言
我们可以通过减少变压器的绕组匝数和金减小铁心尺寸来提高工作频率,但在提高开关频率的同时,开关损耗会随之增加,电路效率会严重下降。针对这些问题出现了软开关技术,它利用以谐振为主的辅助换流手段,解决了电路中的开关损耗和开关噪声问题,使开关电源能高频高效地运行,从20世纪70年代以来国内外就开始不断研究高频软开关技术,目前已比较成熟,下面以方案中2KW的电源为例进行设计。
1 设计内容和方法
1.1 主电路型式的选择
变换电路的型式主要根据负载要求和给定电源电压等技术条件进行选择。在几种常用的变换电路中,因为半桥、全桥变换电路功率开关管承受的电压比推挽变换电路低一倍,由于市电电压较高,所以不选推挽变换电路。半桥变换电路与全桥变换电路在输出同样功率时,半桥变换电路的功率开关管承受二倍的工作电流,不易选管,输出功率较全桥小,所以采用全桥变换电路。
传统的全桥变换电路开关元件在电压很高或电流很大的条件下,在门极的控制下开通或关断,开关过程中电压、电流均不为零,出现重叠,导致了开关损耗。开关损耗随开关频率增加而急剧上升,使电路效率下降,阻碍了开关频率的提高。在移相控制技术的基础上,利用功率管的输出电容和输出变压器的漏电感作为谐振元件,使全桥变换器四个开关管依次在零电压下导通,实现恒频软开关。由于减少了开关过程损耗,变换效率可达80%-90%,并且不会发生开关应力过大。所以选用移相控制全桥型零电压开关脉宽调制(PSC FB ZVS-PWM)变换电路。
移相控制全桥变换电路是目前应用最为广泛的软开关电路之一,它的特点是电路简单,与传统的硬开关电路相比,并没有增加辅助开关等元件。原理如图1所示,主要由四个相同的功率管和一个高频变压器压器组成。E为输入直流电压, T1~T4 为开关管, D1~D4 为体内二极管,C1 ~C4 为开关的输出电容。以第一个桥臂为例介绍,利用变压器漏感和功率输出电容C1 谐振,漏感储能向电容 C1释放过程中,使电容上的电压逐步下降到零,体内二极管D1开通,创造了T1 的ZVS条件。

图1 移相控制全桥变换电路原理图
1.2 控制方式
控制方式是指变换器控制电路通过何种途径控制主电路实现自动控制目的,达到自动稳压或稳流的要求。传统的PWM型电子开关开通和关断开关上同时存在电压、电流,损耗比较大,零电压开关-脉宽调制变换器(ZVS-PWM)是电子开关在两端电压为零时导通电流为零时关断,开通、关断损耗理想值为零。在此选用典型的UC3875构成的移相控制全桥零电压开关-脉宽调制变换电路。
2 UC3875芯片控制电路的设计
2.1 UC3875控制芯片
UC3875是美国UNITRODE公司针对移相控制方案推出的专用芯片。UC3875可对全桥开关的相位进行相位移动,实现定频脉宽调制控制。UC3875其外型有20引脚封装和28引脚封装,在此以20引脚为例介绍一下该器件。
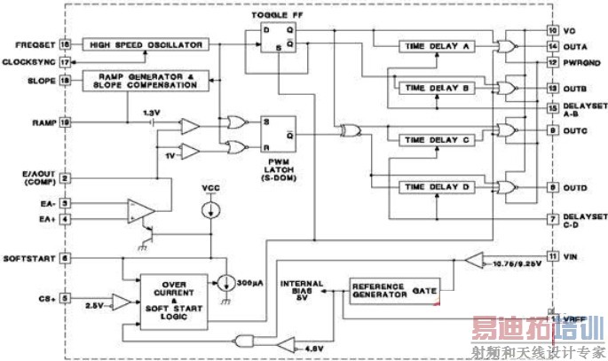
2.2 内部结构方框图和管脚功能

图2 UC3875内部结构方框图
内部结构方框图如下图所示: 管脚功能如下:1脚(Vref),基准电压;2脚(E/A OUT),误差放大器的反相输出;3脚(E/A-)误差放大器的反相输入;4脚(E/A+)误差放大器的同相输入;5脚(C/S+)电流检测;6脚(SOFRSTART)软起动;7脚(DELAY SET C/D)输出延迟控制;8脚(OUT D)输出D;9脚(OUT C)输出C;10脚(Vcc )电源电压;11脚( Vin)芯片供电电源;12脚(PWR GND)电源地;13脚(OUTB)输出B;14脚(OUTA)输出A;15脚(DELAY SETA/B)输出延迟控制;16脚(FREQ SET)频率设置端;17脚(CLOCK/SYNC)时钟/同步;18脚(SLOPE)陡度;19脚(斜波)20脚(信号地)。
2.3 UC3875的工作
1 脚输出+5V基准电压,可作为内部或外部电路的其他元件的电源.2脚作为电压反馈控制端,当引输出信号高到一定值时,由内部RS触发器及门电路作用使C输出与A输出反相,即A、C输出信号移相180度;同样,当引脚2输出信号低于1V时,通过内部RS触发器及门电路作用使C输出与A输出同相,即A、C输出信号移相0度。可见通过控制引脚2端的输出可以控制A、C间相位在0~180度之间变化。B、D的工作原理与A、C相似。 3脚作为误差放大器的反相输入端,通常利用分压电阻检测输出电源电压。4脚作为误差放大器的同相输入端,和1脚基准电压相连,检测3脚的输出电源电压。5 脚作为电流检测端,其基准设置为内部固定2.5V(由 分压),当电压超过2.5V时输出即被关断,软起动6脚复位,即可实现过流保护。7脚和15脚作为输出延迟控制端,通过设置该脚对地之间的电流来设置死区,加在同一桥臂两管驱动脉冲之间,以实现零电压开通时的瞬态时间。8、9、13、14脚作为输出端,可驱动MOSFET和变压器。10脚作为电源电压端,为输出级提供所需电源。11脚 作为芯片供电电源,为芯片内部数字、模拟电路部分提供电源,内部有欠压锁定电路,其开启阈值为10.75V,关闭阈值为9.25V.开启和关闭之间有 1.5V的回差,可有效防止电路在阈值电压附近工作时的跳动。16脚作为频率设置端,需外接电阻和电容来设置振荡频率。17脚作为输出时,提供时钟信号;作为输入,提供同步点。18脚作为陡度端,需外接一个电阻以产生斜波。19脚作为斜波端,需外接电容到地。20脚作为信号地,是所有电压的参考基准。
2.4 控制电路
控制电路的原理图主要部分如图3所示。 UC3875的核心是相位调制器, 其13脚B输出信号与14脚A输出信号反相, 9脚C输出信号与8脚D输出信号反相, 这四个驱动信号经扩流后由驱动变压器去驱动 ~ MOS管。相位控制的特点体现在UC3875的四个输出端具有相同的驱动脉冲分别驱动A/B、C/D两个半桥,通过移相错位控制有源时间,使全桥的四个开关轮流导通。每个输出级导通前都有一个死区,而且可以调整死区时间。在该死区时间内确保下一个功率开关器件的输出电容放电完毕,为即将导通的开关器件提供电压开通条件。因此,每对输出级(A/B,C/D)的谐振开关作用时间,可以单独控制。在全桥变换拓扑模式下,移相控制的优点得到最充分的体现。UC3875在电压模式和电流模式下均可工作,并具有过电流关断以实现故障的快速保护。

图3 控制电路原理图
3 移相控制全桥电路的波形分析
3.1 移相控制全桥电路的控制方式有以下几个特点:
(1)在同一开关周期Ts 内,每一个开关的导通的时间略小于Ts /2,而关断时间都略大于 Ts/2.
(2)同一个半桥中上下两个开关不能同时处于通态,每一个开关关断到另一个开关开通都要经过一定的死区时间。
(3)比较互为对角的两对开关T1 、T2 和 T3、T4 开关函数波形, T1的波形比T2 超前0~Ts /2时间,而T3 的波形比 T4超前0~ Ts/2时间,因此 T1和T3 称为超前桥臂,而 T2和 T4称为滞后桥臂。
3.2 移相控制全桥电路的控制波形图
移相控制全桥电路的控制波形如下图4所示。

图4 移相控制全桥电路的控制波形图
4 结束语
本文提出了由UC3875芯片作为控制电路的2KW移相控制全桥变换(PSC FB ZVS-PWM)软开关电源的设计方案,由于开关管在ZVS条件下运行,可实现高频化,而且控制简单,性能可靠,适用于大功率场合。通过验证,该方案中所设计的开关电源,不仅能保持恒频运行,不会同时出现大电压、大电流,减少了开关所受的应力;而且还实现了高效化,大大减小了电源的体积,具有较高的实用性。
射频工程师养成培训教程套装,助您快速成为一名优秀射频工程师...

