- 易迪拓培训,专注于微波、射频、天线设计工程师的培养
简易平均值PI调节器的设计
录入:edatop.com 点击:
随着电力电子技术的发展,开关直流电源的应用越来越普遍。在开关直流电源中要保证其工作可靠、输出稳定,关键在于调节器上。对于开关直流电源的调节器可以采用PI调节器调节。而对于输出为方波或正负脉冲的电力电子装置中的调节器,就需要采用平均值反馈PI调节器了。针对某型兵器用开关电源的实际情况,我们采用平均值PI调节器调节,使其输出电压稳定,满足使用要求。

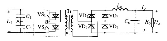
(a)常用半桥变换器开关电源主电路。

(b)反馈控制驱动电路。
图1 常用半桥变换器开关电源。
PDF下载:
射频工程师养成培训教程套装,助您快速成为一名优秀射频工程师...
射频和天线工程师培训课程详情>>

