- 易迪拓培训,专注于微波、射频、天线设计工程师的培养
升压式开关电源工作原理
录入:edatop.com 点击:
升压式开关电源工作原理
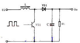
工作原理:升压式开关电源的稳压电路如图一所示。当开关管 VT1 导通时,电感L储存能量。当开关管VT1 截止时,电感L感应出左负右正的电压,该电压叠加在输人电压上,经二极管VD1向负载供电,使输出电压大于输人电压,形成升压式开关电源。

射频工程师养成培训教程套装,助您快速成为一名优秀射频工程师...
射频和天线工程师培训课程详情>>
升压式开关电源工作原理
工作原理:升压式开关电源的稳压电路如图一所示。当开关管 VT1 导通时,电感L储存能量。当开关管VT1 截止时,电感L感应出左负右正的电压,该电压叠加在输人电压上,经二极管VD1向负载供电,使输出电压大于输人电压,形成升压式开关电源。

射频工程师养成培训教程套装,助您快速成为一名优秀射频工程师...