- 易迪拓培训,专注于微波、射频、天线设计工程师的培养
PWM 方式开关电源中IGBT 的损耗分析
1 引言
在任何装置中使用IGBT 都会遇到IGBT 的选择及热设计问题。当电压应力和电流应力这2 个直观参数确定之后, 最终需要根据IGBT 在应用条件下的损耗及热循环能力来选定IGBT。通常由于使用条件不同, 通过IGBT 数据手册给出的参数不能确切得出应用条件下IGBT 的损耗。比较好的方法是通过测量行业确定IGBT 数据手册中参数的测量条件与实际应用环境的差别, 并介绍IGBT 的损耗的简单测量方法。
2 IGBT 参数的定义
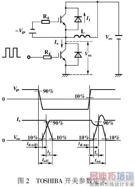
厂商所提供的IGBT 开关参数通常是在纯感性负载下测量的, 图1 和图2 分别是IR 公司和TOSHIBA公司测量开关时间的电路和定义开关时间
的波形。其共同特点是: 开通处于续流状态的纯感性负载; 关断有箝位二极管的纯感性负载。有些数据手册还给出了开关过程的能量损失 ,
也是在同样条件下测量的。
对于PWM 方式工作并使用变压器的开关电源, 其工作情况则与之区别很大。图3 是11 kW 半桥型电路及其工作波形, 使用的IGBT 为
GA75TS120U。由波形可见, 电流上升时间tr 约为500 ns, 下降时间t f 约为300 ns。但在数据手册中,GA75TS120U 的电流升降时间分别为t r= 100 ns,t f= 80 ns, 与实际工作情况差异较大。其原因主要在于以下2 个方面:
( 1) 开通时, 图3 中由于变压器漏感的存在, IGBT实际上开通了1 个零电流感性负载, 近似于零电流开通, 电流上升率受漏感充电速度的限制, 因而实际电流上升时间tr 不完全取决于IGBT。而数据手册中给出开通处于续流状态的纯感性负载, 开通瞬间, IGBT 既要承受电感中的电流, 还要承受续流二极管的反向恢复电流, 电流上升率则完全取决于IGBT 的开通速度。
( 2) 关断时, 图3 中的IGBT 并非是在关断1 个纯感性负载, 而是关断1 个R - L 型负载( 变压器及其负载, 从变压器一次侧可等效为R -L 型负载) ,其电流的下降时间t f 要慢于关断带箝位的纯感性负载。并且, 对于纯感性负载, 只有当IGBT 的集电极电压上升到箝位值后, IGBT 的电流才开始下降( 见图1、图2 中波形) , 而电阻-电感性负载时, 集电极电压和电流几乎是同时变化的( 见图3b 波形) 。
由于上述原因, 图3 中IGBT 的t r、t f 均大于给定值, 但这并不意味着损耗的上升, 因为开关损耗还取决于开关过程中电压电流的"重叠"程度, 而图3中的"重迭"明显不如图1、图2 中严重, 因而整体损耗将下降。



3 IGBT 损耗的测量
IGBT 损耗的测量实际上是通过对其工作电压和电流的测量和计算而得到的, 因而损耗的测量实质上是电压和电流的测量, 电压和电流测量方法的恰当与否直接影响到测量结果的可信度。
3.1 电流测量
电流测量应使用高频无源电流互感器, 不要使用磁平衡式电流传感器, 前者都有较好的高频响应,后者往往速度较慢, 达不到测量要求。电流传感器要置于被测IGBT 的发射或集电极, 而不要置于主变压器一次侧, 这是2 个不同的电流。这一点可以从图3 IGBT 的关断过程中看出: IGBT1 关断时, VD2 将对关断产生的电压过冲箝位( t1 ~ t 期间) , 在VD2中产生箝位电流。而IGBT1 中电流因转向VD2 而陡降, 此时变压器一次侧电流为IGBT1 和VD2 电流之和, 而非仅IGBT1 中的电流。电流互感器通常由自己制作, 使用前应先检验其性能, 可采用图4 电路进行检验。电阻R1、R2 应使用无感电阻。实际测量时, 互感器初级匝数N 1通常为1 匝, 检验时可适当增加N 1, 这样可以减小检验电流I 而不降低互感器初级的总安匝数, 使检验工作更加容易。比较U2 和U1 波形在延时和畸变方面的区别, 就可确定互感器是否合格。通常U2不能有明显的失真, U2 对U1 的延时应远小于IGBT的开关时间参数。
[p]
3.2 电压测量
IGBT 开通和关断过程中电压的完整观测可以直接使用示波器探头, 但对于开通时IGBT 电压拖尾过程和通态饱和压降的测量, 则需要使用箝位电路( 见图5) 。原因在于此时示波器的Y 轴分辨率要置于0.5/ div~ 10/ div 档, 而这时输入探头的电压变化范围则高达几百伏, 这种情况下通常示波器会产生很大的失真, 作零点漂移, 无法正常观察。用图中R1、R2、C、VD 和VS 所构成的电压箝位电路, 可以取出Uce中小于UVS的那一部分波形Uce。用示波器观测则不会出现失真和漂移。UVS 与Uce的关系可用下式表示:
测量Uce开通拖尾过程时, 应选UVS= 50 V, 测量动态饱和压降时则应选UVS= 12 V。
图中R2、C 用来补偿由示波器探头输入电容及VD、VS 结电容引起的失真。使用前利用已知的方波信号对箝位电路进行校准。

4 应用举例
图6、图7 中的波形是不同的IGBT 在图1 所示电路中工作时测得的。测量条件为: 输入电压Ucc= 520 V, 输出功率Po= 11 kW, 初级电流I = 52 A,工作频率f = 20 kHz。图6 中开通电压的测量使用了图5 中的箝位电路, 箝位电压值UVS = 48 V, 因此, 其波形上最高电压不超过48 V。
对测得的波形进行折线等效, 并对电压电流的乘积分段积分, 就可粗略计算出IGBT 的总损耗,图8是对GA75TS120U 开关过程的折线等效图, 并由此求得:
开通损耗: P1= 12 W
关断损耗: P2= 56.6 W
过渡损耗: P3= 10 W
通态损耗: P4= 53.8W( 饱和压降Usat= 235 V)
单管总损耗: P c= 132.4 W
其中计算通态损耗的饱和压降Usat是用图5 给出的箝位电路测量的, 箝位电压UVS= 12 V。
从波形可以看出, 饱和压降从开通到稳定有一个过渡过程, 由此造成的损耗P3 也不容忽视。


下表是用前述方法测量几家不同公司的IGBT所得的结果; 测量电路为图1, 测量条件相同。
测量结果可以作为选择IGBT 和热设计的依据。对于IGBT 的选取, 应综合考虑开关损耗和通态损耗。低频工作时, 低饱和压降的IGBT 总损耗较小,而高频工作时则应选择开关速度快的IGBT。

值得注意的是: 样品A( IR 公司GA75TS120U) 在高速IGBT 中具有较低的饱和压降, 因而总损耗较小。同时从表中可以看出, 样品D 与B 和C 的损耗接近, 但基板温度较低; 样品E 损耗较大, 但基板温度并不显着高于B 和C, 这说明样品D 和E 的热循环能力较差。尽管样品中各IGBT 数据手册所标明的结-壳热阻Rth( j- c) 基本相同, 实际上通常采用Ucc= 520 V、Po= 11 kW、I c= 52 A、f = 20 kHz, NPT( 非穿通型)技术制造的管芯( GA75TS120U) 厚度仅为PT( 穿通型) 技术管芯的四分之一, 因而热阻小, 热循环能力强, 可以降低对散热器的要求, 同时,开关速度不随结温变化。PT 型IGBT 的开关速度则随温度升高而降低。高频工作时可以考虑选择NPT型IGBT。
5 总结
文中介绍的损耗测量分析方法简单而有效, 可以使设计者对IGBT 的选择和热设计作到心中有数,以利于得出最优的设计方案。需要提请注意的是,测量工具及辅助电路的标准是非常必要的, 否则可能导致较大的误差。
射频工程师养成培训教程套装,助您快速成为一名优秀射频工程师...
天线设计工程师培训课程套装,资深专家授课,让天线设计不再难...
上一篇:什么是直流电源?
下一篇:开关电源损耗分析、吸收电路的分析

