- 易迪拓培训,专注于微波、射频、天线设计工程师的培养
各种二次回路 及其讲解
1、图E-103为直流母线电压监视装置电路图,请说明其作用。
答:直流母线电压监视装置主要是反映直流电源电压的高低。KV1是低电压监视继电器,正常电压KV1励磁,其常闭触点断开,当电压降低到整定值时, KV1失磁,其常闭触点闭合, HP1光字牌亮,发出音响信号。KV2是过电压继电器,正常电压时KV2失磁,其常开触点在断开位置,当电压过高超过整定值时KV2励磁,其常开触点闭合, HP2光字牌亮,发出音响信号。

2.说明图E-104直流绝缘监视装置接线图各元件的作用。
答:图E-108是常用的绝缘监察装置接线图,正常时,电压表1PV开路,而使ST1的触点5-7、9-11( ST1的1-3、2-4断开)与ST2的触点9-11接通,投入接地继电器KA。当正极或负极绝缘下降到一定值时,电桥不平衡使KA动作,经KM而发出信号(若正、负极对地的绝缘电阻相等时,不管绝缘下降多少,KA不可能动作,就不能发出信号,这是其缺点)。此时,可用2PV进行检查,确定是哪一极的绝缘下降(测“+”对地时,ST2的2-1、6-5接通;测“-”对地时,ST2的1-4、5-8接通。正常时,母线电压表转换开关ST2的2-1、5-8、9-11接通,电压表2PV可测正、负母线间电压,指示为220V。),
若正极对地绝缘下降,则投ST1 I档,其触点1-3、13-14接通,调节R3至电桥平衡电压表1PV指示为零伏;再将ST1投至II档,此时其触点2-4、14-15接通,即可从1PV上读出直流系统的对地总绝缘电阻值。若为负极对地绝缘下降,则先将ST1放在II档,调节3R至电桥平衡,再将ST1投至I档,读出直流系统的对地总绝缘电阻值。假如正极发生接地,则正极对地电压等于零。而负极对地指示为220V,反之当负极发生接地时,情况与之相反。电压表1PV用作测量直流系统的总绝缘电阻,盘面上画有电阻刻度。
由于在这种绝缘监察装置中有一个人工接地点,为防其它继电器误动,要求电流继电器KA有足够大的电阻值,一般选30kΩ,而其启动电流为1.4mA,当任一极绝缘电阻下降到20 kΩ时,即能发出信号。对地绝缘下降和发生接地是两种情况。

3、根据图E-105分别说明A点与C点;B点与C点;A点与B点或A点与D点同时发生接地时有什么危害。
答:直流系统在变电站中具有重要的位置。要保证一个变电站长期安全运行,其因素是多方面的,其中直流系统的绝缘问题是不容忽视的。变电站的直流系统比较复杂,通过电缆沟与室外配电装置的端子排、端子箱、操作机构箱等相连接,因电缆破损、绝缘老化、受潮等原因发生接地的可能性较多,发生一极接地时,由于没有短路电流,熔断器不会熔断,仍可继续运行,但也必须及时发现、及时消除。通常,要求直流系统的各种小母线、端子回路、二次电缆对地的绝缘电阻值,用500V摇表测量其值不得小于0.5MΩ。直流回路绝缘的好坏必须经常地进行监视。否则,会给运行带来许多不安全因素。
现以图E-105为例说明直流接地的危害。当图中A点与C点同时有接地出现时,等于+WC、-WC通过大地形成短路回路,可能会使熔断器FU1和FU2熔断而失去保护电源;当B点与C点同时有接地出现时,等于将跳闸线圈短路,即使保护正常动作,YT跳闸线圈短路,即使保护正常动作,YT跳闸线圈也不会起动,断路器就不会跳闸,因此在有故障的情况下就要越级跳闸;当A点与B点或A点与D点,同时接地时,就会使保护误动作而造成断路器跳闸。直流接地的危害不仅仅是以上所谈的几点,还有许多,在此不一一作介绍了。
因为发生直流接地将产生许多害处,所以对直流系统专门设计一套监视其绝缘状况的装置,让它及时地将直流系统的故障提示给值班人员,以便迅速检查处理。

4、据图E-106具有灯光监视的断路器控制回路图(电磁操动机构)说明各元件的名称,动作过程。
答:图中:+WC、-WC — 控制母线; FU1、FU2—熔断器,R1-10/6型,250V; SA — 控制开关,LW2-1a.4.6a.40.20.20/F8型;HG — 绿色信号灯具,XD2型,附2500Ω电阻;HR — 红色信号灯具,XD2型,附2500Ω电阻;
KL — 中间继电器,DZB-115/220V型;KMC—接触器; KOM — 保护出口继电器;QF—断路器辅助开关;WCL—合闸小母线;WSA—事故跳闸小母线; WS—信号小母线;YT—断路器跳闸线圈;YC—断路器合闸线圈,FU1、FU2—熔断器,RM10-60/25 250V;R1—附加电阻,ZG11-25型,1Ω;R2—附加电阻,ZG11-25型,1000Ω;(+)WTW—闪光小母线。
5、据图E-107具有弹簧贮能操作机构的断路器控制、信号回路图说明各元件的名称,动作过程。
答:图E-113为SW4-110型断路器配弹簧操作机构的断路器控制、信号回路,在其合闸线圈中串有弹簧已贮能闭锁触点SQS1只有弹簧贮能后,才能合闸;当设有自动重合闸,如重合于永久性故障时,弹簧来不及贮能(需9S),故不能第二次重合。为可靠起见,仍加了“防跳”回路。
当KAC由跳闸位置继电器的KQT启动时,KQT线圈的一端应接至SQS与QF之间。如按以往接线,接于SQS之前,当KAC动作,重合于永久性故障后,此时弹簧贮能释放,SQS打开,KQT失电,断开KAC的启动回路,重合闸继电器中的电容又重新充电足够时,待弹簧重新贮能后,SQS闭合,KQT线圈带电,KAC启动,又进行一次重合闸。此种情况,如不及时断开控制开关,还会反复进行多次。

6、据图E-108具有液压操作机构的断路器控制、信号回路图说明各元件的名称,动作过程。
答:液压机构的工作压力,各厂家有一定差异,以北京开关厂出品CY3型为例,在20℃时,额定贮气筒压力为11.7±0.98MPa,额定压力17.65MPa,当温度变化1℃时,预充压力变化0.045 MPa。
图E-114中,当液压低于14.72 MPa,合闸回路中的压力触点SP4断开,不允许合闸;当液压低于13.73 MPa,跳闸回路中的压力触点SP5断开,不允许跳闸,如电网运行允许,也可用这个触点启动中间继电器后,作用于跳闸。
当压力低于15.72 MPa,3SP3触点闭合,发出油压降低信号;当液压低于16.72 MPa时,触点SP1、SP2闭合,启动油泵打压,当油压上升到18.63 MPa时,SP1、SP2均断开,油泵停止打压。当压力低于9.8MPa或高于24.5,MPa时,由压力表的触点PP1、PP2启动KM3发出压力异常信号,还可以利用KM3常闭触点闭锁油泵电动机启动接触器的启动回路(图中未示出),防止当油压降到零时,启动油泵可能造成断路器的慢分事故。


7、根据图E-109由两个中间继电器构成的闪光装置接线图,说明动作过程。
答:由两个中间继电器构成的闪光装置的原理接线见图E-109图所示。当某一断路器的位置与其控制开关不对应时,闪光母线(+)WTW经“不对应”回路,信号灯(HR或HG)及操作线圈(YT或YC)与负电源接通,KM1启动,KM1常开触点闭合,KM2相继启动,其常开触点将KM1线圈短接,并使闪光母线直接与正常电源沟通,信号灯(HR或HG)全亮;当KM1触点延时断开后,KM2失磁,其常开触点断开,常闭触点闭合,KM1再次启动,闪光母线(+)WTW经KM1线圈与正电源接通,“不对应”回路中的信号灯呈半亮,重复上述过程,便发出连续的闪光信号。KM1及KM2带延时复位,是为了使闪光变得更加明显。
图中,试验按钮SE的信号灯HW用于模拟试验。当揿下SE时,闪光母线(+)WTW经信号灯HW与负电源接通,于是闪光装置便按上述顺序动作,使试验灯HW发出闪光信号。HW经按钮的常闭触点接在正、负电源之间,因而兼作闪光装置熔断器的监视灯。

8、根据图E-110说明闪光装置接线的构成及动作过程。
答:图E-110中,由KM、R、C组成闪光继电器。按下按钮SE时,它相当于一个不对应回路,闪光母线与负电源接通,闪光继电器KTW的线圈回路接通 ,电容器C经附加电阻R和“不对应”回路中的信号灯充电,于是加在KM两端的电压不断升高,当达到其动作电压时,KM动作,其常开触点KM.2闭合,闪光母线(+)WTW与正电源直接接通,信号灯全亮。同时其常闭触点KM.1断开它的线圈回路,电容C 便放电,放电后,电容C 的端电压逐渐降低,待降至KM的返回电压时,KM复归,KM.2断开,KM.1闭合,闪光母线经KM、KM.1与正电源接通,信号灯呈半亮。重复上述过程,便发出连续闪光。

9、根据图E-111说明各符号元件的名称及动作过程。
答:常用中央复归能重复动作的事故信号装置。所谓 中央复归能重复动作的事故信号,是指断路器自动跳闸后,为使值班人员不受音响信号长期干扰而影响事故处理,可以保留绿灯闪光信号而仅将音响信号立即解除。
图E-111中KSP1为ZC—23型冲击继电器,脉冲变流器T一次侧并联的二极管V和电容器C起抗干扰作用;二次侧并联的二极管V的作用是将T的一次侧电流突然减小而在二次侧感应的电流旁路,使干簧继电器KR不误动(因干簧继电器动作没有方向性)。其原理是当断路器事故分闸或按下试验按钮SE1时,脉冲变流器T一次绕组中有电流增量,二次绕组中感应电流起动KR,KR动作后起动中间继电器KM。KM有两对触点,一对触点闭合起动蜂鸣器HB,发出音响信号;另一对触点闭合起动时间继电器KT1,经一定延时后,KT1起动KM1,KM1动作后,使KM失磁返回,于是音响停止,整个事故信号回路恢复到原始状态。
准备第二台断路器跳闸时发出音响,不对应启动回路如图E-112。图E-111中常开触点KM2是由预告信号装置引来的(见图E-113),所以自动解除音响用的时间继电器KT1和中间继电器KM1为两套音响信号装置所共用。
为能试验事故音响装置的完好与否,另设有试验按钮SE1,按SE1时,即可启动KSP1,使装置发出音响并按上述程序复归至原始状态。
按下手动复归按钮也可使音响信号解除。


10、根据图E-113说明各符号元件的名称及动作过程。
答:预告信号装置是当设备发生故障或某些不正常运行情况时能自动发出音响和光字牌灯光信号的装置。它可帮助运行人员及时地发现故障及隐患,以便采取适当措施加以处理,防止事故扩大。变电所常见的预告信号有:变压器轻瓦斯动作、变压器过负荷、变压器油温过高、电压互感器二次回路断线、直流回路绝缘降低、控制回路断线、事故音响信号回路熔断器熔断、直流电压过高或过低等。
预告信号一般发自各种监测运行参数的单独继电器,例如过负荷信号由过负荷保护继电器发出。
预告信号分瞬时预告信号和延时信号两种,对某些当电力系统中发生短路故障可能伴随发出的预告信号,例如:过负荷、电压互感器二次回路断线等,都应带延时发出,其延时应大于外部短路的最大切除时限。这样,在外部短路切除后,这些由系统短路所引起的异常就会自动消失,而不让它发出警报信号,以免分散运行人员的注意力。
目前,广泛采用的中央复归带重复动作的预告信号装置,其动作原理与事故音响信号装置相同,所不同的是只是用光字牌灯泡代替了事故音响信号装置不对应启动回路中的电阻R,并用警铃代替了蜂鸣器,图E-118所示为由ZC-23型冲击继电器构成的中央复归能重复动作瞬时预告信息装置接线图,其动作原理与图E-111相似,图中KM1由图E-117引来,用以自动解除音响,WSW1和WSW2为瞬时预告小母线。 [p]
当设备发生不正常情况时,例如控制回路断线,则KBC2动作,其常开触点闭合,通过回路+WS KBC2常开触点 HP2 WSW1和WSW2
ST13-14 ST15-16 KSP2 -WS,使KSP2动作,触点KM2闭合,使警铃HA发出音响信号,同时光字牌HP2示出“控制回路断线”信号,按下解除按钮SCL,音响即可解除(也可经一定延时,自动解除),而光字牌信号直到故障消除,KBC2触点返回才会消失。由于采用了ZC-23型继电器,因而信号是可以重复动作的。为能经常检查光字牌灯泡的完好性,设有转换开关ST。处于“合”位时,ST触点1-2、3-4、5-6、7-8、9-10、11-12全接通,分别将信号电源+WS和-WS接至小母线WSW2和WSW1,使光字牌所有的灯泡亮。发预告信号时,两只灯泡是并联的,灯泡明亮,当其中一只灯泡损坏时,仍能保证发出信号。而试验光字牌时,两只灯泡则是串联的,因而灯光较暗,此时若一只灯泡损坏则该光字牌即不亮。
预告信号装置由单独的熔断器FU3、FU4供电,若FU3或FU4熔断则不能发出预告信号,所以对熔断器电源采用了灯光监视的方法。图E-119为预告信号装置的熔断器监视灯接线图。正常运行时,熔断器监视继电器K2带电,其常开触点闭合,中央信号屏上的白色指示灯HW亮;当FU3熔断时,K2失电,其常闭触点闭合,HW被接至闪光小母线(+)WTW上发出闪光。

11、根据图E-115说明线路定时限过电流保护的构成及动作过程。
答:如图E-115,当被保护线路发生故障时,短路电流经电流互感器TA流入KA1—KA3,短路电流大于电流继电器整定值时,电流继电器启动。因三只电流继电器触点并联,所以只要一只电流继电器触点闭合,便启动时间继电器KT,按预先整定的时限,其触点闭合,并启动出口中间继电器KOM。KOM动作后,接通跳闸回路,使QF断路器跳闸,同时使信号继电器动作发出动作信号。由于保护的动作时限与短路电流的大小无关,是固定的,固称为定时限过电流。

12、根据图E-116说明线路方向过电流保护的构成及动作过程。
答:方向过流的保护原理接线如图E-116所示,电流继电器3、5是启动元件,功率方向继电器4、6是方向元件,采用90°接线(UbcIA及UabIc)。各相电流继电器的触点和对应功率方向继电器触点串联,以达到按相启动的作用。时间继电器7是使保护装置获得必要的动作时限,其触点闭合,经信号继电器8发出跳闸脉冲,使断路器QF跳闸。
方向过电流保护,由于加装了功率方向继电器,因此线路发生短路时,虽然电流继电器都可能动作,但只有流入功率方向继电器的电流与功率方向继电器规定的方向一致时(当规定指向线路时,即一次电流从母线流向线路时),功率方向继电器才动作,从而使断路器跳闸。而当流入功率方向继电器的电流与功率方向继电器规定的方向相反时(即一次电流从线路流向母线时),功率方向继电器不动作,将方向过电流保护闭锁,保证了方向过电流保护的选择性。
在正常运行时,负荷电流的方向也可能符合功率方向继电器的动作方向,其触点闭合,但此时电流继电器未动作,所以整套方向过电流保护仍被闭锁不动作。
方向过电流保护的动作时限,是将动作方向一致的保护,按逆向阶梯原则进行整定的。

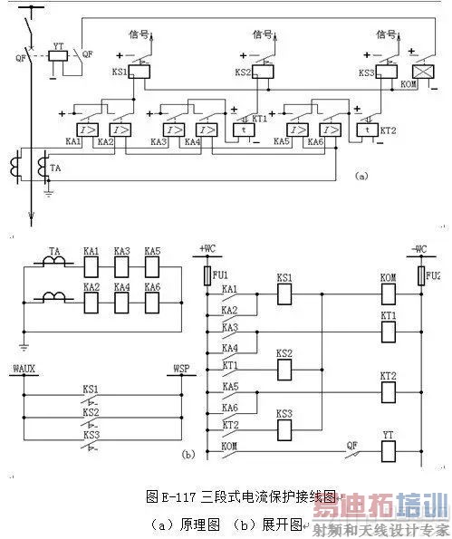
13、根据图E-117说明输电线路三段式电流保护的构成及动作过程。
答:线路三段式电流保护的原理接线图及展开图如图E-117所示。其中KA1、KA2、KS1构成第Ⅰ段瞬时电流速断;KA3、KA4、KT1、KS2构成第Ⅱ段限时电流速断;KA5、KA6、KT2、KS3构成第Ⅲ段定时限过电流。三段保护均作用于一个公共的出口中间继电器KOM,任何一段保护动作均启动KOM,使断路器跳闸,同时相应段的信号继电器动作掉牌,值班人员便可从其掉牌指示判断是哪套保护动作,进而对故障的大概范围作出判断。

14、根据图E-118说明线路三段式零序电流保护的构成及动作过程。
答:三段式零序电流保护的原理接线如图E-118,在被保护线路的三相上分别装设型号和变比完全相同的电流互感器,将它们的二次绕组互相并联,然后接至电流继电器的线圈。当正常运行和发生相间故障时,电网中没有零序电流,故IR=0,继电器不动作,只有发生接地故障时,才出现零序电流,如其值超过整定值,继电器就动作。
实际工作中,由于三只电流互感器的励磁特性不一致,当发生相间故障时,会造成较大的不平衡电流。为了使保护装置在这种情况下不误动作,通常将保护的动作电流按躲过最大不平衡电流来整定。
与相间短路的电流保护相同,零序电流保护也采用阶段式保护,通常采用三段式。目前的“四统一”保护屏则采用四段式。图E-118为三段式零序电流保护的原理接线图。瞬时零序电流速断(零序Ⅰ段有,由KA1、KM和KS7构成),一般取保护线路末端接地短路时,流过保护装置3倍最大零序电流3Iom的1.3倍,保护范围不小于线路全长的15%~25%。
零序Ⅱ段(由KA3、KT4和KS8构成)的整定电流,一般取下一级线路的零序Ⅰ段整定电流的1.2倍,时限0.5s,保证在本线末端单相接地时,可靠动作。
零序Ⅲ段(由KA5、KT6和KS9构成)的整定电流可取零序Ⅱ(或Ⅲ)段整定的1.2倍,或大于三相短路的最大不平衡电流,其灵敏性要求下一级末端故障时,能可靠动作。

15、根据图E-119说明双回线的横联差动保护的构成及动作过程。
答:双回线横联差动保护装置是由电流启动元件和功率方向元件组成,图E-119(a)中,功率方向继电器KPD1和KPD2的电流线圈与电流继电器KA串联接于双回线的电流差上。功率方向继电器KPD1与KPD2加进同一电压(接母线电压互感器),但极性相反。在I1> I2(即同一回线上发生故障)时,左边的方向继电器KPD1的转矩为正,而右边的方向继电器KPD2的转矩为负;反之,在I2> I1 (即另一回线上发生故障)时,KPD2的转矩为正,KPD1的转矩为负。这样两回线路中任一回线路上发生故障时,电流继电器KA均启动保护装置,而两个功率方向继电器则用来判别故障线路。
正常及外部故障时,ⅰ1=ⅰ2、ⅰR =0 、保护不动作。
在线路L-1上K点故障时,ⅰ1>ⅰ2 ,所以ⅰR =ⅰ1-ⅰ2>ⅰs,电流继电器KA1启动,功率方向继电器KPD1触点闭合,KPD2触点不闭合,保护动作跳开断路器QF1。在线路受端,流入继电器的电流ⅰR =ⅰ1+ⅰ2 [见图E-119(b)],使电流继电器KA2、功率方向继电器KPD3动作,而KPD4不动作,从而使断路器QF3跳闸。同理在线路L-2上短路时,送端KA1、KPD2动作,受端KA2、KPD4动作,同时跳开断路器QF2、QF4。
为防止单回线运行时,横联差动保护在外部故障时误动作,保护的直流电源经双回线两个开关的常开辅助触点串联闭锁,只有当两个开关同时接入时,保护才作用。
方向横联差动保护的动作电流应大于穿越性故障时在差电流回路中引起的最大不平衡电流。


16、根据图E-120说明双回线电流平衡保护的构成及工作情况。
答:电流平衡保护是横联差动保护的另一种形式,它是按比较双回线路中电流的绝对值而工作的,如图E-120所示。电流平衡继电器KBL1、KBL2各有一个工作线圈匝Nw,一个制动线圈匝NB和一个电压线圈匝Nv。KBL1的工作线圈接于线路L-1电流互感器的二次侧,由电流I1产生动作力矩Mw1,其制动线圈接于线路L-2电流互感器的二次侧,由电流I1产生动作力矩MB1。KBL2的工作线圈接于线路L-2电流互感器的二次侧,由I2产生动作力矩Mw2,其制动线圈接于线路L-1电流互感器的二次侧,由I1产生动作力矩MB2。KBL1、KBL2的电压线圈均接于母线电压互感器的二次侧。继电器的动作条件是Mw>MB+Mv(Mv为电压线圈中产生的力矩)。
正常运行及外部短路时,由于II=I2,KBL1、KBL2由于其反作用力矩Mv和继电器内弹簧反作用力矩Ms的作用,使触点保持在断开位置,保护不会动作。
当一回线路发生故障(如线路L-1的K点),由于II>I2,并由于电压大大降低,电压线圈的反作用力矩显著减少,因此KBL1中由II产生的动作力矩Mw1大于I2产生的制动力矩MB1与电压产生的制动力矩Mv之和,所以KBL1动作,切除故障线路L-1;对于KBL2,由于流过其制动线圈的电流II大于工作线圈流过电流I2,即制动力矩大于动作力矩,所以它不会动作。
必须指出,单端电源的双回线路上,平衡保护只能装于送电侧,受电侧不能装设。因为任一回线路短路,流过受电侧两个平衡继电器的工作线圈和制动线圈的电流大小是相等的,保护将不起作用。
由于双回平行线横联差动保护及平衡保护,在靠近对侧出口短路时,本侧两条线路流过的电流,其电流的横差值,不足以启动保护,只有等待对侧的保护动作,切除故障后,本侧的非故障线电流降为零,才由故障线电流启动本侧保护,切除故障线路。这种情况被称为相继动作。线路上相继动作区域大小与保护整定值及短路电流有关。
横联差动保护,其方向继电器接有母线电压,在平行线路出口三相短路时,电压为零,如方向继电器的电压回路没有良好的记忆作用,便会误动,称为电压死区。

(一)“跳闸后”位置
当SA的手柄在“跳闸后”位置,断路器在跳闸位置时,其常闭触点闭合,+WC经FU1 SA11-10 HG及附加电阻 QF(常闭) KMC线圈 FU2 -WC。此时,绿色信号灯回路接通,绿灯亮,它表示断路器正处于跳闸后位置,同时表示电源、熔断器、辅助触点及合闸回路完好,可以进行合闸操作。但KMC不会动作,因电压主要降在HG及附加电阻上。
(二)“预备合闸”位置
当SA的手柄顺时针方向旋转90o至“预备合闸”位置,SA9-10接通,绿灯HG回路由(+)WTW SA9-10 HG QF(常闭) KMC
FU2 -WC导通,绿灯闪光,发出预备合闸信号,但KMC仍不会启动,因回路中串有HG和R。
(三)“合闸”位置
当SA的手柄再顺时针方向旋转45o至“合闸”位置时,SA5-8触点接通,接触器KMC回路由+WC SA5-8 KL2(常闭) QF(常闭)
KMC线圈 -WC导通而启动,闭合其在合闸线圈回路中的触点,使断路器合闸。断路器合闸后,QF常闭触点打开、常开触点闭合。
(四)“合闸后”位置
松手后,SA的手柄自动反时针方向转动45o,复归至垂直(即“合闸后”)位置,SA16-13触点接通。此时,红灯HR回路由 FU1
SA16-13 HR KL线圈 QF(常开) YT线圈 FU2-WC
导通,红灯亮,指示断路器处于合闸位置,同时表示跳闸回路完好,可以进行跳闸。
射频工程师养成培训教程套装,助您快速成为一名优秀射频工程师...
天线设计工程师培训课程套装,资深专家授课,让天线设计不再难...
上一篇:大联大世平集团提供电动汽车之直流充电桩参考设计
下一篇:DC/DC转换器的高密度印刷电路板(PCB)布局,第1部分

