- 易迪拓培训,专注于微波、射频、天线设计工程师的培养
48V / 12V 双电池汽车系统 需要双向 DC/DC 控制器以实现最佳性能
背景
随着油耗法规的日趋收紧以及具连通性之自主驾驶能力的迅速普及,老式 12V 汽车电气系统已经达到了其可用功率极限。而且,汽车电子系统的大量增加、再加上相关的功率需求,催生了一系列新的工程设计机遇和挑战。因此,具有其 3kW 功率限值的 12V 铅酸电池汽车系统得到了补充。
新近提出的一项汽车标准 LV148 把一根辅助的 48V 总线与现有的 12V 系统组合起来。48V 电源轨包括一个集成式起动发电机 (ISG) 或一个带式起动发电机、一个 48V 锂离子电池和一个用于从 48V 和 12V 组合式电池提供高达 10kW 可用电能的双向 DC/DC 转换器。此项技术面向传统的内燃机汽车、以及混合动力电动车和轻度混合动力车,因为汽车制造商竭力地满足要求日益严苛的 CO2 排放目标。
通常,12V 总线将继续为点火、照明、信息娱乐和音频系统供电。48V 总线将向主动底盘系统、空调压缩机、可调悬挂、电子超级电容器 / 涡轮增压机供电并支持再生制动。另外,使用一根附加 48V 总线 (预计很快就将在量产车型上提供) 的决定还能支持引擎起动,这将使软起动操作更加平稳。再者,较高的电压意味着所需的电缆截面积较小,这将减小电缆尺寸和重量。当今的高端汽车可能具有超过 4km 的配线。汽车将变得更像 PC,从而为许多即插即用式装置创造了可能性。平均来说,通勤者每天有 9% 的时间是花费在汽车里的。于是,把多媒体和远程信息处理引入汽车可以潜在地提高工作效率和提供额外的娱乐。
用于自主驾驶的主要组件包括计算机、摄像机、雷达和激光雷达 (LiDAR) 传感器,所有这些都需要额外的能量。该附加能量是改善汽车的连通性所必需的,这种连通性并不仅仅是至互联网,还包括其他车辆和建筑物、交通信号灯及所处环境中的其他构造物。此外,动力传动系统组件、动力转向、油泵和水泵将从机械式转换为电动式。
48V 电池系统的未来距离我们要比全自主驾驶型汽车近得多,尽管很多汽车供应商看到了在未来短短几年里市场对于自动驾驶汽车最终所需之技术构件的强劲需求。根据有些汽车制造商提供的信息,对于内燃机引擎汽车而言,基于 48V 的电气系统可使燃油经济性提升 10% 至 15%,从而减少 CO2 排放量。
而且,采用 48V / 12V 双系统的未来汽车将允许工程师整合独立于引擎负载而工作的电力升压器技术,由此帮助改善汽车的加速性能。已经处在其高级开发阶段的压缩机被置于进气系统和中间冷却器之间,并采用 48V 以启动涡轮增压机。
然而,对于整条产业价值链上的供应商来说,在汽车中实现一个额外的 48V 电源网络则转化为了重大的设计挑战。特别地,半导体和电子控制单元 (ECU) 的供应商将受到影响,他们将需要把产品的工作范围调节至较高的电压,而且部分地重新设计自己的产品。相应地,DC/DC 转换器的制造商将需要开发和推出专用的 IC 以实现这种高功率传输。凌力尔特设计和开发了一些能够简化此类能量传输并具有非常高效率的 DC/DC 转换器,以达到节能的目的,同时因其低得多的功率损耗而最大限度地减少了所需的热设计。
很明显,对于在 12V 和 48V 电池之间来回切换的双向降压和升压型 DC/DC 转换器存在着需求。该 DC/DC 转换器可用于给任一电池充电,并允许两个电池在需要的时候向同一个负载供应电流。早期的大多数 48V / 12V 双电池 DC/DC 转换器设计采用不同的功率组件来实现升压和降压。然而,凌力尔特近期推出的 LTC3871 双向 DC/DC 控制器采用与实现降压相同的外部功率组件来执行升压转换。
单个双向 IC 解决方案
LTC3871 是一款 100V / 30V 双向两相同步降压或升压型控制器,其在 12V 和 48V 电路板网络之间提供了双向 DC/DC 控制和电池充电。它可工作在降压模式 (从 48V 总线至 12V 总线) 或升压模式 (从 12V 至 48V)。任一模式可利用一个施加的控制信号按需配置。可以对多达 12 相位实施并联和异相定时,以最大限度地减少针对高电流应用 (高达 250A) 的输入和输出滤波要求。当并联时,该器件的高级电流模式控制架构在相位之间提供了极佳的电流匹配。对于 12 相设计,可在降压模式或升压模式中提供高达 5kW 的功率。
当起动汽车或需要额外的功率时,LTC3871 通过把能量从一个电路板网络转换至另一个电路板网络而允许两个电池同时提供电能。可实现高达 97% 的效率,而且片内电流设置环路负责调节可在任一方向上输送至负载的最大电流。4 个控制环路 (2 个用于电流,2 个用于电压) 可在 48V 或 12V 电路板网络上实现电压和电流控制。
LTC3871 工作在一个介于 60kHz 和 475kHz 之间的可选固定频率,并能同步至一个频率位于相同范围内的外部时钟。在轻负载时,用户可以选择执行连续操作或脉冲跳跃操作。该器件的其他特点包括过载和短路保护、针对降压和升压的独立环路补偿、用于提高效率的 EXTVCC、整个温度范围内的 ±1% 输出电压调节准确度、以及欠压和过压闭锁功能。LTC3871 已被验证符合 AEC-Q100 规范,并且专为 ISO 26262 系统中的诊断覆盖而设计。
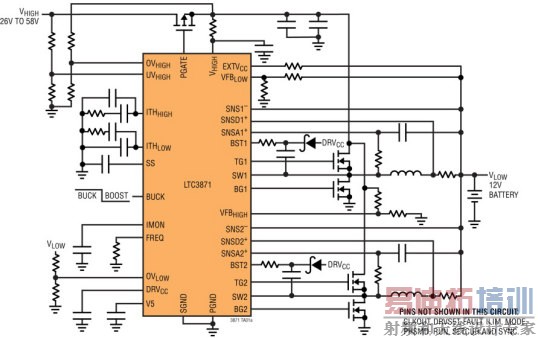
LTC3871 采用耐热性能增强型 48 引脚 LQFP 封装。有三种温度级版本,扩展和工业温度级版本在 –40°C 至 125°C 温度范围内运行,高温汽车级版本则工作在 –40°C 至 150°C 温度范围。下面的图 1 示出了其典型应用电路原理图。示于原理图顶部的 P 沟道 MOSFET 用于过流和短路保护。

图 1:LTC3871 双向原理图 (从一个 26V 至 58V 输入产生 12V 输入,可提供 30A 电流)
集成式起动发电机 (ISG)
电子控制式 ISG 用单个电气装置取代了传统的起动机和交流发电机,原因如下:
1. 为了免除起动机,在引擎操作期间它是仅有的无源部件
2. 取代目前在交流发电机和曲轴之间的皮带及皮带盘耦合
3. 在抛载期间提供发电机电压的快速控制
4. 为了免除某些现用绕线转子交流发电机中的滑环和电刷
ISG 具有三个重要的特点,它们是启-停功能、发电和动力辅助。ISG 使得内燃发动机能够关断其电机以在汽车停驶时节省燃油,并在踩压油门踏板时立即重新起动汽车。ISG 通常被称作启-停系统,其有助于在起动引擎时实现较为平稳的转换。与传统的交流发电机相似,ISG 在汽车运行时产生电能。此外,ISG 还能通过产生电能为汽车减速提供帮助 (再生制动)。在再生制动过程中产生的电能给 48V 电池充电,这反过来减少了燃油消耗及其最终产生的 CO2 排放量。
图 2 给出了一幅方框图,该图显示了 ISG、LTC3871 以及 12V 和 48V 电池是怎样整合到一辆内燃机汽车中的。

图 2:LTC3871 典型应用方框图
降压和升压模式
利用一个简单的控制信号可使 LTC3871 动态和无缝地从降压模式切换至升压模式,反之亦然。有两个用于 VHIGH 或 VLOW 调节的单独误差放大器。拥有两个误差放大器可独立地针对降压和升压模式进行环路补偿的微调,以优化瞬态响应。当选择降压模式时,对应的误差放大器被使能,而且 ITHLOW 电压负责控制峰值电感器电流。另一个误差放大器被停用。在升压模式中,ITHHIGH 被使能而 ITHLOW 被停用。在降压至升压转换或升压至降压转换期间,内部软起动功能电路复位。使软起动复位并把 ITH 引脚置于零电流水平可确保实现至新选择模式的平滑转换。
多相操作
可对多个 LTC3871 进行菊链式连接以实现异相运行,从而在不增加输入和输出电压纹波的情况下提供更大的输出电流。SYNC 引脚使得 LTC3871 能够同步至另一个 LTC3871 的 CLKOUT 信号。可把 CLKOUT 信号连接至后一个 LTC3871 级的 SYNC 引脚,以与整个系统的频率和相位保持一致。可采用菊链的方式连接总共 12 相,相互之间以异相同时运行。
图 3 所示的 LTC3871 演示电路 DC2348A 可利用一个或两个 LTC3871 器件配置为 2 相或 4 相。下面的照片示出了 4 相版本,当工作在降压模式时,该演示电路具有一个 30V 至 75V 的输入电压范围,并在高达 60A 的电流下产生一个 12V 输出。当工作于升压模式时,输入电压范围为 10V 至 13V,并在高达 10A 的电流条件下产生一个 48V 输出。

图 3:LTC3871 四相演示电路板照片
图 4 中的 LTC3871 效率曲线表示的是采用两个 LTC3871 器件的四相演示电路板设计。降压模式曲线是从 48V 降压至 12V (在高达 60A),而升压曲线则是从 12V 升压至 48V (在高达 10A)。两者均具有 97% 的峰值效率。

降压模式效率 升压模式效率
图 4:LTC3871 降压和升压效率曲线 (对于四相设计)
过流保护
在降压模式中,LTC3871 包括电流折返保护功能,以限制过流情况下或 VLOW 短路至地时的功率耗散。如果 VLOW 降至低于其标称输出电平的 85%,则最大检测电压从其最大编程值逐步地降低至最大值的 1/3。折返电流限制在软起动期间被使能。在具有非常低占空比的短路情况下,LTC3871 将开始执行周期跳跃,旨在限制短路电流。
在典型的升压型控制器中,同步二极管或同步 MOSFET 的体二极管传导电流 (从输入至输出)。因此,如果未采用一个隔离二极管或 MOSFET 来阻隔电流,那么一个输出 (VHIGH) 短路将下拉输入 (VLOW)。当 VHIGH 短路至地时,LTC3871 采用一个外部低 RDS(ON) P 沟道 MOSFET 来提供输入短路保护。在正常操作中,P 沟道 MOSFET 始终保持接通,其栅极-源极电压被箝位至 15V (最大值)。当 UVHIGH 引脚电压变至低于其 1.2V 门限时,FAULT 引脚在 125μs 之后走低。在该点上,PGATE 引脚关断外部 P 沟道 MOSFET。
结论
LTC3871 通过允许把相同的外部功率组件用于降压和升压目的,将新的性能水平、控制和简化带给了 48V / 12V 双电池 DC/DC 汽车系统。该器件可按需工作在降压模式 (从 48V 总线至 12V 总线) 或升压模式 (从 12V 至 48V)。可以对多达 12 相实施并联以满足高电流应用的需要。当起动汽车或需要额外的功率时,LTC3871 允许两个电池同时为同一个负载提供电能。运行车辆的部分电子系统的附加 48V 电池将在提高可用能量上发挥核心作用,同时还可减少线束重量和损耗。这种额外的能量为采用新技术铺平了道路,从而可使汽车的安全性和效率得以提升,同时降低了其 CO2 排放量。
射频工程师养成培训教程套装,助您快速成为一名优秀射频工程师...
天线设计工程师培训课程套装,资深专家授课,让天线设计不再难...
上一篇:开关电源技术的发展
下一篇:关于DC/DC电源和EMI的讨论

