- 易迪拓培训,专注于微波、射频、天线设计工程师的培养
凭借新的超低IQ降压-升压型转换器超越传统供电方案
背景信息
由于存在非理想或多个输入电源、瞬态干扰以及存储组件充放电,DC/DC 转换器的输入电压会在很宽的范围内变化。降压-升压型 DC/DC 转换器是电源设计师用来应对这类变化的工具中最有用的工具之一。单个电感器、同相降压-升压型转换器无缝地降低或升高输入电压并调节输出电压,这无论输入是高于、等于或低于输出。降压-升压型转换器能够灵活应对这 3 种情况,因此可以代替两个 IC (一个单独的降压型转换器或一个低压差线性稳压器加上一个升压型转换器),从而大幅度延长便携式系统的电池寿命。用料清单 (BOM) 也简化了,因此节省了在印刷电路板 (PCB) 上占用的空间 / 面积。在有多个潜在电源的情况下,视电源不同而不同,降压-升压型转换器可以在完全降压或升压模式下运行。反过来,在电源备份应用中,存储组件放电的放电电压曲线横跨所需要的固定输出,这时降压-升压型转换器将用到两种运行模式。
面对不同市场的电源方案
除消费类产品以外,视应用不同的情况,输入和输出电压范围变化都很大。例如,标准工业电源总线电压为 24V 或 12V。大多数系统都需要多个良好稳定的电源轨来供电,较低电压的电源轨一般由降压型稳压器或 LDO 供电。不过,为了给传感器和各种不同的模拟组件 (运算放大器、电动机或收发器) 供电,还存在对稳定的 12V 和 24V 电源轨的需求。取决于电源总线状态或系统配置,很多这些系统既需要降压转换又需要升压转换。降压-升压型转换器能够灵活地用各种输入电源运行,从而最大限度减少了设计中所需的电源转换器数量和用料清单中的数目。
汽车电池电压范围很宽且要求严格
在汽车应用中,12V 汽车电池是所有电子系统的主电源。标称 12V 在冷车发动时可能降至 3V,在抛载时可能上升至近 40V (受到瞬态电压抑制器的限制)。这种环境对电子产品造成了严酷考验,要求电子产品在各种条件下能坚固和可靠地运行。因此,很多内部系统都会遇到约为 24V 双倍的电池电压 (例如拖车快速启动时)。这些极端电压情况以及引擎罩内可能出现的极端高温都要求使用坚固可靠的电子系统。出于这些原因,用降压-升压型转换器产生系统电压,包括汽车电气系统中常见的 5V 至 12V 电源轨,是应该采取的审慎做法。
航空电子、军用和航天环境采用标准电源轨,但是也可能靠各种不同的电池配置和太阳能电池板运行,因此要求电源能够应对非常宽的输入电压范围。有些应用要求接受很多不同的输入源,以便任何能源都可以自动给系统供电。例如,很多军事应用必须接受由不同类型的电池、适配器甚至太阳能电池板供电。
工业和军用 / 航天系统要求向必要的下游电子系统可靠供电,甚至在类似于汽车环境的严苛输入电压情况下。此外,这类系统一般还要求很宽的工作温度范围。
电源转换设计挑战
过去,既需要以降压模式又需要以升压模式运行的设计一直是通过使用多个电源转换器实现的,这类设计的典型问题有 PCB 面积、尺寸、成本和复杂性较高、可靠性较低、静态电流 (IQ) 较大以及转换效率较低。可替代拓扑,例如 SEPIC (单端主电感转换器),尽管比多个电源转换器设计简单,但是效率比同步降压-升压型转换器约低 10%,而且需要两个电感器和一个大电流耦合电容器,这提高了复杂性和潜在噪声,并缩短了电池寿命。
降压-升压型转换器以升压模式运行时,面临着一些独特的挑战,尤其是当升压型转换器断开时,或者在刚加上电源时。常规升压型转换器在 VIN 至 VOUT 之间,通过电感器和升压型二极管提供一条直接的电流通路。当电源加到 VIN 上时,升压型转换器这个特点可能引起很大和有可能造成损坏的浪涌电流,而当电源转换器关断时,VOUT 比 VIN 低一个二极管压降,因此 VOUT 仅得到部分供电。幸运的是,凌力尔特公司的很多降压-升压型转换器具输出断接功能,这是其 4 开关架构所固有的特点。因此,当电源一加到 VIN 上时,降压-升压型转换器的输入电流就受到控制,从零逐渐斜坡上升至电流限制值,同时 VOUT 加电上升。当降压-升压型转换器断开时,VOUT 和 VIN 会彻底断开,以便 VOUT 能够安全地放电直至零伏。
使用可在非常低输入电压时运行的降压-升压型转换器,能够更好地满足一些采用超级电容器的备份应用之需求。例如,一组电容器 (超级电容器、电解质电容器等) 被充电至某个电压值。如果电源失效,那么下游的降压-升压型转换器就可以保持输出稳定,因为该转换器具有允许使用电容器全部能量的优势。这就可以减少应用所需的电容量 (减小电容值和电路板面积)。不过,较新式的转换器仍然需要 2.xV 输入电压才能运行。因此,用户如果想从一个低于 2.xV 的输入获得功率,需要运用一些技巧 (反向馈送等)。很多 DC/DC 转换器做不到这一点。
幸运的是,凌力尔特的降压-升压型转换器产品解决了很多这类问题。就输入要求达到 40V 的情况而言,LTC3115-1/-2 和 LTC3114-1 非常适合。输入电压高达 15V 时,可以使用 LTC3111、LTC3112 和超低静态电流 LTC3129。不久的将来,LTC311x 系列产品将使输入电压能力扩展至 18V,并在降压模式支持 5A 输出电流。然而,业界仍然存在一个尚未弥合的差距,即可与 12V/24V 系统兼容同时提供高达 600mA 的适度输出电流、能够在启动后以低压运行并具备超低静态电流的降压-升压型 DC/DC 转换器。
新的超低 IQ 降压-升压型转换器
显然,解决上述这些问题的降压-升压型解决方案应该具备以下特性:
• 在很宽的输入 / 输出电压范围内运行
• 能够提供充足的输出电流
• 超低 IQ
• 低输出噪声/纹波
• 以高效率运行
• 以升压模式运行时,输出断接
• 需要最少的外部组件,易于设计
• 出色的热性能
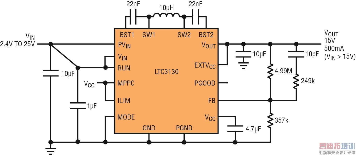
为了满足这些需求,凌力尔特不久前推出了 LTC3130 和 LTC3130-1。这些输入和输出额定值为 25V 的单片同步降压-升压型转换器在降压模式能够提供高达 600mA 输出电流,同时具备极低的 1.2µA 无负载静态电流 (参见图 1)。每个器件都提供 2.4V 至 25V 输入电压范围和 1V 至 25V 输出电压范围 (LTC3130 是可调的,参见图 2),并在输入高于、低于或等于输出时提供稳定的输出。一旦启动,这些器件的典型输入电压要求仅为 0.6V。用户可选的突发模式 (Burst Mode) 运行将静态电流降至仅为 1.2µA,从而提高了轻负载时的效率,并延长了电池运行时间。LTC3130/-1 专有的降压-升压型拓扑在所有工作模式下都提供低噪声、无抖动开关,非常适合对电源噪声敏感的 RF 及高精度模拟应用。这些器件还包括可编程最大功率点控制 (MPPC) 功能,从而确保从光伏电池等非理想电源提供最大功率。LTC3130 的所有功能 LTC3130-1 都提供,但 LTC3130-1 提供 4 个用户可选的固定输出电压:1.8V、3.3V、5V 和 12V,从而无需电阻器分压器就可实现可调输出版本 (参见表 1)。

图 1:LTC3130 的典型应用原理图和功能

图 2:LTC3130 的 VOUT 反馈分压器方程和原理图
表 1:LTC3130-1 的 VOUT 编程设定值

LTC3130/-1 有充足的电压裕度,可应对 1 至 6 节串联锂电池输入系统和可能遭遇大的噪声尖峰的标称 12V 系统,以及能够为 24V 传感器供电。有保证的最低 660mA 电感器电流限制提供升压模式输出电流能力,尤其是对必须用 3.3V、5V 或电池等低输入电压运行的 24V 传感器而言。
LTC3130/-1 包括 4 个内部低 RDSON N 沟道 MOSFET,已提供高达 95% 的效率。转换器启动可通过能提供低至 7.5µW 功率的电源实现,从而使 LTC3130/-1 非常适合由薄膜太阳能电池等弱电源供电的应用。另外,可以禁止突发模式运行,以提供低噪声连续切换。LTC3130/-1 的恒定 1.2MHz 开关频率确保低噪声和高效率,同时最大限度减小了外部组件的尺寸 (参见图 3)。

图 3:在 14.4VIN 至 12VOUT、200mA 时,LTC3130/-1 的效率为 94%
内置环路补偿和软启动减少了外部组件数量并简化了设计。其他特点包括一个电源良好指示器、引脚可选电流限制、一个准确的 RUN 引脚门限、一个外部 VCC 输入和过热停机。器件兼具纤巧的外部组件、很宽的工作电压范围、紧凑的封装和超低静态电流特色,非常适合始终保持接通应用,因为在这类应用中,延长电池运行时间最重要。应用包括长寿命电池供电的仪器、便携式军用无线电、低功率传感器和太阳能电池板后稳压器 / 充电器电路。
LTC3130/-1 中集成了两个低压差 (LDO) 稳压器以产生 VCC,一个来自 VIN,另一个来自 EXTVCC。只要 VCC 上保持充足的电压,该转换器就会用任一输入源运行。
LTC3130/-1 采用耐热性能增强型 20 引线 3mm x 4mm QFN 和 16 引线 MSOP 封装。E 级和 I 级版本器件规定在 –40°C 至 125°C 工作温度范围内运行。
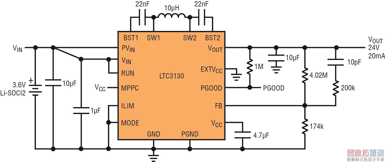
24V 传感器应用
图 4 所示是一个电池供电型 24V 传感器电源。传感器功率由一个高可靠性、长寿命锂亚硫酰氯主电池提供。为了最大限度延长使用寿命,传感器仅由持续时间很短的信号激活,每次激活之间的时间间隔很长,从而在传感器未激活时,返回接近零功率的状态。LTC3130 可以选择 200mA 输入电流限制 (LLIM 引脚 = GND),当传感器激活时,该电流限制可用来最大限度降低从高输出阻抗锂亚硫酰氯主电池获取的峰值电流,这进一步延长了电池的使用寿命。在很长的空闲周期,通过驱动 RUN 引脚至低电平,关闭 LTC3130,从 24V 输出仅吸取 1µA。在很长的空闲周期,传感器与 24V 电压轨断接,或关断以最大限度减小 24V 输出电容器的放电。以这种方式保持 24V 输出,传感器就可以快速地加电,进行所需测量,然后再次断电,而不必等待 24V 电源轨充电。在传感器正常工作时,这个 DC/DC 转换器实现高达 83% 的效率。

图 4:具 200mA ILIM 以限制电池电压下降的电池供电型 24V 转换器
EXTVcc 功能
如果 >3V (范围:3V 至 25V),LTC3130 的 EXTVCC 就给 IC 供电。EXTVCC 输入可用来:
· 自举至 VOUT 以允许更低的 VIN 能力
· 自举至 VOUT 以在高 VIN 时提高效率
· 从一个外部电源启动以适合 VIN 非常低的应用 (参见图 5)

图 5:LTC3130/-1 转换器自举至 VOUT,以消除电池泄漏,同时允许用一个 1V 或更低的 VIN 电源启动和稳压
最大功率点控制
LTC3130/-1 的最大功率点控制 (MPPC) 输入可与可选外部分压器一起使用,以动态调节受指令控制的电感器电流,从而在使用光伏板等高阻抗电源时保持最低输入电压,进而最大限度提高输入功率传送,防止 VIN 在有负载情况下降至太低。在依靠光伏电池等各种非理想电源运行时,这种方法可使转换器的输入电压跟随一个可编程最大功率抽取点。参阅图 6,获得详细信息。

图 6:具外部电阻器分压器的 MPPC 放大器
结论
单电感器、同相降压-升压型转换器是一种极度灵活和有用的电源组件。凌力尔特的 LTC3130/-1 是输入和输出额定值为 25V 的单片降压-升压型转换器,在降压模式时输出电流额定值为 600mA,静态电流为极低的 1.2µA。这些器件扩大了降压-升压型应用的适用范围,使这类应用能够满足种类繁多和富挑战性的电源要求,包括非精确稳定的 5V / 12V / 18V 适配器、多种类型的电池、小型太阳能电池板和可再充电电源。这些器件使用非常灵活,具 MPPC 和 EXTVCC 等功能,可实现一系列独特和非常适合解决多种应用问题的供电方案。
射频工程师养成培训教程套装,助您快速成为一名优秀射频工程师...
天线设计工程师培训课程套装,资深专家授课,让天线设计不再难...
上一篇:电源模块设计的开发要点详解
下一篇:嵌入式系统开发实践经验分享

