- 易迪拓培训,专注于微波、射频、天线设计工程师的培养
提高总线电路可靠性、安全性 CAN节点设计需注意这些
CAN总线通讯已经从汽车电子行业逐渐向各行各业铺开使用了,例如轨道交通、矿井监控等。在设计CAN总线接口电路时需要注意哪些问题呢
对于提高CAN总线节点的可靠性而言,离不开隔离、总线阻抗匹配、总线保护等,在设计CAN节点时要注意这些点以提高总线电路可靠性和安全性。
一、隔离
信号隔离
隔离收发器可将总线和控制电路进行电气隔离,将高压阻挡在控制系统之外,可以有效地保证操作人员的人身及系统安全。不仅如此,隔离可以抑制由接地电势差、接地环路引起的各种共模干扰,保证总线在严重干扰和其它系统级噪声存在的情况下不间断、无差错运行。如图 1所示,使用隔离收发器后,可以有效防止形成地环路,总线参考地可跟随共模电压的波动而波动,共模电压全部由隔离带承受,共模电压对总线信号变得不再可见,从而保证总线稳定可靠地通信。

CAN总线上建议使用磁隔离技术。磁隔离技术可靠性较高,磁耦消除了与光耦合器相关的不确定的电流传送比率、非线性传送特性以及随时间漂移和随温度漂移问题;磁耦均带有25KV/us的瞬态共模抑制能力,且能够在电压差峰值560V的环境下正常工作。磁耦器件可提供5000Vrms/min及6000V/10sec的电压隔离保护,多种型号的磁耦带有±15KV的ESD保护。
长寿命
采用芯片级变压器技术传输信号,消除光耦传输时的器件损耗。器件内部基本不存在损耗,正常工作条件下至少达到50年工作寿命。
低功耗
磁耦基于芯片级变压器传输原理,信号传输时几乎不存在能量损耗,因此能以极低的功耗实现高度的数据隔离。相同速率下,其功耗仅为光耦的1/10~1/6。
电源隔离
信号通道做隔离后,建议电源通道也做隔离,可直接采用带隔离的DC-DC隔离模块实现,如下图所示。

DC-DC隔离电源模块
二、阻抗匹配
电信号在在电缆上传输时,当阻抗不连续或者发生突变时,就会发生信号反射。反射的过程十分的复杂,甚至可能发生多次反射,反射的信号叠加在正常的信号上,引起电平变化,导致数据传输出现错误。为了消减这种信号反射的方法,我们是使传输电缆上的阻抗保持连续,但是电缆总是有终点的,终点的阻抗是突变的,为了使终点阻抗保持连续,CAN-Bus规定要在电缆两端接入匹配电阻。这个终端电阻的阻值一般选用120Ω。如图 3所示。

CAN总线终端电阻匹配
三、保护措施
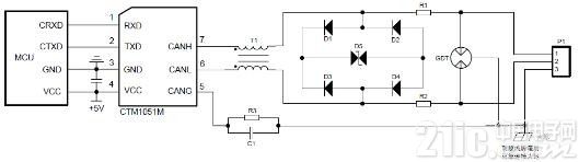
节点在户外等恶劣的现场环境时,容易遭受大能量的雷击,此时需要对CAN 信号端口添加更高等级的防护电路,保证节点不被损坏以及总线的可靠通讯。

CAN节点端口推荐电路
上图中除了右端的保护电路,中间使用的CAN隔离收发器模块,该模块主要集成了CAN收发器、DC-DC电源模块、信号隔离电路三部分电路,打包封装成一个独立的模块,可大大简化CAN硬件设定的难度,降低开发时间成本。

CTM1051CAN隔离收发模块
射频工程师养成培训教程套装,助您快速成为一名优秀射频工程师...
天线设计工程师培训课程套装,资深专家授课,让天线设计不再难...
上一篇:开关电源PCB板设计的七大招
下一篇:漏电开关问题分析

