- 易迪拓培训,专注于微波、射频、天线设计工程师的培养
对于已备受关注UPS电源,你了解多少?
在通讯及PC应用无处不在的今天,UPS电源也得到了大量的应用。所谓UPS(Uninterruptible Power System),即不间断电源,是将蓄电池(多为铅酸免维护蓄电池)与主机相连接,通过主机逆变器等模块电路将直流电转换成市电的系统设备。主要用于给计算机、计算机网络系统或精密仪器提供不间断且高质量的电力供应。
目前市场上流行的UPS主要有3类:后备式、在线式和线上交错式。

图1:后备式UPS运作框图
后备式又称为非在线式不间断电源(Off-Line UPS),它只是“备援”性质的UPS,市电直接供电给用电设备也为电池充电(Normal Mode),一旦市电供电品质不稳或停电了,市电的回路会自动切断,电池的直流电会被转换成交流电接手供电的任务(Battery Mode),直到市电恢复正常,“UPS只有在市电停电了才会介入供电”,不过从直流电转换的交流电是方波,只限于供电给电容型负载,如电脑和监视器。

图2:在线式UPS运作框图
在线式UPS(On-Line UPS)的运作模式为“市电和用电设备是隔离的,市电不会直接供电给用电设备”,而是到了UPS就被转换成直流电,再兵分两路,一路为电池充电,另一路则转回交流电,供电给用电设备;市电供电品质不稳或停电时,电池从充电转为供电,直到市电恢复正常才转回充电,“UPS在用电的整个过程是全程介入的”。

图3:在线互动式UPS运作框图
在线互动式(Line-Interactive UPS),基本运作方式和离线 式一样,不同之处在于线上交错式虽不像在线式全程介入供电,但随时都在监视市电的供电状况,本身具备升压和减压补偿电路,在市电的供电状况不理想时,即时校正,减少不必要的“Battery Mode”切换,延长电池寿命。
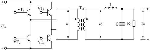
如上所述,无论是哪一类UPS,都会有逆变的环节,而逆变可分为:推挽式、半桥式、全桥式。下面以全桥式逆变来说明。

图4:全桥式逆变电路
在实际应用中,对于MOS管等的驱动,既需要很好的驱动能力,又对隔离有需求。而世强代理的Silicon Labs,作为业内著名的精密混合信号供应商,它推出的SI823X就可以很好地解决这个问题。关于SI823X物料更多的资讯方案可以在世强元件电商平台上下载。

图5:世强SI823X器件内部模块框图
世强代理的Si823x 驱动器采用 Silicon Labs 自主研发的硅隔离技术,提供符合 UL1577的 5 kVRMS 耐受电压以及 60 ns 快速传送时间。驱动器输出可连接到相同或独立的地线进行接地,或者连接到正或负电压。单个控制输入(Si8230/2/3/5/6) 或 PWM 输入 (Si8231/4) 配置提供滞后 >400 mV 的 TTL 级兼容输入。高度的集成、低传送延时、较小的外形及其灵活性和成本效益性使得 Si823x 系列非常适合 MOSFET/IGBT 门驱动器隔离应用。
因此,在逆变电路的应用中,世强SI823X不仅实现了隔离功能、驱动功能,还可以实现PWM输入、互补输出功能。另外,它还具备多个保护功能。具体有如下特点:
n 一个封装内集成了两个完全隔离的驱动器;
n 最高 5 kVRMS 输入到输出隔离;
n 最高 1500 VDC 峰值驱动器到驱动器差分电压;
n HS/LS 和双驱动器版本;
n 最高 8 MHz 切换频率;
n 0.5 A 峰值输出 (Si8230/1/2);
n 4.0 A 峰值输出 (Si8233/4/5/6);
n 60 ns 最大传送延时;
n 独立 HS 和 LS 输入或 PWM 输入版本;
n 瞬态抑制 >30 kV/μs;
n 重叠保护和可编程死区时间;
n 工作温度范围:–40 至 +125 °C;
n 通过UL/VDE/CSA 认证;
n 符合RoHS标准。
射频工程师养成培训教程套装,助您快速成为一名优秀射频工程师...
天线设计工程师培训课程套装,资深专家授课,让天线设计不再难...
上一篇:vcc
vdd
vee
vss的区别详解
下一篇:负载调整率LDO应用中可能的盲区

