- 易迪拓培训,专注于微波、射频、天线设计工程师的培养
MOSFET半桥驱动电路设计要领
1 引言
MOSFET凭开关速度快、导通电阻低等优点在开关电源及电机驱动等应用中得到了广泛应用。要想使MOSFET在应用中充分发挥其性能,就必须设计一个适合应用的最优驱动电路和参数。在应用中MOSFET一般工作在桥式拓扑结构模式下,如图1所示。由于下桥MOSFET驱动电压的参考点为地,较容易设计驱动电路,而上桥的驱动电压是跟随相线电压浮动的,因此如何很好地驱动上桥MOSFET成了设计能否成功的关键。半桥驱动芯片由于其易于设计驱动电路、外围元器件少、驱动能力强、可靠性高等优点在MOSFET驱动电路中得到广泛应用。
2 桥式结构拓扑分析
图1所示为驱动三相直流无刷电机的桥式电路,其中LPCB、 LS、LD为直流母线和相线的引线电感,电机为三相Y型直流无刷电机,其工作原理如下。

直流无刷电机通过桥式电路实现电子换相,电机工作模式为三相六状态,MOSFET导通顺序为Q1Q5→Q1Q6→Q2Q6→Q2Q4→Q3Q4→Q3Q5。
系统通过调节上桥MOSFET的PWM占空比来实现速度调节。Q1、Q5导通时,电流(Ion)由VDD经Q1、电机线圈、Q5流至地线,电机AB相通电。Q1关闭、Q5导通时,电流经过Q5,Q4续流(IF),电机线圈中的电流基本维持不变。Q1再次开通时,由于Q3体二极管的电荷恢复过程,体二极管不能很快关断,因此体二极管中会有反向恢复电流(Irr)流过。由于Irr的变化很快,因此在Irr回路中产生很高的di/dt。
3 半桥驱动电路工作原理
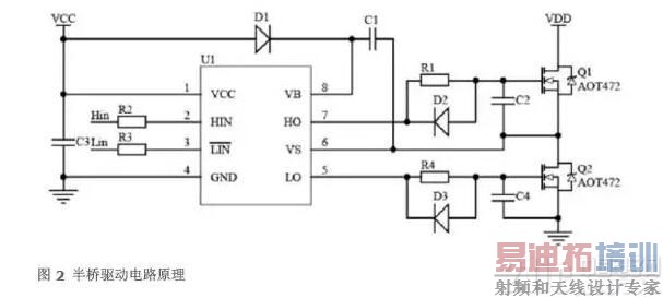
图2所示为典型的半桥驱动电路。

半桥驱动电路的关键是如何实现上桥的驱动。图2中C1为自举电容,D1为快恢复二极管。PWM在上桥调制。当Q1关断时,A点电位由于Q2的续流而回零,此时C1通过VCC及D1进行充电。当输入信号Hin开通时,上桥的驱动由C1供电。由于C1的电压不变,VB随VS的升高而浮动,所以C1称为自举电容。每个PWM周期,电路都给C1充电,维持其电压基本保持不变。D1的作用是当Q1关断时为C1充电提供正向电流通道,当Q1开通时,阻止电流反向流入控制电压VCC。D2的作用是为使上桥能够快速关断,减少开关损耗,缩短MOSFET关断时的不稳定过程。D3的作用是避免上桥快速开通时下桥的栅极电压耦合上升(Cdv/dt)而导致上下桥穿通的现象。
4. 自举电容的计算及注意事项
影响自举电容取值的因素
影响自举电容取值的因素包括:上桥MOSFET的栅极电荷QG、上桥驱动电路的静态电流IQBS、驱动IC中电平转换电路的电荷要求QLS、自举电容的漏电流ICBS(leak)。
计算自举电容值
自举电容必须在每个开关周期内能够提供以上这些电荷,才能保持其电压基本不变,否则VBS将会有很大的电压纹波,并且可能会低于欠压值VBSUV,使上桥无输出并停止工作。
电容的最小容量可根据以下公式算出:

其中,VF为自举二极管正向压降,VLS为下桥器件压降或上桥负载压降,f为工作频率。
5 应用实例
图3所示为直流无刷电机驱动器半桥驱动芯片上桥的自举电压(CH1: VBS)和驱动电压(CH2: VGS)波形,使用的MOSFET为AOT472。


驱动器采用调节PWM占空比的方式实现电机无级调速。
通过公式1算出电容值应为1μF左右,但在实际应用中存在这样的问题,即当占空比接近100%(见图3a)时,由于占空比很大,在每次上桥关断后Vs电压不能完全回零,导致自举电容在每个PWM周期中不能完全被充电。但此时用于每个PWM周期开关MOSFET的电荷并未减少,所以自举电压会出现明显的下降(图3a中左侧圈内部分),这将会导致驱动IC进入欠压保护状态或MOSFET提前失效。而当占空比为100%时,由于没有开关电荷损耗,每个换相周期内自举电容的电压并未下降很多(图3a中右侧圈内部分)。如果选用4.7μF的电容,则测得波形如图3(b)所示,电压无明显下降,因此在驱动电路设计中应根据实际需求来选取自举电容的容量。
6. 相线振铃的产生及抑制
在图1中,线路的引线电感(LPCB+LS+LD)及引线电阻RPCB与MOSFET的输出电容COSS形成了RLC串联回路,如图4(a)所示,对此回路进行分析如下:

[p]


4. 选择具有较小Qrr和具有较软恢复特性的MOSFET作为续流管;
5. 由于增加串联回路的电阻会耗散很大的功率,所以增加串联电阻的方法在大部分应用中不可行。
振铃的危害

图5 振铃干扰半桥芯片正常工作的波形
图5所示为一半桥驱动MOSFET工作时的波形,当上桥逻辑输入为高时,上桥MOSFET开通,此时可以看到相线(CH2)上产生了振铃,这样的振铃通过线路的杂散电容耦合到上桥自举电压,造成上桥的VBS电压(CH4)过低而使驱动芯片进入欠压保护(图5中VBS的电压已跌至5V)。由图5可以看出,当Hin(CH1)有脉冲输入时,由于振铃的影响, MOSFET有些时候不能正常打开,原因是驱动IC进入了欠压保护。欠压保护并不是每个周期都会出现,因此在测试时应设置适当的触发方式来捕获这样的不正常工作状态。当然如果振铃振幅很大,则驱动器将不能正常工作,导致电机不能启动。因此自举电容最好为能滤除高频的陶瓷电容,即使是使用电解电容也要并联陶瓷电容来去耦。
7. 最小化相线负压
在设计MOSFET半桥驱动电路时还应该注意相线上的负压对驱动芯片的危害。当上桥关断后,线圈电流会经过相应的下桥续流,一般认为下桥体二极管会将相线电压钳位于-0.7V左右,但事实并非完全如此。上桥关断前,下桥的体二极管处于反向偏置状态,当上桥突然关断,下桥进入续流状态时,由于下桥体二极管由反向偏置过渡到正向偏置需要电荷漂移的过程,因此体二极管并不能立即将电压钳位在-0.7V,而是有几百纳秒的时间电压远超过0.7V,因此会出现如图6所示的相线负压。线路主回路中的寄生电感及快速变化的电流(Ldi/dt)也会使相线负压增加。

要使相线负压变小,可通过减缓上桥关断的速度从而减小回路中的di/dt或减小主回路寄生电感的方式来实现。
8. 小结
在设计半桥驱动电路时,应注意以下方面:
1. 选取适当的自举电容,确保在应用中有足够的自举电压;
2. 选择合适的驱动电阻,电阻过大会增加MOSFET的开关损耗,电阻过小会引起相线振铃和相线负压,对系统和驱动IC造成不良影响;
3. 在芯片电源处使用去耦电容;
4. 注意线路的布线,尽量减小驱动回路和主回路中的寄生电感,使di/dt对系统的影响降到最小;
5. 选择适合应用的驱动IC,不同IC的耐压及驱动电流等诸多参数都不一样,所以应根据实际应用选择合适的驱动IC。
射频工程师养成培训教程套装,助您快速成为一名优秀射频工程师...
天线设计工程师培训课程套装,资深专家授课,让天线设计不再难...
上一篇:相移时延如何改善DC/DC转换器性能?
下一篇:不可多得的电源设计心得!

