- 易迪拓培训,专注于微波、射频、天线设计工程师的培养
巧用快速恢复MOSFET,简化三相逆变器拓扑设计
录入:edatop.com 点击:
提高效率和节能是家电应用中首要的问题。三相无刷直流电机因其效率高和尺寸小的优势而被广泛应用在家电设备中以及很多其他应用中。此外,由于采用了电子换向器代替机械换向装置,三相无刷直流电机被认为可靠性更高。
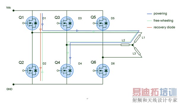
标准的三相功率级(power stage)被用来驱动一个三相无刷直流电机,如图1所示。功率级产生一个电场,为了使电机很好地工作,这个电场必须保持与转子磁场之间的角度接近90°。六步序列控制产生6个定子磁场向量,这些向量必须在一个指定的转子位置下改变。霍尔效应传感器扫描转子的位置。为了向转子提供6个步进电流,功率级利用6个可以按不同的特定序列切换的功率MOSFET。下面解释一个常用的切换模式,可提供6个步进电流。
MOSFET Q1、Q3和Q5高频(HF)切换,Q2、Q4和Q6低频(LF)切换。当一个低频MOSFET处于开状态,而且一个高频MOSFET 处于切换状态时,就会产生一个功率级。
步骤1) 功率级同时给两个相位供电,而对第三个相位未供电。假设供电相位为L1、L2,L3未供电。在这种情况下,MOSFET Q1和Q2处于导通状态,电流流经Q1、L1、L2和Q4。
步骤2)MOSFET Q1关断。因为电感不能突然中断电流,它会产生额外电压,直到体二极管D2被直接偏置,并允许续流电流流过。续流电流的路径为D2、L1、L2和Q4。
步骤3)Q1打开,体二极管D2突然反偏置。Q1上总的电流为供电电流(如步骤1)与二极管D2上的恢复电流之和。

图1:三相逆变器拓扑结构图。
图2所示MOSFET器件的截面图,显示出其中的体-漏二极管。在步骤2,电流流入到体-漏二极管D2(见图1),该二极管被正向偏置,少数载流子注入到二极管的区和P区。

图2:MOSFET器件的截面图,电流流经其内部的体二极管。
当MOSFET Q1导通时,二极管D2被反向偏置, N区的少数载流子进入P+体区,反之亦然。这种快速转移导致大量的电流流经二极管,从N-epi到P+区,即从漏极到源极。电感L1对于流经Q2和Q1的尖峰电流表现出高阻抗。Q1表现出额外的电流尖峰,增加了在导通期间的开关损耗。图4a描述了MOSFET的导通过程。
为改善在这些特殊应用中体二极管的性能,研发人员开发出具有快速体二极管恢复特性MOSFET。当二极管导通后被反向偏置,反向恢复峰值电流Irrm较小,完成恢复所需要的时间更短(见图3)。

图3:具有快速体二极管恢复特性MOSFET,反向恢复峰值电流较小,恢复时间缩短。
我们对比测试了标准的MOSFET和快恢复MOSFET。ST推出的STD5NK52ZD(SuperFREDmesh系列)放在Q2(LF)中,如图4b所示。在Q1 MOSFET(HF)的导通工作期间,开关损耗降低了65%。采用STD5NK52ZD时效率和热性能获得很大提升(在不采用散热器的自由流动空气环境下,壳温从60°C降低到50°C)。在这种拓扑中,MOSFET内部的体二极管用作续流二极管,采用具有快速体二极管恢复特性MOSFET更为合适。


图4:a) Q2采用标准MOSFET的开状态操作; b) Q2采用ST公司的STD5NK52ZD MOSFET开状态操作。
SuperFREDmesh技术弥补了现有的FDmesh技术,具有降低导通电阻,齐纳栅保护以及非常高的dv/dt性能,并采用了快速体-漏恢复二极管。N沟道520V、1.22欧姆、4.4A STD5NK52ZD可提供多种封装,包括TO-220、DPAK、I2PAK和IPAK封装。该器件为工程师设计开关应用提供了更大的灵活性。其他优势包括非常高的dv/dt,经过100%雪崩测试,具有非常低的本征电容、良好的可重复制造性,以及改良的ESD性能。此外,与其他可选模块解决方案相比,使用分立解决方案还能在PCB上灵活定位器件,从而实现空间的优化,并获得有效的热管理,因而这是一种具有成本效益的解决方案。
标准的三相功率级(power stage)被用来驱动一个三相无刷直流电机,如图1所示。功率级产生一个电场,为了使电机很好地工作,这个电场必须保持与转子磁场之间的角度接近90°。六步序列控制产生6个定子磁场向量,这些向量必须在一个指定的转子位置下改变。霍尔效应传感器扫描转子的位置。为了向转子提供6个步进电流,功率级利用6个可以按不同的特定序列切换的功率MOSFET。下面解释一个常用的切换模式,可提供6个步进电流。
MOSFET Q1、Q3和Q5高频(HF)切换,Q2、Q4和Q6低频(LF)切换。当一个低频MOSFET处于开状态,而且一个高频MOSFET 处于切换状态时,就会产生一个功率级。
步骤1) 功率级同时给两个相位供电,而对第三个相位未供电。假设供电相位为L1、L2,L3未供电。在这种情况下,MOSFET Q1和Q2处于导通状态,电流流经Q1、L1、L2和Q4。
步骤2)MOSFET Q1关断。因为电感不能突然中断电流,它会产生额外电压,直到体二极管D2被直接偏置,并允许续流电流流过。续流电流的路径为D2、L1、L2和Q4。
步骤3)Q1打开,体二极管D2突然反偏置。Q1上总的电流为供电电流(如步骤1)与二极管D2上的恢复电流之和。

图1:三相逆变器拓扑结构图。
图2所示MOSFET器件的截面图,显示出其中的体-漏二极管。在步骤2,电流流入到体-漏二极管D2(见图1),该二极管被正向偏置,少数载流子注入到二极管的区和P区。

图2:MOSFET器件的截面图,电流流经其内部的体二极管。
当MOSFET Q1导通时,二极管D2被反向偏置, N区的少数载流子进入P+体区,反之亦然。这种快速转移导致大量的电流流经二极管,从N-epi到P+区,即从漏极到源极。电感L1对于流经Q2和Q1的尖峰电流表现出高阻抗。Q1表现出额外的电流尖峰,增加了在导通期间的开关损耗。图4a描述了MOSFET的导通过程。
为改善在这些特殊应用中体二极管的性能,研发人员开发出具有快速体二极管恢复特性MOSFET。当二极管导通后被反向偏置,反向恢复峰值电流Irrm较小,完成恢复所需要的时间更短(见图3)。

图3:具有快速体二极管恢复特性MOSFET,反向恢复峰值电流较小,恢复时间缩短。
我们对比测试了标准的MOSFET和快恢复MOSFET。ST推出的STD5NK52ZD(SuperFREDmesh系列)放在Q2(LF)中,如图4b所示。在Q1 MOSFET(HF)的导通工作期间,开关损耗降低了65%。采用STD5NK52ZD时效率和热性能获得很大提升(在不采用散热器的自由流动空气环境下,壳温从60°C降低到50°C)。在这种拓扑中,MOSFET内部的体二极管用作续流二极管,采用具有快速体二极管恢复特性MOSFET更为合适。


图4:a) Q2采用标准MOSFET的开状态操作; b) Q2采用ST公司的STD5NK52ZD MOSFET开状态操作。
SuperFREDmesh技术弥补了现有的FDmesh技术,具有降低导通电阻,齐纳栅保护以及非常高的dv/dt性能,并采用了快速体-漏恢复二极管。N沟道520V、1.22欧姆、4.4A STD5NK52ZD可提供多种封装,包括TO-220、DPAK、I2PAK和IPAK封装。该器件为工程师设计开关应用提供了更大的灵活性。其他优势包括非常高的dv/dt,经过100%雪崩测试,具有非常低的本征电容、良好的可重复制造性,以及改良的ESD性能。此外,与其他可选模块解决方案相比,使用分立解决方案还能在PCB上灵活定位器件,从而实现空间的优化,并获得有效的热管理,因而这是一种具有成本效益的解决方案。
射频工程师养成培训教程套装,助您快速成为一名优秀射频工程师...
天线设计工程师培训课程套装,资深专家授课,让天线设计不再难...
上一篇:确定功率MOSFET的适用性
下一篇:PLC系统与电源系统的整合应用
射频和天线工程师培训课程详情>>

