- 易迪拓培训,专注于微波、射频、天线设计工程师的培养
可饱和电感在开关电源中的应用
录入:edatop.com 点击:
1 引言
可饱和电感是一种磁滞回线矩形比高、起始磁导率高、矫顽力小、具有明显磁饱和点的电感,在电子电路中常被当作可控延时开关元件来使用。由于具有独特的物理特性,可饱和电感在高频开关电源的开关噪声抑制技术及大电流输出辅路稳压技术等方面也得到了日益广泛的应用。
2 可饱和电感的基本物理特性

图1(a)和图1(b)分别是普通铁氧体电感和可饱和电感的磁滞回线。从两者的对比中可以明显看出可饱和电感具有高磁滞回线矩形比(Br/Bs)、高起始磁导率mi、低矫顽力Hc、明显的磁饱和点(A,B)等特怔。此外,由图1(b)还可以看出,可饱和电感的磁滞回线所包围的面积狭小,所以可饱和电感的高频磁滞损耗相应也较小。由于可饱和电感通常是由微晶、非晶、坡莫合金等铁磁性材料制造的,所以可饱和电感一般都具有很高的起始磁导率mi和很高的饱和磁感应强度Bs。由于物理特性上的差异,可饱和电感在应用方面与普通铁氧体电感有两个显著的不同之处:
(1)由于饱和磁场强度很小,所以可饱和电感的储能能力很弱,不能被当作储能电感使用。可饱和电感的最大储能Em的理论值可由下式表示:
Em=m·H2·V/2 (1)
式中:m:临界饱和点磁导率;H:临界饱和点磁场强度;V:磁性材料的有效体积。
(2)由于可饱和电感的起始磁导率高、磁阻小,电感系数和电感量都很大,在施加外部电压时,电感内部起始电流增长缓慢,只有经过DT的延时时间后,当电感线圈中的电流达到一定数值时,可饱和电感才会立即饱和,具有非常明显的开关特性,因而在电路中常被当作可控延时开关元件使用,可饱和电感的这种开关特性是普通铁氧体电感所不具备的。
普通铁氧体电感和可饱和电感在直流电压Vdc作用下的电流强度I随时间t变化的曲线如图2(a)和图2(b)所示。

3 可饱和电感的开关噪声抑制作用
开关电源通常都工作在几十千赫兹到几百千赫兹的频段内,电源次级侧的整流二极管在高频关断过程中会流过较大的反向恢复电流,因此形成的电源导通尖峰噪声是开关电源噪声的重要组成部分。设法减小整流二极管的反向恢复电流,从而减小开关电源的传导和辐射噪声是开关电源设计中的一个重要方面。
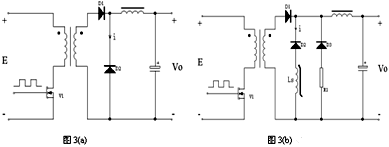
在图3(a)所示的正激电源电路中,当初级功率管V1开始导通,次级整流二极管D1开始导通,D2开始截止时,由于二极管PN结的电荷存储效应,D2中流过了电流变化率di/dt很大的反向恢复尖峰电流i,致使V1、D1中也有相应的尖峰电流流过,在漏感、线电感等因素的共同作用下会在电源输出端产生高频的导通噪声。在D2上施加的反向电压越大,D2的反向恢复时间越长,反向恢复电流变化率di/dt就越大,电源输出噪声也就越大。大的反向恢复尖峰电流,不仅会产生电源噪声,也容易损坏整流器件。
当初级功率管V1开始截止,次级整流二极管D1开始截止,D2开始导通续流时,由于同样的原因,电源输出端也会产生高频关断噪声,关断噪声通常较导通噪声小很多,一般不作为电源设计考虑的重点。
为了有效减小整流二极管的反向恢复电流、抑制反向恢复电流变化率,在电源设计中通常采取的措施有:选用无PN结电荷存储效应、反向恢复时间很短的肖特极二极管或选用反向恢复电流变化率小,具有软恢复特性的整流二极管作为次级整流器件;在整流二极管两端并入RC缓冲电路,或在整流二极管中串联小电感以软化开关电压或反向恢复电流的变化率。由于可饱和电感具有电感系数大、容易饱和、储能作用弱等特点,所以非常适合作为限流电感串联在整流二极管中,从而使整流二极管反向恢复电流的幅值及变化率都被限制在一个合理的范围内。

在图3(b)所示电路中,当V1开始导通,D1开始导通,D2开始截止时,由于可饱和电感Ls的限流作用,D2中流过的反向恢复电流的幅值和变化率都会显著减小,从而有效地抑制了高频导通噪声的产生。在二极管D2导通、关断、导通的过程中,Ls中磁感应强度的变化如图4所示。D2中的电流由正向电流、零电流、最大反向电流再到零电流的反向恢复过程中,Ls中相应的磁感应强度位于图4中的A、B、C、D各点。在二极管D2续流导通后,相应的磁感应强度将会由D点重新过渡到A点。在D2由截止变为导通续流时,由于Ls存在着导通延时时间DT,这会影响D2的续流作用,并会在D2的负极产生负值尖峰电压,在电路中增加辅助二极管D3及电阻R1,可以较好地解决这一问题。

4 可饱和电感在磁放大器稳压技术中的应用
磁放大器稳压是利用可饱和电感导通延时的物理特性来控制开关电源的占空比和输出功率,稳定电源输出电压的一种方法。在可饱和电感上加上适当的采样和控制元件,调节其导通延时的时间,就可以构成最常见的磁放大器稳压电路。图5是一个输入为110Vac"220Vac/50HZ,输出为5Vdc/20A,12Vdc/10A的双管正激开关稳压电源,其中5V是主控回路。其辅路12V输出电流较大,对稳压精度和负载稳定度都有较高要求,采用普通的方法稳压效果都不是很理想,如果采用磁放大器稳压技术就可圆满解决这一问题,使稳压电路的结构简单,耗散功率小,并可达到毫伏级的稳压精度。
110Vac"220Vac/50HZ输入经有源功率因数校正电路提升电压后,输出400Vdc的直流电压加在功率模块初级上,次级绕组N1输出峰值为20V、占空比约为25%的方波电压,次级绕组N2的输出峰值电压为50V。在加入磁放大器稳压电路前(图5中虚线框部分),辅路12V处的输出电压V2 50V′0.25=12.5V,在5V满载而12V空载时,由于辅路没有死负载放电回路,实际输出电压还会高得多。加入磁放大器稳压电路后,由于它的调节作用,辅路在任何负载条件下都可以得到理想的12V输出电压。下面分析磁放大器稳压电路的工作原理,稳压过程中可饱和电感Ls的磁感应强度变化曲线仍可由图4表示。
当初级功率管V1和V2截止时,次级二极管D1反向截止,二极管D2导通续流,储能电感L1释放能量,电源的辅路处于关断状态,此时,一个毫安级的小电流If经Q1、D3流入可饱和电感Ls,在Ls中产生了附加磁感应强度B0,B0位于磁滞回线的V点。在功率管V1和V2重新导通后,由于电感Ls的限流作用,D1中的电流只能缓慢增大,D2仍起着续流的作用,电源的辅路仍处于关断状态。只有在经过DT的延时时间后,当D1中的电流增加到了一定数值,Ls中的磁感应强度达到了饱和磁感应强度BS(A点)时,Ls才会立即饱和,D1中的电流迅速增加,D2迅速截止,储能电感L1进入储能阶段,电源的辅路进入了导通状态。

由上面的分析可知,由于可饱和电感Ls的插入,使得辅路的导通时间T′ON、占空比a′都较主回路小,通过对占空比a′的调节最终实现了辅路输出稳压的目的。a′具有很大的调节范围,在辅路完全空载时,a′几乎可以被调节至0,从而使辅路具有了很高的负载稳定度和稳压精度。占空比a′可根据下式计算:
a′= T′ON/T=(TON-DT)/T(2)
式中:TON:主回路的导通时间;T:电源的开关周期; DT:Ls的导通延时时间。
可饱和电感的导通延时时间DT由附加磁感应强度B0、电流If等确定,B0、If由采样控制电路根据输出电压的大小自动调节。DT由下式给出:
DT="N"′Ae′(BS-B0)/Vin (3)
式中:
BS:可饱和电感的饱和磁感应强度;B0:介于±BS之间,由工作电流If确定;
Ae:可饱和电感的截面积;N:可饱和电感的线圈匝数;
Vin:加在可饱和电感两端的电压。
在B0=-BS时,DT有最大值DTmax=2N′Ae′BS/Vin;在B0=Br时,DT有最小值DTmin= N′Ae′ (BS-Br)/Vin。If一般设计为几十毫安,If的近似值由下式给出:
If (HC- B0/mi)′lm/N(4)
式中:HC:可饱和电感的矫顽力;mi:起始磁导率;lm:可饱和电感的等效磁路长度。
基于与正激电源辅路输出稳压同样的原理,由两套磁放大器稳压电路就可以构成推挽电源、桥式电源的辅路输出稳压单元。此外,也可以由磁放大器方便地组成正反混激电源辅路输出稳压单元等,在这里就不一一赘述。
5 结束语
本文介绍了可饱和电感的基本物理特性和可饱和电感的开关噪声抑制作用,重点分析了磁放大器稳压电路的工作原理,并提出了几个理论计算公式。在电源的实际工程设计中,由于供货厂商通常都会提供可饱和电感和磁放大器的经验设计公式,所以实际设计工作还是比较简单容易的。磁放大器稳压电路对于电路参数的要求并不是十分严格,在正常情况下都可以取得非常良好的稳压效果。
可饱和电感是一种磁滞回线矩形比高、起始磁导率高、矫顽力小、具有明显磁饱和点的电感,在电子电路中常被当作可控延时开关元件来使用。由于具有独特的物理特性,可饱和电感在高频开关电源的开关噪声抑制技术及大电流输出辅路稳压技术等方面也得到了日益广泛的应用。
2 可饱和电感的基本物理特性

图1(a)和图1(b)分别是普通铁氧体电感和可饱和电感的磁滞回线。从两者的对比中可以明显看出可饱和电感具有高磁滞回线矩形比(Br/Bs)、高起始磁导率mi、低矫顽力Hc、明显的磁饱和点(A,B)等特怔。此外,由图1(b)还可以看出,可饱和电感的磁滞回线所包围的面积狭小,所以可饱和电感的高频磁滞损耗相应也较小。由于可饱和电感通常是由微晶、非晶、坡莫合金等铁磁性材料制造的,所以可饱和电感一般都具有很高的起始磁导率mi和很高的饱和磁感应强度Bs。由于物理特性上的差异,可饱和电感在应用方面与普通铁氧体电感有两个显著的不同之处:
(1)由于饱和磁场强度很小,所以可饱和电感的储能能力很弱,不能被当作储能电感使用。可饱和电感的最大储能Em的理论值可由下式表示:
Em=m·H2·V/2 (1)
式中:m:临界饱和点磁导率;H:临界饱和点磁场强度;V:磁性材料的有效体积。
(2)由于可饱和电感的起始磁导率高、磁阻小,电感系数和电感量都很大,在施加外部电压时,电感内部起始电流增长缓慢,只有经过DT的延时时间后,当电感线圈中的电流达到一定数值时,可饱和电感才会立即饱和,具有非常明显的开关特性,因而在电路中常被当作可控延时开关元件使用,可饱和电感的这种开关特性是普通铁氧体电感所不具备的。
普通铁氧体电感和可饱和电感在直流电压Vdc作用下的电流强度I随时间t变化的曲线如图2(a)和图2(b)所示。

3 可饱和电感的开关噪声抑制作用
开关电源通常都工作在几十千赫兹到几百千赫兹的频段内,电源次级侧的整流二极管在高频关断过程中会流过较大的反向恢复电流,因此形成的电源导通尖峰噪声是开关电源噪声的重要组成部分。设法减小整流二极管的反向恢复电流,从而减小开关电源的传导和辐射噪声是开关电源设计中的一个重要方面。
在图3(a)所示的正激电源电路中,当初级功率管V1开始导通,次级整流二极管D1开始导通,D2开始截止时,由于二极管PN结的电荷存储效应,D2中流过了电流变化率di/dt很大的反向恢复尖峰电流i,致使V1、D1中也有相应的尖峰电流流过,在漏感、线电感等因素的共同作用下会在电源输出端产生高频的导通噪声。在D2上施加的反向电压越大,D2的反向恢复时间越长,反向恢复电流变化率di/dt就越大,电源输出噪声也就越大。大的反向恢复尖峰电流,不仅会产生电源噪声,也容易损坏整流器件。
当初级功率管V1开始截止,次级整流二极管D1开始截止,D2开始导通续流时,由于同样的原因,电源输出端也会产生高频关断噪声,关断噪声通常较导通噪声小很多,一般不作为电源设计考虑的重点。
为了有效减小整流二极管的反向恢复电流、抑制反向恢复电流变化率,在电源设计中通常采取的措施有:选用无PN结电荷存储效应、反向恢复时间很短的肖特极二极管或选用反向恢复电流变化率小,具有软恢复特性的整流二极管作为次级整流器件;在整流二极管两端并入RC缓冲电路,或在整流二极管中串联小电感以软化开关电压或反向恢复电流的变化率。由于可饱和电感具有电感系数大、容易饱和、储能作用弱等特点,所以非常适合作为限流电感串联在整流二极管中,从而使整流二极管反向恢复电流的幅值及变化率都被限制在一个合理的范围内。

在图3(b)所示电路中,当V1开始导通,D1开始导通,D2开始截止时,由于可饱和电感Ls的限流作用,D2中流过的反向恢复电流的幅值和变化率都会显著减小,从而有效地抑制了高频导通噪声的产生。在二极管D2导通、关断、导通的过程中,Ls中磁感应强度的变化如图4所示。D2中的电流由正向电流、零电流、最大反向电流再到零电流的反向恢复过程中,Ls中相应的磁感应强度位于图4中的A、B、C、D各点。在二极管D2续流导通后,相应的磁感应强度将会由D点重新过渡到A点。在D2由截止变为导通续流时,由于Ls存在着导通延时时间DT,这会影响D2的续流作用,并会在D2的负极产生负值尖峰电压,在电路中增加辅助二极管D3及电阻R1,可以较好地解决这一问题。

4 可饱和电感在磁放大器稳压技术中的应用
磁放大器稳压是利用可饱和电感导通延时的物理特性来控制开关电源的占空比和输出功率,稳定电源输出电压的一种方法。在可饱和电感上加上适当的采样和控制元件,调节其导通延时的时间,就可以构成最常见的磁放大器稳压电路。图5是一个输入为110Vac"220Vac/50HZ,输出为5Vdc/20A,12Vdc/10A的双管正激开关稳压电源,其中5V是主控回路。其辅路12V输出电流较大,对稳压精度和负载稳定度都有较高要求,采用普通的方法稳压效果都不是很理想,如果采用磁放大器稳压技术就可圆满解决这一问题,使稳压电路的结构简单,耗散功率小,并可达到毫伏级的稳压精度。
110Vac"220Vac/50HZ输入经有源功率因数校正电路提升电压后,输出400Vdc的直流电压加在功率模块初级上,次级绕组N1输出峰值为20V、占空比约为25%的方波电压,次级绕组N2的输出峰值电压为50V。在加入磁放大器稳压电路前(图5中虚线框部分),辅路12V处的输出电压V2 50V′0.25=12.5V,在5V满载而12V空载时,由于辅路没有死负载放电回路,实际输出电压还会高得多。加入磁放大器稳压电路后,由于它的调节作用,辅路在任何负载条件下都可以得到理想的12V输出电压。下面分析磁放大器稳压电路的工作原理,稳压过程中可饱和电感Ls的磁感应强度变化曲线仍可由图4表示。
当初级功率管V1和V2截止时,次级二极管D1反向截止,二极管D2导通续流,储能电感L1释放能量,电源的辅路处于关断状态,此时,一个毫安级的小电流If经Q1、D3流入可饱和电感Ls,在Ls中产生了附加磁感应强度B0,B0位于磁滞回线的V点。在功率管V1和V2重新导通后,由于电感Ls的限流作用,D1中的电流只能缓慢增大,D2仍起着续流的作用,电源的辅路仍处于关断状态。只有在经过DT的延时时间后,当D1中的电流增加到了一定数值,Ls中的磁感应强度达到了饱和磁感应强度BS(A点)时,Ls才会立即饱和,D1中的电流迅速增加,D2迅速截止,储能电感L1进入储能阶段,电源的辅路进入了导通状态。

由上面的分析可知,由于可饱和电感Ls的插入,使得辅路的导通时间T′ON、占空比a′都较主回路小,通过对占空比a′的调节最终实现了辅路输出稳压的目的。a′具有很大的调节范围,在辅路完全空载时,a′几乎可以被调节至0,从而使辅路具有了很高的负载稳定度和稳压精度。占空比a′可根据下式计算:
a′= T′ON/T=(TON-DT)/T(2)
式中:TON:主回路的导通时间;T:电源的开关周期; DT:Ls的导通延时时间。
可饱和电感的导通延时时间DT由附加磁感应强度B0、电流If等确定,B0、If由采样控制电路根据输出电压的大小自动调节。DT由下式给出:
DT="N"′Ae′(BS-B0)/Vin (3)
式中:
BS:可饱和电感的饱和磁感应强度;B0:介于±BS之间,由工作电流If确定;
Ae:可饱和电感的截面积;N:可饱和电感的线圈匝数;
Vin:加在可饱和电感两端的电压。
在B0=-BS时,DT有最大值DTmax=2N′Ae′BS/Vin;在B0=Br时,DT有最小值DTmin= N′Ae′ (BS-Br)/Vin。If一般设计为几十毫安,If的近似值由下式给出:
If (HC- B0/mi)′lm/N(4)
式中:HC:可饱和电感的矫顽力;mi:起始磁导率;lm:可饱和电感的等效磁路长度。
基于与正激电源辅路输出稳压同样的原理,由两套磁放大器稳压电路就可以构成推挽电源、桥式电源的辅路输出稳压单元。此外,也可以由磁放大器方便地组成正反混激电源辅路输出稳压单元等,在这里就不一一赘述。
5 结束语
本文介绍了可饱和电感的基本物理特性和可饱和电感的开关噪声抑制作用,重点分析了磁放大器稳压电路的工作原理,并提出了几个理论计算公式。在电源的实际工程设计中,由于供货厂商通常都会提供可饱和电感和磁放大器的经验设计公式,所以实际设计工作还是比较简单容易的。磁放大器稳压电路对于电路参数的要求并不是十分严格,在正常情况下都可以取得非常良好的稳压效果。
射频工程师养成培训教程套装,助您快速成为一名优秀射频工程师...
天线设计工程师培训课程套装,资深专家授课,让天线设计不再难...
上一篇:大功率开关电源中EMI干扰的抑制
下一篇:采用VIPer22A的10W空调开关电源
射频和天线工程师培训课程详情>>

