- 易迪拓培训,专注于微波、射频、天线设计工程师的培养
用于超声波管道清洗机的开关电源设计
录入:edatop.com 点击:
应用“空化效应”除垢防垢机理的一种新型的高声强度高可靠超声波管道清洗机已经问世,并在石油、化工、冶金或制药等领域获得了应用。而超声波管道清洗机主要由高频高压大功率的超声波发生器和能将电能转化为机械能的管道式高声强换能器组成。从图1所示可以看出,高声强度超声波管道清洗机主要由高频高压大功率电信号的超声波发生器(或称信号源)、传输电缆、管道式高声强压电换能器组成,换能器放置于管道内。
图1 超声波管道除垢清洗机
实践证明,该换能器技术比赛成熟,,其主要指标能得到保证,而要确保超声波管道清洗机高可靠高声强特性的关键是超声波发生器。为什么这么说呢?因为分立式高频高压大功率开关电源的实用性差。
由于换能器需要的是高频高压大功率开关电源,虽然此类开关电源均是用单个集成电源控制芯片和MOSFET或IGBT大功率全桥式组成,但还是多个分立元器件的组合,连线间分布电容所形成的尖峰干扰,在大负载开闭情况下会造成大功率管的信击穿或烧毁。故此类开关电源非但效率低,而且故障率高、难维护、寿命短、实用性差。为彻底改变此现状,最紧迫的是需要高可靠模块化的高频高压大功率开关电源,即DC/AC。
纵观目前市场,由于国内在此方面起步较晚,因而高可靠高频高压大功率开关电源还处于开发研制(包括国外厂商在内)之中。即使有,也只是±48V、±24V等常用通信用的开关电源。
面对这新的挑战和机遇,我们采用了日本电盛兰达公司产的PF1000A-360型AC/DC功率变换模块和IPM-4M型全桥式DC/AC高频大功率变换模块,将其前后级相连并与高频大功率脉冲变压器T等一起组合而成新型模块式高频22~25kHz、高压100~120V大功率1000W开关电源。值此,对该电源产品设计作个分析介绍。
设计思想
对高频高压大功率开关电源而言,其由前级AC/DC(市电交流输入220V变换成直流高压) 和后级DC/AC(直流高压逆变成高频高压)两大主要部分组成。
按目前常规的设计,前级AC/DC往往为市电220V交流输入经整流滤波;而后级采用电源管理IC(电源控制芯片)和全桥大功率管(MOSFTT或IGBT) 及脉冲大功率变压器一起组成的零电压开通、关断的谐振电路(ZVS)拓扑方式来实现DC/AC(见图2)。但这种分立组合式的设计对高频大功率电力电子技术来说有较大缺陷。
图2 分立组合式设计框图
1 后级DC/AC
虽然电源管理IC功能很强,但制作调试烦琐,特别是与大功率管连接的功率驱动部分,往往都是小型高频变压器与驱动三极管的合成,所以在负载匹配上经常出现由于连线分布电容和电感所形成的尖峰脉冲。
2 前级AC/DC
前级AC/DC是将220V市电变换成直流高压(320~350V)的大功率变换。若是采用一般的桥式整流加滤波,则在交流电源的一个周期内,整个开关电源只有很短时间从交流电源吸取电流,输入脉冲电流的峰值很大,它含有非常高的谐波分量(三次谐波尤为突出),由于只有输入电流的基波分量才能产生有功功率,因此功率因素很低,同时,谐波电流还会严重污染电网,并干扰其他设备。
模块化技术与结构的应用
前级AC/DC大功率变换为了提高功率因素,限制电流畸变和谐波,必须采用功率因素校正(PFC)技术。
据此,采用了日本电盛兰达公司产的PF-1000A-360型AC/DC大功率变换模块,将交流输入220V变换成直流360V。 PF-1000A-360型AC/DC变换模块内部框图如图3所示。交流输入220V加到PF功率变换模块的输入引脚AC(L火线)和AC(N零线),经功率因素和谐波校正后,从PF模块的引脚+U0和-Uo输出。

图3 PF-1000A-360模块内部电路图
为了解选用PF-1000A-360型AC/DC大功率变换模块,应对其特点与外形作一简介。
PF-1000A-360技术指标:其输入电压为交流170~265V,而输出电压为直流360V; 输出为直流电流2.8~4.2A;输出功率为1008~1512W;典型浪涌电流60A;最小功率因数为95%;输出电压精度为±2%。
模块的特点:可实现功率因素和谐波校正,效率高达95%以上;带有过压保护、过热保护和输入浪涌保护等保护电路;模块内部将功率电路和控制电路集合在一起,使用起来非常方便。
R1外接浪涌限流电阻,用它可以限制电源刚接通时的浪涌电流,若不接,则模块不应正常工作 实际上R1(4.2Ω/2W)应与F3温度保险丝(250V、2A、130℃)相串接而成。
其外形尺寸(长×宽×厚)为:146mm×86mm×125mm,模块使用时应安装在散热板上。
后级DC/AC的设计,采用了IPM-4M全桥式DC/AC高频大功率变换模块。该模块(见图3)应用了美国IR公司的功率器件和贴片工艺生产。用户可以简单方便地直接利用它或其组合设计制作成各类高频大功率开关电源.
对于选用IPM-4M模块的原因,通过对该模块内部结构分析就一目了然(见图4)。
图4 IPM-4M结构原理图
● 具有电流型PWM及辅助保护电路
所谓电流型即在比较器的输入端直接用感应到的输出电流信号与误差放大器进行比较,来控制输出的峰值电流跟随误差电压变化。这种控制方式可以改善整个开关电源电压和电流的调整率,改善整个系统的瞬态响应。电流型PWM还具有重选脉冲抑制电路,可消除在一种输出里出现两个连续脉冲的可能性。这对于半桥电路或全桥电路组成的开关电源能否可靠工作是极为重要的。
● 内含IC驱动电路代替脉冲变压器隔离
在半桥电路或全桥电路中,高端和低端的驱动器是不共地的,一般采用脉冲变压器隔离。当频率在数Hz到数百kHz范围内变化时,普通的脉冲变压器是无法胜任的。而采用IC驱动电路就不存在上述问题,它的固有死区能防止产生直通信号,图腾柱电路能吸收桥电路的“米勒效应”。
● 采用全桥DC/AC变换器
采用性能优良的MOSFET或IGBT,在公共接地点上伴有0.1Ω的电流取样电阻,能感应到内部任一桥路或任一桥路的外部过流、短路,将检测信号送往保护辅助电路可进行判断调整或极限保护。并有4×1500pf电容,输出串接1mH电感可成为零电压开通、关断的谐振电路(ZVS)。
● 应用P1电流检测,实现恒流控制
将流过P1脚的电流感应检波取样送至第9脚,经过调整送至第8脚可进行恒流控制。
● 具有辅助电源供电流型PWM及辅助保护电路
由启动电源和内反馈电源组成,它要求电压在20~500V范围内能正常工作(一般情况下,在交流电整流后的350~360V直流电压下工作)。由分析所知,该模块大大减少或克服了后级(DC/AC)分立组合所带来的制作调试难度和大功率管被击穿或烧毁等弊病。只需方便的使用模块的引脚,就可实现功能DC/AC。
其外形尺寸(长宽厚)为:115mm×66mm×23mm, 模块使用时应安装在散热板上。
大功率高频开关电源的设计
1 技术要求
输入电压:交流220V;输出脉冲电压:幅值为100~120V、频率f为22~25kHz±1%,其占空比D为0.4~0.5为可调;输出功率为1000W;输出高频大电流可采用LED数字显示;工作频率f可采用LED数字显示;脉冲输出电压通过LC谐振电路在超声波换能器二端获得高频22~25kHz高压的正弦波。
2 具体结构
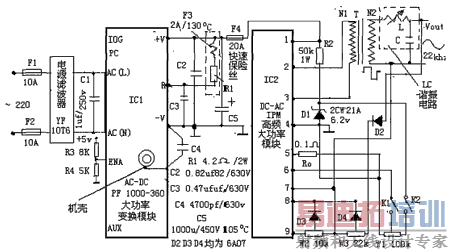
从图4可看出该开关电源由前级IC1的PF1000A-360型AC/DC大功率变换模块和后级IC2的DC/AC IPM—4M 模块相连并与高频大功率脉冲变压器T等三大部分一起组合而成,即成为超声波管道清洗机的信号源(超声波发生器)。
3 调试过程
合上进线交流电源220V后,当IC1的(AC/DC)PF-1000A-360型变换模块输出电压为直流360V并加于IPM-4M(DC/AC)模块IC2的P1、P4引脚上时,则输出脉冲变压器(功率应大于1200W)T的初级二端P2与P3上(接自IPM-4M模块全桥型功率管对角线端)将获得360V高频22~25KHz脉冲电压。脉冲输出电压取决于大功率脉冲变压器T次级N2端不同的匝数,可获得的幅值为100~120V的脉冲电压,见图4右上角所示。输出电压工作频率为22~25kHz±1% ,其占空比D为0.4~0.5为可调。IC2的P2、P3引脚上有脉冲波形输送,调整W3便可看到脉宽变化。当K1、K2在断开位置,频率计显示模块标称频率22kHz。当合K1上时,减少W1阻值,频率将向高端变化。当K2合上时,增加W1阻值,频率将向低端变化。根据需要来决定使用参数。调整W3,可改变稳定的输出电压的幅值。调整W2,可改变输出电流输出值。这个功能不用时可悬空。
大功率高压高频正弦波的实现
当大功率脉冲变压器T次级N2输出的100~120V的脉冲波电压加到LC谐振电路( 其L为可调高频电感线圈,C为超声波换能器的等效电容,由此则组成LC谐振器,如图4右上角虚线所示),通过调整高频电感线圈L可使谐振器得到串联谐振。其谐振频率f0为换能器固有频率,并在电容C(换能器)两端将获得谐振后的高压高频22~25kHz正弦波(如图5右上角所示)。

图5 系统电路图
结语
该模块式高频高压大功率开关电源作为信号源(或称超声波发生器),经与大功率超声波换能器配套反复使用和现场运行,其性能稳定可靠,彻底克服了以往用单个集成和分立式大功率管组合而成的开关电源那种经常被烧毁、击穿及故障率高、维修难等不足之处。经反复使用,该新型模块式高频高压大功率开关电源实现了高效率(效率达95%以上)高可靠免维护,属新一代高频高压大功率开关电源技术和产品。
图1 超声波管道除垢清洗机
实践证明,该换能器技术比赛成熟,,其主要指标能得到保证,而要确保超声波管道清洗机高可靠高声强特性的关键是超声波发生器。为什么这么说呢?因为分立式高频高压大功率开关电源的实用性差。
由于换能器需要的是高频高压大功率开关电源,虽然此类开关电源均是用单个集成电源控制芯片和MOSFET或IGBT大功率全桥式组成,但还是多个分立元器件的组合,连线间分布电容所形成的尖峰干扰,在大负载开闭情况下会造成大功率管的信击穿或烧毁。故此类开关电源非但效率低,而且故障率高、难维护、寿命短、实用性差。为彻底改变此现状,最紧迫的是需要高可靠模块化的高频高压大功率开关电源,即DC/AC。
纵观目前市场,由于国内在此方面起步较晚,因而高可靠高频高压大功率开关电源还处于开发研制(包括国外厂商在内)之中。即使有,也只是±48V、±24V等常用通信用的开关电源。
面对这新的挑战和机遇,我们采用了日本电盛兰达公司产的PF1000A-360型AC/DC功率变换模块和IPM-4M型全桥式DC/AC高频大功率变换模块,将其前后级相连并与高频大功率脉冲变压器T等一起组合而成新型模块式高频22~25kHz、高压100~120V大功率1000W开关电源。值此,对该电源产品设计作个分析介绍。
设计思想
对高频高压大功率开关电源而言,其由前级AC/DC(市电交流输入220V变换成直流高压) 和后级DC/AC(直流高压逆变成高频高压)两大主要部分组成。
按目前常规的设计,前级AC/DC往往为市电220V交流输入经整流滤波;而后级采用电源管理IC(电源控制芯片)和全桥大功率管(MOSFTT或IGBT) 及脉冲大功率变压器一起组成的零电压开通、关断的谐振电路(ZVS)拓扑方式来实现DC/AC(见图2)。但这种分立组合式的设计对高频大功率电力电子技术来说有较大缺陷。
图2 分立组合式设计框图
1 后级DC/AC
虽然电源管理IC功能很强,但制作调试烦琐,特别是与大功率管连接的功率驱动部分,往往都是小型高频变压器与驱动三极管的合成,所以在负载匹配上经常出现由于连线分布电容和电感所形成的尖峰脉冲。
2 前级AC/DC
前级AC/DC是将220V市电变换成直流高压(320~350V)的大功率变换。若是采用一般的桥式整流加滤波,则在交流电源的一个周期内,整个开关电源只有很短时间从交流电源吸取电流,输入脉冲电流的峰值很大,它含有非常高的谐波分量(三次谐波尤为突出),由于只有输入电流的基波分量才能产生有功功率,因此功率因素很低,同时,谐波电流还会严重污染电网,并干扰其他设备。
模块化技术与结构的应用
前级AC/DC大功率变换为了提高功率因素,限制电流畸变和谐波,必须采用功率因素校正(PFC)技术。
据此,采用了日本电盛兰达公司产的PF-1000A-360型AC/DC大功率变换模块,将交流输入220V变换成直流360V。 PF-1000A-360型AC/DC变换模块内部框图如图3所示。交流输入220V加到PF功率变换模块的输入引脚AC(L火线)和AC(N零线),经功率因素和谐波校正后,从PF模块的引脚+U0和-Uo输出。

图3 PF-1000A-360模块内部电路图
为了解选用PF-1000A-360型AC/DC大功率变换模块,应对其特点与外形作一简介。
PF-1000A-360技术指标:其输入电压为交流170~265V,而输出电压为直流360V; 输出为直流电流2.8~4.2A;输出功率为1008~1512W;典型浪涌电流60A;最小功率因数为95%;输出电压精度为±2%。
模块的特点:可实现功率因素和谐波校正,效率高达95%以上;带有过压保护、过热保护和输入浪涌保护等保护电路;模块内部将功率电路和控制电路集合在一起,使用起来非常方便。
R1外接浪涌限流电阻,用它可以限制电源刚接通时的浪涌电流,若不接,则模块不应正常工作 实际上R1(4.2Ω/2W)应与F3温度保险丝(250V、2A、130℃)相串接而成。
其外形尺寸(长×宽×厚)为:146mm×86mm×125mm,模块使用时应安装在散热板上。
后级DC/AC的设计,采用了IPM-4M全桥式DC/AC高频大功率变换模块。该模块(见图3)应用了美国IR公司的功率器件和贴片工艺生产。用户可以简单方便地直接利用它或其组合设计制作成各类高频大功率开关电源.
对于选用IPM-4M模块的原因,通过对该模块内部结构分析就一目了然(见图4)。
图4 IPM-4M结构原理图
● 具有电流型PWM及辅助保护电路
所谓电流型即在比较器的输入端直接用感应到的输出电流信号与误差放大器进行比较,来控制输出的峰值电流跟随误差电压变化。这种控制方式可以改善整个开关电源电压和电流的调整率,改善整个系统的瞬态响应。电流型PWM还具有重选脉冲抑制电路,可消除在一种输出里出现两个连续脉冲的可能性。这对于半桥电路或全桥电路组成的开关电源能否可靠工作是极为重要的。
● 内含IC驱动电路代替脉冲变压器隔离
在半桥电路或全桥电路中,高端和低端的驱动器是不共地的,一般采用脉冲变压器隔离。当频率在数Hz到数百kHz范围内变化时,普通的脉冲变压器是无法胜任的。而采用IC驱动电路就不存在上述问题,它的固有死区能防止产生直通信号,图腾柱电路能吸收桥电路的“米勒效应”。
● 采用全桥DC/AC变换器
采用性能优良的MOSFET或IGBT,在公共接地点上伴有0.1Ω的电流取样电阻,能感应到内部任一桥路或任一桥路的外部过流、短路,将检测信号送往保护辅助电路可进行判断调整或极限保护。并有4×1500pf电容,输出串接1mH电感可成为零电压开通、关断的谐振电路(ZVS)。
● 应用P1电流检测,实现恒流控制
将流过P1脚的电流感应检波取样送至第9脚,经过调整送至第8脚可进行恒流控制。
● 具有辅助电源供电流型PWM及辅助保护电路
由启动电源和内反馈电源组成,它要求电压在20~500V范围内能正常工作(一般情况下,在交流电整流后的350~360V直流电压下工作)。由分析所知,该模块大大减少或克服了后级(DC/AC)分立组合所带来的制作调试难度和大功率管被击穿或烧毁等弊病。只需方便的使用模块的引脚,就可实现功能DC/AC。
其外形尺寸(长宽厚)为:115mm×66mm×23mm, 模块使用时应安装在散热板上。
大功率高频开关电源的设计
1 技术要求
输入电压:交流220V;输出脉冲电压:幅值为100~120V、频率f为22~25kHz±1%,其占空比D为0.4~0.5为可调;输出功率为1000W;输出高频大电流可采用LED数字显示;工作频率f可采用LED数字显示;脉冲输出电压通过LC谐振电路在超声波换能器二端获得高频22~25kHz高压的正弦波。
2 具体结构
从图4可看出该开关电源由前级IC1的PF1000A-360型AC/DC大功率变换模块和后级IC2的DC/AC IPM—4M 模块相连并与高频大功率脉冲变压器T等三大部分一起组合而成,即成为超声波管道清洗机的信号源(超声波发生器)。
3 调试过程
合上进线交流电源220V后,当IC1的(AC/DC)PF-1000A-360型变换模块输出电压为直流360V并加于IPM-4M(DC/AC)模块IC2的P1、P4引脚上时,则输出脉冲变压器(功率应大于1200W)T的初级二端P2与P3上(接自IPM-4M模块全桥型功率管对角线端)将获得360V高频22~25KHz脉冲电压。脉冲输出电压取决于大功率脉冲变压器T次级N2端不同的匝数,可获得的幅值为100~120V的脉冲电压,见图4右上角所示。输出电压工作频率为22~25kHz±1% ,其占空比D为0.4~0.5为可调。IC2的P2、P3引脚上有脉冲波形输送,调整W3便可看到脉宽变化。当K1、K2在断开位置,频率计显示模块标称频率22kHz。当合K1上时,减少W1阻值,频率将向高端变化。当K2合上时,增加W1阻值,频率将向低端变化。根据需要来决定使用参数。调整W3,可改变稳定的输出电压的幅值。调整W2,可改变输出电流输出值。这个功能不用时可悬空。
大功率高压高频正弦波的实现
当大功率脉冲变压器T次级N2输出的100~120V的脉冲波电压加到LC谐振电路( 其L为可调高频电感线圈,C为超声波换能器的等效电容,由此则组成LC谐振器,如图4右上角虚线所示),通过调整高频电感线圈L可使谐振器得到串联谐振。其谐振频率f0为换能器固有频率,并在电容C(换能器)两端将获得谐振后的高压高频22~25kHz正弦波(如图5右上角所示)。

图5 系统电路图
结语
该模块式高频高压大功率开关电源作为信号源(或称超声波发生器),经与大功率超声波换能器配套反复使用和现场运行,其性能稳定可靠,彻底克服了以往用单个集成和分立式大功率管组合而成的开关电源那种经常被烧毁、击穿及故障率高、维修难等不足之处。经反复使用,该新型模块式高频高压大功率开关电源实现了高效率(效率达95%以上)高可靠免维护,属新一代高频高压大功率开关电源技术和产品。
射频工程师养成培训教程套装,助您快速成为一名优秀射频工程师...
天线设计工程师培训课程套装,资深专家授课,让天线设计不再难...
上一篇:充电电池和单机快速充电器概述及设计
下一篇:新型的笔记本电脑电源管理技术
射频和天线工程师培训课程详情>>

