- 易迪拓培训,专注于微波、射频、天线设计工程师的培养
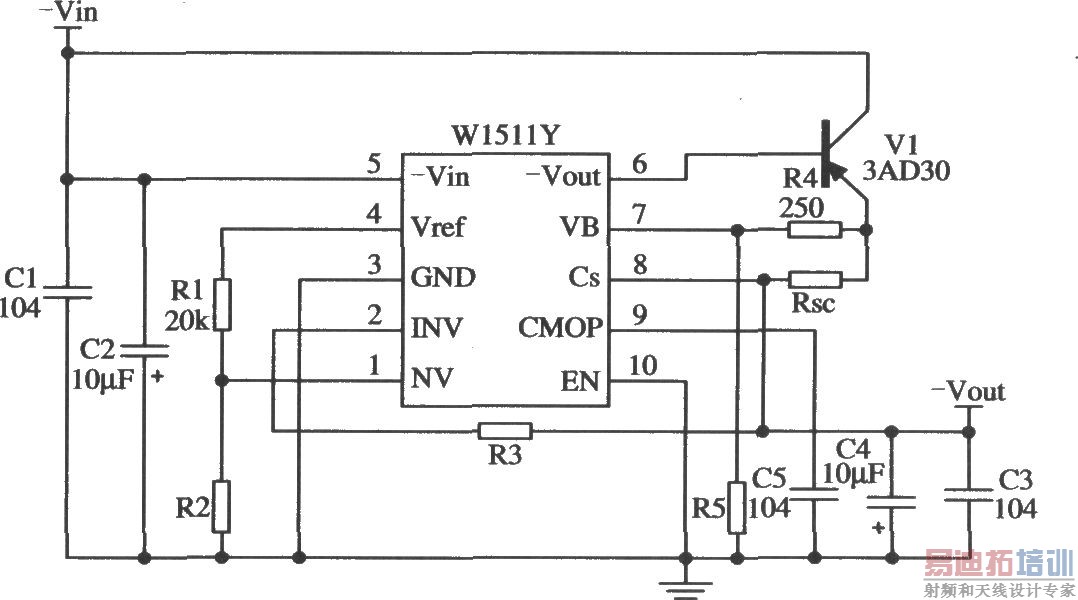
W1511的扩大输出电流的应用电路
录入:edatop.com 点击:

如图所示是用W1511Y多端可调负集成稳压器组成的扩大电流的应用电路。这个电路是采用外接功率三极管的方法来扩大电流应用,也可用小功率PNP管与大功率NPN管复合成PNP大功率管的方法来扩大电流应用。限流电阻Rsc根据下式计算(减流型保护):

。如设输出工作电流Iout为2 A,则:

。减流型保护外接电阻

。一般R5可用电位器进行调节。当扩大电流应用时,输入滤波电容应增大,可取500pF左右。
射频工程师养成培训教程套装,助您快速成为一名优秀射频工程师...
天线设计工程师培训课程套装,资深专家授课,让天线设计不再难...
上一篇:由W1511Y构成的低电压大电流输出的应用电路
下一篇:CW117/CW217/CW317构成的慢启动集成稳压电源电路
射频和天线工程师培训课程详情>>

