- 易迪拓培训,专注于微波、射频、天线设计工程师的培养
利用LDO改善白光LED的匹配度
录入:edatop.com 点击:
白光LED与荧光灯相比具有使用简单、成本低的优势,与白炽灯相比可以提供真正的白色光,因此,其用量在最近几年呈现出稳步上升的趋势,在手持式产品中被广泛用作闪光灯、显示器背光等。当然,在实际应用中针对白光LED也存在一些有待解决的技术问题。
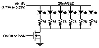
选用白光LED最明显的问题是产品的匹配性差,按照白光LED的典型规格,电流为20mA时正向电压的最小值为3.0V、典型值为3.5V、最大值为4.0V。显然,稳压源不是合理的解决方案。当然,利用相同的电流驱动每只LED可以获得均匀亮度,但成本很高。在许多应用中只是简单地用一个固定偏置电压和镇流电阻驱动LED,如图1所示。
按照图1设计电路通常可以得到相当好的亮度匹配。但对于大批量生产的用户,同一批次的产品具有相当一致的特征指标,但批次之间一致性较差。这就需要对每一批新的LED进行测试、为其配置镇流电阻。如果存在多个LED供货商问题将更加严重。为详细描述上述问题,选用三个厂商的LED(分别用A、B、C表示)按照图1所示电路作了以下测试,标号为A的LED选自一级白光LED供货商,标号为B的LED选自二级白光LED供货商,标号为C的LED是从电子配套市场购买的廉价LED。测试结果如表1所示。
表1 不同厂商LED的测试结果
从表1可以看出,同一厂商的LED匹配性较好,特别是来自规模较大的供货厂家的产品(A、B两种LED),三家厂商LED电流的平均均方误差为0.54。不同厂商的白光LED在采用相同偏置电压、相同的镇流电阻时电流差别较大,均方误差为3.27mA。单独调节每只LED的电流或至少对其中一只LED的电流进行调节可以提高不同厂商或同一厂商不同批次LED的一致性,但这需要相当昂贵的芯片。在对成本要求苛刻的产品中,可以利用低压差线性稳压器(LDO)改善LED的一致性,无需选择阻值不同的镇流电阻,具体电路如图2所示。图中LDO工作在稳压-稳流模式下,根据一只LED的正向电压的变化自动调节偏置电压。

为考核图2电路性能,将上述A、B、C三种LED按照图2电路连接进行了测试,测试结果如表2。从表2可以计算出,相同厂商LED电流的一致性略有下降(图2所得结果为0.77mA,图1所得结果为0.54mA),但不同厂商的LED电流的一致性得到了较大改善,均方误差由3.27mA降低至0.96mA。
表2 利用图2电路测试三种不同厂商LED的结果
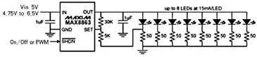
图2电路需选择带有外部电压调节引脚的LDO,如MAX8863,其反馈门限为1.25V(Vset)。选用SOT23封装的LDO可提高系统的性价比,因为多数SOT23封装的LDO带有关断控制,从而省去了图1电路中控制LED通/断的N沟道MOSFET。另外,LDO还具有较宽的输入电压范围,当与其他电路共用同一+5V电源时可以提供较高的电源抑制比(PSRR)。

图3电路是对图2电路的修正,每只LED的电流为15mA,适合便携产品的背光源要求。MAX8863可以驱动8只LED,每只LED电流为15mA。当LED正向电压较低,或镇流电阻的电流低于15mA时,所允许的输入电压更低。
选用白光LED最明显的问题是产品的匹配性差,按照白光LED的典型规格,电流为20mA时正向电压的最小值为3.0V、典型值为3.5V、最大值为4.0V。显然,稳压源不是合理的解决方案。当然,利用相同的电流驱动每只LED可以获得均匀亮度,但成本很高。在许多应用中只是简单地用一个固定偏置电压和镇流电阻驱动LED,如图1所示。
按照图1设计电路通常可以得到相当好的亮度匹配。但对于大批量生产的用户,同一批次的产品具有相当一致的特征指标,但批次之间一致性较差。这就需要对每一批新的LED进行测试、为其配置镇流电阻。如果存在多个LED供货商问题将更加严重。为详细描述上述问题,选用三个厂商的LED(分别用A、B、C表示)按照图1所示电路作了以下测试,标号为A的LED选自一级白光LED供货商,标号为B的LED选自二级白光LED供货商,标号为C的LED是从电子配套市场购买的廉价LED。测试结果如表1所示。
表1 不同厂商LED的测试结果
| LED电流(mA) | 三只随机抽取的LED测试结果 | 平均值 | 均方误差 | |||
| 厂商 | A | 24.7 | 24.7 | 24.3 | 24.6 | 0.23 |
| B | 18.0 | 18.7 | 18.3 | 18.3 | 0.35 | |
| C | 20.8 | 19.7 | 18.7 | 19.7 | 1.05 | |
从表1可以看出,同一厂商的LED匹配性较好,特别是来自规模较大的供货厂家的产品(A、B两种LED),三家厂商LED电流的平均均方误差为0.54。不同厂商的白光LED在采用相同偏置电压、相同的镇流电阻时电流差别较大,均方误差为3.27mA。单独调节每只LED的电流或至少对其中一只LED的电流进行调节可以提高不同厂商或同一厂商不同批次LED的一致性,但这需要相当昂贵的芯片。在对成本要求苛刻的产品中,可以利用低压差线性稳压器(LDO)改善LED的一致性,无需选择阻值不同的镇流电阻,具体电路如图2所示。图中LDO工作在稳压-稳流模式下,根据一只LED的正向电压的变化自动调节偏置电压。

为考核图2电路性能,将上述A、B、C三种LED按照图2电路连接进行了测试,测试结果如表2。从表2可以计算出,相同厂商LED电流的一致性略有下降(图2所得结果为0.77mA,图1所得结果为0.54mA),但不同厂商的LED电流的一致性得到了较大改善,均方误差由3.27mA降低至0.96mA。
表2 利用图2电路测试三种不同厂商LED的结果
| LED电流(mA) | 三只随机抽取的LED测试结果 | 平均值 | 均方误差 | |||
| 厂商 | A | 20.9 | 20.9 | 20.3 | 20.7 | 0.35 |
| B | 20.0 | 21.0 | 20.4 | 20.5 | 0.5 | |
| C | 20.4 | 18.9 | 17.5 | 18.9 | 1.45 | |
图2电路需选择带有外部电压调节引脚的LDO,如MAX8863,其反馈门限为1.25V(Vset)。选用SOT23封装的LDO可提高系统的性价比,因为多数SOT23封装的LDO带有关断控制,从而省去了图1电路中控制LED通/断的N沟道MOSFET。另外,LDO还具有较宽的输入电压范围,当与其他电路共用同一+5V电源时可以提供较高的电源抑制比(PSRR)。

图3电路是对图2电路的修正,每只LED的电流为15mA,适合便携产品的背光源要求。MAX8863可以驱动8只LED,每只LED电流为15mA。当LED正向电压较低,或镇流电阻的电流低于15mA时,所允许的输入电压更低。
射频工程师养成培训教程套装,助您快速成为一名优秀射频工程师...
天线设计工程师培训课程套装,资深专家授课,让天线设计不再难...
上一篇:基于Multisim的直流稳压电源设计
下一篇:锂离子电池保护器及监控器
射频和天线工程师培训课程详情>>

