- 易迪拓培训,专注于微波、射频、天线设计工程师的培养
电流模式控制移相全桥零电压软开关(ZVS)DC/DC功率变换器
录入:edatop.com 点击:
引言
随着计算机与通信技术的飞速发展,作为配套设备的开关电源也获得了长足进步,并随着新器件、新理论、新电磁材料和变换技术以及各种辅助设计分析软件的不断问世,开关电源的性能不断提高。本文介绍一种新型的高频DC/DC开关变换器,并成功地应用在军用充电机上。
DC/DC变换器主电路
改进型移相全桥ZVS DC/DC变换器主电路结构和各点波形对照如图1、图2所示。


由于电路工作状态在一个周期内可以分为两个完全一样的过程,所以以下仅仅分析半个周期的情况,而这半个周期又可分为以下三种开关模态。
● 开关模态1,t0<t<t1,其中t1=DTs/2
此时Q1和Q4同时导通,变压器副边电感L1和整流管DS2导通,原边能量向负载端传递。此模态的等效电路见图3。

其中,a为变压器变比,Vin是直流母线电压,I1和I2分别是电感L1和L2电流(L1=L2=LS),此时有等式(1)成立。
(1)
(2)
Ip(t)=aI1(t) (3)
当Q4关断时该模态过程结束。
● 开关模态2,t1<t<t2,其中t2≤Ts/2
在t1时刻关断Q4,此时副边电感L1中储存的能量给Q4电容(或并联电容)充电,同时将Q3两端电容电荷放掉。为了实现软开关,Q4关断和Q3开通之间至少要存在一死区时间 Δt1,使得在Q3开通前D3首先导通,且有下式成立。
Ip1Δt1=2CeffVin (4)
其中Ceff是开关管漏源两端等效电容,IP1为t1时刻变压器原边流过电流。当D3导通后,变压器副边两个二极管DS1和DS2同时导通,电路工作在续流状态。此时等效电路如图4所示。

此时有如下电路方程成立。
(5)
(6)
(7)
(8)
rt=rMOSfet+rxfmr (9)
其中D为脉冲占空比,fS为电路工作频率,L’ik为主边变压器漏感(或与外接电感的串联值),rt是变压器原边等效电阻,τ是原边等效电流衰减时间常数,Vfp是反并联二极管导通压降。
● 开关模态3,t2<t<t3,其中t3=Ts/2
处于该模态时,电路原边导通情况与以上的模态2一致。此时由于换流过程结束,DS2关断,所以等效电路如图5所示。

此时有电路方程如下。
这时I1、I2与模态2相同,但是DS1中将流过全部的负载电流。当Q1关断时该模态结束,此时副边电感L2中存储的能量同时给开关管Q1和Q2漏源端电容充电和放电。
Q1关断后,D2和D3将导通,这时候就可以给Q2和Q3以开通触发信号了,当电流反向后,Q2、Q3导通,能量再次从原边传递到副边,于是Q2、Q3都是零电压开通。由于对称性,剩下的半个周期的工作状况与以上完全相同。由此可以得到负载端输出电压,注意它与一般的全波整流电路之间的1/2倍的关系。
(13)
由工作原理可以得到如下结论。
● 超前臂开关管和滞后臂开关管的ZVS都利用了次级输出滤波电感的能量来实现,因此串联在原边的电感值可以大大减小,甚至可以不需要串联电感,只用变压器的原边漏感。
● 软开关实现时能量由副边电感和原边电感共同提供,因此可以在较宽的负载范围内实现ZVS。
● 超前臂开关管和滞后臂开关管实现软开关ZVS的条件没有基本型电路苛刻,并且由于副边电感的影响,它们之间的软开关实现条件的差异较之基本型电路大大减小。
变换器控制电路设计
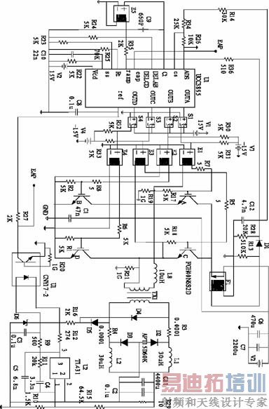
该控制系统通过采集原边母线电流、副边侧输出电压来构成电流内环和电压外环两个控制闭环,原理框图如图6所示。UCC3895是美国TI公司生产的一种高性能电流/电压移相PWM控制器,是UC3875(79)的改进型,适合于移相全桥电路,同时配合零电压开关工作以实现在高频时的局部软开关性能,除了具有UC3875(79)的功能外,最大的改进是增加了自适应死区设置,以适应负载变化时不同的准谐振软开关要求,BCDMOS工艺使得芯片的功耗更小,工作频率更高。
从图6所示的原理框图可以看出,原边母线电流通过电流互感器隔离采集得到,该信号再通过滤波以及斜坡补偿电路后得到电流控制信号,而输出电压信号经过TL431调节后经过光耦隔离,再与设定电压参考值比较得到电压控制信号。电流和电压控制信号输入移相PWM控制器UCC3895后经由芯片内部比较器以及脉冲产生电路得到四路PWM控制信号,但是有一点必须注意,那就是UCC3895的驱动能力很弱,所以必须将这些控制信号加以功率放大并隔离,然后才能驱动主电路的两个桥臂中的开关管。其中,采用母线电流的好处是它能反映同一桥臂上下开关管的导通情况,从而为开关管的保护电路提供一定的依据。另外,该方案成功与否的关键就是斜坡补偿电路以及隔离驱动电路。

仿真结果
PSPICE是电子辅助设计(EDA)中用来分析电路的工具之一,它不仅可以通过计算机来模拟电路的直流工作点、增益、频率特性等,还可以用来仿真数字电路的逻辑运算,还拥有傅立叶分析、蒙特卡罗分析、最坏情况分析等特殊功能,使初步的电路设计完全可以在计算机上完成。
该电路的输入电压参数可以通过改变输入交流电压的幅值来设置,仿真电路如图7所示,仿真的主要参数如下。

电路工作频率为100kHz,输入直流母线电压为250~360V,谐振电感为10μH,主变压器变比为1:1,副边倍流整流器电感为30μH,母线电流互感器电流采样比例为1:20,负载电阻为10.7Ω,仿真设置时间为10ms。
电路软起动波形如图8所示,注意图中的小方块是该软件所设定的标注。由图可以看出,在上电后PWM脉冲波形是逐渐展开的,这一点对于防止主变压器的偏磁非常重要。而且在软起动过程中,eap端电压V(EAP)和外接软起动电容两端电压VSS之间的箝位关系,图中V(R32:1)是负载端电压。

软开关的效果图如图9、图10所示,通过图中时间标注虚线可以看出该开关管是零电压开通电压关端的。在开通时,栅源电压上升到栅平台时漏源电压已经为零,而电流在经过反并联二极管的反向恢复后开始由零值处上升;而在关断时,由于IGBT少数载流子存储效应产生的电流拖尾,所以软关断不很明显。

结语
该电路设计方案结合了电流模式控制、移相PWM控制、倍流整流器电路、最新驱动芯片以及专门设计的开关器件的一些优点。从实验波形来看,变换器的超前与滞后桥臂开关器件均能很好地实现零电压软开关,并且零电压软开关的实现条件以及两个桥臂软开关的差异也比基本型电路小。除此之外,采用倍流整流器电路后,变换器的设计也更加简单。采用仿真手段能给开关电源设计提供极大的帮助,尤其是在采用新方案或是新电路拓扑时。
随着计算机与通信技术的飞速发展,作为配套设备的开关电源也获得了长足进步,并随着新器件、新理论、新电磁材料和变换技术以及各种辅助设计分析软件的不断问世,开关电源的性能不断提高。本文介绍一种新型的高频DC/DC开关变换器,并成功地应用在军用充电机上。
DC/DC变换器主电路
改进型移相全桥ZVS DC/DC变换器主电路结构和各点波形对照如图1、图2所示。


由于电路工作状态在一个周期内可以分为两个完全一样的过程,所以以下仅仅分析半个周期的情况,而这半个周期又可分为以下三种开关模态。
● 开关模态1,t0<t<t1,其中t1=DTs/2
此时Q1和Q4同时导通,变压器副边电感L1和整流管DS2导通,原边能量向负载端传递。此模态的等效电路见图3。

其中,a为变压器变比,Vin是直流母线电压,I1和I2分别是电感L1和L2电流(L1=L2=LS),此时有等式(1)成立。
(1)
(2)Ip(t)=aI1(t) (3)
当Q4关断时该模态过程结束。
● 开关模态2,t1<t<t2,其中t2≤Ts/2
在t1时刻关断Q4,此时副边电感L1中储存的能量给Q4电容(或并联电容)充电,同时将Q3两端电容电荷放掉。为了实现软开关,Q4关断和Q3开通之间至少要存在一死区时间 Δt1,使得在Q3开通前D3首先导通,且有下式成立。
Ip1Δt1=2CeffVin (4)
其中Ceff是开关管漏源两端等效电容,IP1为t1时刻变压器原边流过电流。当D3导通后,变压器副边两个二极管DS1和DS2同时导通,电路工作在续流状态。此时等效电路如图4所示。

此时有如下电路方程成立。
(5)
(6)
(7)
(8)rt=rMOSfet+rxfmr (9)
其中D为脉冲占空比,fS为电路工作频率,L’ik为主边变压器漏感(或与外接电感的串联值),rt是变压器原边等效电阻,τ是原边等效电流衰减时间常数,Vfp是反并联二极管导通压降。
● 开关模态3,t2<t<t3,其中t3=Ts/2
处于该模态时,电路原边导通情况与以上的模态2一致。此时由于换流过程结束,DS2关断,所以等效电路如图5所示。

此时有电路方程如下。
这时I1、I2与模态2相同,但是DS1中将流过全部的负载电流。当Q1关断时该模态结束,此时副边电感L2中存储的能量同时给开关管Q1和Q2漏源端电容充电和放电。
Q1关断后,D2和D3将导通,这时候就可以给Q2和Q3以开通触发信号了,当电流反向后,Q2、Q3导通,能量再次从原边传递到副边,于是Q2、Q3都是零电压开通。由于对称性,剩下的半个周期的工作状况与以上完全相同。由此可以得到负载端输出电压,注意它与一般的全波整流电路之间的1/2倍的关系。
(13)由工作原理可以得到如下结论。
● 超前臂开关管和滞后臂开关管的ZVS都利用了次级输出滤波电感的能量来实现,因此串联在原边的电感值可以大大减小,甚至可以不需要串联电感,只用变压器的原边漏感。
● 软开关实现时能量由副边电感和原边电感共同提供,因此可以在较宽的负载范围内实现ZVS。
● 超前臂开关管和滞后臂开关管实现软开关ZVS的条件没有基本型电路苛刻,并且由于副边电感的影响,它们之间的软开关实现条件的差异较之基本型电路大大减小。
变换器控制电路设计
该控制系统通过采集原边母线电流、副边侧输出电压来构成电流内环和电压外环两个控制闭环,原理框图如图6所示。UCC3895是美国TI公司生产的一种高性能电流/电压移相PWM控制器,是UC3875(79)的改进型,适合于移相全桥电路,同时配合零电压开关工作以实现在高频时的局部软开关性能,除了具有UC3875(79)的功能外,最大的改进是增加了自适应死区设置,以适应负载变化时不同的准谐振软开关要求,BCDMOS工艺使得芯片的功耗更小,工作频率更高。
从图6所示的原理框图可以看出,原边母线电流通过电流互感器隔离采集得到,该信号再通过滤波以及斜坡补偿电路后得到电流控制信号,而输出电压信号经过TL431调节后经过光耦隔离,再与设定电压参考值比较得到电压控制信号。电流和电压控制信号输入移相PWM控制器UCC3895后经由芯片内部比较器以及脉冲产生电路得到四路PWM控制信号,但是有一点必须注意,那就是UCC3895的驱动能力很弱,所以必须将这些控制信号加以功率放大并隔离,然后才能驱动主电路的两个桥臂中的开关管。其中,采用母线电流的好处是它能反映同一桥臂上下开关管的导通情况,从而为开关管的保护电路提供一定的依据。另外,该方案成功与否的关键就是斜坡补偿电路以及隔离驱动电路。

仿真结果
PSPICE是电子辅助设计(EDA)中用来分析电路的工具之一,它不仅可以通过计算机来模拟电路的直流工作点、增益、频率特性等,还可以用来仿真数字电路的逻辑运算,还拥有傅立叶分析、蒙特卡罗分析、最坏情况分析等特殊功能,使初步的电路设计完全可以在计算机上完成。
该电路的输入电压参数可以通过改变输入交流电压的幅值来设置,仿真电路如图7所示,仿真的主要参数如下。

电路工作频率为100kHz,输入直流母线电压为250~360V,谐振电感为10μH,主变压器变比为1:1,副边倍流整流器电感为30μH,母线电流互感器电流采样比例为1:20,负载电阻为10.7Ω,仿真设置时间为10ms。
电路软起动波形如图8所示,注意图中的小方块是该软件所设定的标注。由图可以看出,在上电后PWM脉冲波形是逐渐展开的,这一点对于防止主变压器的偏磁非常重要。而且在软起动过程中,eap端电压V(EAP)和外接软起动电容两端电压VSS之间的箝位关系,图中V(R32:1)是负载端电压。

软开关的效果图如图9、图10所示,通过图中时间标注虚线可以看出该开关管是零电压开通电压关端的。在开通时,栅源电压上升到栅平台时漏源电压已经为零,而电流在经过反并联二极管的反向恢复后开始由零值处上升;而在关断时,由于IGBT少数载流子存储效应产生的电流拖尾,所以软关断不很明显。

结语
该电路设计方案结合了电流模式控制、移相PWM控制、倍流整流器电路、最新驱动芯片以及专门设计的开关器件的一些优点。从实验波形来看,变换器的超前与滞后桥臂开关器件均能很好地实现零电压软开关,并且零电压软开关的实现条件以及两个桥臂软开关的差异也比基本型电路小。除此之外,采用倍流整流器电路后,变换器的设计也更加简单。采用仿真手段能给开关电源设计提供极大的帮助,尤其是在采用新方案或是新电路拓扑时。
射频工程师养成培训教程套装,助您快速成为一名优秀射频工程师...
天线设计工程师培训课程套装,资深专家授课,让天线设计不再难...
上一篇:电源监控器IMP809/810及其应用
下一篇:低压电源热插拔和上电顺序控制
射频和天线工程师培训课程详情>>

