- 易迪拓培训,专注于微波、射频、天线设计工程师的培养
高效地驱动LED
录入:edatop.com 点击:
随着LED生产成本的降低,其应用范围越来越广,其中包括手持终端设备、车载以及建筑照明。LED 的高可靠性、极佳的效率以及瞬态响应能力使得它们成为颇具吸引力的光源。尽管白炽灯泡的成本非常低,但是多次更换白炽灯泡也将是一笔很大的开销,更换路灯就是个很好的例子。因此,在此类应用中,使用 LED 可以大大降低成本。虽然LED和白炽灯泡的效率几乎相同,但由于上述一些原因,在路灯中将用LED代替白炽灯泡,这样不但可以提高可靠性,而且还能节省能源。
白炽灯泡可以发出各种各样的光线,但是通常只需要绿色、红色及黄色光线,如交通信号灯。若要使用白炽灯泡,则需使用一个滤波器,这会浪费掉 60%的光能,而LED则可以直接产生所需颜色的光线,并且在上电时,LED几乎是瞬间发光,而白炽灯则需要200ms的响应时间。因此,汽车行业在刹车灯设计中采用了LED。另外,LED将作为DLP视频应用中的光源,从而以快速开关的LED替代了机械组合。
LED I-V特性
图1显示了典型InGaAlP LED的正向电压特征。也可以把LED作为电压源与电阻串联建模,并查看模型与实际测量之间的密切关联性。电压源拥有一个负的温度系数,当结温上升时,电压源的正向电压会降低。InGaAlP LED(黄色和琥珀红)的系数在-3.0~-5.2mV/K之间,而InGaN LED(蓝色、绿色及白色)的系数则在-3.6~-5.2mV/K之间。这就是为什么不能直接对LED进行并联的一个原因。产生热量最多的器件往往需要更大的电流,更大的电流会产生更多的热量,进而引起散热失控。
图2显示了作为工作电流函数的相对光输出(光通量)。很明显,光输出与二极管电流是密切相关的,因此可以通过改变正向电流进行调光。并且,在电流较小时,曲线几乎是一条直线,但是在电流增大时,其斜率变小了。这就是说,在电流较低时,若将二极管电流增大一倍,则光输出也会增加一倍;但是电流较高时,情况就截然不同了:电流上升100%仅能使光输出量增加80%。这一点很重要,因为LED是由开关电源驱动的,这会导致在LED中产生相当大的纹波电流。实际上,电源的成本在某种程度上是由所允许的电流大小决定的,纹波电流越大,电源成本就越低,但光输出会因此受到影响。
图3量化显示了叠加于直流输出电流之上的三角纹波电流所引起的光输出减少。在绝大多数情况下,该纹波电流的频率高于肉眼可以看到的 80Hz。并且,肉眼对光线的响应是指数式的,不能察觉出小于20%的光线减弱。因此,即使LED中出现相当大的纹波电流,也不会察觉出光输出的减少。
此外,纹波电流还通过提高功耗而影响LED性能,这可能导致结温升高,而且对LED的使用寿命有重大影响。如图4所示,LED的相对光输出是时间和结温的函数。如果确立了LED的光输出为额定的80%,则LED的使用寿命将从74℃时的10 000小时延长到63℃时的25 000小时。
图5量化显示了由于纹波电流造成的 LED 功耗的增加。与LED的散热时间常量相比,由于纹波频率较高,因此高纹波电流(以及高峰值功耗)不会影响峰值结温。LED的大部分压降就像一个电压源,因此电流波形对功耗没有影响。然而,压降有一个电阻分量,并且功耗由该电阻乘以均方根(RMS)电流的平方决定。
图5还阐明即使是在纹波电流较大时,对功耗也没有重大影响。例如,50%的纹波电流仅增加不到5%的功率损耗。当大大超过此水平时,需要减小电源的直流电流以保持结温不变,从而维持半导体的使用寿命。根据经验,结温每降低10℃,半导体的使用寿命就会延长2倍。并且,由于电感的限制,许多的设计都倾向于更小的纹波电流。绝大多数电感的设计旨在处理小于20%的Ipk/Iout纹波电流比率。
典型应用
LED中的电流在很多情况下都是由镇流电阻或线性稳压器进行控制的。但是,本文中主要讲述的是开关稳压器。在驱动 LED 时常用的三种基本的电路拓扑为降压拓扑、升压拓扑及降压-升压拓扑。采用何种拓扑结构取决于输入电压和输出电压的关系。
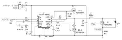
在输出电压始终小于输入电压的情况下,应使用降压稳压器,图6显示了该拓扑结构。在该电路中,对电源开关的占空比(duty factor)进行了控制,以在输出滤波器电感L1上确立平均电压。当FET开关闭合时(TPS5430内部),其将输入电压连接到电感,并在L1中形成电流。环流二极管v2提供了开关断开时的电流路径。电感可对流经LED的电流起到平滑的作用,通过用电阻监控(测量)LED电流,并将该电压与控制IC内部的参考电压进行比较,从而最终实现对流经LED的电流调节。如果电流太低,则占空比增加,平均电压也上升,从而导致了电流的升高。由于电源开关、环流二极管以及电流检测电阻上的压降非常低,该电路可提供极佳的效率。
当输出电压总是比输入电压大时,最好是采用如图7所示的升压转换电路。该电路的U1中也有一个带有控制电子器件的高度集成电源开关。当开关闭合时,电流流经电感到接地。当开关断开时,U1引脚1上的电压会不断升高,直到v1导通,然后电感放电,电流进入输出电容器(C3)和LED串。在大多数应用中,C3通常用于平滑LED电流。如果没有C3,则LED 电流将是断断续续的。也就是说,它会在零和电感电流之间切换,这会导致LED热量增加(从而缩短使用寿命),并且亮度减少。在前面的例子中,LED的电流是通过一个电阻检测的,并且占空比会发生相应地变化。请注意本拓扑存在一个严重的问题,即它没有短路保护电路。若输出短路,则会有较大的电流通过电感器和二极管,从而导致电路故障,或者输入电压崩溃。
很多时候输入电压范围变化很大,其可以高于或低于输出电压,此时降压拓扑和升压拓扑结构就不起作用了。并且,可能在升压应用中需要短路保护。在这些情况下,就需要使用降压-升压拓扑结构(见图8)。当电源开关闭合、电感有电流通过时该电路就相当于升压电路;当电源开关断开时,电感开始放电,电流进入输出电容和LED。不过,输出电压不是正的,而是负的。此外,请注意本拓扑中不存在像升压转换转中出现的短路问题,因为电源开关Q1开路能提供短路保护功能。该电路的另一个值得注意的特性是,虽然其是一个负的输出,但并不需要对传感电路的电平进行转换。在本设计中,控制IC接地到负的输出,并且可直接测量电流检测电阻R100上的电压。尽管本例中仅显示了一个LED,但是通过串联可以连接许多 LED。电压的上限是控制IC的最大额定电压,输入电压加上输出电压的和不能超过该限值。
关闭环控制电路
关闭LED电源上的电流环路比关闭传统电源上的电压环路要简单得多。环路的复杂性取决于输出滤波器结构。图9显示了三种可能的结构:只有一个电感的简单滤波器(A);典型的电源滤波器(B);以及改良的滤波器(C)。
为每一个功率级都构建一个简单的P-Spice模型,以阐明每一功率级控制特性的区别。降压功率 FET 和二极管的开关动作建模为压控电压源,增益为10,而LED则建模为与6V电压源串联的3Ω的电阻。在LED和接地之间添加了一个1Ω的电阻,用于对电流进行检测。在电路A中,该响应就是稳定的一阶系统的响应。直流增益由压控电压源(LED电阻和电流检测电阻构成的分压器)确定,系统的极性由输出电感和电路电阻决定。电路B由于增加了输出电容,因此有二阶响应。若LED的纹波电流过大并达到难以接受的程度,则可能需要该输出电容,这是由于EMI或热量等问题的出现造成的。直流增益与第一个电路一样。不过,在输出电感和电容确定的频率处有一对复极点。
滤波器的总相移为180°。若没有很好地设计补偿电路,可能会导致系统不稳定。与电路A相比,该补偿电路增加了两个组件以及一个输出电容。在电路C中,我们对输出电容进行了重定位,以便更容易对电路进行补偿。LED的纹波电压与电路B类似,所不同的是电感的纹波电流流过电流检测电阻 R105,因此在计算功耗时也要考虑到这一部分功耗。该电路有一个零点、一对极点,并且其补偿设计与电路A差不多简单,直流增益也与前两个电路相同。在高频率时,其响应与电路A一样。
调光
通常,我们需要对LED进行调光。例如,需要调低显示器或建筑照明的亮度。实现上述目标有两种方法:降低LED的电流,或快速地开关 LED。效率最低的方法是降低电流,因为光输出并不完全与电流呈线性,并且LED的色谱往往是在电流小于额定值时才会发生变化。请不要忘记,人们对亮度的感知是指数式的,因此调光可能需要电流进行很大变化,这对电路设计会造成很大影响。考虑到电路的容差,满负载电流值工作时,3%的调节误差可以造成10% 负载时的30%或更高的误差。通过电流波形的脉宽调制(PWM)进行调光更为准确,尽管这种方法存在响应速度问题。在照明和显示器应用上,PWM需要高于 100Hz的频率,以使肉眼感觉不到闪烁。10%的脉冲宽度在ms范围内,并要求电源的带宽大于10kHz,此项工作可以通过图9(A与C)中简单的环路轻松地完成。图10阐明了带PWM调光功能的降压功率级电路。在本例中,LED轻松地闭合/断开电路。通过这种方式,控制环路总是处于激活状态,并实现了极快的瞬态响应(见图11)。
结论
虽然LED的应用日益盛行,但仍有许多电源管理问题亟待解决。在需要高度可靠性和安全性的汽车市场上,LED器件得到了广泛的应用。车载电气系统对电源质量要求很高,因此,必须设计保护电路避免在电压超过60V时出现“抛负载”现象。建筑照明LED的电源设计问题也很多,由于其经常是离线式运行,因此需要进行功率因数校正,以及对电流和亮度的控制。另外,LED正被广泛地整合到投影和电视等产品中,此类产品要求快速的响应、控制良好的电流,以及完美的开关控制,这些都给设计人员提出了新的挑战。
白炽灯泡可以发出各种各样的光线,但是通常只需要绿色、红色及黄色光线,如交通信号灯。若要使用白炽灯泡,则需使用一个滤波器,这会浪费掉 60%的光能,而LED则可以直接产生所需颜色的光线,并且在上电时,LED几乎是瞬间发光,而白炽灯则需要200ms的响应时间。因此,汽车行业在刹车灯设计中采用了LED。另外,LED将作为DLP视频应用中的光源,从而以快速开关的LED替代了机械组合。

图1 LED作为电阻与电压源串联建模
LED I-V特性
图1显示了典型InGaAlP LED的正向电压特征。也可以把LED作为电压源与电阻串联建模,并查看模型与实际测量之间的密切关联性。电压源拥有一个负的温度系数,当结温上升时,电压源的正向电压会降低。InGaAlP LED(黄色和琥珀红)的系数在-3.0~-5.2mV/K之间,而InGaN LED(蓝色、绿色及白色)的系数则在-3.6~-5.2mV/K之间。这就是为什么不能直接对LED进行并联的一个原因。产生热量最多的器件往往需要更大的电流,更大的电流会产生更多的热量,进而引起散热失控。

图2 电流超过1A以上,LED效率就会降低
图2显示了作为工作电流函数的相对光输出(光通量)。很明显,光输出与二极管电流是密切相关的,因此可以通过改变正向电流进行调光。并且,在电流较小时,曲线几乎是一条直线,但是在电流增大时,其斜率变小了。这就是说,在电流较低时,若将二极管电流增大一倍,则光输出也会增加一倍;但是电流较高时,情况就截然不同了:电流上升100%仅能使光输出量增加80%。这一点很重要,因为LED是由开关电源驱动的,这会导致在LED中产生相当大的纹波电流。实际上,电源的成本在某种程度上是由所允许的电流大小决定的,纹波电流越大,电源成本就越低,但光输出会因此受到影响。

图3 纹波电流对LED光输出的轻微影响
图3量化显示了叠加于直流输出电流之上的三角纹波电流所引起的光输出减少。在绝大多数情况下,该纹波电流的频率高于肉眼可以看到的 80Hz。并且,肉眼对光线的响应是指数式的,不能察觉出小于20%的光线减弱。因此,即使LED中出现相当大的纹波电流,也不会察觉出光输出的减少。

图4 高结温会缩短LED的使用寿命
此外,纹波电流还通过提高功耗而影响LED性能,这可能导致结温升高,而且对LED的使用寿命有重大影响。如图4所示,LED的相对光输出是时间和结温的函数。如果确立了LED的光输出为额定的80%,则LED的使用寿命将从74℃时的10 000小时延长到63℃时的25 000小时。

图5 纹波电流增加了LED的功耗
图5量化显示了由于纹波电流造成的 LED 功耗的增加。与LED的散热时间常量相比,由于纹波频率较高,因此高纹波电流(以及高峰值功耗)不会影响峰值结温。LED的大部分压降就像一个电压源,因此电流波形对功耗没有影响。然而,压降有一个电阻分量,并且功耗由该电阻乘以均方根(RMS)电流的平方决定。
图5还阐明即使是在纹波电流较大时,对功耗也没有重大影响。例如,50%的纹波电流仅增加不到5%的功率损耗。当大大超过此水平时,需要减小电源的直流电流以保持结温不变,从而维持半导体的使用寿命。根据经验,结温每降低10℃,半导体的使用寿命就会延长2倍。并且,由于电感的限制,许多的设计都倾向于更小的纹波电流。绝大多数电感的设计旨在处理小于20%的Ipk/Iout纹波电流比率。
典型应用
LED中的电流在很多情况下都是由镇流电阻或线性稳压器进行控制的。但是,本文中主要讲述的是开关稳压器。在驱动 LED 时常用的三种基本的电路拓扑为降压拓扑、升压拓扑及降压-升压拓扑。采用何种拓扑结构取决于输入电压和输出电压的关系。

图6 降压 LED 驱动器逐步降低输入电压
在输出电压始终小于输入电压的情况下,应使用降压稳压器,图6显示了该拓扑结构。在该电路中,对电源开关的占空比(duty factor)进行了控制,以在输出滤波器电感L1上确立平均电压。当FET开关闭合时(TPS5430内部),其将输入电压连接到电感,并在L1中形成电流。环流二极管v2提供了开关断开时的电流路径。电感可对流经LED的电流起到平滑的作用,通过用电阻监控(测量)LED电流,并将该电压与控制IC内部的参考电压进行比较,从而最终实现对流经LED的电流调节。如果电流太低,则占空比增加,平均电压也上升,从而导致了电流的升高。由于电源开关、环流二极管以及电流检测电阻上的压降非常低,该电路可提供极佳的效率。

图7 高度集成的升压LED驱动器逐步升高输入电压

图8 降压-升压电流可限制和处理广泛的输入范围
当输出电压总是比输入电压大时,最好是采用如图7所示的升压转换电路。该电路的U1中也有一个带有控制电子器件的高度集成电源开关。当开关闭合时,电流流经电感到接地。当开关断开时,U1引脚1上的电压会不断升高,直到v1导通,然后电感放电,电流进入输出电容器(C3)和LED串。在大多数应用中,C3通常用于平滑LED电流。如果没有C3,则LED 电流将是断断续续的。也就是说,它会在零和电感电流之间切换,这会导致LED热量增加(从而缩短使用寿命),并且亮度减少。在前面的例子中,LED的电流是通过一个电阻检测的,并且占空比会发生相应地变化。请注意本拓扑存在一个严重的问题,即它没有短路保护电路。若输出短路,则会有较大的电流通过电感器和二极管,从而导致电路故障,或者输入电压崩溃。
很多时候输入电压范围变化很大,其可以高于或低于输出电压,此时降压拓扑和升压拓扑结构就不起作用了。并且,可能在升压应用中需要短路保护。在这些情况下,就需要使用降压-升压拓扑结构(见图8)。当电源开关闭合、电感有电流通过时该电路就相当于升压电路;当电源开关断开时,电感开始放电,电流进入输出电容和LED。不过,输出电压不是正的,而是负的。此外,请注意本拓扑中不存在像升压转换转中出现的短路问题,因为电源开关Q1开路能提供短路保护功能。该电路的另一个值得注意的特性是,虽然其是一个负的输出,但并不需要对传感电路的电平进行转换。在本设计中,控制IC接地到负的输出,并且可直接测量电流检测电阻R100上的电压。尽管本例中仅显示了一个LED,但是通过串联可以连接许多 LED。电压的上限是控制IC的最大额定电压,输入电压加上输出电压的和不能超过该限值。

图9 电位输出滤波器结构
关闭环控制电路
关闭LED电源上的电流环路比关闭传统电源上的电压环路要简单得多。环路的复杂性取决于输出滤波器结构。图9显示了三种可能的结构:只有一个电感的简单滤波器(A);典型的电源滤波器(B);以及改良的滤波器(C)。
为每一个功率级都构建一个简单的P-Spice模型,以阐明每一功率级控制特性的区别。降压功率 FET 和二极管的开关动作建模为压控电压源,增益为10,而LED则建模为与6V电压源串联的3Ω的电阻。在LED和接地之间添加了一个1Ω的电阻,用于对电流进行检测。在电路A中,该响应就是稳定的一阶系统的响应。直流增益由压控电压源(LED电阻和电流检测电阻构成的分压器)确定,系统的极性由输出电感和电路电阻决定。电路B由于增加了输出电容,因此有二阶响应。若LED的纹波电流过大并达到难以接受的程度,则可能需要该输出电容,这是由于EMI或热量等问题的出现造成的。直流增益与第一个电路一样。不过,在输出电感和电容确定的频率处有一对复极点。

图10 Q1用于对LED电流进行脉宽调制

图11 PWM技术可实现亚微秒的LED开关速度
滤波器的总相移为180°。若没有很好地设计补偿电路,可能会导致系统不稳定。与电路A相比,该补偿电路增加了两个组件以及一个输出电容。在电路C中,我们对输出电容进行了重定位,以便更容易对电路进行补偿。LED的纹波电压与电路B类似,所不同的是电感的纹波电流流过电流检测电阻 R105,因此在计算功耗时也要考虑到这一部分功耗。该电路有一个零点、一对极点,并且其补偿设计与电路A差不多简单,直流增益也与前两个电路相同。在高频率时,其响应与电路A一样。
调光
通常,我们需要对LED进行调光。例如,需要调低显示器或建筑照明的亮度。实现上述目标有两种方法:降低LED的电流,或快速地开关 LED。效率最低的方法是降低电流,因为光输出并不完全与电流呈线性,并且LED的色谱往往是在电流小于额定值时才会发生变化。请不要忘记,人们对亮度的感知是指数式的,因此调光可能需要电流进行很大变化,这对电路设计会造成很大影响。考虑到电路的容差,满负载电流值工作时,3%的调节误差可以造成10% 负载时的30%或更高的误差。通过电流波形的脉宽调制(PWM)进行调光更为准确,尽管这种方法存在响应速度问题。在照明和显示器应用上,PWM需要高于 100Hz的频率,以使肉眼感觉不到闪烁。10%的脉冲宽度在ms范围内,并要求电源的带宽大于10kHz,此项工作可以通过图9(A与C)中简单的环路轻松地完成。图10阐明了带PWM调光功能的降压功率级电路。在本例中,LED轻松地闭合/断开电路。通过这种方式,控制环路总是处于激活状态,并实现了极快的瞬态响应(见图11)。
结论
虽然LED的应用日益盛行,但仍有许多电源管理问题亟待解决。在需要高度可靠性和安全性的汽车市场上,LED器件得到了广泛的应用。车载电气系统对电源质量要求很高,因此,必须设计保护电路避免在电压超过60V时出现“抛负载”现象。建筑照明LED的电源设计问题也很多,由于其经常是离线式运行,因此需要进行功率因数校正,以及对电流和亮度的控制。另外,LED正被广泛地整合到投影和电视等产品中,此类产品要求快速的响应、控制良好的电流,以及完美的开关控制,这些都给设计人员提出了新的挑战。
射频工程师养成培训教程套装,助您快速成为一名优秀射频工程师...
天线设计工程师培训课程套装,资深专家授课,让天线设计不再难...
上一篇:低功耗嵌入式实现的方方面面
下一篇:DC-DC变换器中一种高性能振荡电路的设计
射频和天线工程师培训课程详情>>

