- 易迪拓培训,专注于微波、射频、天线设计工程师的培养
我是菜鸟,图中尺寸如何确定
录入:edatop.com 点击:
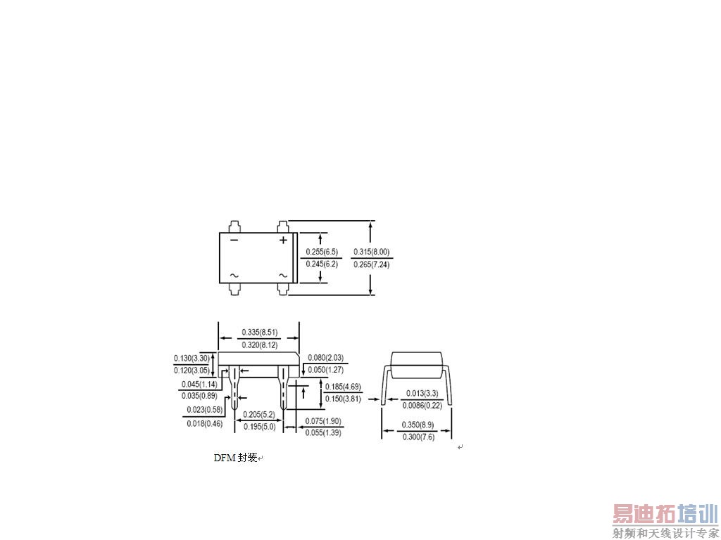
整流桥DB107G的DFM封装,图中的尺寸有上下2个值,那个才是啊
DB101-107G共7个型号,都是这同一封装吗?

DB101-107G共7个型号,都是这同一封装吗?

呵呵,都是同一封装
看来你不懂“公差”这个概念哦
就是生产出来的东西,容许有一定的误差,而你应该保证你的设计在他的整个误差范围内都能适应它
比如
很硬的引脚,不会出现装不进去的情况
最大尺寸,不会出现互相打架的现象...
设计时取值需注意与标准插座要一致
横线上是最大值
横线下是最小值
括号里是公制尺寸(mm)
括号外是英制尺寸(英寸)
指明是DFM封装,则尺寸都相同
你所需关心的是四个引脚的开档尺寸
设计时取值需注意与标准插座要一致(PCB库对应DIP4)
标准插座一般是脚与脚间距5.08mm对应0.2英寸[200mil],排与排间距7.62mm对应0.3英寸[300mil]
你若随意取个最大与最小的中间值,装配时会有麻烦的.
至于脚为什么会折成梯形的,那是封装厂生产工艺的要求(脱模容易).
公差
横线上是最大值
横线下是最小值
括号里是公制尺寸(mm)
括号外是英制尺寸(英寸)
指明是DFM封装,则尺寸都相同
你所需关心的是四个引脚的开档尺寸
设计时取值需注意与标准插座要一致(PCB库对应DIP4)
标准插座一般是脚与脚间距5.08mm对应0.2英寸[200mil],排与排间距7.62mm对应0.3英寸[300mil]
你若随意取个最大与最小的中间值,装配时会有麻烦的.
至于脚为什么会折成梯形的,那是封装厂生产工艺的要求(脱模容易).
射频工程师养成培训教程套装,助您快速成为一名优秀射频工程师...
天线设计工程师培训课程套装,资深专家授课,让天线设计不再难...
上一篇:protel dxp 2004的pcb图如何转换为protel99se的pcb
下一篇:画电路板,那种软件最好?
射频和天线工程师培训课程详情>>

