- 易迪拓培训,专注于微波、射频、天线设计工程师的培养
便携式播放器的电源方案
录入:edatop.com 点击:
根据最新的市场研究报告,2005年市场对消费电子设备的需求依然旺盛,而便携式媒体播放机在消费电子产品中的市场增长尤其迅速。消费者不仅要求在 更小的外形中拥有更多的功能,而且还要求有更长的工作时间。尽管电池技术与低功耗半导体器件所取得的进展可帮助工程师进行满足这些要求的设计,但消费者越 来越高的要求仍然给电源设计工程师提出了严峻的挑战,反过来,电源设计工程师在电子设计中扮演的角色也越来越重要。本文给出了一整套便携式媒体播放机的电 源管理解决方案,利用高精度电池容量计来从电池及高效开关电源转换中获取“最后一点能量”,最大限度的发挥电池能量,采用封装尺寸较小的高集成度器件,最 大限度减少了外部器件,有助于节省板空间,减小体积、重量。
创新的解决方案
典型便携式媒体播放机由几个部分组成。由于目前锂离子电池能量密度的提高,以及低功耗媒体处理芯片的发展,媒体播放机一般采用锂离子电池来供电。主 系统包括中等尺寸、带有3~5in 对角线屏幕及至少VGA分辨率的薄膜晶体管(TFT) 彩色LCD显示器,屏幕一般用白光LED来作背光以获得最佳色彩呈现;用于媒体存储的大容量存储器由直径只有1in 大小的微型硬驱提供,数据可通过高速USB端口进出设备;处理系统由受大容量存储器支持的视频编解码引擎组成;此外,像FM调谐器芯片和数码相机模块等其 他附加器件亦可成为系统的组成部分。
很明显,所有这些功能都需要数种不同的电压以及一定数量的电源。电池必须能再充电并进行有效的管理,且必须尽可能地从3.3 ~4.2V电池电压转换为1.2V的低电源电压,否则将很难达到16小时的音频播放时间与5小时的视频播放时间。

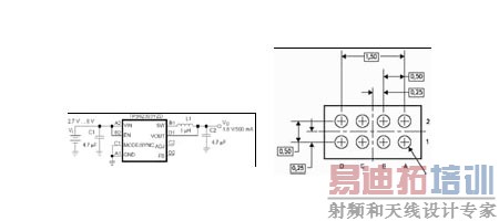
图1:用于便携式媒体播放机的典型电源子系统
图1显示一种用于便携式媒体播放机的电源子系统。锂离子电池充电器可安全精确地给电池充电,同时,一个精确容量计量器件可确定电池的充电状态,并帮 助系统工作至耗尽最后一分钟电源能量。几个电源转换器负责将电池电压转换为必要的系统电压。首先必须给带有显示控制器及背光的TFT LCD显示器供电。用于给存储器及其他器件供电的主3.3V电源,一般要求能达到1A的较高电流;而用于给硬驱供电的主3.3V电源,则一般单独从主电源上产生,因为它需要由系统来单独控制,以便在不需要时停用以节省电池能量。处理引擎可能需要好几种超低内核电压(如1.2V或1.8V等);音频可能需要 用一个线性调整器作后续电源,以滤除来自开关调整器的噪声。在某些情况下,可能还需要产生用于USB的5V电压。
图2所示的电池充电器电路可管理几种输入源,如来自计算机及外设的USB端口与AC/DC墙式适配器等。单锂离子电池应用中的很多充电器IC,一般 都只能承受6V左右的输入电压,这要求对墙式电源进行调整,因为即使电源额定为5V输出,某些“廉价”变压器与桥式整流器电源的开路电压亦可超过10 V。但以下电路在适配器引脚(交流)上提供有额定18 V的输入电压,以保护系统免受直流电源线上过电压的冲击,并允许使用简单的不稳定墙式电源,而这种电源可采用低成本变压器及桥式整流器,从而进一步减少整 体系统成本。
图2所示电路将电池看成是通过充电器与系统相连的另一个直流电源,这使得充电IC可完全控制整个电流,并决定进入电池的实际充电电流以及由系统拽取 的电流。因此,在电池充电及系统运行时,不会发生不适当的充电端接。此外,该解决方案还具有动态功率管理功能,可在系统与电池之间分配可用直流输入功率。 如果系统电流增加,则电池充电电流会自动减少,从而满足整体功率预算,这有助于进一步减少成本。所有用于控制USB电源与AC/DC墙壁插座之间输入功率 管理的必要充电与切换晶体管,都集成在一块芯片上,从而可极大地简化充电器电路并消除昂贵且占用空间的外部器件。此外,充电器还能提供所有电池管理功能, 从而确保根据厂商提供的最长工作时间指标来对电池进行快速、精确及安全的充电。
为进一步改善电池管理,还可用电池容量计来精确确定电池的剩余容量。图1所示的库仑计芯片可测量进出电池的电量,并将其转换成以系统毫安小时 (mAh) 表示的电池容量等有用信息。这使得处理器能通过有效地部署省电模式来更好地管理功耗,并当电池需要充电时提醒最终用户。
媒体播放机中的电源转换主要采用开关DC/DC转换器,以提高电源转换效率——尤其当输出电流超过300mA甚至达到1A时。当用于电压调整时,线 性调整器一般被认为是一种小型及低成本解决方案,但在这些电流指标上,它们会由于功耗过高而要求使用庞大及昂贵的散热器件。这是由于供电时较大的输入-输 出差与输出电流所致,例如,从3.6V锂离子电池转换至1.2V电压等。线性稳压器仅能以33%的效率进行这种转换,这是消耗电池功率并产生热量的主要原 因,而DC/DC转换器却能很好地以高于90%的效率工作,只消耗LDO所消耗功率的一小部分。线性稳压器的另一个缺点是只能降压,而DC/DC稳压器则 既能升压又能降压。

图3:采用晶圆级芯片大小封装(WLCSP)的同步白LED驱动器
图3和图4是可满足显示器背光及处理器内核电源要求的高效电源转换器例子。目前,彩色显示器的逐渐普及,促使人们更多地将白光LED用于彩色显示器 背光。白光LED的正向压降可为2.5V与4.5V之间的任何值。今天的媒体播放机、PDA及智能电话的显示器尺寸,常常需要用多个白光LED来获得适当 的背光,这就要求连成一串的5个LED上的电压达到20V。图3显示一种带恒定LED电流调整及亮度控制的高效、电感型DC/DC升压调整器解决方案。
除了以高达80%的效率来驱动显示器背光外,图3所示解决方案还在空间节省方面有好几项创新。白光LED驱动器完全同步,这意味着DC/DC升压转 换器的典型二极管被一个集成到封装中的可控FET开关所取代,从而允许在关机期间将负载断开,以避免产生电池泄漏电流。精心设计的IC还允许使用1μF及 220nF的极小输入/输出电容。为减小占板空间,该器件还采用了管芯大小封装,从而使尺寸只有器件硅面积那么大,这能将器件的占板空间减小一半。通过 ILED引脚实现可设置LED亮度,而无须连续使用PWM、模拟信号。

图4:带小型器件与封装的高频3MHz DC/DC 转换器
为给编解码器引擎提供1.8V和500mA的内核电源,可使用另一个带集成FET的全集成同步DC/DC降压转换器,以优化效率并最大限度减少所使 用的外部器件数量。当输出电流大于300mA时,基于有电感的开关型DC/DC转换器常常能提供大的功率。与DC/DC控制器相比,全集成DC/DC转换 器可进行内部补偿,这意味着设计工程师既不需要选择外部晶体管、也不需要用昂贵及难以使用的设计软件来分析补偿与稳定条件。利用数据资料中给出的建议电感 值,选择器件是一件非常容易的事。
图4所示的DC/DC降压转换器解决方案展示了几种空间节省特点。由于两个开关晶体管均为集成,故电路只需要一个电感及两个4.7μF输入/输出电 容。一般地讲,开关频率最好大于1MHz,以便能使用小电感并限制对音频波段的干扰。但这种频率却足以对无线射频频段造成干扰。该器件拥有独特的控制架 构,可使电源对负载瞬变迅速做出反应,并保持很高的电压调整精度。更高的3MHz开关频率还可将电感值减小至1μH,从而允许使用低高度片状电感。与白光 LED驱动器类似,该器件也提供有管芯大小封装,可将IC尺寸减小一半。整个解决方案可安装至5mm×5mm空间中。为进一步减少功耗,图4所示的高级 DC/DC转换器还具有自动PFM/PWM模式转换功能,以提高对不同负载的转换效率。在低负载电流时,转换器进入脉冲频率调制 (PFM),而当负载电流超过50mA时,则采用脉宽调制 (PWM) 控制方案。
创新的解决方案
典型便携式媒体播放机由几个部分组成。由于目前锂离子电池能量密度的提高,以及低功耗媒体处理芯片的发展,媒体播放机一般采用锂离子电池来供电。主 系统包括中等尺寸、带有3~5in 对角线屏幕及至少VGA分辨率的薄膜晶体管(TFT) 彩色LCD显示器,屏幕一般用白光LED来作背光以获得最佳色彩呈现;用于媒体存储的大容量存储器由直径只有1in 大小的微型硬驱提供,数据可通过高速USB端口进出设备;处理系统由受大容量存储器支持的视频编解码引擎组成;此外,像FM调谐器芯片和数码相机模块等其 他附加器件亦可成为系统的组成部分。
很明显,所有这些功能都需要数种不同的电压以及一定数量的电源。电池必须能再充电并进行有效的管理,且必须尽可能地从3.3 ~4.2V电池电压转换为1.2V的低电源电压,否则将很难达到16小时的音频播放时间与5小时的视频播放时间。

图1:用于便携式媒体播放机的典型电源子系统
图1显示一种用于便携式媒体播放机的电源子系统。锂离子电池充电器可安全精确地给电池充电,同时,一个精确容量计量器件可确定电池的充电状态,并帮 助系统工作至耗尽最后一分钟电源能量。几个电源转换器负责将电池电压转换为必要的系统电压。首先必须给带有显示控制器及背光的TFT LCD显示器供电。用于给存储器及其他器件供电的主3.3V电源,一般要求能达到1A的较高电流;而用于给硬驱供电的主3.3V电源,则一般单独从主电源上产生,因为它需要由系统来单独控制,以便在不需要时停用以节省电池能量。处理引擎可能需要好几种超低内核电压(如1.2V或1.8V等);音频可能需要 用一个线性调整器作后续电源,以滤除来自开关调整器的噪声。在某些情况下,可能还需要产生用于USB的5V电压。
图2所示的电池充电器电路可管理几种输入源,如来自计算机及外设的USB端口与AC/DC墙式适配器等。单锂离子电池应用中的很多充电器IC,一般 都只能承受6V左右的输入电压,这要求对墙式电源进行调整,因为即使电源额定为5V输出,某些“廉价”变压器与桥式整流器电源的开路电压亦可超过10 V。但以下电路在适配器引脚(交流)上提供有额定18 V的输入电压,以保护系统免受直流电源线上过电压的冲击,并允许使用简单的不稳定墙式电源,而这种电源可采用低成本变压器及桥式整流器,从而进一步减少整 体系统成本。
图2所示电路将电池看成是通过充电器与系统相连的另一个直流电源,这使得充电IC可完全控制整个电流,并决定进入电池的实际充电电流以及由系统拽取 的电流。因此,在电池充电及系统运行时,不会发生不适当的充电端接。此外,该解决方案还具有动态功率管理功能,可在系统与电池之间分配可用直流输入功率。 如果系统电流增加,则电池充电电流会自动减少,从而满足整体功率预算,这有助于进一步减少成本。所有用于控制USB电源与AC/DC墙壁插座之间输入功率 管理的必要充电与切换晶体管,都集成在一块芯片上,从而可极大地简化充电器电路并消除昂贵且占用空间的外部器件。此外,充电器还能提供所有电池管理功能, 从而确保根据厂商提供的最长工作时间指标来对电池进行快速、精确及安全的充电。
为进一步改善电池管理,还可用电池容量计来精确确定电池的剩余容量。图1所示的库仑计芯片可测量进出电池的电量,并将其转换成以系统毫安小时 (mAh) 表示的电池容量等有用信息。这使得处理器能通过有效地部署省电模式来更好地管理功耗,并当电池需要充电时提醒最终用户。
媒体播放机中的电源转换主要采用开关DC/DC转换器,以提高电源转换效率——尤其当输出电流超过300mA甚至达到1A时。当用于电压调整时,线 性调整器一般被认为是一种小型及低成本解决方案,但在这些电流指标上,它们会由于功耗过高而要求使用庞大及昂贵的散热器件。这是由于供电时较大的输入-输 出差与输出电流所致,例如,从3.6V锂离子电池转换至1.2V电压等。线性稳压器仅能以33%的效率进行这种转换,这是消耗电池功率并产生热量的主要原 因,而DC/DC转换器却能很好地以高于90%的效率工作,只消耗LDO所消耗功率的一小部分。线性稳压器的另一个缺点是只能降压,而DC/DC稳压器则 既能升压又能降压。

图3:采用晶圆级芯片大小封装(WLCSP)的同步白LED驱动器
图3和图4是可满足显示器背光及处理器内核电源要求的高效电源转换器例子。目前,彩色显示器的逐渐普及,促使人们更多地将白光LED用于彩色显示器 背光。白光LED的正向压降可为2.5V与4.5V之间的任何值。今天的媒体播放机、PDA及智能电话的显示器尺寸,常常需要用多个白光LED来获得适当 的背光,这就要求连成一串的5个LED上的电压达到20V。图3显示一种带恒定LED电流调整及亮度控制的高效、电感型DC/DC升压调整器解决方案。
除了以高达80%的效率来驱动显示器背光外,图3所示解决方案还在空间节省方面有好几项创新。白光LED驱动器完全同步,这意味着DC/DC升压转 换器的典型二极管被一个集成到封装中的可控FET开关所取代,从而允许在关机期间将负载断开,以避免产生电池泄漏电流。精心设计的IC还允许使用1μF及 220nF的极小输入/输出电容。为减小占板空间,该器件还采用了管芯大小封装,从而使尺寸只有器件硅面积那么大,这能将器件的占板空间减小一半。通过 ILED引脚实现可设置LED亮度,而无须连续使用PWM、模拟信号。

图4:带小型器件与封装的高频3MHz DC/DC 转换器
为给编解码器引擎提供1.8V和500mA的内核电源,可使用另一个带集成FET的全集成同步DC/DC降压转换器,以优化效率并最大限度减少所使 用的外部器件数量。当输出电流大于300mA时,基于有电感的开关型DC/DC转换器常常能提供大的功率。与DC/DC控制器相比,全集成DC/DC转换 器可进行内部补偿,这意味着设计工程师既不需要选择外部晶体管、也不需要用昂贵及难以使用的设计软件来分析补偿与稳定条件。利用数据资料中给出的建议电感 值,选择器件是一件非常容易的事。
图4所示的DC/DC降压转换器解决方案展示了几种空间节省特点。由于两个开关晶体管均为集成,故电路只需要一个电感及两个4.7μF输入/输出电 容。一般地讲,开关频率最好大于1MHz,以便能使用小电感并限制对音频波段的干扰。但这种频率却足以对无线射频频段造成干扰。该器件拥有独特的控制架 构,可使电源对负载瞬变迅速做出反应,并保持很高的电压调整精度。更高的3MHz开关频率还可将电感值减小至1μH,从而允许使用低高度片状电感。与白光 LED驱动器类似,该器件也提供有管芯大小封装,可将IC尺寸减小一半。整个解决方案可安装至5mm×5mm空间中。为进一步减少功耗,图4所示的高级 DC/DC转换器还具有自动PFM/PWM模式转换功能,以提高对不同负载的转换效率。在低负载电流时,转换器进入脉冲频率调制 (PFM),而当负载电流超过50mA时,则采用脉宽调制 (PWM) 控制方案。
射频工程师养成培训教程套装,助您快速成为一名优秀射频工程师...
天线设计工程师培训课程套装,资深专家授课,让天线设计不再难...
上一篇:PMBus:电源系统的国际语言
下一篇:辅助电源对以太网供电(PoE)应用的扩展
射频和天线工程师培训课程详情>>

