- 易迪拓培训,专注于微波、射频、天线设计工程师的培养
复杂可编程逻辑器件(CPLD)在航空115V/400Hz高频链逆变电源中的应用
录入:edatop.com 点击:
航空配电系统所用115V/400Hz电源一般是由直流逆变所得,主要供军用飞机、雷达等设备使用。逆变电源中的能量转换过程是,直流电通过逆变电路变换成高频脉冲电压,经滤波电路形成正弦波。近来,高频链逆变技术引起了人们越来越浓的研究兴趣。高频链逆变技术用高频变压器来代替传统逆变器中笨重的工频变压器,大大减小了逆变器的体积和重量。高频链逆变技术是由Mr.Espelage于1977年提出的,它与常规的逆变技术最大的不同在于利用高频变压器实现了输入与输出的电气隔离,减小了变压器的体积和重量。
传统的高频链逆变器由常规数字电路构成,存在设计复杂、抗干扰能力差等缺点。为了解决该问题,本文采用复杂可编程逻辑器件(CPLD)来实现控制电路的设计。CPLD是在PAL、GAL的基础上发展起来的阵列型PLD,具有高密度、高速度的优点。本系统采用的是Altera公司MAX7000S系列的EPM7128SLC84-6可编程器件,该器件采用第二代多阵列矩阵结构,工作电压为5V,支持系统编程,工作频率可达151.5MHz,具有128个宏单元,每个宏单元中的可编程扩展乘积项可达32个,具有可编程加密位,可对芯片内的设计加密。
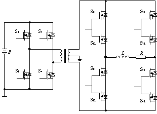
1 高频链逆变电源主电路结构
传统带隔离变压器的逆变电源由高频逆变器、整流器、PWM逆变器和输出滤波器组成,需要3级功率变换,存在通态损耗高,且只能单相功率传输等缺点。
图1所示为双向电压源高频链逆变器的原理图,该方案是目前实现双向传输功率的常用方案。前级电路由全桥移相控制电路和高频变压器组成,后级电路采用周波变换的交交变频器。高频链逆变器采用直流—高频交流—低频交流的电路拓扑,全桥移相控制电路通过软开关ZVS方式将直流电压斩波成不含低频成分的高频脉冲,通过高频变压器送入周波变换器,后者通过PDM方式将高频交流脉冲恢复为正弦脉宽调制波(SPWM),经过低通滤波器输出光滑的正弦波信号。因为该逆变器只有二级功率变换环节,并且可以做到两级的软开关控制,开关频率很高(100kHz),所以效率较高,体积较正弦脉宽脉位调制(SPWPM)方式的逆变器要小。

图1 主电路结构图
2 控制电路及控制策略
前级的移相变换器采用目前应用最广泛的软开关电路——移相全桥型零电压电路(ZVS),其原理是利用变压器漏感Llk和功率管输出电容Ci谐振,漏感储能在向Ci释放过程中,使Ci电压逐步下降到零,体二极管Di开通,创造了开关管的ZVS条件。为了改变占空比D,实现调压控制,采用了移相技术。每个桥臂的两个开关管成互补导通,两个桥臂的导通角相差一个相位,即移相角,通过调节移相角的大小来调节输出电压。S1和S2分别超前于S3和S4一个相位,称S1和S2组成的桥臂为超前桥臂,S3和S4组成的桥臂则为滞后桥臂。通过改变开关管控制策略,使其中一个开关管先关断,一次绕组与谐振电容配合,并产生可控的dv/dt。漏电感和功率MOSFET的输出电容构成了谐振网络,同时实现了ZVS控制。系统的脉冲工作时序如图2所示,经过全桥移相变换器的高频逆变,输出100kHz相邻脉冲互为反极性的SPWPM(正弦脉宽脉位调制)波,该波形含有SPWM波的全部信息,但不含400Hz调制波的基波成分,因而可以利用高频变压器进行耦合传输。后级的交交周波变换器采用脉冲密度调制方式,将高频交流SPWPM波调制常规的SPWM波,其原理是输出的电压波形是由输入的高频离散半周期脉冲数目或密度“拼凑”合成。将得到的400HzSPWM波通过LC滤波,则输出光滑的115V/400Hz的正弦波。

图2 主电路原理时序图
3 CPLD脉冲触发系统工作原理
整个系统采用闭环控制,控制算法上采用重复控制技术。通过DSP实现控制算法的调节,CPLD实现驱动信号的时序和逻辑控制。
系统整体电路框图如图3所示,控制电路包括DSP和CPLD两部分,输出电压反馈给控制电路,控制电路根据给定输入,相应调整前端逆变电路和后端周波变换电路的触发脉冲。逆变的移相控制电路的实现方法相对简单,图4是移相控制电路的实现方法,其中Ve为锯齿波载波信号,Vm1和Vm2为调制信号。当载波信号高于调制信号时,输出高电平;当载波信号低于调制信号时,输出低电平。由于移相控制的开关频率固定,且输出信号占空比为50%,因此将V1和V2信号的上升沿作为 触 发 信 号 , 进 行 二 分 频 , 则 可 以 获 得 开 关 管S1和S4的 驱 动 信 号vgs1和vgs4, 通 过 互 补 关 系 可 以 获 得S2和S3的 驱 动 信 号vgs2和vgs3。 本 部 分 的 功 能 通 过 CPLD来 实 现 , 由 Verliog编 程 获 得 。

图3 控制系统图
在电压型高频逆变电路中,周波变换器的换流问题成为研究的难点和关键。原因是如果强行关断功率管以实现换流,会在滤波电感中产生反向电动势。周波变换器电路PDM控制方式触发脉冲的产生是研究的重点。用传统的方法实现同步较困难,一般采用CPLD进行同步设计,其中的数字电路可以确保实现精确的同步控制。其控制逻辑框图如图5所示。图中同步信号由移相控制信号开环合成,vgs1表示超前桥臂S1开关的控制信号,延迟α1角,进行异或是为了得到与S1同步的二倍频信号S1″,再延迟α2角获得Vk1,它作为D触发器的时钟信号,将常规SPWM波转化为软化PWM波,Vk1二分频获得vgs1信号,它决定了双向开关切换时刻。
图4 移相触发脉冲波形图

图5 PDM触发控制电路
4 系统逻辑与时序功能验证实验
在本系统中,CPLD开发环境是MAXPLUSII,用Verliog对硬件进行编程。图6为时序仿真波形,其中CLK是CPLD系统时钟,vgs1是作为前端逆变电路和后端周波变换电路的同步信号,vgs1′是延迟α1角的信号,vgs1″是vgs1′与vgs1异或得到的,它作为D触发器的时钟信号,PWM是软化同步后的调制信号,vgs11是S11开关管的触发脉冲。其中vgs1和vgs1″不作为输出信号要求输出,只是为仿真调试方便列出。

图6 周波变换电路的仿真开关时序图
采用上述主电路结构和控制方式,研制了输出功率350W,输出频率400Hz,输出电压115V,开关频率100kHz的原理样机。图7给出的是前端移相全桥的输出波形,测试点是高频变压器的副边,波形与原理波形一致。因为高频变压器漏感的缘故,开通瞬间存在振荡电压尖峰。
图7 移相全挤电路输出波形图
图8是逆变器的输出波形,通过两级LC滤波,波形谐波畸变很小,满足指标要求。
图8 逆变器输出正弦波形图
5 结语
实验结果表明,该逆变电源输出波形质量好、运行可靠,满足性能指标要求,是较理想的变频电源。将CPLD用于航空逆变电源的控制电路,可以实现高集成度,高灵活性,具有较高的参考价值。
传统的高频链逆变器由常规数字电路构成,存在设计复杂、抗干扰能力差等缺点。为了解决该问题,本文采用复杂可编程逻辑器件(CPLD)来实现控制电路的设计。CPLD是在PAL、GAL的基础上发展起来的阵列型PLD,具有高密度、高速度的优点。本系统采用的是Altera公司MAX7000S系列的EPM7128SLC84-6可编程器件,该器件采用第二代多阵列矩阵结构,工作电压为5V,支持系统编程,工作频率可达151.5MHz,具有128个宏单元,每个宏单元中的可编程扩展乘积项可达32个,具有可编程加密位,可对芯片内的设计加密。
1 高频链逆变电源主电路结构
传统带隔离变压器的逆变电源由高频逆变器、整流器、PWM逆变器和输出滤波器组成,需要3级功率变换,存在通态损耗高,且只能单相功率传输等缺点。
图1所示为双向电压源高频链逆变器的原理图,该方案是目前实现双向传输功率的常用方案。前级电路由全桥移相控制电路和高频变压器组成,后级电路采用周波变换的交交变频器。高频链逆变器采用直流—高频交流—低频交流的电路拓扑,全桥移相控制电路通过软开关ZVS方式将直流电压斩波成不含低频成分的高频脉冲,通过高频变压器送入周波变换器,后者通过PDM方式将高频交流脉冲恢复为正弦脉宽调制波(SPWM),经过低通滤波器输出光滑的正弦波信号。因为该逆变器只有二级功率变换环节,并且可以做到两级的软开关控制,开关频率很高(100kHz),所以效率较高,体积较正弦脉宽脉位调制(SPWPM)方式的逆变器要小。

图1 主电路结构图
2 控制电路及控制策略
前级的移相变换器采用目前应用最广泛的软开关电路——移相全桥型零电压电路(ZVS),其原理是利用变压器漏感Llk和功率管输出电容Ci谐振,漏感储能在向Ci释放过程中,使Ci电压逐步下降到零,体二极管Di开通,创造了开关管的ZVS条件。为了改变占空比D,实现调压控制,采用了移相技术。每个桥臂的两个开关管成互补导通,两个桥臂的导通角相差一个相位,即移相角,通过调节移相角的大小来调节输出电压。S1和S2分别超前于S3和S4一个相位,称S1和S2组成的桥臂为超前桥臂,S3和S4组成的桥臂则为滞后桥臂。通过改变开关管控制策略,使其中一个开关管先关断,一次绕组与谐振电容配合,并产生可控的dv/dt。漏电感和功率MOSFET的输出电容构成了谐振网络,同时实现了ZVS控制。系统的脉冲工作时序如图2所示,经过全桥移相变换器的高频逆变,输出100kHz相邻脉冲互为反极性的SPWPM(正弦脉宽脉位调制)波,该波形含有SPWM波的全部信息,但不含400Hz调制波的基波成分,因而可以利用高频变压器进行耦合传输。后级的交交周波变换器采用脉冲密度调制方式,将高频交流SPWPM波调制常规的SPWM波,其原理是输出的电压波形是由输入的高频离散半周期脉冲数目或密度“拼凑”合成。将得到的400HzSPWM波通过LC滤波,则输出光滑的115V/400Hz的正弦波。

图2 主电路原理时序图
3 CPLD脉冲触发系统工作原理
整个系统采用闭环控制,控制算法上采用重复控制技术。通过DSP实现控制算法的调节,CPLD实现驱动信号的时序和逻辑控制。
系统整体电路框图如图3所示,控制电路包括DSP和CPLD两部分,输出电压反馈给控制电路,控制电路根据给定输入,相应调整前端逆变电路和后端周波变换电路的触发脉冲。逆变的移相控制电路的实现方法相对简单,图4是移相控制电路的实现方法,其中Ve为锯齿波载波信号,Vm1和Vm2为调制信号。当载波信号高于调制信号时,输出高电平;当载波信号低于调制信号时,输出低电平。由于移相控制的开关频率固定,且输出信号占空比为50%,因此将V1和V2信号的上升沿作为 触 发 信 号 , 进 行 二 分 频 , 则 可 以 获 得 开 关 管S1和S4的 驱 动 信 号vgs1和vgs4, 通 过 互 补 关 系 可 以 获 得S2和S3的 驱 动 信 号vgs2和vgs3。 本 部 分 的 功 能 通 过 CPLD来 实 现 , 由 Verliog编 程 获 得 。

图3 控制系统图
在电压型高频逆变电路中,周波变换器的换流问题成为研究的难点和关键。原因是如果强行关断功率管以实现换流,会在滤波电感中产生反向电动势。周波变换器电路PDM控制方式触发脉冲的产生是研究的重点。用传统的方法实现同步较困难,一般采用CPLD进行同步设计,其中的数字电路可以确保实现精确的同步控制。其控制逻辑框图如图5所示。图中同步信号由移相控制信号开环合成,vgs1表示超前桥臂S1开关的控制信号,延迟α1角,进行异或是为了得到与S1同步的二倍频信号S1″,再延迟α2角获得Vk1,它作为D触发器的时钟信号,将常规SPWM波转化为软化PWM波,Vk1二分频获得vgs1信号,它决定了双向开关切换时刻。
图4 移相触发脉冲波形图

图5 PDM触发控制电路
4 系统逻辑与时序功能验证实验
在本系统中,CPLD开发环境是MAXPLUSII,用Verliog对硬件进行编程。图6为时序仿真波形,其中CLK是CPLD系统时钟,vgs1是作为前端逆变电路和后端周波变换电路的同步信号,vgs1′是延迟α1角的信号,vgs1″是vgs1′与vgs1异或得到的,它作为D触发器的时钟信号,PWM是软化同步后的调制信号,vgs11是S11开关管的触发脉冲。其中vgs1和vgs1″不作为输出信号要求输出,只是为仿真调试方便列出。

图6 周波变换电路的仿真开关时序图
采用上述主电路结构和控制方式,研制了输出功率350W,输出频率400Hz,输出电压115V,开关频率100kHz的原理样机。图7给出的是前端移相全桥的输出波形,测试点是高频变压器的副边,波形与原理波形一致。因为高频变压器漏感的缘故,开通瞬间存在振荡电压尖峰。
图7 移相全挤电路输出波形图
图8是逆变器的输出波形,通过两级LC滤波,波形谐波畸变很小,满足指标要求。
图8 逆变器输出正弦波形图
5 结语
实验结果表明,该逆变电源输出波形质量好、运行可靠,满足性能指标要求,是较理想的变频电源。将CPLD用于航空逆变电源的控制电路,可以实现高集成度,高灵活性,具有较高的参考价值。
射频工程师养成培训教程套装,助您快速成为一名优秀射频工程师...
天线设计工程师培训课程套装,资深专家授课,让天线设计不再难...
上一篇:UPS输出功率因数的评价及测试方法
下一篇:正确地把电池串联和并联起来
射频和天线工程师培训课程详情>>

