- 易迪拓培训,专注于微波、射频、天线设计工程师的培养
军用混合集成DC/DC变换器
录入:edatop.com 点击:
1 引言
随着航天航空等电子工程系统小型化技术的发展,整机电源供电系统开始采用由混合集成DC/DC电源变换器构成的分布式供电设计方案,取代传统的由分立元器件组成的电源集中供电方式。军用混合集成DC/DC电源变换器以其体积小、重量轻、功率密度高、效率高、可靠性高等特点,被广泛用于军事电子控制系统。双路输出是DC/DC电源变换器常有的输出形式,通常,其输出有主副路之分,对双路输出的每路1有一定的要求,诸如双路输出负载平衡或副路加载时主路不能空载等要求,即存在所谓的交叉调整率问题,使双路输出DC/DC变换器的使用受到限制。而在一些特定的场合,要求DC/DC变换器双路输出没有主副路之分,相互独立输出。本文主要介绍低纹波双路输出DC/DC电源变换器的设计思想、实现方法及研究结果。
2 方案设计
根据双路独立输出的特殊要求,经过对双路输出DC/DC变换器拓扑进行深入分析研究,确定实现双路独立输出DC/DC变换器的电路方案。实现双路输出DC/DC变换器有以下4种电路方案,它们的电原理框图分别如图1、图2、图3、图4所示。

图1 方案1的电原理框图

图2 方案2的电原理框图

图3 方案3的电原理框图

图4 方案4的电原理框图
方案1是1路输出采用反馈实现稳压,另1路采用后稳压的电路拓扑结构;方案2是两路输出均采用后稳压的电路拓扑结构;方案3是两路输出的差值采样,经光耦隔离反馈,实现两路输出稳压的电路拓扑结构;方案4是两路输出的差值采样,经变压器隔离反馈,实现两路输出稳压的电路拓扑结构。
这4种方案的高频变压器输入侧部分电路形式基本相同,所不同的是输出反馈方式和路径。表1为4种方案的特点对比,从中可知方案2具有双路独立输出、交叉调整率为零的特点。

表1 4种方案的特点对比
3 电路设计
3.1 方案2的设计特点
方案2采用UC1825A双端输出PWM控制电路,功率开关采用双端推挽结构,输入滤波采用π型滤波器,启动电路采用串联线性稳压电路向UC1825A供电。在高频变压器输入侧把高频变压器的1路输出绕组整流滤波作为辅助电源,切换启动电路向UC1825A供电,辅助电源同时作为预稳压电路反馈到UC1825A控制电路的误差电压控制端,控制UC1825A的输出脉冲宽度,构成UC1825A、功率开关、高频变压器、辅助电源及预稳压电路的闭环控制回路,实现辅助电源的稳压控制,从而实现输入电压Vi变化时正负双路输出的预稳压控制。正负两路输出均采用全波整流、两级LC滤波,并分别采用1个串联线性稳压器,实现负载变化时低纹波输出电压的稳压控制。
方案2是自主设计开发的,国内外目前尚未见到此种DC/DC变换器设计方案的报道。
3.2 控制回路设计
在高频变压器输入侧增设1个次级绕组,该次级绕组电压经整流滤波后,取样反馈到UC1825A控制电路误差放大器的反相输入端,构成闭环控制回路,使输入电压变化时该次级绕组电压稳定不变。
闭环控制回路的稳定性是整个DC/DC变换器系统正常工作必不可少的条件。由于存在滤波电感、电容相移环节,经过取样、放大、比较、脉宽调制后,就会在某个频率上满足回路增益A>1、正反馈的条件,造成闭环回路的不稳定。因此必须加入适当的校正环节,使闭环回路稳定工作。图5为在误差放大器的输入端加入校正网络,在误差放大器输入、输出之间加入校正网络构成比例积分有源校正电路的等效闭环回路。

图5 等效闭环控制回路
图6为闭环回路的幅频、相频特性示意图。由此图可知,在低频段,环路增益较高,有利于降低稳态误差,在高频段,环路增益降低,回路有充分的相位余量,有利于闭环回路稳定工作。闭环回路的相位余量为100°,因此闭环回路工作是非常稳定的。
3.3 低输出纹波电压设计
选用肖特基整流管,减小整流管反向恢复时间造成的输出纹波电压尖 峰;优化功率变压器结构设计,减小变压器初级漏感;采用合适的RC吸收网络,减小功率开关管的电压尖峰;采用两级LC滤波技术,合理选用输出滤波电感器、电容器,达到降低输出纹波电压的目的,使输出纹波电压典型值为10mV(峰峰值)。

图6 环路幅频和相频特性
3.4高转换效率设计
转换效率是混合集成DC/DC电源变换器长期高可靠工作的重要指标。在电路设计中,提高转换效率、减少热源热量的产生尤为重要。经合理设计开关频率,合理选用功率开关器件和整流二级管,精心设计功率开关器件的驱动脉冲上升沿时间,精心设计高频变压器的各绕组匝数和线径,采用电流互感器检测电流反馈信号实现过流保护,使转换效率达85%以上。
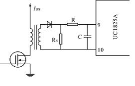
在大功率DC/DC电源模块中,采用电流互感器检测输入侧电流反馈信号实现过流保护,可减小电流检测电路的损耗,提高效率。图7为电流互感器检测电流反馈信号的电原理图。

图7 电流互感器检测电流反馈信号的电原理图
4 可靠性设计
采用降额设计技术,对VDMOS功率开关管、肖特基整流管、功率变压器等电应力和热应力较大的元器件进行降额设计。
VDMOS功率开关管的降额设计主要是对VDMOS功率开关管的源漏导通电流IDS、源漏击穿电压BVDS进行降额设计,应符合I级降额设计要求。
肖特基整流管的降额设计主要是对肖特基整流管正向平均电源ID、反向电压BVR进行降额设计,应符合I级降额设计要求。
功率变压器的降额设计主要是对功率变压器在常温、高温(125℃)时的最高工作磁通密度Bm进行降额设计,应符合I级降额设计要求。
采用分片式版图设计,大面积采用厚膜Al2O3陶瓷基板,局部用高导热率的BeO陶瓷作为主要热源器件VDMOS开关功率管IRFC230和肖特基整流二极管8TQ100的基板,将主变压器PC40P18/11Z和输出滤波电感器PC40P18/11A250直接粘结在金属底座上,并使以上热源元器件均匀地分布在管座四周边缘,减少对非热源元器件的影响,保证热分布均匀,热梯度小,避免热量集中、出现局部过热点,以利于电路内部向外界散热。
在电路设计中,增加输出过流保护设计,提高电路的可靠性。
在电路设计中提高转换效率、减少功耗、减少热源热量的产生,减少电路内部温升,提高电路的可靠性。在工艺制作中采用导热性能好的冷轧钢金属管壳,采用厚膜Al2O3陶瓷基板、BeO陶瓷基板,采用再流焊、烧结低热阻工艺技术,降低各级热阻,减少电路内部温升,提高电路的可靠性。
采用再流焊工艺将输入滤波陶瓷电容器和输出滤波钽电容器等体积较大的元件粘贴在Al2O3基板上,并用环氧树脂对这些体积较大的元件进行加固处理,增强电路的抗机械冲击性能。
采用干燥氮气保护下的无应力平行封焊管壳封装工艺,水汽等残余气体含量极少,封装气密性好,避免封装对Al2O3、BeO陶瓷基板造成的机械应力,避免产生多余物,保证可靠性指标要求。
5 研究结果
根据以上设计思想,设计实现了双路独立输出±15V/1.5A(45W)混合集成DC/DC变换器HB2815D45。该产品通过了环境温度+85℃高温满载功率老化、变频振动(加电监测)等质量一致性检验考核,其性能指标及质量等级达到军用G类DC/DC电源变换器水平,在设计定型时被一致认为“达到国际先进水平”。表2为HB2815D45与Interpoint公司生产的MTW2815D的性能对照表。

表2 HB2815D45与 MTW2815D的 性能指标对照
随着航天航空等电子工程系统小型化技术的发展,整机电源供电系统开始采用由混合集成DC/DC电源变换器构成的分布式供电设计方案,取代传统的由分立元器件组成的电源集中供电方式。军用混合集成DC/DC电源变换器以其体积小、重量轻、功率密度高、效率高、可靠性高等特点,被广泛用于军事电子控制系统。双路输出是DC/DC电源变换器常有的输出形式,通常,其输出有主副路之分,对双路输出的每路1有一定的要求,诸如双路输出负载平衡或副路加载时主路不能空载等要求,即存在所谓的交叉调整率问题,使双路输出DC/DC变换器的使用受到限制。而在一些特定的场合,要求DC/DC变换器双路输出没有主副路之分,相互独立输出。本文主要介绍低纹波双路输出DC/DC电源变换器的设计思想、实现方法及研究结果。
2 方案设计
根据双路独立输出的特殊要求,经过对双路输出DC/DC变换器拓扑进行深入分析研究,确定实现双路独立输出DC/DC变换器的电路方案。实现双路输出DC/DC变换器有以下4种电路方案,它们的电原理框图分别如图1、图2、图3、图4所示。

图1 方案1的电原理框图

图2 方案2的电原理框图

图3 方案3的电原理框图

图4 方案4的电原理框图
方案1是1路输出采用反馈实现稳压,另1路采用后稳压的电路拓扑结构;方案2是两路输出均采用后稳压的电路拓扑结构;方案3是两路输出的差值采样,经光耦隔离反馈,实现两路输出稳压的电路拓扑结构;方案4是两路输出的差值采样,经变压器隔离反馈,实现两路输出稳压的电路拓扑结构。
这4种方案的高频变压器输入侧部分电路形式基本相同,所不同的是输出反馈方式和路径。表1为4种方案的特点对比,从中可知方案2具有双路独立输出、交叉调整率为零的特点。

表1 4种方案的特点对比
3 电路设计
3.1 方案2的设计特点
方案2采用UC1825A双端输出PWM控制电路,功率开关采用双端推挽结构,输入滤波采用π型滤波器,启动电路采用串联线性稳压电路向UC1825A供电。在高频变压器输入侧把高频变压器的1路输出绕组整流滤波作为辅助电源,切换启动电路向UC1825A供电,辅助电源同时作为预稳压电路反馈到UC1825A控制电路的误差电压控制端,控制UC1825A的输出脉冲宽度,构成UC1825A、功率开关、高频变压器、辅助电源及预稳压电路的闭环控制回路,实现辅助电源的稳压控制,从而实现输入电压Vi变化时正负双路输出的预稳压控制。正负两路输出均采用全波整流、两级LC滤波,并分别采用1个串联线性稳压器,实现负载变化时低纹波输出电压的稳压控制。
方案2是自主设计开发的,国内外目前尚未见到此种DC/DC变换器设计方案的报道。
3.2 控制回路设计
在高频变压器输入侧增设1个次级绕组,该次级绕组电压经整流滤波后,取样反馈到UC1825A控制电路误差放大器的反相输入端,构成闭环控制回路,使输入电压变化时该次级绕组电压稳定不变。
闭环控制回路的稳定性是整个DC/DC变换器系统正常工作必不可少的条件。由于存在滤波电感、电容相移环节,经过取样、放大、比较、脉宽调制后,就会在某个频率上满足回路增益A>1、正反馈的条件,造成闭环回路的不稳定。因此必须加入适当的校正环节,使闭环回路稳定工作。图5为在误差放大器的输入端加入校正网络,在误差放大器输入、输出之间加入校正网络构成比例积分有源校正电路的等效闭环回路。

图5 等效闭环控制回路
图6为闭环回路的幅频、相频特性示意图。由此图可知,在低频段,环路增益较高,有利于降低稳态误差,在高频段,环路增益降低,回路有充分的相位余量,有利于闭环回路稳定工作。闭环回路的相位余量为100°,因此闭环回路工作是非常稳定的。
3.3 低输出纹波电压设计
选用肖特基整流管,减小整流管反向恢复时间造成的输出纹波电压尖 峰;优化功率变压器结构设计,减小变压器初级漏感;采用合适的RC吸收网络,减小功率开关管的电压尖峰;采用两级LC滤波技术,合理选用输出滤波电感器、电容器,达到降低输出纹波电压的目的,使输出纹波电压典型值为10mV(峰峰值)。

图6 环路幅频和相频特性
3.4高转换效率设计
转换效率是混合集成DC/DC电源变换器长期高可靠工作的重要指标。在电路设计中,提高转换效率、减少热源热量的产生尤为重要。经合理设计开关频率,合理选用功率开关器件和整流二级管,精心设计功率开关器件的驱动脉冲上升沿时间,精心设计高频变压器的各绕组匝数和线径,采用电流互感器检测电流反馈信号实现过流保护,使转换效率达85%以上。
在大功率DC/DC电源模块中,采用电流互感器检测输入侧电流反馈信号实现过流保护,可减小电流检测电路的损耗,提高效率。图7为电流互感器检测电流反馈信号的电原理图。

图7 电流互感器检测电流反馈信号的电原理图
4 可靠性设计
采用降额设计技术,对VDMOS功率开关管、肖特基整流管、功率变压器等电应力和热应力较大的元器件进行降额设计。
VDMOS功率开关管的降额设计主要是对VDMOS功率开关管的源漏导通电流IDS、源漏击穿电压BVDS进行降额设计,应符合I级降额设计要求。
肖特基整流管的降额设计主要是对肖特基整流管正向平均电源ID、反向电压BVR进行降额设计,应符合I级降额设计要求。
功率变压器的降额设计主要是对功率变压器在常温、高温(125℃)时的最高工作磁通密度Bm进行降额设计,应符合I级降额设计要求。
采用分片式版图设计,大面积采用厚膜Al2O3陶瓷基板,局部用高导热率的BeO陶瓷作为主要热源器件VDMOS开关功率管IRFC230和肖特基整流二极管8TQ100的基板,将主变压器PC40P18/11Z和输出滤波电感器PC40P18/11A250直接粘结在金属底座上,并使以上热源元器件均匀地分布在管座四周边缘,减少对非热源元器件的影响,保证热分布均匀,热梯度小,避免热量集中、出现局部过热点,以利于电路内部向外界散热。
在电路设计中,增加输出过流保护设计,提高电路的可靠性。
在电路设计中提高转换效率、减少功耗、减少热源热量的产生,减少电路内部温升,提高电路的可靠性。在工艺制作中采用导热性能好的冷轧钢金属管壳,采用厚膜Al2O3陶瓷基板、BeO陶瓷基板,采用再流焊、烧结低热阻工艺技术,降低各级热阻,减少电路内部温升,提高电路的可靠性。
采用再流焊工艺将输入滤波陶瓷电容器和输出滤波钽电容器等体积较大的元件粘贴在Al2O3基板上,并用环氧树脂对这些体积较大的元件进行加固处理,增强电路的抗机械冲击性能。
采用干燥氮气保护下的无应力平行封焊管壳封装工艺,水汽等残余气体含量极少,封装气密性好,避免封装对Al2O3、BeO陶瓷基板造成的机械应力,避免产生多余物,保证可靠性指标要求。
5 研究结果
根据以上设计思想,设计实现了双路独立输出±15V/1.5A(45W)混合集成DC/DC变换器HB2815D45。该产品通过了环境温度+85℃高温满载功率老化、变频振动(加电监测)等质量一致性检验考核,其性能指标及质量等级达到军用G类DC/DC电源变换器水平,在设计定型时被一致认为“达到国际先进水平”。表2为HB2815D45与Interpoint公司生产的MTW2815D的性能对照表。

表2 HB2815D45与 MTW2815D的 性能指标对照
射频工程师养成培训教程套装,助您快速成为一名优秀射频工程师...
天线设计工程师培训课程套装,资深专家授课,让天线设计不再难...
上一篇:直流系统高频开关电源与相控电源比较
下一篇:双电源信号电平转换的优势
射频和天线工程师培训课程详情>>

