- 易迪拓培训,专注于微波、射频、天线设计工程师的培养
基于绝缘电阻测试仪的高压电源设计
录入:edatop.com 点击:
绝缘电阻测试仪的前身是兆欧表,它是一种专门用来测量变压器、电动机、电缆等电气设备绝缘电阻的专用仪表。通过绝缘电阻的测量可以判断内部绝缘材料是否受潮,或外绝缘表面是否有缺陷。这种绝缘电阻的测量原理就是在绝缘系统上加直流高压,来测量产生的泄漏电流,从而计算出绝缘电阻值。本文用产生固定频率的方波,而后经变压器升压,再倍压整流成高压直流,最后经过带过流保护的高压稳压器稳压后,将这两路电源串联起来实现2500 V的高压稳压源设计,从而降低了变压器的制作难度。
1 绝缘电阻测试系统硬件结构
绝缘电阻测试系统主要由高压电源、AD变换电路、微处理器电路、显示器电路等组成。图l所示是系统的结构框图。文中主要讲述高压电源部分的设计。

2 直流高压产生电路设计
2.1 开关电源工作原理
系统开关电源的供电电压为12 V,采用推挽电路,其开关管的栅极在激励方波信号控制下交替导通与截止,12 V直流电压变换成高频方波后,交替加在升压变压器的两个原边,相当于一个半峰值12 V的交变方波加在变压器的原边上,之后在次边按匝数比变换为高压方波。

2.2 高压产生电路设计
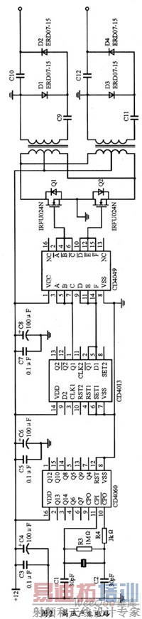
本系统的高压产生电路如图2所示。各芯片电源电压统一为12 V。系统采用CD4060和石英晶体来产生3.6864 MHz的方波,再经过32分频后将115.2 kHz信号输入到CD4013的D触发器。然后通过两分频产生相位相差180°的57.6 kHz信号,来确保驱动波形的对称性,且不会有直流分量。最后再输出给并联连接的CD4049。由于场效应管的栅源电容一般较大,因此需要大的驱动电流减小充放电时间来提高驱动场效应管栅极能力。CD4060和CD4049的输出端波形如图3所示。

系统设计中需要产生2500 V的直流高压,而通常的场效应管最大耐压在1500 V,因此本设计先产生1400 V的电压,再经高压稳压器稳压后得到稳定的1250 V电压,最后将两组电路串联,就得到所需的2500 V直流高压。因此采用这种倍压整流的方法,变压器副边只需输出700 V,可降低变压器副边的绕制难度。
在倍压整流电路中,由于输出电压很大,因此要使用耐压高的瓷片电容和快恢复二极管,本系统选用103 M/3000 V的高压瓷片电容。
2.3变压器的设计
(1)变压器线圈的缠绕方法
由于电路采用的是推挽方式升压电路,因此变压器原边应带有中间抽头,又由于原边电压低,这里采用双线并绕的方法,将同名端和非同名端串接来引出中心抽头,这样有助于原边两个绕组的平衡和减小漏感。设计中将采用次边绕在骨架各个分格中的方法来增加爬电距离。
(2)变压器的参数选择
①变压器变比的确定
由于方波输出,占空比为0.5,开关频率是57.6 kHz,因此在输入电压为12 V时,应保证输出电压达到700 V,因此变比n可由正式得出:

可得变压器比n=N2/N1=58.3,考虑到实际电路会有功率管和整流二极管的管压降,可以选取变比n=60。
②磁芯的选取
根据公式:

j——电流密度,一般情况下,选取300~500A/cm2;
Kc——磁芯的填充系数,对于铁氧体Kc=1;
Ku——铜的填充系数,Ku与导线线径、绕制的工艺及绕组数量等有关,一般为0.1~0.5左右。
上式中各个参数的单位是:P0→W,Ae→cm2,Aw→cm2,Bm→Gs,j→A/cm2。取P0=15 W,η=90%,选用MXO-2000铁氧体材料,其饱和磁通密度Bs=4000 Gs,使用时为防止出现磁饱和,可取磁通密度Bm=2500 Gs,其有效磁芯截面积Ae为0.224 cm2,窗口面积Aw为0.5315 cm2,Kc=1,Ku=0.3,j=300 A/cm2。
由公式(2)计算得:

对照EE19磁芯的AeAw=0.119 cm4,因此设计中选择EE19磁芯。
③匝数的设计
因此设计中可取原边单绕组为10匝,根据变比要求,取副边单绕组匝数为600匝。即变压器的绕组匝数为:10:10:600。
④绕组的设计
由于导线中流过交变电流时会产生集肤效应,从而使导线有效截面积减少,电阻增大。因此当开关频率为57.6 kHz时,穿透深度△可由下式计算出:

由此可得出△为0.2755 m,导线线径应小于穿透深度的两倍。
由于漏感和分布电容的存在,在两个VMOS导通状态切换后会产生振荡,从而导致变压器空载时输出电压很高,设计中可在变压器副边并联一个电阻阻尼以减小空载时的输出电压,同时适当减少匝数比。
3稳压电路设计
为了得到稳定的高压,系统设计了带有过流保护的稳压电路。先将输出电压采样反馈到运放的正输入端,再与负输入端的基准电压比较后来控制后级电路的状态。从而达到系统自动调节电压的目的。系统电连接图如图4所示。
运放在设计中采用单电源工作方式,用作差分放大器,可将部分输出电压和精确的+5 V参考电压进行比较。而+5 V基准电压源可采用LP2951,它具有低的静态电流和低的压差电压,因此在压差条件下静态电流仅有微小的增加,可以延长使用寿命。另外,5 V基准电压也可作为后续测量电路的工作电源,可实现电源的统一。
系统中如果输出电压HV是1250 V,后经R6和R7分压为5 V,这样运放的同相输入端电压与LP2951的输出电压相同,电阻R1上也就没有电流流过,因此运放构成的比例积分器输出电压维持不变,电路处于稳定的状态。
但如果由于某种原因导致输出电压HV低于1250 V,那么分压后运放的同相输入端电压就低于LP2951的输出电压,于是R1上流过的电流经积分器积分使其输出电压(Q3的栅极电压)变低,漏极电压(Q4的栅极电压)变高,从而导致Q4的源极电压(稳压器的输出电压)变高,直至输出电压达到1250 V,积分器不再积分,电路才恢复稳定状态。
如果由于某种原因导致输出电压HV高于1250 V,原理类似,最后电路还会恢复稳定状态。
设计中D5和Q5在电路中起保护作用。当Q3快速下拉其漏极电流时,为防止Q4的栅极电压低于源极电压太多而损坏管子,可使用二极管D5将此电压限制在-0.7 V。三极管Q5在系统正常工作时不启动,当电流过大时,电阻R5上的压降大于开启电压,三极管导通,从而减小Q4的栅源电压,也就减小了输出电压,因此限制输出电流的增加可起到过流保护作用。
电路中,B4并联一个电容C14,用以减小对高频信号的阻抗,相当于微分,这样信号上升速度加快,可以提高响应速度;R8串联电容C17,用于滤波,以提高输出电压的稳定性。Q3、Q4选择的是2SK1412场效应管,耐压1500 V,电流0.1 A,功率20 W,可以满足系统要求。
系统中使用了比例积分环节,由于单纯比例调节存在静态误差,一旦被调节量偏差不存在,输出也就为零,即调节作用是以偏差的存在作为前提条件,而且比例环节惯性也较大。而且单纯的积分调节过于延缓,在改善静态误差准确度的同时,往往使系统的动态品质变坏,过渡过程时间延长,甚至造成系统不稳定。因此系统采用了比例积分调节,从而克服了单纯比例环节有调节误差的缺点,又避免了积分环节反应慢的弱点,同时改善了系统的稳定性和动态性能。
4 结束语
本文设计的高压产生电路,结构简单、易于调节,稳压电路采用了负反馈,具有自动调节电压的功能,同时带有过电流保护功能,因此可作为绝缘电阻测试仪的高压电源。
1 绝缘电阻测试系统硬件结构
绝缘电阻测试系统主要由高压电源、AD变换电路、微处理器电路、显示器电路等组成。图l所示是系统的结构框图。文中主要讲述高压电源部分的设计。

2 直流高压产生电路设计
2.1 开关电源工作原理
系统开关电源的供电电压为12 V,采用推挽电路,其开关管的栅极在激励方波信号控制下交替导通与截止,12 V直流电压变换成高频方波后,交替加在升压变压器的两个原边,相当于一个半峰值12 V的交变方波加在变压器的原边上,之后在次边按匝数比变换为高压方波。

2.2 高压产生电路设计
本系统的高压产生电路如图2所示。各芯片电源电压统一为12 V。系统采用CD4060和石英晶体来产生3.6864 MHz的方波,再经过32分频后将115.2 kHz信号输入到CD4013的D触发器。然后通过两分频产生相位相差180°的57.6 kHz信号,来确保驱动波形的对称性,且不会有直流分量。最后再输出给并联连接的CD4049。由于场效应管的栅源电容一般较大,因此需要大的驱动电流减小充放电时间来提高驱动场效应管栅极能力。CD4060和CD4049的输出端波形如图3所示。

系统设计中需要产生2500 V的直流高压,而通常的场效应管最大耐压在1500 V,因此本设计先产生1400 V的电压,再经高压稳压器稳压后得到稳定的1250 V电压,最后将两组电路串联,就得到所需的2500 V直流高压。因此采用这种倍压整流的方法,变压器副边只需输出700 V,可降低变压器副边的绕制难度。
在倍压整流电路中,由于输出电压很大,因此要使用耐压高的瓷片电容和快恢复二极管,本系统选用103 M/3000 V的高压瓷片电容。
2.3变压器的设计
(1)变压器线圈的缠绕方法
由于电路采用的是推挽方式升压电路,因此变压器原边应带有中间抽头,又由于原边电压低,这里采用双线并绕的方法,将同名端和非同名端串接来引出中心抽头,这样有助于原边两个绕组的平衡和减小漏感。设计中将采用次边绕在骨架各个分格中的方法来增加爬电距离。
(2)变压器的参数选择
①变压器变比的确定
由于方波输出,占空比为0.5,开关频率是57.6 kHz,因此在输入电压为12 V时,应保证输出电压达到700 V,因此变比n可由正式得出:

可得变压器比n=N2/N1=58.3,考虑到实际电路会有功率管和整流二极管的管压降,可以选取变比n=60。
②磁芯的选取
根据公式:

j——电流密度,一般情况下,选取300~500A/cm2;
Kc——磁芯的填充系数,对于铁氧体Kc=1;
Ku——铜的填充系数,Ku与导线线径、绕制的工艺及绕组数量等有关,一般为0.1~0.5左右。
上式中各个参数的单位是:P0→W,Ae→cm2,Aw→cm2,Bm→Gs,j→A/cm2。取P0=15 W,η=90%,选用MXO-2000铁氧体材料,其饱和磁通密度Bs=4000 Gs,使用时为防止出现磁饱和,可取磁通密度Bm=2500 Gs,其有效磁芯截面积Ae为0.224 cm2,窗口面积Aw为0.5315 cm2,Kc=1,Ku=0.3,j=300 A/cm2。
由公式(2)计算得:

对照EE19磁芯的AeAw=0.119 cm4,因此设计中选择EE19磁芯。
③匝数的设计
因此设计中可取原边单绕组为10匝,根据变比要求,取副边单绕组匝数为600匝。即变压器的绕组匝数为:10:10:600。
④绕组的设计
由于导线中流过交变电流时会产生集肤效应,从而使导线有效截面积减少,电阻增大。因此当开关频率为57.6 kHz时,穿透深度△可由下式计算出:

由此可得出△为0.2755 m,导线线径应小于穿透深度的两倍。
由于漏感和分布电容的存在,在两个VMOS导通状态切换后会产生振荡,从而导致变压器空载时输出电压很高,设计中可在变压器副边并联一个电阻阻尼以减小空载时的输出电压,同时适当减少匝数比。
3稳压电路设计
为了得到稳定的高压,系统设计了带有过流保护的稳压电路。先将输出电压采样反馈到运放的正输入端,再与负输入端的基准电压比较后来控制后级电路的状态。从而达到系统自动调节电压的目的。系统电连接图如图4所示。
运放在设计中采用单电源工作方式,用作差分放大器,可将部分输出电压和精确的+5 V参考电压进行比较。而+5 V基准电压源可采用LP2951,它具有低的静态电流和低的压差电压,因此在压差条件下静态电流仅有微小的增加,可以延长使用寿命。另外,5 V基准电压也可作为后续测量电路的工作电源,可实现电源的统一。
系统中如果输出电压HV是1250 V,后经R6和R7分压为5 V,这样运放的同相输入端电压与LP2951的输出电压相同,电阻R1上也就没有电流流过,因此运放构成的比例积分器输出电压维持不变,电路处于稳定的状态。
但如果由于某种原因导致输出电压HV低于1250 V,那么分压后运放的同相输入端电压就低于LP2951的输出电压,于是R1上流过的电流经积分器积分使其输出电压(Q3的栅极电压)变低,漏极电压(Q4的栅极电压)变高,从而导致Q4的源极电压(稳压器的输出电压)变高,直至输出电压达到1250 V,积分器不再积分,电路才恢复稳定状态。
如果由于某种原因导致输出电压HV高于1250 V,原理类似,最后电路还会恢复稳定状态。
设计中D5和Q5在电路中起保护作用。当Q3快速下拉其漏极电流时,为防止Q4的栅极电压低于源极电压太多而损坏管子,可使用二极管D5将此电压限制在-0.7 V。三极管Q5在系统正常工作时不启动,当电流过大时,电阻R5上的压降大于开启电压,三极管导通,从而减小Q4的栅源电压,也就减小了输出电压,因此限制输出电流的增加可起到过流保护作用。
电路中,B4并联一个电容C14,用以减小对高频信号的阻抗,相当于微分,这样信号上升速度加快,可以提高响应速度;R8串联电容C17,用于滤波,以提高输出电压的稳定性。Q3、Q4选择的是2SK1412场效应管,耐压1500 V,电流0.1 A,功率20 W,可以满足系统要求。
系统中使用了比例积分环节,由于单纯比例调节存在静态误差,一旦被调节量偏差不存在,输出也就为零,即调节作用是以偏差的存在作为前提条件,而且比例环节惯性也较大。而且单纯的积分调节过于延缓,在改善静态误差准确度的同时,往往使系统的动态品质变坏,过渡过程时间延长,甚至造成系统不稳定。因此系统采用了比例积分调节,从而克服了单纯比例环节有调节误差的缺点,又避免了积分环节反应慢的弱点,同时改善了系统的稳定性和动态性能。
4 结束语
本文设计的高压产生电路,结构简单、易于调节,稳压电路采用了负反馈,具有自动调节电压的功能,同时带有过电流保护功能,因此可作为绝缘电阻测试仪的高压电源。
射频工程师养成培训教程套装,助您快速成为一名优秀射频工程师...
天线设计工程师培训课程套装,资深专家授课,让天线设计不再难...
上一篇:移相全桥DC/DC变换器双闭环控制系统设计
下一篇:2KW有源功率因数校正电路设计
射频和天线工程师培训课程详情>>

