- 易迪拓培训,专注于微波、射频、天线设计工程师的培养
2KW有源功率因数校正电路设计
录入:edatop.com 点击:
1 引言
目前家用电器的功率前级多采用二极管全桥整流方式,这会造成电网谐波污染,功率因数下降,无功分量主要为高次谐波,其中三次谐波幅度约为基波幅度的95%,五次谐波幅度约为基波幅度的70%.七次谐波幅度约为基波幅度的45%。高次谐波会对电网造成危害,使用电设备的输入端功率因数下降,而且产生很强的电磁干扰(EMI),对电网和其他用电设备的安全运行造成潜在危害。
有源功率因数校正电路(Active Power Factor Corrector,APFC)可将电源的输入电流变换为与输入市电同相位的正弦波,从而提高电器设备的功率因数,减少对电网的谐波污染。理论上,降压式(Buck)、升压式(Boost)、升/降压式(Boost-Buck)以及反激式(Flyback)等变换器拓扑都可作为APFC的主电路。其中,Boost APFC是简单电流型控制,功率因数值高,总谐波失真小,效率高,但输出电压高于输入电压,适用于75~2 000 W功率电源,应用广泛。因为升压式APFC的电感电流连续,储能电感可作为滤波器抑制射频干扰(RFI)和EMI噪声,并防止电网对主电路的高频瞬态冲击.电路有升压斩波电路,输出电压大于输入电压峰值,电源允许的输入电压范围扩大,通常可达90~270 V,提高电源的适应性,且升压式APFC控制简单,适用的功率范围宽。因此,这里提出了一种基于Boost电路拓扑,以TDA16888为控制核心的2 kW有源功率因数校正电路,该电路可将功率因数提高到O.99以上。
2 Boost APFC电路原理
常用于实现Boost APFC的控制方法有以下3种:
(1)电流峰值控制 开关频率固定,工作在电流连续模式(CCM)下,采用Boost电路结构,通过检测开关电流控制。该方法电感电流的峰值(控制的基准)对噪声敏感,容易产生控制误差。
(2)电流滞环控制 开关频率可变,工作在CCM下,采用Boost电路结构,通过检测电感电流控制。该方法的负载大小对开关频率的影响较大,由于开关频率的变化幅度大,设计输出滤波器时,需按最低开关频率考虑,故难以得到体积和重量最小的设计。
(3)平均电流控制 开关频率固定,工作模式任意,通过检测电感电流控制,需要放大电流误差信号。这种方法的工频电流的峰值是高频电流的平均值,高频电流的峰值比工频电流的峰值更高,总谐波畸变(THD)很小,对噪声不敏感,电感电流峰值与平均值之间的误差小,可工作于CCM和DCM模式下,适合于任何拓扑。
综合考虑,本设计采用电压电流双闭环的平均电流控制模式,图1为其原理图。

图1中,检测到电感电流iL,则得到信号iLR1,将该信号送入电流误差放大器CA中,电流基准值由乘法器输出z,乘法器有两个输入,一个为x,是输出电压Vo/H与基准电压Vref之间的误差信号;另一个输入y,为电压DC的检测值VDC/K,VDC为输入正弦电压的全波整流值。
平均电流法的电流环调节输入电流平均值,使其与输入整流电压同相位,接近正弦波形。输入电流信号被直接检测,与基准电流比较后.其高频分量的变化通过电流误差放大器,被平均化处理。放大后的平均电流误差与锯齿波斜坡比较后,给开关Tr驱动信号,并决定其占空比,从而迅速而精确地校正电流误差。由于电流环具有较高的增益一带宽(gain-banelwidth),使跟踪误差产生的畸变小于1%,容易实现接近于1的功率因数。校正后的输入电压Vi、电流ii的波形如图2所示。

3 APFC电路设计
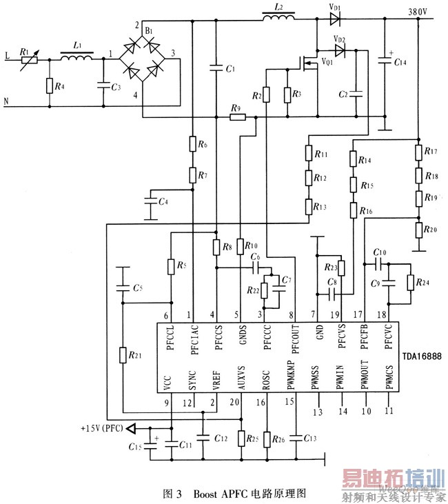
这里采用Siemens公司的PFC控制器件TDA16888设计APFC电路。设计的主要指标参数有:交流输入电压为90~220 V;直流输出电压为380 V;输出功率高于2 kW;功率因数大于0.99;变换器效率高于90%。Boost APFC电路原理图如图3所示。

主回路采用Boost电路结构,主要由电感L2,二极管VD1、VD2,开关管VQ1,输出主线滤波电容C14组成。输入电路由滤波电感L1、滤波电容C1、整流桥B1、压敏电阻R4、热敏电阻R1组成。L11和C3构成滤波网络。控制电路由TDA16888及其外部元件组成,外围电路包括电流检测电路(由R9组成),输入电压取样电路(由R6、R7组成),输出电压反馈电路(由R17、R18、R19和R20组成),反馈回路为PI控制器,电压环PI控制器由C9、C10、R24组成,电流环PI控制器由C6、C7、R22组成。控制器工作频率由电阻R26决定,R26值越大,则其工作频率越小,R26取值51 kΩ,工作频率为100 kHz。
根据功率要求,功率电路的功率器件选择如下:Boost电感L2取值470μH;开关管VQ1为IRFP460,其主要参数为:漏-源极最小击穿电压500 V,漏-源极的最大导通电阻为O.27 Ω,最大导通电流20 A;整流二极管VD1选取肖特基二极管STFA806,其主要参数为:反向工作电压600 V,正向平均工作电流8 A。输出电容C14取值2 200μF/450 V。

4 试验结果
在负载为2 kW时PFC电路的工作波形如图4~图5所示。图4为交流输入端电压、电流波形及电流谐波分析,图中交流输入端电压波形通道为4、电流波形通道为3,电流的谐波分析结果为D。由图4可看出,加入PFC电路后,交流输入电流波形由窄脉冲变为正弦波,与输入电压同相,Boost变换器近似为纯电阻,输入电流总谐波量为4.5%。图5为开关驱动波形与电路的输入电流波形。示波器通道1为开关管的驱动波形.通道2为输入电流波形,由图5可见,输入电流经有源功率因数校正器的校正后,波形几乎达到标准的正弦波,使用单相功率表(DB3-PF01)测得功率因数超过0.99,达到设计要求。在输入电压的整个范围内及负载变化的情况下也得到类似结果。

5 结论
通过试验看出,采用电压电流双闭环的平均电流控制模式原理能够实现电器设备的功率因数校正。在某变频空调控制系统增加该功率因数校正电路后,系统的功率因数明显提高,在保持原输出功率不变的情况下,主回路的滤波电容由原来的3 000μF下降为2 200μF,功率模块额定电流下降约70%,从而提高了元件的利用率。同时,系统的EMC指标也得到改善,达到GB4343-1995和GB17625.1-1998所规定的标准。该设计原理也适用于其他同类型APFC控制器件的电路实现,具有广泛的工程参考价值。
目前家用电器的功率前级多采用二极管全桥整流方式,这会造成电网谐波污染,功率因数下降,无功分量主要为高次谐波,其中三次谐波幅度约为基波幅度的95%,五次谐波幅度约为基波幅度的70%.七次谐波幅度约为基波幅度的45%。高次谐波会对电网造成危害,使用电设备的输入端功率因数下降,而且产生很强的电磁干扰(EMI),对电网和其他用电设备的安全运行造成潜在危害。
有源功率因数校正电路(Active Power Factor Corrector,APFC)可将电源的输入电流变换为与输入市电同相位的正弦波,从而提高电器设备的功率因数,减少对电网的谐波污染。理论上,降压式(Buck)、升压式(Boost)、升/降压式(Boost-Buck)以及反激式(Flyback)等变换器拓扑都可作为APFC的主电路。其中,Boost APFC是简单电流型控制,功率因数值高,总谐波失真小,效率高,但输出电压高于输入电压,适用于75~2 000 W功率电源,应用广泛。因为升压式APFC的电感电流连续,储能电感可作为滤波器抑制射频干扰(RFI)和EMI噪声,并防止电网对主电路的高频瞬态冲击.电路有升压斩波电路,输出电压大于输入电压峰值,电源允许的输入电压范围扩大,通常可达90~270 V,提高电源的适应性,且升压式APFC控制简单,适用的功率范围宽。因此,这里提出了一种基于Boost电路拓扑,以TDA16888为控制核心的2 kW有源功率因数校正电路,该电路可将功率因数提高到O.99以上。
2 Boost APFC电路原理
常用于实现Boost APFC的控制方法有以下3种:
(1)电流峰值控制 开关频率固定,工作在电流连续模式(CCM)下,采用Boost电路结构,通过检测开关电流控制。该方法电感电流的峰值(控制的基准)对噪声敏感,容易产生控制误差。
(2)电流滞环控制 开关频率可变,工作在CCM下,采用Boost电路结构,通过检测电感电流控制。该方法的负载大小对开关频率的影响较大,由于开关频率的变化幅度大,设计输出滤波器时,需按最低开关频率考虑,故难以得到体积和重量最小的设计。
(3)平均电流控制 开关频率固定,工作模式任意,通过检测电感电流控制,需要放大电流误差信号。这种方法的工频电流的峰值是高频电流的平均值,高频电流的峰值比工频电流的峰值更高,总谐波畸变(THD)很小,对噪声不敏感,电感电流峰值与平均值之间的误差小,可工作于CCM和DCM模式下,适合于任何拓扑。
综合考虑,本设计采用电压电流双闭环的平均电流控制模式,图1为其原理图。

图1中,检测到电感电流iL,则得到信号iLR1,将该信号送入电流误差放大器CA中,电流基准值由乘法器输出z,乘法器有两个输入,一个为x,是输出电压Vo/H与基准电压Vref之间的误差信号;另一个输入y,为电压DC的检测值VDC/K,VDC为输入正弦电压的全波整流值。
平均电流法的电流环调节输入电流平均值,使其与输入整流电压同相位,接近正弦波形。输入电流信号被直接检测,与基准电流比较后.其高频分量的变化通过电流误差放大器,被平均化处理。放大后的平均电流误差与锯齿波斜坡比较后,给开关Tr驱动信号,并决定其占空比,从而迅速而精确地校正电流误差。由于电流环具有较高的增益一带宽(gain-banelwidth),使跟踪误差产生的畸变小于1%,容易实现接近于1的功率因数。校正后的输入电压Vi、电流ii的波形如图2所示。

3 APFC电路设计
这里采用Siemens公司的PFC控制器件TDA16888设计APFC电路。设计的主要指标参数有:交流输入电压为90~220 V;直流输出电压为380 V;输出功率高于2 kW;功率因数大于0.99;变换器效率高于90%。Boost APFC电路原理图如图3所示。

主回路采用Boost电路结构,主要由电感L2,二极管VD1、VD2,开关管VQ1,输出主线滤波电容C14组成。输入电路由滤波电感L1、滤波电容C1、整流桥B1、压敏电阻R4、热敏电阻R1组成。L11和C3构成滤波网络。控制电路由TDA16888及其外部元件组成,外围电路包括电流检测电路(由R9组成),输入电压取样电路(由R6、R7组成),输出电压反馈电路(由R17、R18、R19和R20组成),反馈回路为PI控制器,电压环PI控制器由C9、C10、R24组成,电流环PI控制器由C6、C7、R22组成。控制器工作频率由电阻R26决定,R26值越大,则其工作频率越小,R26取值51 kΩ,工作频率为100 kHz。
根据功率要求,功率电路的功率器件选择如下:Boost电感L2取值470μH;开关管VQ1为IRFP460,其主要参数为:漏-源极最小击穿电压500 V,漏-源极的最大导通电阻为O.27 Ω,最大导通电流20 A;整流二极管VD1选取肖特基二极管STFA806,其主要参数为:反向工作电压600 V,正向平均工作电流8 A。输出电容C14取值2 200μF/450 V。

4 试验结果
在负载为2 kW时PFC电路的工作波形如图4~图5所示。图4为交流输入端电压、电流波形及电流谐波分析,图中交流输入端电压波形通道为4、电流波形通道为3,电流的谐波分析结果为D。由图4可看出,加入PFC电路后,交流输入电流波形由窄脉冲变为正弦波,与输入电压同相,Boost变换器近似为纯电阻,输入电流总谐波量为4.5%。图5为开关驱动波形与电路的输入电流波形。示波器通道1为开关管的驱动波形.通道2为输入电流波形,由图5可见,输入电流经有源功率因数校正器的校正后,波形几乎达到标准的正弦波,使用单相功率表(DB3-PF01)测得功率因数超过0.99,达到设计要求。在输入电压的整个范围内及负载变化的情况下也得到类似结果。

5 结论
通过试验看出,采用电压电流双闭环的平均电流控制模式原理能够实现电器设备的功率因数校正。在某变频空调控制系统增加该功率因数校正电路后,系统的功率因数明显提高,在保持原输出功率不变的情况下,主回路的滤波电容由原来的3 000μF下降为2 200μF,功率模块额定电流下降约70%,从而提高了元件的利用率。同时,系统的EMC指标也得到改善,达到GB4343-1995和GB17625.1-1998所规定的标准。该设计原理也适用于其他同类型APFC控制器件的电路实现,具有广泛的工程参考价值。
射频工程师养成培训教程套装,助您快速成为一名优秀射频工程师...
天线设计工程师培训课程套装,资深专家授课,让天线设计不再难...
上一篇:基于绝缘电阻测试仪的高压电源设计
下一篇:基于嵌入式系统中电源电压的精确控制应用
射频和天线工程师培训课程详情>>

