- 易迪拓培训,专注于微波、射频、天线设计工程师的培养
浅析继电器的选型与应用
录入:edatop.com 点击:
1 概述
交流固态继电器SSR(solid state reley)是一种无触点通断电子开关,它利用电子元件(如开关三极管、双向可控硅等半导体器件)的开关特性,可达到无触点无火花地接通和断开电路的目的,为四端有源器件,其中两个端子为输入控制端,另外两端为输出受控端。为实现输入与输出之间的电气隔离,器件中采用了高耐压的专业光电耦合器。当施加输入信号后,其主回路呈导通状态,无信号时,呈阻断状态。整个器件无可动部件及触点,可实现相当于常用电磁继电器一样的功能。其封装形式也与传统电磁继电器基本相同。它问世于70年代,由于它的无触点工作特性,使其在许多领域的电控及计算机控制方面得到日益广泛的应用。
由于固态继电器是由固体元件组成的无触点开关元件,所以它较之电磁继电器具有工作可靠、寿命长、对外界干扰小、能与逻辑电路兼容、抗干扰能力强、开关速度快和使用方便等一系列优点。因而具有很宽的应用领域,有逐步取代传统电磁继电器之势,并可进一步扩展到传统电磁继电器无法应用的领域。如计算机和可编程控制器的输入输出接口、计算机外围和终端设备、机械控制,过程控制、遥控及保护系统等。在一些要求耐振、耐潮、耐腐蚀、防爆等特殊工作环境中以及要求高可靠的工作场合,SSR都较之传统的电磁继电器有无可比拟的优越性。固态继电器型号命名法如图1所示。
2 固态继电器的原理和结构
固态继电器有三部分组成:输入电路,隔离(耦合)和输出电路。按输入电压的不同类别,输入电路可分为直流输入电路、交流输入电路和交直流输入电路三种。有些输入控制电路还具有与TTL/CMOS兼容,正负逻辑控制和反相等功能。固态继电器的输入与输出电路的隔离和耦合方式有光电耦合和变压器耦合两种。固态继电器的输出电路也可分为直流输出电路、交流输出电路和交直流输出电路等形式。交流输出时,通常使用两个可控硅或一个双向可控硅;直流输出时可使用双极性器件或功率场效应管。SSR按使用场合可以分成交流型和直流型两大类,它们分别在交流或直流电源上做负载的开关,不能混用。

图1 固态继电器型号命名

图2 固态继电器工作原理框图
以交流型的SSR为例来说明它的工作原理。图2是它的工作原理框图,图2中的部件1~4构成交流SSR的主体,从整体上看,SSR只有两个输入端(A和B)及两个输出端(C和D),是一种四端器件。工作时只要在A、B上加上一定的控制信号,就可以控制C、D两端之间的“通”和“断”,实现“开关”的功能,其中耦合电路的功能是为A、B端输入的控制信号提供一个输入/输出端之间的通道,但又在电器上断开SSR中输入端和输出端之间的(电)联系,以防止输出端对输入端的影响。耦合电路用的元件是“光耦合器”,它动作灵敏,响应速度高,输入/输出端间的绝缘(耐压)等级高;由于输入端的负载是发光二极管,使SSR的输入端很容易做到与输入信号电平相匹配,在使用时可直接与计算机输出接口相接,即受“1”与“0”的逻辑电平控制。触发电路的功能是产生合乎要求的触发信号,驱动开关电路④工作,但由于开关电路在不加特殊控制电路时,将产生射频干扰并以高次谐波或尖峰等污染电网,为此特设“过零控制电路”。所谓“过零”是指,当加入控制信号,交流电压过零时,SSR即为通态;而当断开控制信号后,SSR要等待交流电的正半周与负半周的交界点(零电位)时,SSR才为断态。这种设计能防止高次谐波的干扰和对电网的污染。吸收电路是为防止从电源中传来的尖峰、浪涌(电压)对开关器件双向可控硅管的冲击和干扰(甚至误动作)而设计的,一般是用“R—C”串联吸收电路或非线性电阻(压敏电阻器)。
直流型的SSR与交流型的SSR相比,无过零控制电路,也不必设置吸收电路,开关器件一般用大功率开关三极管,其它工作原理相同。不过,直流型SSR在使用时应注意:
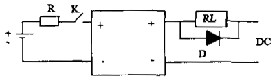
2.1 负载为感性负载时,如直流电磁阀或电磁铁,应在负载两端并联一只二极管,极性如图3所示,二极管的电流应等于工作电流,电压应大于工作电压的4倍。

图3 SSR并联二极管图
2.2 SSR工作时应尽量把它靠近负载,其输出引线应满足负荷电流的需要。
2.3 使用电源属经交流降压整流所得的,其滤波电解电容应足够大。
固态继电器(SSR)与机电继电器相比,是一种没有机械运动,不含运动零件的继电器,但它具有与机电继电器本质上相同的功能。SSR是一种全部由固态电子元件组成的无触点开关元件,他利用电子元器件的电、磁和光特性来完成输入与输出的可靠隔离,利用大功率三极管、功率场效应管、单向可控硅和双向可控硅等器件的开关特性,来达到无触点,无火花地接通和断开被控电路。
3 固态继电器的特点
SSR成功地实现了弱信号(Vsr)对强电(输出端负载电压)的控制。由于光耦合器的应用,使控制信号所需的功率极低(约十余毫瓦就可正常工作),而且Vsr所需的工作电平与TTL、HTL、CMOS等常用集成电路兼容,可以实现直接联接。这使SSR在数控和自控设备等方面得到广泛应用。在相当程度上可取代传统的“线圈—簧片触点式”继电器(简称“MER”)。
SSR由于是全固态电子元件组成,与MER相比,它没有任何可动的机械部件,工作中也没有任何机械动作。SSR由电路的工作状态变换实现“通”和“断”的开关功能,没有电接触点,所以它有一系列MER不具备的优点,即工作高可靠、长寿命(有资料表明SSR的开关次数可达108—109次,比一般MER的106高几百倍),无动作噪声,耐振耐机械冲击,安装位置无限制,很容易用绝缘防水材料灌封做成全密封形式,而且具有良好的防潮防霉防腐性能,在防爆和防止臭氧污染方面的性能也极佳。这些特点使SSR可在军事(如飞行器、火炮、舰船、车载武器系统)、化工,井下采煤和各种工业民用电控设备的应用中大显身手,具有超越MER的技术优势。
交流型SSR由于采用过零触发技术,因而可以使SSR安全地用在计算机输出接口上,不必为在接口上采用MER而产生的一系列对计算机的干扰而烦恼。此外,SSR还有能承受在数值上可达额定电流十倍左右的浪涌电流的特点。
3.1 固态继电器的优点
3.1.1 高寿命,高可靠:SSR没有机械零部件,有固体器件完成触点功能,由于没有运动的零部件,因此能在高冲击,振动的环境下工作,由于组成固态继电器的元器件的固有特性,决定了固态继电器的寿命长,可靠性高。
3.1.2 灵敏度高,控制功率小,电磁兼容性好:固态继电器的输入电压范围较宽,驱动功率低,可与大多数逻辑集成电路兼容不需加缓冲器或驱动器。
3.1.3 快速转换:固态继电器因为采用固体其间,所以切换速度可从几毫秒至几微秒。
3.1.4 电磁干扰小:固态继电器没有输入“线圈”,没有触点燃弧和回跳,因而减少了电磁干扰。大多数交流输出固态继电器是一个零电压开关,在零电压处导通,零电流处关断,减少了电流波形的突然中断,从而减少了开关瞬态效应。
3.2 固态继电器的缺点
3.2.1 导通后的管压降大,可控硅或双向可控硅的正向降压可达1~2V,大功率晶体管的饱和压降在1~2V之间,一般功率场效应管的导通电阻也较机械触点的接触电阻大。
3.2.2 半导体器件关断后仍可有数微安至数毫安的漏电流,因此不能实现理想的电隔离。
3.2.3 由于管压降大,导通后的功耗和发热量也大,大功率固态继电器的体积远远大于同容量的电磁继电器,成本也较高。
3.2.4 电子元器件的温度特性和电子线路的抗干扰能力较差,耐辐射能力也较差,如不采取有效措施,则工作可靠性低。
3.2.5 固态继电器对过载有较大的敏感性,必须用快速熔断器或RC阻尼电路对其进行过载保护。固态继电器的负载与环境温度有关,温度升高,负载能力将迅速下降。
4 固态继电器的技术参数及选用
4.1 固态继电器的技术参数
4.1.1 输入电压范围:在环境温度25℃下,固态继电器能够工作的输入电压范围。
4.1.2 输入电流:在输入电压范围内某一特定电压对应的输入电流值。
4.1.3 接通电压:在输入端加该电压或大于该电压值时,输出端确保导通。
4.1.4 关断电压:在输入端加该电压或小于该电压值时,输出端确保导通。
4.1.5 反极性电压:能够加在继电器输入端上,而不应起永久性破坏的最大允许反向电压。
4.1.6 额定输出电流:环境25℃时的最大稳态工作电流。
4.1.7 额定输出电压:能够承受的最大负载工作电压。
4.1.8 输出电压降:当继电器处于导通时,在额定输出电流下测得的输出端电压。
4.1.9 输出漏电流:当继电器处于关断状态施加额定输出电压时,流经负载的电流值。
4.1.10 接通时间:当继电器接通时,加输入电压到接通电压开始至输出达到其电压最终变化的90%为止之间的时间间隔。
4.1.11 关断时间:当继电器关断时,切除输入电压到关断电压开始至输出达到其电压最终变化的10%为止之间的时间间隔。
4.1.12 过零电压:对交流过零型固态继电器,输入端加入额定电压,能使继电器输出端导通的最大起始电压。
4.1.13 最大浪涌电压:继电器能承受的而不致造成永久性损坏的非重复浪涌(或过载)电流。
4.1.14 电器系统峰值:在继电器工作状态继电器输出端能够承受的最大迭加的瞬时峰值击穿电压。
4.1.15 电压指数上升率dv/dt:继电器的输出元件能够承受的不使其导通的电压上升率。
4.1.16 工作温度:继电器按规范安装或不安装散热板时,其正常工作的环境温度范围。
4.2 固态继电器的选用
功率固态继电器的特性参数包括输入和输出参数,下面以北京科通继电器总厂生产的GX—10F继电器为例,列出输入、输出参数,详见表1,根据输入电压参数值大小,可确定工作电压大小。如采用TTL或CMOS等逻辑电平控制时,最好采用有足够带载能力的低电平驱动,并尽可能使“0”电平低于0.8V。如在噪声很强的环境下工作,不能选用通、断电压值相差小的产品,必须选用通、断电压值相差大的产品(如选接通电压为8V或12V的产品),这样不会因噪声干扰而造成控制失灵。输出参数的项目较多,现对主要几个参数说明如下:

4.2.1 额定输入电压:指定条件下能承受的稳态阻性负载的最大允许电压有效值。如果受控负载是非稳态或非阻性的,必须考虑所选产品是否能承受工作状态或条件变化时(冷热转换、静动转换、感应电势、瞬态峰值电压、变化周期等)所产生的最大合成电压。例如负载为感性时,所选额定输出电压必须大于两倍电源电压值,而且所选产品的阻断(击穿)电压应高于负载电源电压峰值的两倍。如在电源电压为交流220V,一般的小功率非阻性负载的情况下,建议选用额定电压为400V~600V的SSR产品;但对于频繁起动的单相或三相电机负载,建议选用额定电压为660V~800V的SSR产品。
4.2.2 额定输出电流和浪涌电流:额定输出电流是指在给定条件下(环境温度、额定电压、功率因数、有无散热器等)所能承受的电流最大的有效值。一般生产厂家都提供热降额曲线。如周围温度上升,应按曲线作降额使用。
浪涌电流是指在给定条件下(室温、额定电压、额定电流和持续的时间等)不会造成永久性损坏所允许的最大非重复性峰值电流。交流继电器的浪涌电流为额定电流的5~10倍(一个周期),直流产品为额定电流的1.5~5倍(1s)。在选用时,如负载为稳态阻性,SSR可全额或降额10%使用。对于电加热器、接触器等,初始接通瞬间出现的浪涌电流可达3倍的稳态电流,因此,SSR降额20%~30%使用。对于白炽灯类负载,SSR应按降额50%使用,并且还应加上适当的保护电路。对于变压器负载,所选产品的额定电流必须高于负载工作电流的两倍。对于负载为感应电机,所选SSR的额定电流值应为电机运转电流的2~4倍,SSR的浪涌电流值应为额定电流的10倍。
固态继电器对温度的敏感性很强,工作温度超过标称值后,必须降热或外加散热器,例如额定电流为10A的JGX—10F产品,不加散热器时的允许工作电流只有10A。
4.2.3 输入特性
(1)为了保证固态继电器的正常工作,必须考虑输入条件,通常输入电压为阶跃函数,然而,如果输入电压是斜坡,就会出现半周循环现象,出现这种现象是由于开关半导体器件在正、反触发时不完全对称,因此,如果输入电压斜坡上升,这种开关在负载为某一极性时就可能触发,而当负载电压为反极性时就可能不触发,而出现半周导通现象,这种现象将持续到输入量足以使输出完全导通为止。
(2)输入端出现的瞬态,可以使继电器误动,尤其是当继电器响应时间等于或小于噪声脉冲持续时间时,继电器就会导通,对输入信号进行滤波有助于减少这种现象。
(3)当反极性(反向输入)电压适用时,继电器输入端可以承受最大输入电压值或其它规定值的反极性电压,超过该值,可能造成SSR的永久性破坏。当反极性电压不适用时,或继电器规定不能反向施加输入电压时,使用时一定注意,不能使输入电压反向。
4.2.4 输出特性
(1)SSR给出的最大额定输出电流一般指常温下或常温到高温下的最大额定输出电流而且对大于10A的继电器还指带有规定散热器时的最大额定输出电流。对功率SSR,当工作温度上升或不带散热器时,最大输出电流相应下降。对此,各SSR均给出不带散热带规定散热器的输出电流与环境温度的关系曲线。这曲线又叫热降额曲线如图4所示。

图4 某一典型继电器的热降额曲线
(2)当负载很轻即负载电阻或阻抗很大时,接通时的输出电流下降,该电流与关断状态下的漏电流之间的比值下降。对交流SSR,这时的漏电流可能会使接触器嗡嗡作响,或使电机继续运转;当输出电流小于最小额定电流时,SSR的直流失调电压和波形失真都会超过规定值,输出电流过小,也会使输出可控硅不能在规定的零电压范围内导通。为了改善这种状况,可以在负载两端并联一定的电阻,RC或灯泡。
(3)SSR的许多负载如灯负载、电动机负载、感性和容性负载,在接通时的过渡过程会形成浪涌电流,由于散热不及,浪涌电流是使固态继电器损坏的最常见的原因。为了适应这种情况,SSR根据其内部电路结构和输出器件特性,通常均给出了过负载(或浪涌电流)参数建议额定输出电流(最大值)的倍数,脉冲(浪涌)持续时间,循环周期和次数来表示。一般,直流SSR的过负载(浪涌)额定值远小于同功率的交流SSR。另外,SSR的性质还与接通时的电流上升率di/dt密切相关。di/dt超过某一值会使SSR的可控硅输出器件损坏。为避免上述浪涌电流对SSR的损坏,可不同程度的降额使用SSR,必要时,可在负载电路中串联电阻,将浪涌电流和可能发生的短路电流限制在SSR所允许的过负载范围内,也可利用快速熔断的保险丝来保护SSR。
(4)对于SSR,特别对交流SSR,电压指数上升率是一个重要参数。这是因为当SSR关断时,若输出端电压上升率超过SSR规定的dv/dt,可能使SSR误接通,严重时会造成SSR的损坏,一般SSR规定的dv/dt为100V/μs,也有的达200V/μs。交流SSR多在电流过零时判断,对感性和容性负载,在电流达零并关断时,线电压并不为零。功率因数cosφ越小,这个电压越大,在关断时,这一较大的电压将以较大的上升率加在SSR的输出端。另外,SSR关断时,感性负载上会产生反电势,该反电势同电压一起形成的过电压将加在SSR的输出端。在使用SSR反转电容分相电机和反接未停转的三相电机时,都可能在SSR的输出端产生二倍于线电压的过压效应。dv/dt和过电压是使SSR失效的重要模式,因此要认真对待。一般,在可能产生二倍线电压效应的场合应选择最大额定输出电压高于二倍线电压的SSR。在dv/dt和过电压严重的线路中,一般也应使SSR的最大额定输出电压高于二倍线电压。
对一般的感性负载,SSR的最大额定输出电压也应为线电压的1.5倍。另外,可以在SSR输出端并联RC吸收回路或其它瞬态抑制回路。
5 固态继电器在应用中一些问题的探讨
5.1 基本单元电路
如图5a所示为稳定的阻性负载,为了防止输入电压超过额定值,需设置一限流电阻Rx;当负载为非稳定性负载或感性负载时,在输出回路中还应附加一个瞬态抑制电路,如图5b所示,目的是保护固态继电器。通常措施是在继电器输出端加装RC吸收回路(例如:R=150Ω,C=0.5μF或R=39Ω,C=0.1μF),它可以有效的抑制加至继电器的瞬态电压和电压指数上升率dv/dt。在设计电路时,建议用户根据负载的有关参数和环境条件,认真计算和试验RC回路的选值。另一个常用的措施是在继电器输出端接入具有特定钳位电压的电压控制器件,如双向稳压二极管或压敏电阻(MOV)。压敏电阻电流值应按下式计算:
Imov=(Vmax-Vmov)/Zs
其中Zs为负载阻抗、电源阻抗以及线路阻抗之和,Vmax、Vmov分别为最高瞬态电压、压敏电阻的标称电压,对于常规的220V和380V的交流电源,推荐的压敏电阻的标称电压值分别为440~470V和760~810V。
在交流感性负载上并联RC电路或电容,也可抑制加至SSR输出端的瞬态电压和电压指数上升率。
但实验表明,RC吸收回路,特别是并联在SSR输出端的RC吸收回路,如果和感性负载组合不当,容易导致振荡,在负载电源上电或继电器切换时,加大继电器输出端的瞬变电压峰值,增大SSR误导通的可能性,所以,对具体应用电路应先进行试验,选用合适的RC参数,甚至有时不用RC吸收电路更有利。
对于容性负载引起的浪涌电流可用感性元件抑制,如在电路中引入磁干扰滤波器、扼流圈等,以限制快速上升的峰值电流。
另外,如果输出端电流上升变化率(di/dt)很大,可以在输出端串联一个具有高磁导率的软化磁芯的电感器加以控制。

图5 SSR连接负载图
通常SSR均设计为“常开”状态,即无控制信号输入时,输出端是开路的,但在自动化控制设备中经常需要“常闭”式的SSR,这时可在输入端外接一组简单的电路,如图5c所示,这时即为常闭式SSR。
5.2 多功能控制电路
图6a为多组输出电路,当输入为“0”时,三极管BG截止,SSR1、SSR2、SSR3的输入端无输入电压,各自的输出端断开;当输入为“1”时,三极管BG导通,SSR1、SSR2、SSR3的输入端有输入电压,各自的输出端接通,因而达到了由一个输入端口控制多个输出端“通”、“断”的目的。
图6b为单刀双掷控制电路,当输入为“0”时,三极管BG截止,SSR1输入端无输入电压,输出端断开,此时A点电压加到SSR2的输入端上(UA—UDW应使SSR2输出端可靠接通),SSR2的输出端接通;当输入为“1”时,三极管BG导通,SSR1输入端有输入电压,输出端接通,此时A点虽有电压,但UA—UDW的电压值已不能使SSR2的输出端接通而处于断开状态,因而达到了“单刀双掷控制电路”的功能(注意:选择稳压二极管DW的稳压值时,应保证在导通的SSR1“+”端的电压不会使SSR2导通,同时又要兼顾到SSR1截止时期“+”端的电压能使SSR2导通)。

图6 SSR输出电路
5.3 用计算机控制电机正反转的接口及驱动电路
图7为计算机控制单相交流电机正反转的接口及驱动电路,在换向控制时,正反转之间的停滞时间应大于交流电源的1.5个周期(用一个“下降沿延时”电路来完成),以免换向太快而造成线间短路。电路中继电器要选用阻断电压高于600V和额定电压为380V以上的交流固态继电器。
为了限制电机换向时电容器的放电电流,应在各回路中外加一只限流电阻Rx,其阻值和功率可按下式计算:
Rx=0.2×Vp/IR(Ω),P=Im2Rx
其中:Vp—电源峰值电压(V);IR—固态继电器额定电流(A);Im—电机运转电流(A);P—限流电阻功率(W)。

图7 计算机控制单相交流电机正反转的接口及驱动电路
图8为计算机控制三相交流电机正反转的接口及驱动电路,图中采用了4个与非门,用二个信号通道分别控制电动机的起动、停止和正转、反转。当改变电动机转动方向时,给出指令信号的顺序应是“停止—反转—起动”或“停止—正转—起动”。延时电路的最小延时不小于1.5个交流电源周期。其中RD1、RD2、RD3为熔断器。当电机允许时,可以在R1—R4位置接入限流电阻,以防止当两线间的任意二只继电器均误接通时,限制产生的半周线间短路电流不超过继电器所能承受的浪涌电流,从而避免烧毁继电器等事故,确保安全性;但副作用是正常工作时电阻上将产生压降和功耗。该电路建议采用额定电压为660V或更高一点的SSR产品。

图8 计算机控制三相交流电机正反转的接口及驱动电路
5.4 SSR应用电路
用于单电源移相触发电路的随机型SSR调压电路如图9所示,图10为直流SSR控制电路。利用图11所示的分相电机制动控制电路可以对小功率电机(小于1马力)进行快停与起动控制,其中SSR的负载电压额定值应是电网电压的2倍。
对于1/8马力电机,图11中的R1应为10Ω,(2W)、R2为250Ω(25W),C1为10μF(300V)、C2为3.75μF(330V)。
利用SSR还可以组成很多电路,如三相负载控制电路、三相感应电机的正反转控制电路等。

6 结束语
由前述可以看到SSR的性能与电磁式继电器相比有着很多的优越性,特别易于实现计算机的编程控制,因此使得控制的实现更加方便、灵活。但它也存在一些弱点,如:导通电阻(几Ω~几十Ω)、通态压降(小于2V)、断态漏电流(5~10mA)等的存在,易发热损坏;截止时存在漏电阻,不能使电路完全分开;易受温度和辐射的影响,稳定性差;灵敏度高,易产生误动作,在需要联锁、互锁的控制电路中,保护电路的增设,使得成本上升、体积增大。因此,对于SSR具有的独特性能,必须正确的理解和谨慎使用,方能发挥其独特的性能,并确保SSR无故障的工作。
交流固态继电器SSR(solid state reley)是一种无触点通断电子开关,它利用电子元件(如开关三极管、双向可控硅等半导体器件)的开关特性,可达到无触点无火花地接通和断开电路的目的,为四端有源器件,其中两个端子为输入控制端,另外两端为输出受控端。为实现输入与输出之间的电气隔离,器件中采用了高耐压的专业光电耦合器。当施加输入信号后,其主回路呈导通状态,无信号时,呈阻断状态。整个器件无可动部件及触点,可实现相当于常用电磁继电器一样的功能。其封装形式也与传统电磁继电器基本相同。它问世于70年代,由于它的无触点工作特性,使其在许多领域的电控及计算机控制方面得到日益广泛的应用。
由于固态继电器是由固体元件组成的无触点开关元件,所以它较之电磁继电器具有工作可靠、寿命长、对外界干扰小、能与逻辑电路兼容、抗干扰能力强、开关速度快和使用方便等一系列优点。因而具有很宽的应用领域,有逐步取代传统电磁继电器之势,并可进一步扩展到传统电磁继电器无法应用的领域。如计算机和可编程控制器的输入输出接口、计算机外围和终端设备、机械控制,过程控制、遥控及保护系统等。在一些要求耐振、耐潮、耐腐蚀、防爆等特殊工作环境中以及要求高可靠的工作场合,SSR都较之传统的电磁继电器有无可比拟的优越性。固态继电器型号命名法如图1所示。
2 固态继电器的原理和结构
固态继电器有三部分组成:输入电路,隔离(耦合)和输出电路。按输入电压的不同类别,输入电路可分为直流输入电路、交流输入电路和交直流输入电路三种。有些输入控制电路还具有与TTL/CMOS兼容,正负逻辑控制和反相等功能。固态继电器的输入与输出电路的隔离和耦合方式有光电耦合和变压器耦合两种。固态继电器的输出电路也可分为直流输出电路、交流输出电路和交直流输出电路等形式。交流输出时,通常使用两个可控硅或一个双向可控硅;直流输出时可使用双极性器件或功率场效应管。SSR按使用场合可以分成交流型和直流型两大类,它们分别在交流或直流电源上做负载的开关,不能混用。

图1 固态继电器型号命名

图2 固态继电器工作原理框图
以交流型的SSR为例来说明它的工作原理。图2是它的工作原理框图,图2中的部件1~4构成交流SSR的主体,从整体上看,SSR只有两个输入端(A和B)及两个输出端(C和D),是一种四端器件。工作时只要在A、B上加上一定的控制信号,就可以控制C、D两端之间的“通”和“断”,实现“开关”的功能,其中耦合电路的功能是为A、B端输入的控制信号提供一个输入/输出端之间的通道,但又在电器上断开SSR中输入端和输出端之间的(电)联系,以防止输出端对输入端的影响。耦合电路用的元件是“光耦合器”,它动作灵敏,响应速度高,输入/输出端间的绝缘(耐压)等级高;由于输入端的负载是发光二极管,使SSR的输入端很容易做到与输入信号电平相匹配,在使用时可直接与计算机输出接口相接,即受“1”与“0”的逻辑电平控制。触发电路的功能是产生合乎要求的触发信号,驱动开关电路④工作,但由于开关电路在不加特殊控制电路时,将产生射频干扰并以高次谐波或尖峰等污染电网,为此特设“过零控制电路”。所谓“过零”是指,当加入控制信号,交流电压过零时,SSR即为通态;而当断开控制信号后,SSR要等待交流电的正半周与负半周的交界点(零电位)时,SSR才为断态。这种设计能防止高次谐波的干扰和对电网的污染。吸收电路是为防止从电源中传来的尖峰、浪涌(电压)对开关器件双向可控硅管的冲击和干扰(甚至误动作)而设计的,一般是用“R—C”串联吸收电路或非线性电阻(压敏电阻器)。
直流型的SSR与交流型的SSR相比,无过零控制电路,也不必设置吸收电路,开关器件一般用大功率开关三极管,其它工作原理相同。不过,直流型SSR在使用时应注意:
2.1 负载为感性负载时,如直流电磁阀或电磁铁,应在负载两端并联一只二极管,极性如图3所示,二极管的电流应等于工作电流,电压应大于工作电压的4倍。

图3 SSR并联二极管图
2.2 SSR工作时应尽量把它靠近负载,其输出引线应满足负荷电流的需要。
2.3 使用电源属经交流降压整流所得的,其滤波电解电容应足够大。
固态继电器(SSR)与机电继电器相比,是一种没有机械运动,不含运动零件的继电器,但它具有与机电继电器本质上相同的功能。SSR是一种全部由固态电子元件组成的无触点开关元件,他利用电子元器件的电、磁和光特性来完成输入与输出的可靠隔离,利用大功率三极管、功率场效应管、单向可控硅和双向可控硅等器件的开关特性,来达到无触点,无火花地接通和断开被控电路。
3 固态继电器的特点
SSR成功地实现了弱信号(Vsr)对强电(输出端负载电压)的控制。由于光耦合器的应用,使控制信号所需的功率极低(约十余毫瓦就可正常工作),而且Vsr所需的工作电平与TTL、HTL、CMOS等常用集成电路兼容,可以实现直接联接。这使SSR在数控和自控设备等方面得到广泛应用。在相当程度上可取代传统的“线圈—簧片触点式”继电器(简称“MER”)。
SSR由于是全固态电子元件组成,与MER相比,它没有任何可动的机械部件,工作中也没有任何机械动作。SSR由电路的工作状态变换实现“通”和“断”的开关功能,没有电接触点,所以它有一系列MER不具备的优点,即工作高可靠、长寿命(有资料表明SSR的开关次数可达108—109次,比一般MER的106高几百倍),无动作噪声,耐振耐机械冲击,安装位置无限制,很容易用绝缘防水材料灌封做成全密封形式,而且具有良好的防潮防霉防腐性能,在防爆和防止臭氧污染方面的性能也极佳。这些特点使SSR可在军事(如飞行器、火炮、舰船、车载武器系统)、化工,井下采煤和各种工业民用电控设备的应用中大显身手,具有超越MER的技术优势。
交流型SSR由于采用过零触发技术,因而可以使SSR安全地用在计算机输出接口上,不必为在接口上采用MER而产生的一系列对计算机的干扰而烦恼。此外,SSR还有能承受在数值上可达额定电流十倍左右的浪涌电流的特点。
3.1 固态继电器的优点
3.1.1 高寿命,高可靠:SSR没有机械零部件,有固体器件完成触点功能,由于没有运动的零部件,因此能在高冲击,振动的环境下工作,由于组成固态继电器的元器件的固有特性,决定了固态继电器的寿命长,可靠性高。
3.1.2 灵敏度高,控制功率小,电磁兼容性好:固态继电器的输入电压范围较宽,驱动功率低,可与大多数逻辑集成电路兼容不需加缓冲器或驱动器。
3.1.3 快速转换:固态继电器因为采用固体其间,所以切换速度可从几毫秒至几微秒。
3.1.4 电磁干扰小:固态继电器没有输入“线圈”,没有触点燃弧和回跳,因而减少了电磁干扰。大多数交流输出固态继电器是一个零电压开关,在零电压处导通,零电流处关断,减少了电流波形的突然中断,从而减少了开关瞬态效应。
3.2 固态继电器的缺点
3.2.1 导通后的管压降大,可控硅或双向可控硅的正向降压可达1~2V,大功率晶体管的饱和压降在1~2V之间,一般功率场效应管的导通电阻也较机械触点的接触电阻大。
3.2.2 半导体器件关断后仍可有数微安至数毫安的漏电流,因此不能实现理想的电隔离。
3.2.3 由于管压降大,导通后的功耗和发热量也大,大功率固态继电器的体积远远大于同容量的电磁继电器,成本也较高。
3.2.4 电子元器件的温度特性和电子线路的抗干扰能力较差,耐辐射能力也较差,如不采取有效措施,则工作可靠性低。
3.2.5 固态继电器对过载有较大的敏感性,必须用快速熔断器或RC阻尼电路对其进行过载保护。固态继电器的负载与环境温度有关,温度升高,负载能力将迅速下降。
4 固态继电器的技术参数及选用
4.1 固态继电器的技术参数
4.1.1 输入电压范围:在环境温度25℃下,固态继电器能够工作的输入电压范围。
4.1.2 输入电流:在输入电压范围内某一特定电压对应的输入电流值。
4.1.3 接通电压:在输入端加该电压或大于该电压值时,输出端确保导通。
4.1.4 关断电压:在输入端加该电压或小于该电压值时,输出端确保导通。
4.1.5 反极性电压:能够加在继电器输入端上,而不应起永久性破坏的最大允许反向电压。
4.1.6 额定输出电流:环境25℃时的最大稳态工作电流。
4.1.7 额定输出电压:能够承受的最大负载工作电压。
4.1.8 输出电压降:当继电器处于导通时,在额定输出电流下测得的输出端电压。
4.1.9 输出漏电流:当继电器处于关断状态施加额定输出电压时,流经负载的电流值。
4.1.10 接通时间:当继电器接通时,加输入电压到接通电压开始至输出达到其电压最终变化的90%为止之间的时间间隔。
4.1.11 关断时间:当继电器关断时,切除输入电压到关断电压开始至输出达到其电压最终变化的10%为止之间的时间间隔。
4.1.12 过零电压:对交流过零型固态继电器,输入端加入额定电压,能使继电器输出端导通的最大起始电压。
4.1.13 最大浪涌电压:继电器能承受的而不致造成永久性损坏的非重复浪涌(或过载)电流。
4.1.14 电器系统峰值:在继电器工作状态继电器输出端能够承受的最大迭加的瞬时峰值击穿电压。
4.1.15 电压指数上升率dv/dt:继电器的输出元件能够承受的不使其导通的电压上升率。
4.1.16 工作温度:继电器按规范安装或不安装散热板时,其正常工作的环境温度范围。
4.2 固态继电器的选用
功率固态继电器的特性参数包括输入和输出参数,下面以北京科通继电器总厂生产的GX—10F继电器为例,列出输入、输出参数,详见表1,根据输入电压参数值大小,可确定工作电压大小。如采用TTL或CMOS等逻辑电平控制时,最好采用有足够带载能力的低电平驱动,并尽可能使“0”电平低于0.8V。如在噪声很强的环境下工作,不能选用通、断电压值相差小的产品,必须选用通、断电压值相差大的产品(如选接通电压为8V或12V的产品),这样不会因噪声干扰而造成控制失灵。输出参数的项目较多,现对主要几个参数说明如下:

4.2.1 额定输入电压:指定条件下能承受的稳态阻性负载的最大允许电压有效值。如果受控负载是非稳态或非阻性的,必须考虑所选产品是否能承受工作状态或条件变化时(冷热转换、静动转换、感应电势、瞬态峰值电压、变化周期等)所产生的最大合成电压。例如负载为感性时,所选额定输出电压必须大于两倍电源电压值,而且所选产品的阻断(击穿)电压应高于负载电源电压峰值的两倍。如在电源电压为交流220V,一般的小功率非阻性负载的情况下,建议选用额定电压为400V~600V的SSR产品;但对于频繁起动的单相或三相电机负载,建议选用额定电压为660V~800V的SSR产品。
4.2.2 额定输出电流和浪涌电流:额定输出电流是指在给定条件下(环境温度、额定电压、功率因数、有无散热器等)所能承受的电流最大的有效值。一般生产厂家都提供热降额曲线。如周围温度上升,应按曲线作降额使用。
浪涌电流是指在给定条件下(室温、额定电压、额定电流和持续的时间等)不会造成永久性损坏所允许的最大非重复性峰值电流。交流继电器的浪涌电流为额定电流的5~10倍(一个周期),直流产品为额定电流的1.5~5倍(1s)。在选用时,如负载为稳态阻性,SSR可全额或降额10%使用。对于电加热器、接触器等,初始接通瞬间出现的浪涌电流可达3倍的稳态电流,因此,SSR降额20%~30%使用。对于白炽灯类负载,SSR应按降额50%使用,并且还应加上适当的保护电路。对于变压器负载,所选产品的额定电流必须高于负载工作电流的两倍。对于负载为感应电机,所选SSR的额定电流值应为电机运转电流的2~4倍,SSR的浪涌电流值应为额定电流的10倍。
固态继电器对温度的敏感性很强,工作温度超过标称值后,必须降热或外加散热器,例如额定电流为10A的JGX—10F产品,不加散热器时的允许工作电流只有10A。
4.2.3 输入特性
(1)为了保证固态继电器的正常工作,必须考虑输入条件,通常输入电压为阶跃函数,然而,如果输入电压是斜坡,就会出现半周循环现象,出现这种现象是由于开关半导体器件在正、反触发时不完全对称,因此,如果输入电压斜坡上升,这种开关在负载为某一极性时就可能触发,而当负载电压为反极性时就可能不触发,而出现半周导通现象,这种现象将持续到输入量足以使输出完全导通为止。
(2)输入端出现的瞬态,可以使继电器误动,尤其是当继电器响应时间等于或小于噪声脉冲持续时间时,继电器就会导通,对输入信号进行滤波有助于减少这种现象。
(3)当反极性(反向输入)电压适用时,继电器输入端可以承受最大输入电压值或其它规定值的反极性电压,超过该值,可能造成SSR的永久性破坏。当反极性电压不适用时,或继电器规定不能反向施加输入电压时,使用时一定注意,不能使输入电压反向。
4.2.4 输出特性
(1)SSR给出的最大额定输出电流一般指常温下或常温到高温下的最大额定输出电流而且对大于10A的继电器还指带有规定散热器时的最大额定输出电流。对功率SSR,当工作温度上升或不带散热器时,最大输出电流相应下降。对此,各SSR均给出不带散热带规定散热器的输出电流与环境温度的关系曲线。这曲线又叫热降额曲线如图4所示。

图4 某一典型继电器的热降额曲线
(2)当负载很轻即负载电阻或阻抗很大时,接通时的输出电流下降,该电流与关断状态下的漏电流之间的比值下降。对交流SSR,这时的漏电流可能会使接触器嗡嗡作响,或使电机继续运转;当输出电流小于最小额定电流时,SSR的直流失调电压和波形失真都会超过规定值,输出电流过小,也会使输出可控硅不能在规定的零电压范围内导通。为了改善这种状况,可以在负载两端并联一定的电阻,RC或灯泡。
(3)SSR的许多负载如灯负载、电动机负载、感性和容性负载,在接通时的过渡过程会形成浪涌电流,由于散热不及,浪涌电流是使固态继电器损坏的最常见的原因。为了适应这种情况,SSR根据其内部电路结构和输出器件特性,通常均给出了过负载(或浪涌电流)参数建议额定输出电流(最大值)的倍数,脉冲(浪涌)持续时间,循环周期和次数来表示。一般,直流SSR的过负载(浪涌)额定值远小于同功率的交流SSR。另外,SSR的性质还与接通时的电流上升率di/dt密切相关。di/dt超过某一值会使SSR的可控硅输出器件损坏。为避免上述浪涌电流对SSR的损坏,可不同程度的降额使用SSR,必要时,可在负载电路中串联电阻,将浪涌电流和可能发生的短路电流限制在SSR所允许的过负载范围内,也可利用快速熔断的保险丝来保护SSR。
(4)对于SSR,特别对交流SSR,电压指数上升率是一个重要参数。这是因为当SSR关断时,若输出端电压上升率超过SSR规定的dv/dt,可能使SSR误接通,严重时会造成SSR的损坏,一般SSR规定的dv/dt为100V/μs,也有的达200V/μs。交流SSR多在电流过零时判断,对感性和容性负载,在电流达零并关断时,线电压并不为零。功率因数cosφ越小,这个电压越大,在关断时,这一较大的电压将以较大的上升率加在SSR的输出端。另外,SSR关断时,感性负载上会产生反电势,该反电势同电压一起形成的过电压将加在SSR的输出端。在使用SSR反转电容分相电机和反接未停转的三相电机时,都可能在SSR的输出端产生二倍于线电压的过压效应。dv/dt和过电压是使SSR失效的重要模式,因此要认真对待。一般,在可能产生二倍线电压效应的场合应选择最大额定输出电压高于二倍线电压的SSR。在dv/dt和过电压严重的线路中,一般也应使SSR的最大额定输出电压高于二倍线电压。
对一般的感性负载,SSR的最大额定输出电压也应为线电压的1.5倍。另外,可以在SSR输出端并联RC吸收回路或其它瞬态抑制回路。
5 固态继电器在应用中一些问题的探讨
5.1 基本单元电路
如图5a所示为稳定的阻性负载,为了防止输入电压超过额定值,需设置一限流电阻Rx;当负载为非稳定性负载或感性负载时,在输出回路中还应附加一个瞬态抑制电路,如图5b所示,目的是保护固态继电器。通常措施是在继电器输出端加装RC吸收回路(例如:R=150Ω,C=0.5μF或R=39Ω,C=0.1μF),它可以有效的抑制加至继电器的瞬态电压和电压指数上升率dv/dt。在设计电路时,建议用户根据负载的有关参数和环境条件,认真计算和试验RC回路的选值。另一个常用的措施是在继电器输出端接入具有特定钳位电压的电压控制器件,如双向稳压二极管或压敏电阻(MOV)。压敏电阻电流值应按下式计算:
Imov=(Vmax-Vmov)/Zs
其中Zs为负载阻抗、电源阻抗以及线路阻抗之和,Vmax、Vmov分别为最高瞬态电压、压敏电阻的标称电压,对于常规的220V和380V的交流电源,推荐的压敏电阻的标称电压值分别为440~470V和760~810V。
在交流感性负载上并联RC电路或电容,也可抑制加至SSR输出端的瞬态电压和电压指数上升率。
但实验表明,RC吸收回路,特别是并联在SSR输出端的RC吸收回路,如果和感性负载组合不当,容易导致振荡,在负载电源上电或继电器切换时,加大继电器输出端的瞬变电压峰值,增大SSR误导通的可能性,所以,对具体应用电路应先进行试验,选用合适的RC参数,甚至有时不用RC吸收电路更有利。
对于容性负载引起的浪涌电流可用感性元件抑制,如在电路中引入磁干扰滤波器、扼流圈等,以限制快速上升的峰值电流。
另外,如果输出端电流上升变化率(di/dt)很大,可以在输出端串联一个具有高磁导率的软化磁芯的电感器加以控制。

图5 SSR连接负载图
通常SSR均设计为“常开”状态,即无控制信号输入时,输出端是开路的,但在自动化控制设备中经常需要“常闭”式的SSR,这时可在输入端外接一组简单的电路,如图5c所示,这时即为常闭式SSR。
5.2 多功能控制电路
图6a为多组输出电路,当输入为“0”时,三极管BG截止,SSR1、SSR2、SSR3的输入端无输入电压,各自的输出端断开;当输入为“1”时,三极管BG导通,SSR1、SSR2、SSR3的输入端有输入电压,各自的输出端接通,因而达到了由一个输入端口控制多个输出端“通”、“断”的目的。
图6b为单刀双掷控制电路,当输入为“0”时,三极管BG截止,SSR1输入端无输入电压,输出端断开,此时A点电压加到SSR2的输入端上(UA—UDW应使SSR2输出端可靠接通),SSR2的输出端接通;当输入为“1”时,三极管BG导通,SSR1输入端有输入电压,输出端接通,此时A点虽有电压,但UA—UDW的电压值已不能使SSR2的输出端接通而处于断开状态,因而达到了“单刀双掷控制电路”的功能(注意:选择稳压二极管DW的稳压值时,应保证在导通的SSR1“+”端的电压不会使SSR2导通,同时又要兼顾到SSR1截止时期“+”端的电压能使SSR2导通)。

图6 SSR输出电路
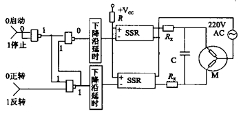
5.3 用计算机控制电机正反转的接口及驱动电路
图7为计算机控制单相交流电机正反转的接口及驱动电路,在换向控制时,正反转之间的停滞时间应大于交流电源的1.5个周期(用一个“下降沿延时”电路来完成),以免换向太快而造成线间短路。电路中继电器要选用阻断电压高于600V和额定电压为380V以上的交流固态继电器。
为了限制电机换向时电容器的放电电流,应在各回路中外加一只限流电阻Rx,其阻值和功率可按下式计算:
Rx=0.2×Vp/IR(Ω),P=Im2Rx
其中:Vp—电源峰值电压(V);IR—固态继电器额定电流(A);Im—电机运转电流(A);P—限流电阻功率(W)。

图7 计算机控制单相交流电机正反转的接口及驱动电路
图8为计算机控制三相交流电机正反转的接口及驱动电路,图中采用了4个与非门,用二个信号通道分别控制电动机的起动、停止和正转、反转。当改变电动机转动方向时,给出指令信号的顺序应是“停止—反转—起动”或“停止—正转—起动”。延时电路的最小延时不小于1.5个交流电源周期。其中RD1、RD2、RD3为熔断器。当电机允许时,可以在R1—R4位置接入限流电阻,以防止当两线间的任意二只继电器均误接通时,限制产生的半周线间短路电流不超过继电器所能承受的浪涌电流,从而避免烧毁继电器等事故,确保安全性;但副作用是正常工作时电阻上将产生压降和功耗。该电路建议采用额定电压为660V或更高一点的SSR产品。

图8 计算机控制三相交流电机正反转的接口及驱动电路
5.4 SSR应用电路
用于单电源移相触发电路的随机型SSR调压电路如图9所示,图10为直流SSR控制电路。利用图11所示的分相电机制动控制电路可以对小功率电机(小于1马力)进行快停与起动控制,其中SSR的负载电压额定值应是电网电压的2倍。
对于1/8马力电机,图11中的R1应为10Ω,(2W)、R2为250Ω(25W),C1为10μF(300V)、C2为3.75μF(330V)。
利用SSR还可以组成很多电路,如三相负载控制电路、三相感应电机的正反转控制电路等。

6 结束语
由前述可以看到SSR的性能与电磁式继电器相比有着很多的优越性,特别易于实现计算机的编程控制,因此使得控制的实现更加方便、灵活。但它也存在一些弱点,如:导通电阻(几Ω~几十Ω)、通态压降(小于2V)、断态漏电流(5~10mA)等的存在,易发热损坏;截止时存在漏电阻,不能使电路完全分开;易受温度和辐射的影响,稳定性差;灵敏度高,易产生误动作,在需要联锁、互锁的控制电路中,保护电路的增设,使得成本上升、体积增大。因此,对于SSR具有的独特性能,必须正确的理解和谨慎使用,方能发挥其独特的性能,并确保SSR无故障的工作。
射频工程师养成培训教程套装,助您快速成为一名优秀射频工程师...
天线设计工程师培训课程套装,资深专家授课,让天线设计不再难...
上一篇:固态继电器的应用浅析
下一篇:一组新颖的ZCS_PWM变换器的研究
射频和天线工程师培训课程详情>>

