- 易迪拓培训,专注于微波、射频、天线设计工程师的培养
双正激变换器软开关拓扑的分析与评价
录入:edatop.com 点击:
1. 引言
双正激变换器克服了正激变换器中开关电压应力高的缺点,每个开关管只需承受输入直流电压,不需要采用特殊的磁复位电路就可以保证变压器的可靠磁复位。它的每一个桥臂都是由一个二极管与一个开关管串联组成,不存在桥臂直通的危险,可靠性高。因此双正激变换器具有其它变换器无法比拟的优点,成为目前中大功率变换器中应用最多的拓扑之一。双正激组合变换器通过对双正激变换器进行并、串组合,可以克服其占空比只能小于0.5的缺点,提高变压器的利用率和变换器的等效占空比,适合应用于高输入和输出电压的大功率场合。
现代电源的发展方向是高频化、小型化、模块化、智能化,实现变换器的高功率密度、高效率和高可靠性。提高开关频率,减小磁性元件的体积和重量是提高变换器功率密度的有效措施。但是在硬开关状态下工作的变换器,随着开关频率的上升,一方面开关器件的开关损耗会成正比地增大,无源元件的损耗大幅度增加,效率大大降低;另一方面,过高的dv/dt和di/dt会产生严重的电磁干扰(EMI),影响变换器的可靠性。为了改善高频变换器开关的工作条件,减小开关损耗和电磁干扰,各种软开关技术应用而生,包括无源软开关技术与ZVS/ZCS谐振、准谐振、ZVS/ZCS-PWM、ZVT/ZCT-PWM等有源软开关技术。
近年来国内外广大学者对双正激及其组合变换器的软开关技术进行了大量的研究。软开关拓扑大体上可分为三类,即应用无源辅助电路的无源软开关拓扑;应用有源辅助电路的有源软开关拓扑;不需辅助电路的软开关拓扑。本文系统地分析了这三类软开关拓扑,指出各种拓扑的特点和适用场合,给出简单的分析和评价,并选择了一种新型的ZVS双正激组合变换器,作为高压直流输入航空静止变流器DC/DC级拓扑,成功研制了一台4KW的双正激组合变换器,满载时效率高达95.51%。
2. 应用无源辅助电路的无源软开关拓扑
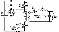
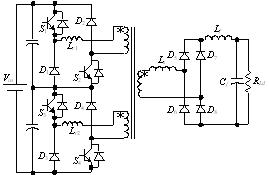
2.1 原边箝位型ZVZCS双正激变换器
文献提出了一种原边箝位型ZVZCS双正激变换器如图1所示。原边箝位电路由辅助电感Lr和两个箝位二极管D3、D4组成。

图1 原边箝位型ZVZCS双正激变换器
S1和S2开通时Lr的电流从零开始线性上升,从而减小了D6关断时的di/dt和电压尖峰,S1和S2为零电流开通。S1和S2关断时负载电流对开关管的结电容充电,S1和S2为零电压关断。该拓扑的优点是:通过简单的无源箝位电路减小了副边续流二极管反向恢复引起的电压尖峰,降低了电磁干扰,实现了开关管的零电流开通和零电压关断,适合应用于高压输出的大功率场合。缺点是变换器的开关管为容性开通。
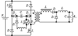
2.2 一种双正激电路的软关断拓扑
文献提出了一种双正激电路的软关断拓扑如图2所示。通过比开关结电容大得多的谐振电容C1、C2限制开关电压的上升速度,从而实现开关管的ZVS关断。由Lr、C1、C2 D3、D4和D5构成的箝位电路是无损的,并能将变压器漏感所存储的能量全部返回到输入电源中。但是开关管开通时,谐振电流从开关管流过,增加了开关管的电流应力,而且开关管为硬开通,对大功率双正激电路效率的提高有较大的实用价值。

图2 一种双正激电路的软关断拓扑
2.3 无源ZVT双正激变换器
图3示出了一种无源ZVT 双正激变换器 ,它通过在变压器原边增加辅助电路,实现开关管的零电压关断。其工作原理为:当两个开关管开通时,谐振电容Cr 和谐振电感Lr通过开关S2 及二极管D3谐振,将Cr上的电压改变极性,在开关管关断时,由于Cr比开关管的结电容大得多,因此限制了开关管电压的上升速度,从而实现零电压关断。这种变换器的优点是不需要增加有源开关器件,因此电路简单。但是由于在开关开通时,谐振电流要从下管S2流通,因此增加了下管的电流应力,而且开关管为硬开通,开通损耗较大。

图3 无源ZVT双正激变换器
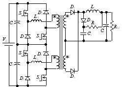
2.4 无损缓冲ZVZCS双正激变换器
文献提出了一种无损缓冲ZVZCS双正激电路如图4所示。通过辅助电感Lr实现开关管的零电流开通,由谐振电容Cr实现开关管的零电压关断。该变换器在整个负载范围内都可以实现软开关,通态损耗较小,而且缓冲电路是无损的。

图4 无损缓冲ZVZCS双正激电路
2.5 带能量吸收电路的软开关双正激变换器
文献提出了一种开关管和副边整流二极管带能量吸收缓冲电路的双正激电路如图5所示。无损吸收缓冲网络实现了原边开关管的零电流开通、零电压关断和副边整流二极管的零电流开通,并且副边整流二极管不存在电压尖峰和反向恢复损耗。该电路结构比较复杂,需要附加2套缓冲电路。

图5 带能量吸收缓冲电路的软开关双正激变换器
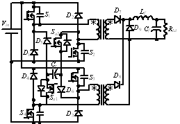
2.6 桥臂互感型软开关双正激组合变换器
文献提出了一种桥臂互感型软开关双正激组合变换器如图6所示,将两个双正激变换器的串联组合,副边采用倍流整流电路,适用于高输入电压、低压大电流输出的场合。开关管承受的电压仅为输入直流电压的一半。利用耦合电感中储存的能量实现开的零电压开关,同时采用移相控制技术调节输出电压和实现软开关。由于采用了带两个原边绕组的变压器,所以能够使变压器磁芯工作在双象限和实现输入电容电压的自动均压。该电路的缺点是每个桥臂上的辅助电路增加了开关管的电流应力,电路的导通损耗比较大,辅助电路较复杂。

图6 桥臂互感型软开关双正激组合变换器
2.7 改进的桥臂互感型软开关双正激组合变换器
文献提出了一种改进的桥臂互感型软开关双正激组合变换器如图7所示,不仅具有图6电路所具有的优点,而且不需要采用图6电路所示的辅助电路。通过PWM控制开关管的导通和关断,利用偶合的谐振电感Lr1和Lr2实现开关管的零电压开通,但是软开关范围受一定的限制。由于输入电容的自动均压方式是通过原边电流流经开关管和变压器在两个电容之间相互传递能量实现的,因而会增加开关管的电流应力和导通损耗。而且副边整流二极管的电压应力较大,不适合应用在高输出电压场合。该变换器适用于高输入电压、低压大电流输出的大功率场合。

图7 改进的桥臂互感型软开关双正激组合变换器
3. 应用有源辅助电路的有源软开关拓扑
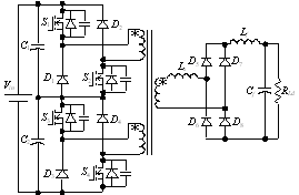
3.1 有源箝位软开关双正激变换器
文献提出了一种有源箝位软开关双正激变换器如图8所示。通过在变压器的原边并联一个由Sa、Ca、Da构成的有源箝位网络,不仅可以箝位开关管的电压,还可以实现开关管和辅管的零电压开通。同时变压器励磁电流双向流动,提高了变压器磁芯的利用率。电路工作于准方波模式,可以进行恒频PWM控制,电磁兼容性好。

图8 有源箝位软开关双正激变换器
3.2 一种新型的有源箝位双正激变换器
为了减小变换器原边开关管和副边二极管的开关损耗和导通损耗,文献[11]提出了一种新型的有源箝位双正激变换器如图9所示,利用2个开关管Sa1、Sa2代替传统双正激电路原边的2个箝位二极管,同时加入一个箝位电容,实现主开关管和辅管的ZVS开通。该拓扑电路结构简洁,而且辅管Sa1、Sa2可以选用电压定额较低的开关管。该变换器适用于宽输入电压范围的中、低压场合,但是辅管的引入增加了电路控制的复杂性。

图9 一种新型的有源箝位双正激变换器
3.3 一种有源软开关双正激变换器
文献[12]提出了一种有源软开关双正激变换器如图10所示。辅助谐振网络的辅管可以零电流开通,ZVS关断,同时实现主开关管S1的零电压零电流开通、零电压关断和S2的零电流开通。该拓扑的缺点辅助电路结构比较复杂,开关管S2是硬关断,而且存在容性开通损耗。

图10 一种有源软开关双正激变换器
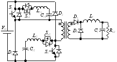
3.4 串联组合式ZVS双正激变换器
图11所示电路[13]是由两个ZVS双正激变换器串联组成。它可以实现主开关管的零电压开通和辅管的零电流开通、零电压零电流关断。在主开关管开通前超前导通辅管Sa1(或Sa2),通过Lr1(或Lr2)和Cr1(或Cr2)谐振,使谐振电容上的电压达到Vin/2,然后开通主开关管。由于该电路采用了带两个原边的变压器,所以它能实现磁芯的双象限工作和输入电容的自动均压,适合应用在高电压输入的大功率场合。但是副边整流二极管的电压为两倍的副边电压,因而限制了变换器在高输出电压领域的应用。
3.5 有源ZVT双正激变换器
文献[14]提出了一种有源ZVT双正激变换器如图12所示。其基本原理与图4所示的无源ZVT电路一样,也是通过比开关结电容大得多的谐振电容Cr限制开关电压上升速度,从而实现开关ZVS关断。与图4不同的是,谐振回路与主回路完全分开,在谐振网络中增加了谐振开关Sa,谐振电流不从下管中流过,因此不增加变换器主开关管的电流应力。而且通过在S1、S2开通之前很短的时间内超前开通谐振开关Sa,能够实现S1、S2的零电压开通。该带电路的缺点是Sa零电流开关,但为容性开通,而且这种变换器增加了电路的复杂性。

图12 有源ZVT双正激变换器
3.6 ZVT交错并联双正激组合变换器
文献[15]提出了一种ZVT交错并联双正激组合变换器,如图13所示,采用一套辅助电路实现整个组合变换器的主开关管的ZVS。辅助电路由两个开关管Sa1、Sa2、D5、D6有和谐振电容Cr组成,将变压器漏感和励磁电感作为谐振电感,减少了外加谐振电感带来的损耗。但是辅管是零电流开关,存在容性开通损耗。

图13 ZVT交错并联双正激组合变换器
3.7 ZCT双正激变换器
文献[16]提出了ZCT双正激变换器,如图14所示,在每个开关管旁并联一个谐振回路,在主开关管关断之前开通谐振开关,通过谐振回路的谐振,将主开关管的电流转移到谐振回路中,从而实现主开关管的零电流关断,谐振开关在谐振电流过零时自然关断。ZCT双正激变换器特别适合于以IGBT 作主开关管的应用场合,可以避免IGBT 关断时由拖尾电流引起的关断损耗。但是主开关管是硬开通,而且需要两个辅助开关和两套辅助电路,因此电路结构比较复杂。

图14 ZCT双正激变换器
3.8 广义软开关-PWM双正激变换器
广义软开关,就是用有源或无源的无损吸收电路,使开关过程软化,实现近似零电压开通或近似零电流关断,减少开关损耗,同时降低整流二极管的反向恢复损耗。它可以达到与传统ZVT或ZCT软开关几乎相同的指标,但比传统软开关具有电路简单,成本低廉,可靠性高的优点。图15所示是一种广义软开关-PWM双正激变换器[17,18],原理简述如下:主开关管S1、S2以及辅管Sa同时开通,回路中Lr限制了主开关管的电流上升率,减小了开通损耗。S1先关断,变压器电流对C1充电,C1上的电压不能突变,因此S1电压上升电压斜率受到限制,关断损耗减小。令Sa先于S2关断,当S2关断时,器电流对C2充电,和S1关断情况相同,减小了S2的关断损耗。该电路的特点是:变压器和吸收电感的储能可回馈给电源,辅管Sa可实现ZVS,S1、S2虽然不是零电压开通,也不是零电流关断,但是有源无损吸收电路有效地软化了开关过程。但是吸收电路需增加辅助开关管,控制较复杂。

图15 广义软开关-PWM双正激变换器
4. 不需辅助电路的软开关拓扑
4.1 双桥式ZVS双正激组合变换器
图16提出了一种双桥式ZVS双正激组合变换器[19],两个双正激变换器在原边串联,共用一个高频变压器,通过移相控制,并利用变压器漏感和励磁电感实现开关管的零电压开通。变压器磁芯的双象限磁化实现了输入电容的自动均压。该电路适用于高输入、输出电压,大电流输出的场合,但是通态损耗较大。

图16 双桥式ZVS双正激变换器
4.2 ZVZCS PWM交错并联的双正激组合变换器
文献[20]提出了一种ZVZCS PWM并联的双正激组合变换器如图17所示,副边采用耦合的滤波电感以减小空载电流和环流电流,Ls1、Ls2是变压器的副边漏感。通过PWM控制,不需辅助电路就实现了S1、S2的ZVS和S3、S4的ZCS,减小了原边和副边的空载和环流电流,降低了通态损耗。它适合用于高压输入、IGBT做开关管的场合。

图17 ZVZCS PWM交错并联的双正激组合变换器
4.3 新型的ZVZCS双正激组合变换器
文献[21]提出了一种新型的ZVZCS PWM交错并联的双正激组合变换器如图18所示。两个相同的双正激变换器在原边串联,采用一个带两个原边绕组和两个副边绕组的高频变压器,采用PWM技术减少空载和环流电流,降低了导通损耗。在较宽的负载范围内不需采用任何有源或无源辅助电路,由变压器漏感电流实现了S1、S3的零电压零电流开通、零电压关断,利用漏感电流和环流电流实现S2、S4的零电流开通、零电压关断。4个开关管类似全桥变换器工作,磁芯元件和滤波器体积都很小。该变换器的优点是变压器原边侧没有环流存在,但是需要两个相同的原边绕组,铜损较大。此外S2、S4为零电流开通,用MOSFET作开关管时存在容性开通损耗。适用于高输入电压的大功率场合。

图18新型的ZVZCS双正激组合变换器
4.4 ZVS三电平双正激组合变换器
文献[22]提出了一种新型的ZVS三电平双正激组合变换器,如图19所示。它由两个双正激电路串联构成,经过一个有两个原边绕组的高频变压器实行隔离输出。利用集成在高频变压器中的副边漏感,通过PWM控制实现开关管的ZVS。该变换器的开关管所承受的电压应力为输入直流电压的一半,因此适用于高电压输入场合。文献最后给出了采用全波整流和倍流整流的ZVS三电平双正激组合变换器拓扑。

图19 ZVS三电平双正激组合变换器
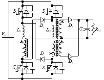
4.5 新型的ZVS双正激组合变换器
文献提出了一种新型的ZVS双正激组合变换器,如图20所示。主电路原边部分由交错并联的双正激组合变换器简化而来,原边只用两个续流二极管,电路结构简单。而且采用变压器的磁集成技术,高频变压器磁芯双向磁化,提高了磁芯的利用率,进一步减小了体积,提高了变换器的功率密度。此外,该变换器还具有如下一些特点:
(1)变换器采用开环控制,在接近100%的等效占空比下工作,变换效率高;(2)可以通过变压器漏感(或串联电感)能量实现主开关管的零电压开通,同时降低了副边整流二极管的反向恢复损耗,大大提高了效率;(3)输出滤波电路不含滤波电感,这样由于输出滤波电容的箝位作用,大大减小了副边整流二极管的电压尖峰。该变换器起着隔离和变压的作用,输出电压随输入电压和负载变化,所以适合应用于输入电压变化范围较小的两级或多级系统中。

图20新型的ZVS双正激组合变换器
本文选用这种新型的ZVS双正激组合变换器,作为高压直流输入航空静止变流器DC/DC级拓扑,采用并-串组合方式成功研制了一台4KW的DC/DC变换器(实验电路如图21)。

图21变换器实验电路图
实验主要数据为:输入直流电压:Vin=270V;输出直流电压:Vo=360V;D=0.483;变压器磁芯:双EE55B。变压器原副边变比:K=13:11;变压器原边漏感(包括串联电感):Ls1= Ls2= Ls3= Ls4=26uH;开关管(S1"S8):IXTK48N50(Rds(on)=0.10 , Cds="620pF");原边续流二极管(D1"D4):DSEI60-06A;副边整流二极管(D5"D8):DSEI60-10A 。输出滤波电容:Cf1= Cf2=470uF;开关频率:fs=100kHz。

图22 ZVS开关波形(2us/div)
(CH1:S1漏源电压 100V/div;CH2:S1驱动电压 20V/div)
图23满载时驱动电压、副边电压、电流波形(2us/div) (CH1:S1驱动电压 20V/div;CH2:变压器副边电压 250V/div;CH3:变压器副边电流 10A/div)
图22是开关管S1的驱动电压和漏源电压的波形,从图中可以看出S1实现了ZVS。图23给出了满载时副边电压和电流的波形。由于输出滤波电容的箝位,副边几乎没有电压尖峰。图24给出了变换器效率和输出功率的关系曲线,满载时效率高达95.51%。

图23 满载时副边电压和电流的波形

图24 效率与输出功率的关系曲线
5. 结论
本文对应用无源辅助电路、有源辅助电路和不需附加辅助电路的三类双正激软开关拓扑进行了系统的分析和评价,并选择一种新型的双正激软开关拓扑作为高压直流输入航空静止变流器的DC/DC级拓扑,成功研制了一台4KW的样机,最后给出了实验结果。本文的分析将有助于在不同的应用场合选择最合适的双正激变换器的软开关拓扑。
双正激变换器克服了正激变换器中开关电压应力高的缺点,每个开关管只需承受输入直流电压,不需要采用特殊的磁复位电路就可以保证变压器的可靠磁复位。它的每一个桥臂都是由一个二极管与一个开关管串联组成,不存在桥臂直通的危险,可靠性高。因此双正激变换器具有其它变换器无法比拟的优点,成为目前中大功率变换器中应用最多的拓扑之一。双正激组合变换器通过对双正激变换器进行并、串组合,可以克服其占空比只能小于0.5的缺点,提高变压器的利用率和变换器的等效占空比,适合应用于高输入和输出电压的大功率场合。
现代电源的发展方向是高频化、小型化、模块化、智能化,实现变换器的高功率密度、高效率和高可靠性。提高开关频率,减小磁性元件的体积和重量是提高变换器功率密度的有效措施。但是在硬开关状态下工作的变换器,随着开关频率的上升,一方面开关器件的开关损耗会成正比地增大,无源元件的损耗大幅度增加,效率大大降低;另一方面,过高的dv/dt和di/dt会产生严重的电磁干扰(EMI),影响变换器的可靠性。为了改善高频变换器开关的工作条件,减小开关损耗和电磁干扰,各种软开关技术应用而生,包括无源软开关技术与ZVS/ZCS谐振、准谐振、ZVS/ZCS-PWM、ZVT/ZCT-PWM等有源软开关技术。
近年来国内外广大学者对双正激及其组合变换器的软开关技术进行了大量的研究。软开关拓扑大体上可分为三类,即应用无源辅助电路的无源软开关拓扑;应用有源辅助电路的有源软开关拓扑;不需辅助电路的软开关拓扑。本文系统地分析了这三类软开关拓扑,指出各种拓扑的特点和适用场合,给出简单的分析和评价,并选择了一种新型的ZVS双正激组合变换器,作为高压直流输入航空静止变流器DC/DC级拓扑,成功研制了一台4KW的双正激组合变换器,满载时效率高达95.51%。
2. 应用无源辅助电路的无源软开关拓扑
2.1 原边箝位型ZVZCS双正激变换器
文献提出了一种原边箝位型ZVZCS双正激变换器如图1所示。原边箝位电路由辅助电感Lr和两个箝位二极管D3、D4组成。

图1 原边箝位型ZVZCS双正激变换器
S1和S2开通时Lr的电流从零开始线性上升,从而减小了D6关断时的di/dt和电压尖峰,S1和S2为零电流开通。S1和S2关断时负载电流对开关管的结电容充电,S1和S2为零电压关断。该拓扑的优点是:通过简单的无源箝位电路减小了副边续流二极管反向恢复引起的电压尖峰,降低了电磁干扰,实现了开关管的零电流开通和零电压关断,适合应用于高压输出的大功率场合。缺点是变换器的开关管为容性开通。
2.2 一种双正激电路的软关断拓扑
文献提出了一种双正激电路的软关断拓扑如图2所示。通过比开关结电容大得多的谐振电容C1、C2限制开关电压的上升速度,从而实现开关管的ZVS关断。由Lr、C1、C2 D3、D4和D5构成的箝位电路是无损的,并能将变压器漏感所存储的能量全部返回到输入电源中。但是开关管开通时,谐振电流从开关管流过,增加了开关管的电流应力,而且开关管为硬开通,对大功率双正激电路效率的提高有较大的实用价值。

图2 一种双正激电路的软关断拓扑
2.3 无源ZVT双正激变换器
图3示出了一种无源ZVT 双正激变换器 ,它通过在变压器原边增加辅助电路,实现开关管的零电压关断。其工作原理为:当两个开关管开通时,谐振电容Cr 和谐振电感Lr通过开关S2 及二极管D3谐振,将Cr上的电压改变极性,在开关管关断时,由于Cr比开关管的结电容大得多,因此限制了开关管电压的上升速度,从而实现零电压关断。这种变换器的优点是不需要增加有源开关器件,因此电路简单。但是由于在开关开通时,谐振电流要从下管S2流通,因此增加了下管的电流应力,而且开关管为硬开通,开通损耗较大。

图3 无源ZVT双正激变换器
2.4 无损缓冲ZVZCS双正激变换器
文献提出了一种无损缓冲ZVZCS双正激电路如图4所示。通过辅助电感Lr实现开关管的零电流开通,由谐振电容Cr实现开关管的零电压关断。该变换器在整个负载范围内都可以实现软开关,通态损耗较小,而且缓冲电路是无损的。

图4 无损缓冲ZVZCS双正激电路
2.5 带能量吸收电路的软开关双正激变换器
文献提出了一种开关管和副边整流二极管带能量吸收缓冲电路的双正激电路如图5所示。无损吸收缓冲网络实现了原边开关管的零电流开通、零电压关断和副边整流二极管的零电流开通,并且副边整流二极管不存在电压尖峰和反向恢复损耗。该电路结构比较复杂,需要附加2套缓冲电路。

图5 带能量吸收缓冲电路的软开关双正激变换器
2.6 桥臂互感型软开关双正激组合变换器
文献提出了一种桥臂互感型软开关双正激组合变换器如图6所示,将两个双正激变换器的串联组合,副边采用倍流整流电路,适用于高输入电压、低压大电流输出的场合。开关管承受的电压仅为输入直流电压的一半。利用耦合电感中储存的能量实现开的零电压开关,同时采用移相控制技术调节输出电压和实现软开关。由于采用了带两个原边绕组的变压器,所以能够使变压器磁芯工作在双象限和实现输入电容电压的自动均压。该电路的缺点是每个桥臂上的辅助电路增加了开关管的电流应力,电路的导通损耗比较大,辅助电路较复杂。

图6 桥臂互感型软开关双正激组合变换器
2.7 改进的桥臂互感型软开关双正激组合变换器
文献提出了一种改进的桥臂互感型软开关双正激组合变换器如图7所示,不仅具有图6电路所具有的优点,而且不需要采用图6电路所示的辅助电路。通过PWM控制开关管的导通和关断,利用偶合的谐振电感Lr1和Lr2实现开关管的零电压开通,但是软开关范围受一定的限制。由于输入电容的自动均压方式是通过原边电流流经开关管和变压器在两个电容之间相互传递能量实现的,因而会增加开关管的电流应力和导通损耗。而且副边整流二极管的电压应力较大,不适合应用在高输出电压场合。该变换器适用于高输入电压、低压大电流输出的大功率场合。

图7 改进的桥臂互感型软开关双正激组合变换器
3. 应用有源辅助电路的有源软开关拓扑
3.1 有源箝位软开关双正激变换器
文献提出了一种有源箝位软开关双正激变换器如图8所示。通过在变压器的原边并联一个由Sa、Ca、Da构成的有源箝位网络,不仅可以箝位开关管的电压,还可以实现开关管和辅管的零电压开通。同时变压器励磁电流双向流动,提高了变压器磁芯的利用率。电路工作于准方波模式,可以进行恒频PWM控制,电磁兼容性好。

图8 有源箝位软开关双正激变换器
3.2 一种新型的有源箝位双正激变换器
为了减小变换器原边开关管和副边二极管的开关损耗和导通损耗,文献[11]提出了一种新型的有源箝位双正激变换器如图9所示,利用2个开关管Sa1、Sa2代替传统双正激电路原边的2个箝位二极管,同时加入一个箝位电容,实现主开关管和辅管的ZVS开通。该拓扑电路结构简洁,而且辅管Sa1、Sa2可以选用电压定额较低的开关管。该变换器适用于宽输入电压范围的中、低压场合,但是辅管的引入增加了电路控制的复杂性。

图9 一种新型的有源箝位双正激变换器
3.3 一种有源软开关双正激变换器
文献[12]提出了一种有源软开关双正激变换器如图10所示。辅助谐振网络的辅管可以零电流开通,ZVS关断,同时实现主开关管S1的零电压零电流开通、零电压关断和S2的零电流开通。该拓扑的缺点辅助电路结构比较复杂,开关管S2是硬关断,而且存在容性开通损耗。

图10 一种有源软开关双正激变换器
3.4 串联组合式ZVS双正激变换器
图11所示电路[13]是由两个ZVS双正激变换器串联组成。它可以实现主开关管的零电压开通和辅管的零电流开通、零电压零电流关断。在主开关管开通前超前导通辅管Sa1(或Sa2),通过Lr1(或Lr2)和Cr1(或Cr2)谐振,使谐振电容上的电压达到Vin/2,然后开通主开关管。由于该电路采用了带两个原边的变压器,所以它能实现磁芯的双象限工作和输入电容的自动均压,适合应用在高电压输入的大功率场合。但是副边整流二极管的电压为两倍的副边电压,因而限制了变换器在高输出电压领域的应用。
3.5 有源ZVT双正激变换器
文献[14]提出了一种有源ZVT双正激变换器如图12所示。其基本原理与图4所示的无源ZVT电路一样,也是通过比开关结电容大得多的谐振电容Cr限制开关电压上升速度,从而实现开关ZVS关断。与图4不同的是,谐振回路与主回路完全分开,在谐振网络中增加了谐振开关Sa,谐振电流不从下管中流过,因此不增加变换器主开关管的电流应力。而且通过在S1、S2开通之前很短的时间内超前开通谐振开关Sa,能够实现S1、S2的零电压开通。该带电路的缺点是Sa零电流开关,但为容性开通,而且这种变换器增加了电路的复杂性。

图12 有源ZVT双正激变换器
3.6 ZVT交错并联双正激组合变换器
文献[15]提出了一种ZVT交错并联双正激组合变换器,如图13所示,采用一套辅助电路实现整个组合变换器的主开关管的ZVS。辅助电路由两个开关管Sa1、Sa2、D5、D6有和谐振电容Cr组成,将变压器漏感和励磁电感作为谐振电感,减少了外加谐振电感带来的损耗。但是辅管是零电流开关,存在容性开通损耗。

图13 ZVT交错并联双正激组合变换器
3.7 ZCT双正激变换器
文献[16]提出了ZCT双正激变换器,如图14所示,在每个开关管旁并联一个谐振回路,在主开关管关断之前开通谐振开关,通过谐振回路的谐振,将主开关管的电流转移到谐振回路中,从而实现主开关管的零电流关断,谐振开关在谐振电流过零时自然关断。ZCT双正激变换器特别适合于以IGBT 作主开关管的应用场合,可以避免IGBT 关断时由拖尾电流引起的关断损耗。但是主开关管是硬开通,而且需要两个辅助开关和两套辅助电路,因此电路结构比较复杂。

图14 ZCT双正激变换器
3.8 广义软开关-PWM双正激变换器
广义软开关,就是用有源或无源的无损吸收电路,使开关过程软化,实现近似零电压开通或近似零电流关断,减少开关损耗,同时降低整流二极管的反向恢复损耗。它可以达到与传统ZVT或ZCT软开关几乎相同的指标,但比传统软开关具有电路简单,成本低廉,可靠性高的优点。图15所示是一种广义软开关-PWM双正激变换器[17,18],原理简述如下:主开关管S1、S2以及辅管Sa同时开通,回路中Lr限制了主开关管的电流上升率,减小了开通损耗。S1先关断,变压器电流对C1充电,C1上的电压不能突变,因此S1电压上升电压斜率受到限制,关断损耗减小。令Sa先于S2关断,当S2关断时,器电流对C2充电,和S1关断情况相同,减小了S2的关断损耗。该电路的特点是:变压器和吸收电感的储能可回馈给电源,辅管Sa可实现ZVS,S1、S2虽然不是零电压开通,也不是零电流关断,但是有源无损吸收电路有效地软化了开关过程。但是吸收电路需增加辅助开关管,控制较复杂。

图15 广义软开关-PWM双正激变换器
4. 不需辅助电路的软开关拓扑
4.1 双桥式ZVS双正激组合变换器
图16提出了一种双桥式ZVS双正激组合变换器[19],两个双正激变换器在原边串联,共用一个高频变压器,通过移相控制,并利用变压器漏感和励磁电感实现开关管的零电压开通。变压器磁芯的双象限磁化实现了输入电容的自动均压。该电路适用于高输入、输出电压,大电流输出的场合,但是通态损耗较大。

图16 双桥式ZVS双正激变换器
4.2 ZVZCS PWM交错并联的双正激组合变换器
文献[20]提出了一种ZVZCS PWM并联的双正激组合变换器如图17所示,副边采用耦合的滤波电感以减小空载电流和环流电流,Ls1、Ls2是变压器的副边漏感。通过PWM控制,不需辅助电路就实现了S1、S2的ZVS和S3、S4的ZCS,减小了原边和副边的空载和环流电流,降低了通态损耗。它适合用于高压输入、IGBT做开关管的场合。

图17 ZVZCS PWM交错并联的双正激组合变换器
4.3 新型的ZVZCS双正激组合变换器
文献[21]提出了一种新型的ZVZCS PWM交错并联的双正激组合变换器如图18所示。两个相同的双正激变换器在原边串联,采用一个带两个原边绕组和两个副边绕组的高频变压器,采用PWM技术减少空载和环流电流,降低了导通损耗。在较宽的负载范围内不需采用任何有源或无源辅助电路,由变压器漏感电流实现了S1、S3的零电压零电流开通、零电压关断,利用漏感电流和环流电流实现S2、S4的零电流开通、零电压关断。4个开关管类似全桥变换器工作,磁芯元件和滤波器体积都很小。该变换器的优点是变压器原边侧没有环流存在,但是需要两个相同的原边绕组,铜损较大。此外S2、S4为零电流开通,用MOSFET作开关管时存在容性开通损耗。适用于高输入电压的大功率场合。

图18新型的ZVZCS双正激组合变换器
4.4 ZVS三电平双正激组合变换器
文献[22]提出了一种新型的ZVS三电平双正激组合变换器,如图19所示。它由两个双正激电路串联构成,经过一个有两个原边绕组的高频变压器实行隔离输出。利用集成在高频变压器中的副边漏感,通过PWM控制实现开关管的ZVS。该变换器的开关管所承受的电压应力为输入直流电压的一半,因此适用于高电压输入场合。文献最后给出了采用全波整流和倍流整流的ZVS三电平双正激组合变换器拓扑。

图19 ZVS三电平双正激组合变换器
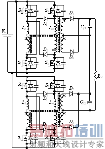
4.5 新型的ZVS双正激组合变换器
文献提出了一种新型的ZVS双正激组合变换器,如图20所示。主电路原边部分由交错并联的双正激组合变换器简化而来,原边只用两个续流二极管,电路结构简单。而且采用变压器的磁集成技术,高频变压器磁芯双向磁化,提高了磁芯的利用率,进一步减小了体积,提高了变换器的功率密度。此外,该变换器还具有如下一些特点:
(1)变换器采用开环控制,在接近100%的等效占空比下工作,变换效率高;(2)可以通过变压器漏感(或串联电感)能量实现主开关管的零电压开通,同时降低了副边整流二极管的反向恢复损耗,大大提高了效率;(3)输出滤波电路不含滤波电感,这样由于输出滤波电容的箝位作用,大大减小了副边整流二极管的电压尖峰。该变换器起着隔离和变压的作用,输出电压随输入电压和负载变化,所以适合应用于输入电压变化范围较小的两级或多级系统中。

图20新型的ZVS双正激组合变换器
本文选用这种新型的ZVS双正激组合变换器,作为高压直流输入航空静止变流器DC/DC级拓扑,采用并-串组合方式成功研制了一台4KW的DC/DC变换器(实验电路如图21)。

图21变换器实验电路图
实验主要数据为:输入直流电压:Vin=270V;输出直流电压:Vo=360V;D=0.483;变压器磁芯:双EE55B。变压器原副边变比:K=13:11;变压器原边漏感(包括串联电感):Ls1= Ls2= Ls3= Ls4=26uH;开关管(S1"S8):IXTK48N50(Rds(on)=0.10 , Cds="620pF");原边续流二极管(D1"D4):DSEI60-06A;副边整流二极管(D5"D8):DSEI60-10A 。输出滤波电容:Cf1= Cf2=470uF;开关频率:fs=100kHz。

图22 ZVS开关波形(2us/div)
(CH1:S1漏源电压 100V/div;CH2:S1驱动电压 20V/div)
图23满载时驱动电压、副边电压、电流波形(2us/div) (CH1:S1驱动电压 20V/div;CH2:变压器副边电压 250V/div;CH3:变压器副边电流 10A/div)
图22是开关管S1的驱动电压和漏源电压的波形,从图中可以看出S1实现了ZVS。图23给出了满载时副边电压和电流的波形。由于输出滤波电容的箝位,副边几乎没有电压尖峰。图24给出了变换器效率和输出功率的关系曲线,满载时效率高达95.51%。

图23 满载时副边电压和电流的波形

图24 效率与输出功率的关系曲线
5. 结论
本文对应用无源辅助电路、有源辅助电路和不需附加辅助电路的三类双正激软开关拓扑进行了系统的分析和评价,并选择一种新型的双正激软开关拓扑作为高压直流输入航空静止变流器的DC/DC级拓扑,成功研制了一台4KW的样机,最后给出了实验结果。本文的分析将有助于在不同的应用场合选择最合适的双正激变换器的软开关拓扑。
射频工程师养成培训教程套装,助您快速成为一名优秀射频工程师...
射频和天线工程师培训课程详情>>

