- 易迪拓培训,专注于微波、射频、天线设计工程师的培养
焊接机器人系统中的电源电路分析
录入:edatop.com 点击:
1 引言
近年来,随着科技的发展,越来越多的各类机器人投入了使用。其中用于工业生产的工业机器人是最庞大的一个分支,它们具有效率高、加工质量稳定、环境适应性强等特点,在诸多工业领域扮演着越来越重要的角色。我国自80年代以来引进了大量的工业机器人,为促进我国的经济发展发挥了重要作用。但随着进口机器人使用量的增加,其维护问题就显得尤为重要。现阶段关于机器人维护方面还存在很多问题,如很多国外供应商售后服务不及时,备件价格昂贵且采购周期长,缺少必要的维修资料等等。在这种情况下,进行逆向工程绘制电路图并分析其工作原理,就具有特别的意义,为以后更好地使用、维修、故障分析及改进提供了重要保证。
本文以神龙汽车有限公司的焊接机器人为例,分析该机器人系统中的电源电路,供同行参考。
2 电源电路分析
2.1 电源单元组成
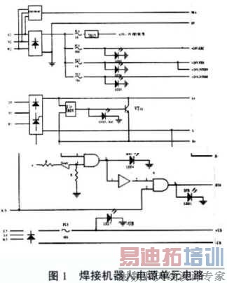
焊接机器人电源单元包括三组电源如图1。
其中,第一组(U1,V1,W1)为三相226 V,经三相晶闸管整流桥整流为DC 328V(L+,L-)供给轴控单元主回路。整流桥的触发由EIN启动。其控制电路具有过压报警、处理及故障复位功能。
第二组(U2,V2,W2)为三相20 V,经三相整流桥整流后,一部分给机器人其它部分(KRC,VER,INTERN,INTERFACE)提供DC 24 V电源,另一路经7815稳压后给第一组(U1,V1,W1)控制电路供电。
第三组(U3,V3,W3)为三相25 V,经三相整流桥整流后给轴控单元提供抱闸电源UB;UB再经轴控单元中的开关电源变换为7路电源分别给轴控单元控制回路和逆变控制电路提供电源。
以上三组电源中,第二、三组较简单,不加论述。在此仅对第一组作介绍。
2.2 第一组电源电路
第一组电源主回路由三个晶闸管模块组成整流桥如图2,其中VT 1和VD 1为一模块,输出端(L+,L-)接滤波电容C和放电电阻R。每相波头信号X2(1,3,16)送控制回路,经处理得相应晶闸管的门极触发信号X2(9,13,11)。
2.3 控制回路
第一组电源控制回路由三相触发电路、启动条件、过压报警及保护等电路组成。
2.3.1 启动条件
电源的启动条件电路如图3。当控制器发来EIN(启动)信号,光耦I1的1端呈低电位,经施密特非门驱动器IC1B的3,4脚反相为高电位,通过R13给C9充电,消除信号抖动,再经IC1C、IC1D两次反相仍为高电位,分别为三相触发电路和输出正常电路提供开门信号SEIN。
2.3.2 三相触发电路
以U相为例,晶闸管触发电路如图4。取自主回路的交流波头信号(X2(1)-L+),经光耦IC8隔离,使6脚输出为低电位,经达林顿反相驱动IC5A反相为高电位。在EIN已为IC6的6脚提供开门信号SEIN的情况下,使IC6B(4)输出高电位,经IC5B反相为低电位,使脉冲高压器TC3的原边产生脉冲信号,副边输出触发信号GU给VT1的门极,使该晶闸管触发导通。当该相波头信号消失时,其触发信号也消失。当U1<L+时,该相晶闸管被负压关断。这样,各相晶闸管顺序开通与关断,完成三相半控整流。
2.3.3 过压报警及保护电路
如图5所示,当整流电路输出电压过高时,由R29、R27组成的分压电路使IC2的同相输入端电位升高,而IC2的反相输入端为一恒定电位。它先由R19,R18,R16,RP1,R20组成分压电路,经VD6稳压(9 V)后,再经R16,RP1,R20分压,由RP1调整设定保护电压值。一旦3端电压高于此设置电压,IC2输出为高电平,VT1导通,VT2,VT3导通,导致VT01导通,平波负载R+,R-接入整流输出端,同时光耦I2的1脚呈低电位,经IC1A反相为高电位。它一路经IC4C反相驱动BAL灯亮,指示已过压并已投入平波负载;一路经IC1 1E、IC1F两次反相,通过VD3给C11充电并自保,经I1A驱动故障灯BAF亮,同时经IC4给IC3的3端输入低电平,正常运行灯BTB熄灭,并由端子X1(2)告知控制器故障信息。当过压消失,VT01截止,断开平波负载,BAL灯熄灭,C11经R25放电后,IC1A输出低电平,故障灯BAF熄灭。此时若EIN信号仍有,正常运行灯BTB点亮,电路恢复正常工作。也可在故障消失后,通过按复位键通知控制器,使其恢复正常工作。
3 结束语
本文着重介绍了一种机器人的整流电源单元的工作原理,并给出了具体的电路图。它对使用单位更好地使用和维修机器人具有重要意义,对其它相关单位也具有参考和借鉴价值。
近年来,随着科技的发展,越来越多的各类机器人投入了使用。其中用于工业生产的工业机器人是最庞大的一个分支,它们具有效率高、加工质量稳定、环境适应性强等特点,在诸多工业领域扮演着越来越重要的角色。我国自80年代以来引进了大量的工业机器人,为促进我国的经济发展发挥了重要作用。但随着进口机器人使用量的增加,其维护问题就显得尤为重要。现阶段关于机器人维护方面还存在很多问题,如很多国外供应商售后服务不及时,备件价格昂贵且采购周期长,缺少必要的维修资料等等。在这种情况下,进行逆向工程绘制电路图并分析其工作原理,就具有特别的意义,为以后更好地使用、维修、故障分析及改进提供了重要保证。
本文以神龙汽车有限公司的焊接机器人为例,分析该机器人系统中的电源电路,供同行参考。
2 电源电路分析
2.1 电源单元组成
焊接机器人电源单元包括三组电源如图1。

其中,第一组(U1,V1,W1)为三相226 V,经三相晶闸管整流桥整流为DC 328V(L+,L-)供给轴控单元主回路。整流桥的触发由EIN启动。其控制电路具有过压报警、处理及故障复位功能。
第二组(U2,V2,W2)为三相20 V,经三相整流桥整流后,一部分给机器人其它部分(KRC,VER,INTERN,INTERFACE)提供DC 24 V电源,另一路经7815稳压后给第一组(U1,V1,W1)控制电路供电。
第三组(U3,V3,W3)为三相25 V,经三相整流桥整流后给轴控单元提供抱闸电源UB;UB再经轴控单元中的开关电源变换为7路电源分别给轴控单元控制回路和逆变控制电路提供电源。
以上三组电源中,第二、三组较简单,不加论述。在此仅对第一组作介绍。
2.2 第一组电源电路
第一组电源主回路由三个晶闸管模块组成整流桥如图2,其中VT 1和VD 1为一模块,输出端(L+,L-)接滤波电容C和放电电阻R。每相波头信号X2(1,3,16)送控制回路,经处理得相应晶闸管的门极触发信号X2(9,13,11)。

2.3 控制回路
第一组电源控制回路由三相触发电路、启动条件、过压报警及保护等电路组成。
2.3.1 启动条件
电源的启动条件电路如图3。当控制器发来EIN(启动)信号,光耦I1的1端呈低电位,经施密特非门驱动器IC1B的3,4脚反相为高电位,通过R13给C9充电,消除信号抖动,再经IC1C、IC1D两次反相仍为高电位,分别为三相触发电路和输出正常电路提供开门信号SEIN。

2.3.2 三相触发电路
以U相为例,晶闸管触发电路如图4。取自主回路的交流波头信号(X2(1)-L+),经光耦IC8隔离,使6脚输出为低电位,经达林顿反相驱动IC5A反相为高电位。在EIN已为IC6的6脚提供开门信号SEIN的情况下,使IC6B(4)输出高电位,经IC5B反相为低电位,使脉冲高压器TC3的原边产生脉冲信号,副边输出触发信号GU给VT1的门极,使该晶闸管触发导通。当该相波头信号消失时,其触发信号也消失。当U1<L+时,该相晶闸管被负压关断。这样,各相晶闸管顺序开通与关断,完成三相半控整流。

2.3.3 过压报警及保护电路
如图5所示,当整流电路输出电压过高时,由R29、R27组成的分压电路使IC2的同相输入端电位升高,而IC2的反相输入端为一恒定电位。它先由R19,R18,R16,RP1,R20组成分压电路,经VD6稳压(9 V)后,再经R16,RP1,R20分压,由RP1调整设定保护电压值。一旦3端电压高于此设置电压,IC2输出为高电平,VT1导通,VT2,VT3导通,导致VT01导通,平波负载R+,R-接入整流输出端,同时光耦I2的1脚呈低电位,经IC1A反相为高电位。它一路经IC4C反相驱动BAL灯亮,指示已过压并已投入平波负载;一路经IC1 1E、IC1F两次反相,通过VD3给C11充电并自保,经I1A驱动故障灯BAF亮,同时经IC4给IC3的3端输入低电平,正常运行灯BTB熄灭,并由端子X1(2)告知控制器故障信息。当过压消失,VT01截止,断开平波负载,BAL灯熄灭,C11经R25放电后,IC1A输出低电平,故障灯BAF熄灭。此时若EIN信号仍有,正常运行灯BTB点亮,电路恢复正常工作。也可在故障消失后,通过按复位键通知控制器,使其恢复正常工作。
3 结束语
本文着重介绍了一种机器人的整流电源单元的工作原理,并给出了具体的电路图。它对使用单位更好地使用和维修机器人具有重要意义,对其它相关单位也具有参考和借鉴价值。
射频工程师养成培训教程套装,助您快速成为一名优秀射频工程师...
天线设计工程师培训课程套装,资深专家授课,让天线设计不再难...
上一篇:高性能舰载绘
机多输出稳压电源设计
下一篇:基于SG3525A的太阳能逆变电源设计
射频和天线工程师培训课程详情>>

