- 易迪拓培训,专注于微波、射频、天线设计工程师的培养
大功率开关电源中EMI干扰的抑制
录入:edatop.com 点击:
1 引言
随着开关电源应用领域的不断扩大,其电磁干扰已成为一个很严重的问题,为了使电源产品满足EMC的要求,设计人员就应在设计阶段考虑这一问题,同时也要做好在现场处理这一问题的准备。
2 开关电源EMI的特点与危害
开关电源的功率管工作在非线性条件下,采用脉宽调制(PWM)开关控制方式 ,加之开关频率的不断提高,使得电磁干扰越来越突出,对电网造成污染。
因干扰的存在,输入电源的电网受到了干扰,影响到其它设备,使其不能正常的工作,也影响到电网的供电质量。所以寻找干扰抑制的方法是很必要的。
3 大功率开关电源中EMI抑制实验
在中科院近代物理研究所新建的大型物理实验装置CSR冷却存储环中,有大量开关电源为磁铁提供电能,以满足试验所需的磁场能量。其中195A/370V开关电源就是运用在其冷却段。
由于在设计和生产阶段,厂家未考虑电磁兼容问题,以至于在安装调试阶段,造成对其他设备的影响,也是输入电网受到污染,为此我们按照图1(a)所示得方案,对其进行EMI干扰测试,其结果见图1(b)。测试仪器是德国SCHWARZBECK公司生产的FCKL1528接收机一台,NNLK 8129线路阻抗稳定网络(LISN)一台,计算机一台。

图1(a)测试方案

图1(b)测试数据
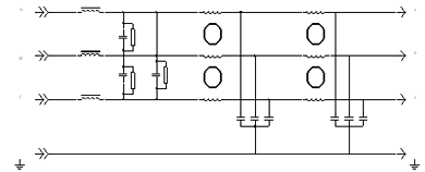
根据图1的方案和结果可以看出,在该台设备未做任何改造以前,其EMI干扰是存在的,而且很严重超越国家标准GB4824-2001关于1组A类传导骚扰的标准(150KHz~0.5MHz 是79dB, 0.5MHz~ 30MH是73 dB),尤其是在 150KHz~2MHz之间。为此,我们采用了截断干扰源的方法,即利用EMI滤波器(滤波器的接地要可靠)和一变压器(△/Y-11接发),该变压器其隔离作用,其中EMI滤波器的原理图如图2所示,共按照三种方案测试,通过测试,找出适合我们需要的方案。

图2 EMI滤波器的原理图
1、方案一及测试数据

图3(a)方案一

图3(b)由方案一测得得数据
2、试验方案二及测试数据

图4(a)方案二

图4(b)由方案二测得得数据
3、试验方案三及测试数据

图5(a)方案三

图5(b)由方案三测得得数据
经过一系列的实验,我们可以看出,按照方案一(图3a)进行改造,可以使设备的EMI传导干扰在150KHz~1.5MHz平均衰减15dB(由图1b和图3b比较所得);按照方案二(图4a)进行改造,可以使设备的EMI传导干扰在150KHz~1.5MHz平均衰减30dB(由图1b和图4b比较所得); 按照方案三(图5a)进行改造,可以使设备的EMI传导干扰在150KHz~1.5MHz平均衰减35dB(由图1b和图5b比较所得)。
对于不同的方案,为什么会有不同的结果?因为我们的目的是降低EMI干扰。为了达到这一目的,我们采用的是在电网与电源之间插入EMI滤波器,这样就可以达到干扰信号的衰减。但由于不同的方案所插入滤波器的阻抗值不同,插入损耗也不同,插入损耗的计算可由下式求得:

式中:V1- 没有滤波器时负载上的噪声电压:V2- 插入滤波器时负载上的噪声电压。
从数据的分析,我们可以看出,我们所采用的方案都对EMI传导干扰起到了抑制作用,但从噪音衰减的数值分析,方案二是最优的。最终我们采用方案二做为本次改造的最优方案。
随着开关电源应用领域的不断扩大,其电磁干扰已成为一个很严重的问题,为了使电源产品满足EMC的要求,设计人员就应在设计阶段考虑这一问题,同时也要做好在现场处理这一问题的准备。
2 开关电源EMI的特点与危害
开关电源的功率管工作在非线性条件下,采用脉宽调制(PWM)开关控制方式 ,加之开关频率的不断提高,使得电磁干扰越来越突出,对电网造成污染。
因干扰的存在,输入电源的电网受到了干扰,影响到其它设备,使其不能正常的工作,也影响到电网的供电质量。所以寻找干扰抑制的方法是很必要的。
3 大功率开关电源中EMI抑制实验
在中科院近代物理研究所新建的大型物理实验装置CSR冷却存储环中,有大量开关电源为磁铁提供电能,以满足试验所需的磁场能量。其中195A/370V开关电源就是运用在其冷却段。
由于在设计和生产阶段,厂家未考虑电磁兼容问题,以至于在安装调试阶段,造成对其他设备的影响,也是输入电网受到污染,为此我们按照图1(a)所示得方案,对其进行EMI干扰测试,其结果见图1(b)。测试仪器是德国SCHWARZBECK公司生产的FCKL1528接收机一台,NNLK 8129线路阻抗稳定网络(LISN)一台,计算机一台。

图1(a)测试方案

图1(b)测试数据
根据图1的方案和结果可以看出,在该台设备未做任何改造以前,其EMI干扰是存在的,而且很严重超越国家标准GB4824-2001关于1组A类传导骚扰的标准(150KHz~0.5MHz 是79dB, 0.5MHz~ 30MH是73 dB),尤其是在 150KHz~2MHz之间。为此,我们采用了截断干扰源的方法,即利用EMI滤波器(滤波器的接地要可靠)和一变压器(△/Y-11接发),该变压器其隔离作用,其中EMI滤波器的原理图如图2所示,共按照三种方案测试,通过测试,找出适合我们需要的方案。

图2 EMI滤波器的原理图
1、方案一及测试数据

图3(a)方案一

图3(b)由方案一测得得数据
2、试验方案二及测试数据

图4(a)方案二

图4(b)由方案二测得得数据
3、试验方案三及测试数据

图5(a)方案三

图5(b)由方案三测得得数据
经过一系列的实验,我们可以看出,按照方案一(图3a)进行改造,可以使设备的EMI传导干扰在150KHz~1.5MHz平均衰减15dB(由图1b和图3b比较所得);按照方案二(图4a)进行改造,可以使设备的EMI传导干扰在150KHz~1.5MHz平均衰减30dB(由图1b和图4b比较所得); 按照方案三(图5a)进行改造,可以使设备的EMI传导干扰在150KHz~1.5MHz平均衰减35dB(由图1b和图5b比较所得)。
对于不同的方案,为什么会有不同的结果?因为我们的目的是降低EMI干扰。为了达到这一目的,我们采用的是在电网与电源之间插入EMI滤波器,这样就可以达到干扰信号的衰减。但由于不同的方案所插入滤波器的阻抗值不同,插入损耗也不同,插入损耗的计算可由下式求得:

式中:V1- 没有滤波器时负载上的噪声电压:V2- 插入滤波器时负载上的噪声电压。
从数据的分析,我们可以看出,我们所采用的方案都对EMI传导干扰起到了抑制作用,但从噪音衰减的数值分析,方案二是最优的。最终我们采用方案二做为本次改造的最优方案。
射频工程师养成培训教程套装,助您快速成为一名优秀射频工程师...
天线设计工程师培训课程套装,资深专家授课,让天线设计不再难...
上一篇:新一代UPS的技术动向
下一篇:可饱和电感在开关电源中的应用
射频和天线工程师培训课程详情>>

