- 易迪拓培训,专注于微波、射频、天线设计工程师的培养
基于DSP的精密半导体激光驱动电源系统
录入:edatop.com 点击:
目前,半导体激光(LD)已广泛应用于通信、信息检测、医疗和精密加工与军事等许多领域。激光电源是激光装置的重要组成部分,其性能的好坏直接影响到整个激光器装置的技术指标。本设计采用受DSP控制的恒流源来为半导体激光器提供电流,在电路中,利用负反馈原理,控制复合功率调整管输出电流,以达到稳定输出电流的目的。该系统采用电路设计和程序控制算法设计相结合的方法,从多方面对半导体激光器的工作状态进行实时检测和控制,使系统的性能得到很大的改善和提高,有效解决了半导体激光器工作的准确、稳定和可靠性问题,进一步提高了半导体激光器的输出指标。
系统原理
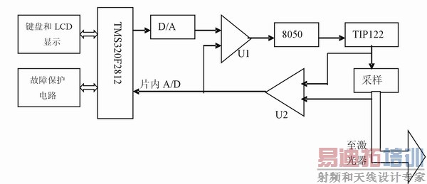
要使激光器输出稳定波长的激光,则要求流过激光器的电流非常稳定,所以供电电路选择低噪声、稳定的恒流源。恒流源电流可以在0A"3A之间连续可调,以适应不同规格的激光器。目前,半导体激光器电源的二次开发中一般采用的都是纯硬件电路系统或者单片机控制。随着嵌入式微处理器的迅猛发展,基于DSP的数字化控制能更有效地解决半导体激光工作的稳定、准确和可靠性问题。DSP二次开发的原理如图1所示。

图1 系统原理图
由DSP输出的电压控制信号输出给运放,经运算放大器放大后输出,来控制由三极管8050和调整管TIP122组成的复合调整管。调整管的发射极串联一个继电器和一个大功率采样电阻。从采样电阻的两端取电压信号送给差分放大电路U2,从而得到取样电阻上的电压。该路电压信号通过一个电压跟随器,进入由DSP控制的ADC的模拟信号输入通道,由ADC将输入的模拟信号转换为数字信号,再由DSP将转化的数字信号进行数据处理。取样电阻选择0.15Ω的大功率金属膜电阻,该电阻要求有较好的温度系数。运算放大器U1的放大倍数决定电流的控制精度,放大倍数越小,电流的输出精度越高。同时差分反馈电路U2的放大倍数也将影响电流的控制精度,其放大倍数越大,电流的稳定度越高,但电流的输出范围变小。在控制电压一定的情况下,准确选择运算放大器U1的倍数和差分反馈电路U2的放大倍数,将成为决定恒流源的电流输出精度和电流输出范围的重要因素。

图2 系统工作流程
TMS320F2812控制系统
该设计电路以数字信号处理器TMS320F2812为核心。该电源由控制电路、保护电路和主回路等几部分组成,DSP在其中起核心作用。其控制任务主要为:1. 控制数据采集系统。利用DSP芯片自带的12位ADC,根据采样信号经过PID运算处理后进行控制。数据转换启动命令由F2812的引脚XF控制,即通过软件设置引脚XF为高电平,来控制ADC的数据转换。数据转换完成后,信号BUSY将变为低电平,触发F2812中断,将数据从16位数据线D[15:0]立即读出。该系统的数据码为二进制补码,F2812将接收到的数据处理后,进行缓存,同时送到LCD实时显示。
2. 采用一片DAC7724芯片与DSP接口。该芯片为4通道12路双缓冲的DAC,用其中的2路设定输出电压基准和电流最大值限制基准。3. 人机接口电路。LCD和8279分别作为外部I/O设备与DSP相连。LCD用来显示电流、电压、功率,以及故障显示和报警。4. 故障检测。故障检测电路的中断信号输入到DSP的XINT2脚,如果有下降沿的中断产生,则通过GPIO口线GPIO8和GPIO9,分别检测过压、过流信号。
数字滤波器及系统软件设计
数字滤波器设计
针对本项目以往开发过程中对电流滤波设计存在的不足,现引进基于TMS320F2812的数字滤波器对电流采样信号进行滤波。为了快速方便地设计滤波器,直接利用TI公司提供的filter library函数库进行设计。设计步骤如下:按照实际任务要求,确定滤波器性能指标;在Matlab中,调用filter library库中的ezfir函数,进行仿真;根据仿真结果,确定各参数的值;调用filter library库中的filter.asm DSP汇编程序模块,并把Matlab中的仿真参数值复制到程序中,在F2812上实现滤波。

图3恒流源控制曲线图
系统软件设计
系统工作流程如图2所示。上电以后,系统开始自检,自检完成后,进入系统初始化,包括DSP、DAC、LCD,以及DSP内部的中断控制器和计数器等。系统准备好后,进入开机画面。开启键盘中断等待按键选择相应功能。若“参数设定”为选中状态,按下工作键,进入“参数设置”界面,可以对电压、电流和功率值进行设定。设定完成返回开机画面,启动激光器工作。系统进入运行状态后,用户仍然可以在不终止激光器工作的情况下设置新值,设定完备后,激光器按新要求输出激光。
系统自检和控制过程中出错或系统过流、过压时,会自动调用保护程序。当系统关闭或突然断电时,为防止激光器两端电压骤降为零,系统采取满关闭方法,其原理是:将采样值逐步输出降低,直到降为零才允许关机。
结语
本文实验确定U1、U2的放大倍数都为1,输出电流0A"3A可调,激光器输出功率0W"2W可调。引进DSP控制系统,较以往单片机控制有了明显的改善。主要表现在:由于TMS320F2812集成度高,性能好,使该系统具有体积小、速度快、处理能力强、可靠性高以及功耗低的优点;在TMS320F2812中实现数字滤波方法简单,提高了开发效率。半导体激光器的驱动及保护电路设计完毕后,焊接调试。表1为恒流源在25℃时的控制电压与输出电流之间的关系。图3是根据表1的数据绘制的恒流源控制曲线图。输出电压的范围为0V"5V,输出电流误差率为0.1%。输出电压与电流成线性关系,符合要求。
系统原理
要使激光器输出稳定波长的激光,则要求流过激光器的电流非常稳定,所以供电电路选择低噪声、稳定的恒流源。恒流源电流可以在0A"3A之间连续可调,以适应不同规格的激光器。目前,半导体激光器电源的二次开发中一般采用的都是纯硬件电路系统或者单片机控制。随着嵌入式微处理器的迅猛发展,基于DSP的数字化控制能更有效地解决半导体激光工作的稳定、准确和可靠性问题。DSP二次开发的原理如图1所示。

图1 系统原理图
由DSP输出的电压控制信号输出给运放,经运算放大器放大后输出,来控制由三极管8050和调整管TIP122组成的复合调整管。调整管的发射极串联一个继电器和一个大功率采样电阻。从采样电阻的两端取电压信号送给差分放大电路U2,从而得到取样电阻上的电压。该路电压信号通过一个电压跟随器,进入由DSP控制的ADC的模拟信号输入通道,由ADC将输入的模拟信号转换为数字信号,再由DSP将转化的数字信号进行数据处理。取样电阻选择0.15Ω的大功率金属膜电阻,该电阻要求有较好的温度系数。运算放大器U1的放大倍数决定电流的控制精度,放大倍数越小,电流的输出精度越高。同时差分反馈电路U2的放大倍数也将影响电流的控制精度,其放大倍数越大,电流的稳定度越高,但电流的输出范围变小。在控制电压一定的情况下,准确选择运算放大器U1的倍数和差分反馈电路U2的放大倍数,将成为决定恒流源的电流输出精度和电流输出范围的重要因素。

图2 系统工作流程
TMS320F2812控制系统
该设计电路以数字信号处理器TMS320F2812为核心。该电源由控制电路、保护电路和主回路等几部分组成,DSP在其中起核心作用。其控制任务主要为:1. 控制数据采集系统。利用DSP芯片自带的12位ADC,根据采样信号经过PID运算处理后进行控制。数据转换启动命令由F2812的引脚XF控制,即通过软件设置引脚XF为高电平,来控制ADC的数据转换。数据转换完成后,信号BUSY将变为低电平,触发F2812中断,将数据从16位数据线D[15:0]立即读出。该系统的数据码为二进制补码,F2812将接收到的数据处理后,进行缓存,同时送到LCD实时显示。
2. 采用一片DAC7724芯片与DSP接口。该芯片为4通道12路双缓冲的DAC,用其中的2路设定输出电压基准和电流最大值限制基准。3. 人机接口电路。LCD和8279分别作为外部I/O设备与DSP相连。LCD用来显示电流、电压、功率,以及故障显示和报警。4. 故障检测。故障检测电路的中断信号输入到DSP的XINT2脚,如果有下降沿的中断产生,则通过GPIO口线GPIO8和GPIO9,分别检测过压、过流信号。
数字滤波器及系统软件设计
数字滤波器设计
针对本项目以往开发过程中对电流滤波设计存在的不足,现引进基于TMS320F2812的数字滤波器对电流采样信号进行滤波。为了快速方便地设计滤波器,直接利用TI公司提供的filter library函数库进行设计。设计步骤如下:按照实际任务要求,确定滤波器性能指标;在Matlab中,调用filter library库中的ezfir函数,进行仿真;根据仿真结果,确定各参数的值;调用filter library库中的filter.asm DSP汇编程序模块,并把Matlab中的仿真参数值复制到程序中,在F2812上实现滤波。

图3恒流源控制曲线图
系统软件设计
系统工作流程如图2所示。上电以后,系统开始自检,自检完成后,进入系统初始化,包括DSP、DAC、LCD,以及DSP内部的中断控制器和计数器等。系统准备好后,进入开机画面。开启键盘中断等待按键选择相应功能。若“参数设定”为选中状态,按下工作键,进入“参数设置”界面,可以对电压、电流和功率值进行设定。设定完成返回开机画面,启动激光器工作。系统进入运行状态后,用户仍然可以在不终止激光器工作的情况下设置新值,设定完备后,激光器按新要求输出激光。
系统自检和控制过程中出错或系统过流、过压时,会自动调用保护程序。当系统关闭或突然断电时,为防止激光器两端电压骤降为零,系统采取满关闭方法,其原理是:将采样值逐步输出降低,直到降为零才允许关机。
结语
本文实验确定U1、U2的放大倍数都为1,输出电流0A"3A可调,激光器输出功率0W"2W可调。引进DSP控制系统,较以往单片机控制有了明显的改善。主要表现在:由于TMS320F2812集成度高,性能好,使该系统具有体积小、速度快、处理能力强、可靠性高以及功耗低的优点;在TMS320F2812中实现数字滤波方法简单,提高了开发效率。半导体激光器的驱动及保护电路设计完毕后,焊接调试。表1为恒流源在25℃时的控制电压与输出电流之间的关系。图3是根据表1的数据绘制的恒流源控制曲线图。输出电压的范围为0V"5V,输出电流误差率为0.1%。输出电压与电流成线性关系,符合要求。
射频工程师养成培训教程套装,助您快速成为一名优秀射频工程师...
天线设计工程师培训课程套装,资深专家授课,让天线设计不再难...
上一篇:一种串联蓄电池组电压巡检仪的设计
下一篇:微机控制的大功率充电电源的研制
射频和天线工程师培训课程详情>>

