- 易迪拓培训,专注于微波、射频、天线设计工程师的培养
我的第一个PCB图
录入:edatop.com 点击:
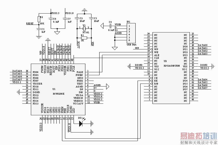
这是我画的第一个比较完整的PCB图,也参考了一下一个现有的例子和手册,
不过我想应该用错误的地方,只是我看不出来,希望热心的朋友能帮我参考参考,谢谢拉!

相关链接:
down21ic/875-2009530115745524.pdf
不过我想应该用错误的地方,只是我看不出来,希望热心的朋友能帮我参考参考,谢谢拉!

相关链接:
down21ic/875-2009530115745524.pdf
re
很简单,高手们应该会不屑一顾,不过对于我这个非电子专业并且又刚开始学习的人来说,这应该算不错了吧?
算了,自己顶一下吧,也算给自己一个鼓励
错误
1。XTAL那边挂10uF
2。LED没限流
3。R/B没上拉
其余不看了,你都没贴全
搂主的图不全
注意下GPIOpin,最好PUorPD,看datasheet的功能,如果不连接的话,有可能整个IC功能不能用。
射频工程师养成培训教程套装,助您快速成为一名优秀射频工程师...
天线设计工程师培训课程套装,资深专家授课,让天线设计不再难...
上一篇:原理图的网络表和PCB的网络表对比是的问题
下一篇:初学protel,诚心
射频和天线工程师培训课程详情>>

