- 易迪拓培训,专注于微波、射频、天线设计工程师的培养
基于软开关双向DC/DC变换模块设计方案
录入:edatop.com 点击:
新型软开关双向DC/DC变换器结构框图如图1所示,该变换器结构的前级是270V直流母线,本变换器由升压输出滤波电路、PS-FB-ZVS-PWM变换器、降压输出滤波环节、UC3875控制电路、驱动电路、反馈检测电路、辅助电源电路、保护电路、蓄电池充电控制电路、监控电路等部分组成。

图1 PS-FB-ZYX-PWM双向DC/DC变换器结构图
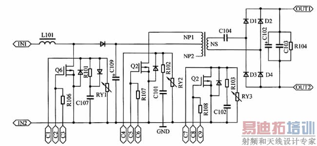
(1)升压电路。
升压电路主电路采用推挽电路设计,其电路如图2所示。

图2 升压电路主电路
推挽式变换器电路由两个正激式变换器电路组成,它们工作时相位相反。在每个周期里,两个晶体管交替导通和截止,在各自导通的半个周期内,分别把能量传递给负载,所以称之为推挽电路。
推挽变换器由推挽逆变器和输出整流、滤波电路构成,由于该种变换器提高了工作频率,故变压器和输出滤波器的体积均可减小。
输出整流电路有两种基本类型:
全波整流电路应用于输出电压较低的场合,这样可以减少整流电路中的通态损耗:
桥式整流电路应用于输出电压较高的场合,这样可以降低整流管的电压定额,本系统采用桥式整流电路。
推挽变换器适用于低压、大电流的场合,主电路简单,而且输入利输出隔离,驱动电路也较简单,在很多系统中得到了广泛的应用。
推挽电路中主要的元件包括:高频变压器、IGBT、整流二极管和输出滤波电容。
①高频变压器的设计。
变压器是开关电源中很重要的组成部分,它的好坏直接影响着输出电源的性能。变压器的设计包括变压器的结构、磁芯的型号、绕组的匝数等。
在单端反激式变换器电路和单端正激式变换器电路中,都只利用了磁滞回线的一半,因而导致了变压器的体积增大、结构松散,并且还要留出空气间隙。假定在推挽式变换器电路中,两只功率管导通的时间相同,这样,高频变压器的$ˉH磁滞回线的全部都可以得到利用。因此,磁芯的体积将减少到单端变换器电路的一半,并且不需要留空气间隙。
变压器的体积V可由下式决定:

②磁芯材料的确定。
变压器工作在高频状态,对磁芯的要求是:饱和磁感应强度高,损耗小,导磁率在适用频率范围内不减小,居里点高,饱和磁感应强度随温度的升高而下降不大。所以选择铁氧体磁芯,牌号R2KB。它的磁饱和感应强度0.5T(250C),通常取变压器的最大磁感应强度为0.21T,以防止电压、电流等工作参数变化时造成磁芯饱和。因此,选择EE型磁芯。
③磁芯型号的确定。
本装置中变压器工作频率为30kHz,输出功率为Po=7.5KW,设变压器效率为80,则输入功率为Pin=9.375KW,考虑到一定的裕量,选用了EE85B。
④功率管最大占空比确定。
推挽式电路的输入输出电压关系如下:

根据上式可知,输出电压与输入电压、占空比和变压器的匝数比有关,如果占空比过大,则有可能使两个开关管同时导通,这会对电路造成毁灭性的破坏。如果占空比过小,则增加了变压器线圈的匝数。选取适当的占空比是很有必要的,最低输入电压VinMin=86.4V时,功率管占空比最大。

图1 PS-FB-ZYX-PWM双向DC/DC变换器结构图
(1)升压电路。
升压电路主电路采用推挽电路设计,其电路如图2所示。

图2 升压电路主电路
推挽式变换器电路由两个正激式变换器电路组成,它们工作时相位相反。在每个周期里,两个晶体管交替导通和截止,在各自导通的半个周期内,分别把能量传递给负载,所以称之为推挽电路。
推挽变换器由推挽逆变器和输出整流、滤波电路构成,由于该种变换器提高了工作频率,故变压器和输出滤波器的体积均可减小。
输出整流电路有两种基本类型:
全波整流电路应用于输出电压较低的场合,这样可以减少整流电路中的通态损耗:
桥式整流电路应用于输出电压较高的场合,这样可以降低整流管的电压定额,本系统采用桥式整流电路。
推挽变换器适用于低压、大电流的场合,主电路简单,而且输入利输出隔离,驱动电路也较简单,在很多系统中得到了广泛的应用。
推挽电路中主要的元件包括:高频变压器、IGBT、整流二极管和输出滤波电容。
①高频变压器的设计。
变压器是开关电源中很重要的组成部分,它的好坏直接影响着输出电源的性能。变压器的设计包括变压器的结构、磁芯的型号、绕组的匝数等。
在单端反激式变换器电路和单端正激式变换器电路中,都只利用了磁滞回线的一半,因而导致了变压器的体积增大、结构松散,并且还要留出空气间隙。假定在推挽式变换器电路中,两只功率管导通的时间相同,这样,高频变压器的$ˉH磁滞回线的全部都可以得到利用。因此,磁芯的体积将减少到单端变换器电路的一半,并且不需要留空气间隙。
变压器的体积V可由下式决定:

②磁芯材料的确定。
变压器工作在高频状态,对磁芯的要求是:饱和磁感应强度高,损耗小,导磁率在适用频率范围内不减小,居里点高,饱和磁感应强度随温度的升高而下降不大。所以选择铁氧体磁芯,牌号R2KB。它的磁饱和感应强度0.5T(250C),通常取变压器的最大磁感应强度为0.21T,以防止电压、电流等工作参数变化时造成磁芯饱和。因此,选择EE型磁芯。
③磁芯型号的确定。
本装置中变压器工作频率为30kHz,输出功率为Po=7.5KW,设变压器效率为80,则输入功率为Pin=9.375KW,考虑到一定的裕量,选用了EE85B。
④功率管最大占空比确定。
推挽式电路的输入输出电压关系如下:

根据上式可知,输出电压与输入电压、占空比和变压器的匝数比有关,如果占空比过大,则有可能使两个开关管同时导通,这会对电路造成毁灭性的破坏。如果占空比过小,则增加了变压器线圈的匝数。选取适当的占空比是很有必要的,最低输入电压VinMin=86.4V时,功率管占空比最大。
射频工程师养成培训教程套装,助您快速成为一名优秀射频工程师...
射频和天线工程师培训课程详情>>

