- 易迪拓培训,专注于微波、射频、天线设计工程师的培养
MAX16928:汽车TFT-LCD显示器电源解决方案
录入:edatop.com 点击:
Maxim公司的MAX16928是具有升压转换器和栅极电压稳压器的汽车TFT-LCD显示器电源解决方案,集成了一个升压转换器,一个1.8V/3.3V稳压控制器和两个栅极电压稳压器(一个28V提供20mA,一个负栅极电压)。高达6W的大功率升压输出,输出电压高达18V,工作频率2MHz,主要用在汽车仪表盘,信息显示器和导航系统。
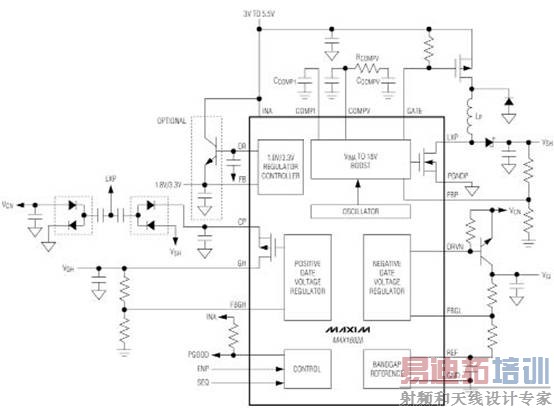
MAX16928是一个高度集成的适于汽车TFT - LCD应用的电源。该器件集成了一个升压转换器,一个1.8V/3.3V稳压控制器,两个栅极电压调节器。该器件有多个版本以满足通用汽车TFT- LCD电源的要求。升压转换器采用扩频调制以减少尖峰干扰和优化EMI性能。排序输入(SEQ)可以使得正栅极和负栅极电压调节器的排序更为灵活。电源良好指示器(PGOOD)可提示任何一个转换器或稳压器输出的故障。集成的热关断电路可避免设备过热。MAX16928目前为焊盘裸露的20引脚TSSOP包装,工作温度范围-40NC~105NC。

图1 MAX16928典型应用电路图

图2 MAX16928升压转换器功能框图
MAX16928主要特性
•高功率(最高6W)升压输出电压可达18V
• 1.8V或3.3V稳压器外部NPN晶体管,可提供500mA
•一个正栅极电压稳压器,28V时能够输出20mA电流
•一个负栅极电压调节器
•可于2.2MHz的频率下工作
•灵活独立的序列
• True Shutdown升压转换器
•内部软启动
•过热关机
•可工作于-40NC~105NC温度范围
•符合AEC-Q100标准
MAX16928应用
•汽车仪表板
•汽车中央信息显示器
•汽车导航系统
MAX16928评估板
MAX16928评估套件(EV kit)是一个全组装和测试的表面贴装PCB,其为汽车薄膜晶体管(TFT)、液晶显示器(LCD)提供所需的电压和功能。该评估板包括一个升压转换器和具有外部NPN晶体管的3.3V稳压控制器、两个栅极电压调节器、一个单级的正电荷泵和一个单级负电荷泵。该评估板的输入工作电压为4.5V~5.5V,并对汽车TFT-LCD应用进行了优化。
其升压转换器配置为12V输出,并提供最小400mA的电流。稳压控制器的输出为3.3V,并提供最小500mA的电流。正栅极电压调节器提供18V输出,而负栅极电压调节器提供-5.9V。

图3 MAX16928评估板电路图

图4 MAX16928评估板PCB布局图安捷伦为雷达和国防电子测试测量推出系列新产品
MAX16928评估板主要特性
• 4.5V~5.5V输入范围
•输出电压:
- 400mA时输出为12V(升压转换器)
- 500mA时输出为3.3V输出(稳压控制器)
-18V输出(正栅极电压调节器)
- -5.9V输出(负栅极电压调节器)
•可于高频下工作
- 2.2MHz(升压转换器)
•单级正/负电荷泵
•经过验证的PCB布局
•全组装和测试
详情请见:
http://www.eechina.com/thread-83280-1-1.html
MAX16928是一个高度集成的适于汽车TFT - LCD应用的电源。该器件集成了一个升压转换器,一个1.8V/3.3V稳压控制器,两个栅极电压调节器。该器件有多个版本以满足通用汽车TFT- LCD电源的要求。升压转换器采用扩频调制以减少尖峰干扰和优化EMI性能。排序输入(SEQ)可以使得正栅极和负栅极电压调节器的排序更为灵活。电源良好指示器(PGOOD)可提示任何一个转换器或稳压器输出的故障。集成的热关断电路可避免设备过热。MAX16928目前为焊盘裸露的20引脚TSSOP包装,工作温度范围-40NC~105NC。

图1 MAX16928典型应用电路图

图2 MAX16928升压转换器功能框图
MAX16928主要特性
•高功率(最高6W)升压输出电压可达18V
• 1.8V或3.3V稳压器外部NPN晶体管,可提供500mA
•一个正栅极电压稳压器,28V时能够输出20mA电流
•一个负栅极电压调节器
•可于2.2MHz的频率下工作
•灵活独立的序列
• True Shutdown升压转换器
•内部软启动
•过热关机
•可工作于-40NC~105NC温度范围
•符合AEC-Q100标准
MAX16928应用
•汽车仪表板
•汽车中央信息显示器
•汽车导航系统
MAX16928评估板
MAX16928评估套件(EV kit)是一个全组装和测试的表面贴装PCB,其为汽车薄膜晶体管(TFT)、液晶显示器(LCD)提供所需的电压和功能。该评估板包括一个升压转换器和具有外部NPN晶体管的3.3V稳压控制器、两个栅极电压调节器、一个单级的正电荷泵和一个单级负电荷泵。该评估板的输入工作电压为4.5V~5.5V,并对汽车TFT-LCD应用进行了优化。
其升压转换器配置为12V输出,并提供最小400mA的电流。稳压控制器的输出为3.3V,并提供最小500mA的电流。正栅极电压调节器提供18V输出,而负栅极电压调节器提供-5.9V。

图3 MAX16928评估板电路图

图4 MAX16928评估板PCB布局图安捷伦为雷达和国防电子测试测量推出系列新产品
MAX16928评估板主要特性
• 4.5V~5.5V输入范围
•输出电压:
- 400mA时输出为12V(升压转换器)
- 500mA时输出为3.3V输出(稳压控制器)
-18V输出(正栅极电压调节器)
- -5.9V输出(负栅极电压调节器)
•可于高频下工作
- 2.2MHz(升压转换器)
•单级正/负电荷泵
•经过验证的PCB布局
•全组装和测试
详情请见:
http://www.eechina.com/thread-83280-1-1.html
射频工程师养成培训教程套装,助您快速成为一名优秀射频工程师...
天线设计工程师培训课程套装,资深专家授课,让天线设计不再难...
上一篇:IRS27951:240W
AC-DC电源解决方案
下一篇:开关电源迎来市场变化期
射频和天线工程师培训课程详情>>

