- 易迪拓培训,专注于微波、射频、天线设计工程师的培养
贴片式光电耦合器及其应用
录入:edatop.com 点击:
光电耦合器(以下简称光耦)是一种发光器件和光敏器件组成的光电器件。它能实现电—光—电信号的变换,并且输入信号与输出信号是隔离的。目前极大多数的光耦输入部分采用砷化镓红外发光二极管,输出部分采用硅光电二极管、硅光电三极管及光触发可控硅。这是因为峰值波长900~940nm的砷化镓红外发光二极管能与硅光电器件的响应峰值波长相吻合,可获得较高的信号传输效率。
光耦的结构
光耦的内部结构(剖面)如图1所示。光耦输入部分大都是红外发光二极管,输出部分有不同的光敏器件,如图2所示。

这里要说明的是,图2(c)的输入部分有两个背对背的红外发光二极管,它用于交流输入的场合;图2(d)采用达林顿输出结构,它可使输出获得较大的电流;图2(e)、2(f)的输出由光触发双向可控硅组成,它们主要用来驱动交流负载。图2(e)与图2(f)的差别是图2(f)有过零触发控制(图中的“ZC”即“过零”的意思),而图2(e)没有过零触发控制电路。

基本电路
光耦的基本电路如图3所示。图3(a)的负载电阻RL接在发射极及地之间,图3(b)的负载电阻RL接在电源Vdd与集电极之间。
在图3(a)中,输入端加上Vcc电压,经限流电阻Rin后,有一定的电流IF流经红外发光二极管,IF与Vcc、发光二极管的正向压降VF及Rin的关系为:IF=(Vcc-VF)/Rin。式中的VF取1.3V。IF的最大值由资料给出(一般工作时IF≤10mA)。

发光二极管发光后,光电三极管导通,集电极电流Ic由Vdd经光电三极管流过RL到地,使输出电压Vout=Ic×RL(或Vout=Vdd-VCE,VCE为光电三极管的管压降)。
图3(b)的工作原理与图3(a)相同,不再重复。图3中输入、输出也可用各自的地。
从图3(a)可以看出;输入端不加Vcc电压,输出端Vout=0V,输入端加了Vcc电压,负载得电,这个功能相当于“继电器”。如果在输入端加幅值为5V的脉冲(如图4所示),输出端Vdd=12V,RL=10kΩ,则输出的脉冲幅值接近12V,从这功一能来看,相当于“变压器”;若输入电压从0跃变到+5V,输出则从0跃变到接近12V,它又可用作电平转换。

特点及应用范围
光耦的主要特点:输入与输出之间绝缘(绝缘电压可达数千伏);信号传输为单方向,输出信号不会对输入信号有影响;能传输模拟信号也可传输数字信号;抗干扰能力强;体积小、寿命长;由于无触头,因此抗振性强。近年来由于生产工艺改进,SMT的发展,开发出性能更好、尺寸更小的贴片式光耦,它由DIP6管脚封装改进成4管脚封装,不仅改小尺寸,并且减小了干扰,如图5所示,但有一些公司其管脚仍按6管脚排列,如图2所示。顶面有圆圈者为第1管脚,如图6所示。

由于该类器件有上述特点,它主要应用于隔离电路、开关电路、逻辑电路、信号长线传输、线性放大电路、隔离反馈电路、控制电路及电平转换电路等。
光耦主要参数
本文介绍NEC公司及TOSHIBA公司生产的一些常用的贴片式光耦及其主要参数。主要参数如表1及表2所示。


这里要说明一下电流传输比(CTR)这个参数的意义。CTR是Current Transfer Ratio 的缩写。它是在一定工作条件下(IF及VCE),光耦的输出电流Ic与输入电流IF的比值,一般用百分比表示,其值低的从几到几十,高的从几十到几百,达林顿输出型可达上千。CTR大,则在同样的IF下,输出电流Ic大,驱动负载的能力也强(或者说IF较小可获得大的Ic)。
这里顺便指出,当用光电耦合器作交流信号传输时,必须考虑它的频率特性。采用GaAs发光二极管及硅光电三极管的光耦,其最高工作频率约为500kHz;其响应时间小于10μs。
在使用时要注意的红外发光二极管的反压VR一般是很低的,有的VR仅3V。因此在使用时输入端不能接反,防止红外发光二极管因反压过高而击穿(可在1脚、3脚接一个反向二极管来保护,如图4所示)。
光耦的简易测量方法
光电三极管输出的光耦是应用最广泛的,若顶面印刷字迹或圆点看不清楚,可采用指针式三用表来测量,确认哪个管脚是1脚,并且也可简易测出光耦的好坏。
由于它是一个二极管及一个三极管c、e极组成的,所以用R×1k挡来测量是十分方便的。只要测出一个二极管:黑表笔接二极管的阳极,红表笔接二极管的阴极,其阻值约30kΩ,则黑表笔端即1脚。如图7所示,其它三种测量都应是R=∞(表笔不动)。若光电三极管的测量电阻不是∞,则此光耦不能用。

应用电路
各种不同结构的光耦可满足输入、输出隔离;输入与输出共地或不共地;输入、输出是直流或交流,使用极为灵活,因此应用极为广泛,这里介绍一些典型应用电路。
1.隔离线性放大器电路
如果将输入的交流信号调制成与信号电压成比例的调制电流,则经光耦后再经放大可实现隔离线性放大,电路如图1所示。
+5V电压及限流电阻(R1及RP)给发光二极管一个偏置电流IFO (一般IFO取得大一点,约10mA),交流信号电压经C1、R2后加在发光二极管上,叠加在IFO上形成调制电流。经光耦后输出调制的光电流,在R3上产生一个与输入电压成比例的调制电压,此电压经C2隔直,交流成分则经放大器放大输出。
这里要指出的是经光耦的电-光及光-电转换,线性度不是很高。为了减小失真,偏置的电流IFO要大,信号电压产生的调制电流的峰值电流不超过5mA,可使输出电压失真较小。这种光电隔离放大器比隔离放大器要便宜得多。另外,光电三极管的地用表示(说明与输入电压不共地)。
采用PS2701有较好的线性度,输入信号的频率可在音频范围。

2.市电监测电路
图2是一种市电监测电路,当停电时报警。采用TLP126光耦经限流电阻直接与市电220V连接,使光耦的发光二极管发光,光电三极管导通,使10kΩ电阻上的电压接近Vdd(光电三极管的饱和管压降小于0.5V),外接功率MOSFET(VT)的-VGS<1V,则VT截止,报警电路不工作。3.3μF电容是用来稳定VT栅极的电压,防止交流电压过零使栅极电压变化太大而产生误动作。

市电停电时,发光二极管无电流,光电三极管截止,VT 的-VGS=9V,VT导通,报警电路工作。
Si9400是P沟道功率MOSFET,其主要参数是VDS=-20V,在VGS =-10V时RDS(ON)=0.25Ω,ID=±2.5A。8管脚SO封装,管脚排列如图3所示,使用时,四个D要焊在一起,两个S要焊在一起以便于散热。

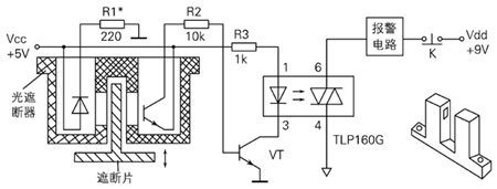
3.防盗报警器电路
一种用抽屉被撬防盗报警器电路如图4所示。它由光遮断器、遮断片及有关电路组成。光遮断器是一种光电传感器,它由红外发光二极管及光电三极管及黑色塑料外壳组成,其剖面如图4左边所示,其外形如图4右边所示。

其工作原理与光耦完全相同,区别仅仅是它由遮断片来阻挡光路使光电三极管截止;当遮断片后移,发光二极管的红外光照到光电三极管,光电三极管导通。
光遮断器安装在抽屉的底部,遮断片装在抽屉上,如图5所示。要使防盗报警器工作,接通Vcc(+5V)及Vdd(+9V)。抽屉未被撬时,遮断片遮住光路,光电三极管截止,VT无ID,VT也截止,光耦(TLP169G)的发光二极管无电流,光触发双向可控硅截止,报警电路不工作。

当小偷撬开抽屉,拉出抽屉时,遮断片退后,光遮断器光路通,光电三极管导通,VT相继导通,光耦中的发光二极管工作,光触发双向可控硅导通,报警器电路工作。
这个电路的特点是,一旦报警器工作,即使将抽屉关上,遮光片遮断光路,但双向可控仍然导通,报警电路仍一直报警,即使小偷发现光遮断器,将它破坏,但报警电路还工作。按一下开关K断开Vdd才能使报警电路不工作。
这里VCC的地与Vdd的地不共地,图中用两种地的符号表示。
由于光遮断器有多种型号,要求发光二极管的工作电流IF各不相同,必要时要调整R1的大小,使其满足IF的要求。
TLP160G的输出部分光触可控硅的最大工作电流在25℃时可达100mA(随着温度增加而减小)。若报警电路工作电流大于80mA,最好外接VT2,如图6所示。

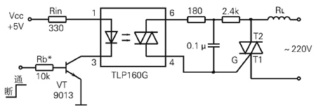
4.交流固态继电器电路
TLP160G光耦用得最广的是用作交流固态继电器。它可以与外接双向可控硅作简单连接来驱动市电供电的各种负载。其电路如图7所示。输入三极管VT的基极的控制信号为高电平时,VT导通,红外发光二极管也导通(VCC 经RIN、红外发光二极管、经VT的C、E极到地),光触发双向可控硅导通;这使外接功率较大的三端双向可控硅导通,负载RL得电。其工作原理相当于图8中的控制开关:K闭合,双向可控硅导通;K断开,双向可控硅截止。


如果将虚线框内的电路做成一个单独的模块,它就是一个交流固态继电器。图7的电路适合于电阻性负载,若是电感性负载,电路中增加一个RC,如图9所示。

这种交流固态继电器有一个缺点,它的双向可控硅不是在交流电过零时触发导通,其结果是正弦波不完整,这瞬间会产生对电网的干扰。外接三端双向可控硅耐压要大于400V,工作电流应大于负载最大电流。
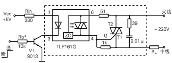
5.过零触发交流固态继电器电路
采用内部有交流电过零时触发电路(图10中的“ZC”部分)的ILP161G光耦,可以做成过零触发交流固态继电器电路,如图10所示。它能在交流电过零附近触发双向可控硅,使交流波形完整,不会造成对电网的干扰。其工作原理与图9相同。图中的39Ω及0.01μF RC电路是一种浪涌电压吸收回路,它用来保护双向可控硅免于瞬态的过压而损坏。外接的三端双向可控硅选择方法与图9电路相同。

光耦的结构
光耦的内部结构(剖面)如图1所示。光耦输入部分大都是红外发光二极管,输出部分有不同的光敏器件,如图2所示。

这里要说明的是,图2(c)的输入部分有两个背对背的红外发光二极管,它用于交流输入的场合;图2(d)采用达林顿输出结构,它可使输出获得较大的电流;图2(e)、2(f)的输出由光触发双向可控硅组成,它们主要用来驱动交流负载。图2(e)与图2(f)的差别是图2(f)有过零触发控制(图中的“ZC”即“过零”的意思),而图2(e)没有过零触发控制电路。

基本电路
光耦的基本电路如图3所示。图3(a)的负载电阻RL接在发射极及地之间,图3(b)的负载电阻RL接在电源Vdd与集电极之间。
在图3(a)中,输入端加上Vcc电压,经限流电阻Rin后,有一定的电流IF流经红外发光二极管,IF与Vcc、发光二极管的正向压降VF及Rin的关系为:IF=(Vcc-VF)/Rin。式中的VF取1.3V。IF的最大值由资料给出(一般工作时IF≤10mA)。

发光二极管发光后,光电三极管导通,集电极电流Ic由Vdd经光电三极管流过RL到地,使输出电压Vout=Ic×RL(或Vout=Vdd-VCE,VCE为光电三极管的管压降)。
图3(b)的工作原理与图3(a)相同,不再重复。图3中输入、输出也可用各自的地。
从图3(a)可以看出;输入端不加Vcc电压,输出端Vout=0V,输入端加了Vcc电压,负载得电,这个功能相当于“继电器”。如果在输入端加幅值为5V的脉冲(如图4所示),输出端Vdd=12V,RL=10kΩ,则输出的脉冲幅值接近12V,从这功一能来看,相当于“变压器”;若输入电压从0跃变到+5V,输出则从0跃变到接近12V,它又可用作电平转换。

特点及应用范围
光耦的主要特点:输入与输出之间绝缘(绝缘电压可达数千伏);信号传输为单方向,输出信号不会对输入信号有影响;能传输模拟信号也可传输数字信号;抗干扰能力强;体积小、寿命长;由于无触头,因此抗振性强。近年来由于生产工艺改进,SMT的发展,开发出性能更好、尺寸更小的贴片式光耦,它由DIP6管脚封装改进成4管脚封装,不仅改小尺寸,并且减小了干扰,如图5所示,但有一些公司其管脚仍按6管脚排列,如图2所示。顶面有圆圈者为第1管脚,如图6所示。

由于该类器件有上述特点,它主要应用于隔离电路、开关电路、逻辑电路、信号长线传输、线性放大电路、隔离反馈电路、控制电路及电平转换电路等。
光耦主要参数
本文介绍NEC公司及TOSHIBA公司生产的一些常用的贴片式光耦及其主要参数。主要参数如表1及表2所示。


这里要说明一下电流传输比(CTR)这个参数的意义。CTR是Current Transfer Ratio 的缩写。它是在一定工作条件下(IF及VCE),光耦的输出电流Ic与输入电流IF的比值,一般用百分比表示,其值低的从几到几十,高的从几十到几百,达林顿输出型可达上千。CTR大,则在同样的IF下,输出电流Ic大,驱动负载的能力也强(或者说IF较小可获得大的Ic)。
这里顺便指出,当用光电耦合器作交流信号传输时,必须考虑它的频率特性。采用GaAs发光二极管及硅光电三极管的光耦,其最高工作频率约为500kHz;其响应时间小于10μs。
在使用时要注意的红外发光二极管的反压VR一般是很低的,有的VR仅3V。因此在使用时输入端不能接反,防止红外发光二极管因反压过高而击穿(可在1脚、3脚接一个反向二极管来保护,如图4所示)。
光耦的简易测量方法
光电三极管输出的光耦是应用最广泛的,若顶面印刷字迹或圆点看不清楚,可采用指针式三用表来测量,确认哪个管脚是1脚,并且也可简易测出光耦的好坏。
由于它是一个二极管及一个三极管c、e极组成的,所以用R×1k挡来测量是十分方便的。只要测出一个二极管:黑表笔接二极管的阳极,红表笔接二极管的阴极,其阻值约30kΩ,则黑表笔端即1脚。如图7所示,其它三种测量都应是R=∞(表笔不动)。若光电三极管的测量电阻不是∞,则此光耦不能用。

应用电路
各种不同结构的光耦可满足输入、输出隔离;输入与输出共地或不共地;输入、输出是直流或交流,使用极为灵活,因此应用极为广泛,这里介绍一些典型应用电路。
1.隔离线性放大器电路
如果将输入的交流信号调制成与信号电压成比例的调制电流,则经光耦后再经放大可实现隔离线性放大,电路如图1所示。
+5V电压及限流电阻(R1及RP)给发光二极管一个偏置电流IFO (一般IFO取得大一点,约10mA),交流信号电压经C1、R2后加在发光二极管上,叠加在IFO上形成调制电流。经光耦后输出调制的光电流,在R3上产生一个与输入电压成比例的调制电压,此电压经C2隔直,交流成分则经放大器放大输出。
这里要指出的是经光耦的电-光及光-电转换,线性度不是很高。为了减小失真,偏置的电流IFO要大,信号电压产生的调制电流的峰值电流不超过5mA,可使输出电压失真较小。这种光电隔离放大器比隔离放大器要便宜得多。另外,光电三极管的地用表示(说明与输入电压不共地)。
采用PS2701有较好的线性度,输入信号的频率可在音频范围。

2.市电监测电路
图2是一种市电监测电路,当停电时报警。采用TLP126光耦经限流电阻直接与市电220V连接,使光耦的发光二极管发光,光电三极管导通,使10kΩ电阻上的电压接近Vdd(光电三极管的饱和管压降小于0.5V),外接功率MOSFET(VT)的-VGS<1V,则VT截止,报警电路不工作。3.3μF电容是用来稳定VT栅极的电压,防止交流电压过零使栅极电压变化太大而产生误动作。

市电停电时,发光二极管无电流,光电三极管截止,VT 的-VGS=9V,VT导通,报警电路工作。
Si9400是P沟道功率MOSFET,其主要参数是VDS=-20V,在VGS =-10V时RDS(ON)=0.25Ω,ID=±2.5A。8管脚SO封装,管脚排列如图3所示,使用时,四个D要焊在一起,两个S要焊在一起以便于散热。

3.防盗报警器电路
一种用抽屉被撬防盗报警器电路如图4所示。它由光遮断器、遮断片及有关电路组成。光遮断器是一种光电传感器,它由红外发光二极管及光电三极管及黑色塑料外壳组成,其剖面如图4左边所示,其外形如图4右边所示。

其工作原理与光耦完全相同,区别仅仅是它由遮断片来阻挡光路使光电三极管截止;当遮断片后移,发光二极管的红外光照到光电三极管,光电三极管导通。
光遮断器安装在抽屉的底部,遮断片装在抽屉上,如图5所示。要使防盗报警器工作,接通Vcc(+5V)及Vdd(+9V)。抽屉未被撬时,遮断片遮住光路,光电三极管截止,VT无ID,VT也截止,光耦(TLP169G)的发光二极管无电流,光触发双向可控硅截止,报警电路不工作。

当小偷撬开抽屉,拉出抽屉时,遮断片退后,光遮断器光路通,光电三极管导通,VT相继导通,光耦中的发光二极管工作,光触发双向可控硅导通,报警器电路工作。
这个电路的特点是,一旦报警器工作,即使将抽屉关上,遮光片遮断光路,但双向可控仍然导通,报警电路仍一直报警,即使小偷发现光遮断器,将它破坏,但报警电路还工作。按一下开关K断开Vdd才能使报警电路不工作。
这里VCC的地与Vdd的地不共地,图中用两种地的符号表示。
由于光遮断器有多种型号,要求发光二极管的工作电流IF各不相同,必要时要调整R1的大小,使其满足IF的要求。
TLP160G的输出部分光触可控硅的最大工作电流在25℃时可达100mA(随着温度增加而减小)。若报警电路工作电流大于80mA,最好外接VT2,如图6所示。

4.交流固态继电器电路
TLP160G光耦用得最广的是用作交流固态继电器。它可以与外接双向可控硅作简单连接来驱动市电供电的各种负载。其电路如图7所示。输入三极管VT的基极的控制信号为高电平时,VT导通,红外发光二极管也导通(VCC 经RIN、红外发光二极管、经VT的C、E极到地),光触发双向可控硅导通;这使外接功率较大的三端双向可控硅导通,负载RL得电。其工作原理相当于图8中的控制开关:K闭合,双向可控硅导通;K断开,双向可控硅截止。


如果将虚线框内的电路做成一个单独的模块,它就是一个交流固态继电器。图7的电路适合于电阻性负载,若是电感性负载,电路中增加一个RC,如图9所示。

这种交流固态继电器有一个缺点,它的双向可控硅不是在交流电过零时触发导通,其结果是正弦波不完整,这瞬间会产生对电网的干扰。外接三端双向可控硅耐压要大于400V,工作电流应大于负载最大电流。
5.过零触发交流固态继电器电路
采用内部有交流电过零时触发电路(图10中的“ZC”部分)的ILP161G光耦,可以做成过零触发交流固态继电器电路,如图10所示。它能在交流电过零附近触发双向可控硅,使交流波形完整,不会造成对电网的干扰。其工作原理与图9相同。图中的39Ω及0.01μF RC电路是一种浪涌电压吸收回路,它用来保护双向可控硅免于瞬态的过压而损坏。外接的三端双向可控硅选择方法与图9电路相同。

射频工程师养成培训教程套装,助您快速成为一名优秀射频工程师...
天线设计工程师培训课程套装,资深专家授课,让天线设计不再难...
上一篇:TL431的几种基本用法
下一篇:TL431与PC817的配合应用
射频和天线工程师培训课程详情>>

