- 易迪拓培训,专注于微波、射频、天线设计工程师的培养
并网光伏逆变器隔离的集成
录入:edatop.com 点击:
过去几年,光伏(PV)产业飞速发展,其动力主要来自居高不下的油价和环境忧虑。然而,PV成本仍然是妨碍其进一步扩张的最大障碍,要与传统的煤电相竞争,必须进一步降低成本。在太阳能电池板以外,电子元件(如PV逆变器)是导致高成本的主要元件。出于安全和可行性考虑,并网PV转换器把获得的直流与交流网相隔离。隔离的作用通常是满足安全法规的要求,防止直流注入交流网,因为结果可能会影响配电变压器和传统的瓦特小时电表。诸如光耦合器一类的传统隔离解决方案无法满足PV电池板25年的典型担保要求。同时,微逆变器逐渐占据主流,因为这种器件不但可以提高系统可用性,而且能够大幅提升遮光条件下的性能。在这些情况下,PV逆变器安装在PV电池板的后部,那里的高温可能加速光耦合器的性能下降。本文旨在讨论PV逆变器中的信号和电源隔离需求,探讨如何利用微变压器集成隔离功能以提高系统性能和可靠性、降低系统尺寸和成本。
市场上主要有两类PV逆变器,即无变压器逆变器和变压器隔离逆变器。无变压器逆变器可能会受到大接地漏电流和注入的直流的影响,因为PV电池板与交流网之间存在很大的电池板电容而且缺少隔离,如图1(a)所示。如果有直流组分注入电网中的交流电流中,这种情况是应该避免的,因为结果可能导致配电变压器饱和。许多安全标准对电网中注入的直流电流量进行了严格的规定,有些情况下,必须对变压器进行隔离。在电池板与电网之间采用变压器隔离技术可以消除因电池板相对于电网的电压差而产生的直流注入路径,如图1(b)所示。除直流注入以外,并网逆变器还需满足电网的其他要求,比如总谐波失真和单谐波电流水平、功率系数以及孤网运行情况的检测等。电网电压和注入电网的电流必须精确监控。如果用于执行MPPT和栅极驱动功能的控制器位于电池板一端,则必须将这些测量值隔离开来。为了使PV电池板发挥最大效率,需要采用最大功率点跟踪(MPPT)算法。为了实现MPTT,还需监控电池板电压和电流。当人们尝试串联多个PV逆变器以减少所需逆变器的数量时,电池板电压可能变得非常高。从PV电池板高边端进行的电流测量也需要隔离。

图1. (a) 非隔离逆变器下电网中的直流注入 (b) 通过隔离阻断直流注入
除了隔离电流和电压测量以外,还需要RS-485、RS-232和CAN等接口功能。RS-485或RS-232一般用于面向这些PV逆变器的通信,以获得实时的性能数据,而通信总线则需要进行隔离,因为总线需要传输较长的距离,同时也是出于安全考虑。对于通信距离较短时,也可使用隔离CAN。这些收发器也需要把隔离电源从电池板一端抽取至总线一端。
传统上,隔离是由光耦合器实现的。然而,光耦合器的电流传输功能会随着时间而下降,可能几年后就无法运行,远远低于许多太阳能电池板提供的20年寿命担保。这里,我们建议使用基于微变压器的信号和电源隔离法,这种方法可以满足PV逆变器中存在的多种集成需求。这种方法不但可以克服光耦合器的性能下降缺陷,而且允许集成ADC之类的检测功能或者RS-485或RS-232收发器之类的接口功能。另外,该方法可以提供隔离电源用以驱动这些检测IC、隔离收发器或者隔离栅极驱动器。基于光耦合器的栅极驱动器则耗电量大,时序特性也非常不稳定。基于微变压器的栅极驱动器不但功耗更低,而且可以具有匹配性更好的栅极驱动器时序特性,可以显著提高系统的总功率转换效率。隔离的信号和电源集成也可大幅减少元件数量,从而降低系统成本、提高可靠性。
用微变压器实现信号和电源隔离
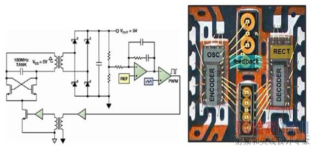
微变压器可以用于提供集成的信号和电源隔离,最大额定值为5 kV rms [1]。对于信号传输,输入数据通常在编码之后再传输给数据变压器原边。副边则通过解码来还原信号。输入与输出之间的隔离通过初级线圈与次级线圈之间的绝缘层来实现。为了在隔离之间实现高效的电源传输,用一个自振高频振荡器来驱动电源变压器的原边,同时用高频肖特基二极管来提供整流直流电压。调节由次级控制器产生的PWM完成,该PWM通过一个反馈变压器以远低于振荡频率的频率来开启和关闭振荡器,如图2(a)所示。通过反馈变压器的反馈信号的工作方式与通过数据变压器的其他数据通道信号相同。当为能量转换和反馈设置不同的控制路径时,可以优化能量转换效率,同时维持调节的稳定性。图2(b)展示的是带四个独立的隔离数据通道的500 mW隔离DC-DC转换器。

图2. (a) 隔离DC-DC逆变器原理图 (b) 4通道隔离器、500 mW隔离电源下的封装方案
在本例中,变压器由两个独立的芯片构成,一个是编码器(即原边芯片),另一个是解码器(即副边芯片)。然而,这主要是出于成本原因考虑,而在理论上,变压器是可以用其中一个IC芯片构建的。栅极驱动器、收发器、ADC等额外电路功能全部都可以集成进来。
PV逆变器中的隔离集成
图3所示为一个典型的3级并网PV逆变器。第1级是一个可选的升压转换器,用于提高电池板电压,该电压然后再通过隔离DC-DC转换器级。该隔离DC-DC转换器包括一个通过高频变压器的全桥dc-ac转换功能。该高频变压器具有尺寸小、效率高的优势。副边的交流被整流成通常高于电网峰值电压的直流电压。整流形成的直流再通过第3逆变器级转换成电网线路频率。需要检测电池板输出电压和电流,并将其馈入一个微控制器,以执行最大功率传输跟踪(MPTT)算法。同时,该微控制器还负责控制隔离DC-DC和输出逆变器的栅极驱动器。输出逆变器位于电网一端,其接地电压与直流电池板接地电压不同,从微控制器到逆变器驱动级的通信需要隔离。通常需要四个光耦合器,但它们功耗较高,其较大的传播延迟也可能影响栅极驱动器的时序精度,从而影响到逆变器的效率,而且最重要的是,它们难以支持PV电池板20至25年的担保寿命。另一方面,基于微变压器的隔离器[1, 2]功耗要低得多,传播延迟要短得多,而且性能不会随时间而下降。另外,多通道隔离器也可以与片上DC-DC转换器集成,以便为栅极驱动器提供隔离电源。在逆变器输出与并网之间用继电器来确
保逆变器输出频率和相位与市电电压同步,同时,还能在电网发生故障时或者在市电电压或频率超过可接受限值时迅速断开,从而实现防孤岛保护。在电网一端需要电压检测功能以检测零交越,同时也需要电流检测功能,以确保负载中馈入的是正弦波电流。检测信息可以通过隔离ADC传送给控制器。隔离ADC集成一个16位二阶∑-△调制器和基于微变压器的数字隔离功能,能够实现3.75 kV的隔离,是分流电流检测的理想之选。电流变压器也可用于电流检测,但它们价格昂贵、体积庞大,而且可能对外部磁场非常敏感。也可以使用霍尔效应检测器,但它们在非线性度和失调方面先天不足,结果会影响到电流测量值的精度。分流与集成隔离ADC一起形成一种可靠的低成本替代方案。隔离ADC在电网一端也需要隔离电源以驱动自己,同时,可以集成基于微变压器的隔离DC-DC,从而省去使用分立式DC-DC转换器的诸多麻烦。当需要PLC通信时,电网端的PLC芯片可以由隔离DC-DC来驱动,而其与电池板一端的控制器的通信则通过一个多通道隔离器来实现。

图3. 3级PV逆变器的隔离方案
基于微变压器的隔离方法也可与高电流输出栅极驱动器相集成,以形成全隔离半桥栅极驱动器。图4所示为一个并网PV逆变器的示例栅极驱动方案。对于原边的DC-AC全桥开关,通常没有必要为低端栅极驱动器(尤其是低功耗逆变器)设置隔离。对于两个高端开关,具有4 A驱动能力的2通道1 kV隔离驱动器就能胜任工作。逆变器开关位于交流端,因此,低端和高端都需要隔离栅极驱动器。

图4. 3级PV逆变器的栅极驱动器实现方案
要使直流端的微控制器与交流端的逆变器直接通信,通常需要2.5 kV或5 kV隔离栅极驱动器。低端栅极驱动器可以由集成的DC-DC驱动(其动力来自电池板一端),而高端电源则可通过自举解决方案来提供。
每个半桥栅极驱动器均由3向隔离构成,即是说,输入与输出之间存在隔离,两个输出之间也有隔离。输入到输出的隔离通过片上变压器提供。图5(a)是1 kV栅极驱动器的变压器结构,图5(b)是5 kV栅极驱动器的变压器结构。1 kV半桥栅极驱动器以三芯片单封装实现,包括一个输入芯片和两个相同的栅极驱动器芯片。
两个1 kV变压器(如图5(a)所示)在输入芯片上实现,两个栅极驱动器输出各一个。输入与底部线圈相连,底部线圈与顶部线圈之间由2.64 μm厚的氧化物隔离,而顶部线圈相互之间则通过横向氧化物来实现隔离。这两个栅极驱动器芯片位于自己的分片焊盘上,并通过与[2]类似的芯片间焊线与输入芯片处的顶部线圈相连。5 kV栅极驱动器实现方法与此相似,只是顶部线圈与底部线圈之间是通过20 mm厚的聚酰亚胺材料进行隔离的。

图5. 变压器结构 (a) 1 kV栅极驱动器 (b) 2.5 kV栅极驱动器
对于多逆变器并联系统(如串式逆变器),逆变器之间也需要通信,这一般是通过RS-485总线、RS-232总线或者CAN总线(需要隔离时)实现的。自驱动隔离收发器将能够从电池板端获得总线端所需要的电源。
微逆变器也开始受到人们的青睐,因为它们有助于提升系统的可靠性和性能。它们还有利于解决串式逆变器存在的潜在直流电弧问题。微逆变器一般安装在楼顶电池板的下方,这种条件下的环境温度可能非常高。高温会加快光耦合器中LED性能的下降;另一方面,基于微变压器的隔离方法,其性能不会随时间而下降,在这些极端条件下表现卓越。微逆变器可以使用单级逆变器而非全三级逆变器,以降低系统成本。每个微逆变器的功耗可能仅仅为两三百瓦特,在这一功耗水平下,隔离集成法为降低系统成本、提升系统可靠性带来了许多系统集成机会。
结论
基于微变压器的隔离集成方法是满足并网PV逆变器、中央逆变器或微逆变器的隔离需求的理想解决方案。其集成式信号和电源隔离能力可以大幅减少元件数量,提高系统可靠性和使用寿命,同时,其精密的栅极驱动时序特性则可能进一步提高逆变器的效率。利用基于微变压器的隔离ADC,可以对电网电流和电压进行更加准确的测量,结果给电网带来高品质的单位功率系数正弦电流。
作者:Baoxing Chen
ADI公司研究员
参考文献
1. Chen, B. “Fully integrated isolated DC-DC converter using micro-transformers,” 23rd Annual IEEE Applied Power Electronics Conference Proceedings, p. 335-338, February 2008.
2. Chen, B. “Isolated half bridge gate driver with integrated high-side supply,” 39th IEEE Power Electronics Specialist Conference Proceedings, p. 3615-3618, June 2009.
市场上主要有两类PV逆变器,即无变压器逆变器和变压器隔离逆变器。无变压器逆变器可能会受到大接地漏电流和注入的直流的影响,因为PV电池板与交流网之间存在很大的电池板电容而且缺少隔离,如图1(a)所示。如果有直流组分注入电网中的交流电流中,这种情况是应该避免的,因为结果可能导致配电变压器饱和。许多安全标准对电网中注入的直流电流量进行了严格的规定,有些情况下,必须对变压器进行隔离。在电池板与电网之间采用变压器隔离技术可以消除因电池板相对于电网的电压差而产生的直流注入路径,如图1(b)所示。除直流注入以外,并网逆变器还需满足电网的其他要求,比如总谐波失真和单谐波电流水平、功率系数以及孤网运行情况的检测等。电网电压和注入电网的电流必须精确监控。如果用于执行MPPT和栅极驱动功能的控制器位于电池板一端,则必须将这些测量值隔离开来。为了使PV电池板发挥最大效率,需要采用最大功率点跟踪(MPPT)算法。为了实现MPTT,还需监控电池板电压和电流。当人们尝试串联多个PV逆变器以减少所需逆变器的数量时,电池板电压可能变得非常高。从PV电池板高边端进行的电流测量也需要隔离。

图1. (a) 非隔离逆变器下电网中的直流注入 (b) 通过隔离阻断直流注入
除了隔离电流和电压测量以外,还需要RS-485、RS-232和CAN等接口功能。RS-485或RS-232一般用于面向这些PV逆变器的通信,以获得实时的性能数据,而通信总线则需要进行隔离,因为总线需要传输较长的距离,同时也是出于安全考虑。对于通信距离较短时,也可使用隔离CAN。这些收发器也需要把隔离电源从电池板一端抽取至总线一端。
传统上,隔离是由光耦合器实现的。然而,光耦合器的电流传输功能会随着时间而下降,可能几年后就无法运行,远远低于许多太阳能电池板提供的20年寿命担保。这里,我们建议使用基于微变压器的信号和电源隔离法,这种方法可以满足PV逆变器中存在的多种集成需求。这种方法不但可以克服光耦合器的性能下降缺陷,而且允许集成ADC之类的检测功能或者RS-485或RS-232收发器之类的接口功能。另外,该方法可以提供隔离电源用以驱动这些检测IC、隔离收发器或者隔离栅极驱动器。基于光耦合器的栅极驱动器则耗电量大,时序特性也非常不稳定。基于微变压器的栅极驱动器不但功耗更低,而且可以具有匹配性更好的栅极驱动器时序特性,可以显著提高系统的总功率转换效率。隔离的信号和电源集成也可大幅减少元件数量,从而降低系统成本、提高可靠性。
用微变压器实现信号和电源隔离
微变压器可以用于提供集成的信号和电源隔离,最大额定值为5 kV rms [1]。对于信号传输,输入数据通常在编码之后再传输给数据变压器原边。副边则通过解码来还原信号。输入与输出之间的隔离通过初级线圈与次级线圈之间的绝缘层来实现。为了在隔离之间实现高效的电源传输,用一个自振高频振荡器来驱动电源变压器的原边,同时用高频肖特基二极管来提供整流直流电压。调节由次级控制器产生的PWM完成,该PWM通过一个反馈变压器以远低于振荡频率的频率来开启和关闭振荡器,如图2(a)所示。通过反馈变压器的反馈信号的工作方式与通过数据变压器的其他数据通道信号相同。当为能量转换和反馈设置不同的控制路径时,可以优化能量转换效率,同时维持调节的稳定性。图2(b)展示的是带四个独立的隔离数据通道的500 mW隔离DC-DC转换器。

图2. (a) 隔离DC-DC逆变器原理图 (b) 4通道隔离器、500 mW隔离电源下的封装方案
在本例中,变压器由两个独立的芯片构成,一个是编码器(即原边芯片),另一个是解码器(即副边芯片)。然而,这主要是出于成本原因考虑,而在理论上,变压器是可以用其中一个IC芯片构建的。栅极驱动器、收发器、ADC等额外电路功能全部都可以集成进来。
PV逆变器中的隔离集成
图3所示为一个典型的3级并网PV逆变器。第1级是一个可选的升压转换器,用于提高电池板电压,该电压然后再通过隔离DC-DC转换器级。该隔离DC-DC转换器包括一个通过高频变压器的全桥dc-ac转换功能。该高频变压器具有尺寸小、效率高的优势。副边的交流被整流成通常高于电网峰值电压的直流电压。整流形成的直流再通过第3逆变器级转换成电网线路频率。需要检测电池板输出电压和电流,并将其馈入一个微控制器,以执行最大功率传输跟踪(MPTT)算法。同时,该微控制器还负责控制隔离DC-DC和输出逆变器的栅极驱动器。输出逆变器位于电网一端,其接地电压与直流电池板接地电压不同,从微控制器到逆变器驱动级的通信需要隔离。通常需要四个光耦合器,但它们功耗较高,其较大的传播延迟也可能影响栅极驱动器的时序精度,从而影响到逆变器的效率,而且最重要的是,它们难以支持PV电池板20至25年的担保寿命。另一方面,基于微变压器的隔离器[1, 2]功耗要低得多,传播延迟要短得多,而且性能不会随时间而下降。另外,多通道隔离器也可以与片上DC-DC转换器集成,以便为栅极驱动器提供隔离电源。在逆变器输出与并网之间用继电器来确
保逆变器输出频率和相位与市电电压同步,同时,还能在电网发生故障时或者在市电电压或频率超过可接受限值时迅速断开,从而实现防孤岛保护。在电网一端需要电压检测功能以检测零交越,同时也需要电流检测功能,以确保负载中馈入的是正弦波电流。检测信息可以通过隔离ADC传送给控制器。隔离ADC集成一个16位二阶∑-△调制器和基于微变压器的数字隔离功能,能够实现3.75 kV的隔离,是分流电流检测的理想之选。电流变压器也可用于电流检测,但它们价格昂贵、体积庞大,而且可能对外部磁场非常敏感。也可以使用霍尔效应检测器,但它们在非线性度和失调方面先天不足,结果会影响到电流测量值的精度。分流与集成隔离ADC一起形成一种可靠的低成本替代方案。隔离ADC在电网一端也需要隔离电源以驱动自己,同时,可以集成基于微变压器的隔离DC-DC,从而省去使用分立式DC-DC转换器的诸多麻烦。当需要PLC通信时,电网端的PLC芯片可以由隔离DC-DC来驱动,而其与电池板一端的控制器的通信则通过一个多通道隔离器来实现。

图3. 3级PV逆变器的隔离方案
基于微变压器的隔离方法也可与高电流输出栅极驱动器相集成,以形成全隔离半桥栅极驱动器。图4所示为一个并网PV逆变器的示例栅极驱动方案。对于原边的DC-AC全桥开关,通常没有必要为低端栅极驱动器(尤其是低功耗逆变器)设置隔离。对于两个高端开关,具有4 A驱动能力的2通道1 kV隔离驱动器就能胜任工作。逆变器开关位于交流端,因此,低端和高端都需要隔离栅极驱动器。

图4. 3级PV逆变器的栅极驱动器实现方案
要使直流端的微控制器与交流端的逆变器直接通信,通常需要2.5 kV或5 kV隔离栅极驱动器。低端栅极驱动器可以由集成的DC-DC驱动(其动力来自电池板一端),而高端电源则可通过自举解决方案来提供。
每个半桥栅极驱动器均由3向隔离构成,即是说,输入与输出之间存在隔离,两个输出之间也有隔离。输入到输出的隔离通过片上变压器提供。图5(a)是1 kV栅极驱动器的变压器结构,图5(b)是5 kV栅极驱动器的变压器结构。1 kV半桥栅极驱动器以三芯片单封装实现,包括一个输入芯片和两个相同的栅极驱动器芯片。
两个1 kV变压器(如图5(a)所示)在输入芯片上实现,两个栅极驱动器输出各一个。输入与底部线圈相连,底部线圈与顶部线圈之间由2.64 μm厚的氧化物隔离,而顶部线圈相互之间则通过横向氧化物来实现隔离。这两个栅极驱动器芯片位于自己的分片焊盘上,并通过与[2]类似的芯片间焊线与输入芯片处的顶部线圈相连。5 kV栅极驱动器实现方法与此相似,只是顶部线圈与底部线圈之间是通过20 mm厚的聚酰亚胺材料进行隔离的。

图5. 变压器结构 (a) 1 kV栅极驱动器 (b) 2.5 kV栅极驱动器
对于多逆变器并联系统(如串式逆变器),逆变器之间也需要通信,这一般是通过RS-485总线、RS-232总线或者CAN总线(需要隔离时)实现的。自驱动隔离收发器将能够从电池板端获得总线端所需要的电源。
微逆变器也开始受到人们的青睐,因为它们有助于提升系统的可靠性和性能。它们还有利于解决串式逆变器存在的潜在直流电弧问题。微逆变器一般安装在楼顶电池板的下方,这种条件下的环境温度可能非常高。高温会加快光耦合器中LED性能的下降;另一方面,基于微变压器的隔离方法,其性能不会随时间而下降,在这些极端条件下表现卓越。微逆变器可以使用单级逆变器而非全三级逆变器,以降低系统成本。每个微逆变器的功耗可能仅仅为两三百瓦特,在这一功耗水平下,隔离集成法为降低系统成本、提升系统可靠性带来了许多系统集成机会。
结论
基于微变压器的隔离集成方法是满足并网PV逆变器、中央逆变器或微逆变器的隔离需求的理想解决方案。其集成式信号和电源隔离能力可以大幅减少元件数量,提高系统可靠性和使用寿命,同时,其精密的栅极驱动时序特性则可能进一步提高逆变器的效率。利用基于微变压器的隔离ADC,可以对电网电流和电压进行更加准确的测量,结果给电网带来高品质的单位功率系数正弦电流。
作者:Baoxing Chen
ADI公司研究员
参考文献
1. Chen, B. “Fully integrated isolated DC-DC converter using micro-transformers,” 23rd Annual IEEE Applied Power Electronics Conference Proceedings, p. 335-338, February 2008.
2. Chen, B. “Isolated half bridge gate driver with integrated high-side supply,” 39th IEEE Power Electronics Specialist Conference Proceedings, p. 3615-3618, June 2009.
射频工程师养成培训教程套装,助您快速成为一名优秀射频工程师...
射频和天线工程师培训课程详情>>

