- 易迪拓培训,专注于微波、射频、天线设计工程师的培养
LCL滤波器参数性能的比较
录入:edatop.com 点击:
光伏并网逆变器输出的并网电流中含有大量的谐波,这些谐波会导致电能质量的恶化,继而引发大规模的事故。因而滤波器的设计对于改善电能质量尤为重要。就现阶段而言,LCL滤波器的设计方法也层出不穷。文献[1]提出了分裂电容法,将LCL型滤波器的中间旁通电容分成并联的前后两部分,取两电流的加权平均值的方法;文献[2]根据滤波器的限制条件来确定具体参数范围,但是具有很强的经验性不利于设计;文献[3]中利用被动阻尼比的方法进行相关验证等均存在相应的缺点。
本文依据LCL 型滤波器中滤波总电感值L1 + L2 与滤波电容C2 两者之间的关系提出了一种在滤波电容以及总电感值较低且不变的情况下,通过改变滤波电感L1 ,L2 的值即当滤波电感L1 大于滤波电感L2 时设计出满足并网要求且谐波含有量较少的滤波器。并且通过实验验证了在滤波电容以及总电感值较低且不变的情况下,滤波电感L1 大于滤波电感L2 的滤波效果明显优于滤波电感L2 大于滤波电感L1 所设计的LCL滤波器。
1 三相并网逆变器拓扑结构
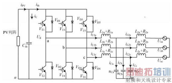
图1 为三相并网逆变器的拓扑结构图,iPV 为直流电流,Cdc 为直流母线电容,Ud 为直流母线电压;VT1~VT6为三相逆变的6个IGBT桥臂。R1 ,R2 分别为两侧滤波电感的内阻。该拓扑结构中LCL型滤波器的传递函数可以表示为如下:

2 滤波器参数性能分析
由于LCL滤波器在抑制谐波方面效果显著,故本文就LCL滤波器的参数性能进行相关比较,最后设计出一种满足并网要求且谐波抑制最为显著的滤波器。依据图1所示的并网逆变器拓扑结构中滤波电感L1 、L2 和滤波电容C2 ,通过Matlab 仿真得到LCL 型滤波器中滤波总电感值L1 + L2 与滤波电容C2 两者之间的关系如图2 所示,并且可以看出:在滤波电容C2 值越大的时候,L1 + L2 总电感量值越小。

图1 三相并网逆变器并网拓扑结构

图2 滤波器中C2 与L1 + L2 之间的关系
依据上述仿真结果,本文在保持滤波电容、总电感值较小且不变的情况下,通过改变L1 ,L2 进行相关性能比较,最后提出在滤波电容C2 值以及L1 + L2 总电感量值不变的情况下,L1 电感值大于L2 电感值的时候,此时LCL滤波器的性能达到最优。并且依据滤波器的限制条件对滤波器的参数进行如下设计:
(1)谐振频率可以表示为:

在已知谐振频率的前提下可以求出滤波电容C2 ,而C2 吸收的无功功率不能大于系统额定有功功率的5%,此处选取2%的无功功率;可以得到:

式中:Pn 为并网逆变器输出的额定有功功率;ug 为相电压有效值;f1 为电网基波频率。
(2)LCL 滤波器总的电感所产生的阻抗压降小于正常额定工作情况下电网电压的10%;由式(2)以及上述推导可以得到:

3 实验验证
在额定容量10 kVA的单相并网逆变器样机上其电路拓扑如图1所示,给定电网额定电压230 V,直流电压580 V,调制频率5 kHz,并且保持滤波电容C1 为20 μF且总电感值L1 + L2 为2.5 mH 不变的情况下,通过改变L1 ,L2 的参数进行相关比较实验,分别得到了逆变电压以及并网电流的波形图如图3所示。


图3 实验波形
通过上述实验可以明显看出在滤波电容、总电感值不变的情况下,当滤波电感L1 大于L2 的时候相比L2 大于L1 时所设计的LCL 滤波器的实际性能更加优越,即逆变器逆变输出电压以及并网电流的电能质量更加优化。
4 结语
本文根据LCL滤波器L1 + L2 ,C2 两者之间的关系,提出了一种在滤波电容以及总电感值较低且不变的情况下,通过改变滤波电感L1,L2 的值设计出满足并网要求且谐波抑制最为显著的滤波器。最后在10 kVA的单相并网逆变器样机上验证了当滤波电感L1 大于L2 的时候,LCL滤波器的实际性能更加显著。
本文依据LCL 型滤波器中滤波总电感值L1 + L2 与滤波电容C2 两者之间的关系提出了一种在滤波电容以及总电感值较低且不变的情况下,通过改变滤波电感L1 ,L2 的值即当滤波电感L1 大于滤波电感L2 时设计出满足并网要求且谐波含有量较少的滤波器。并且通过实验验证了在滤波电容以及总电感值较低且不变的情况下,滤波电感L1 大于滤波电感L2 的滤波效果明显优于滤波电感L2 大于滤波电感L1 所设计的LCL滤波器。
1 三相并网逆变器拓扑结构
图1 为三相并网逆变器的拓扑结构图,iPV 为直流电流,Cdc 为直流母线电容,Ud 为直流母线电压;VT1~VT6为三相逆变的6个IGBT桥臂。R1 ,R2 分别为两侧滤波电感的内阻。该拓扑结构中LCL型滤波器的传递函数可以表示为如下:

2 滤波器参数性能分析
由于LCL滤波器在抑制谐波方面效果显著,故本文就LCL滤波器的参数性能进行相关比较,最后设计出一种满足并网要求且谐波抑制最为显著的滤波器。依据图1所示的并网逆变器拓扑结构中滤波电感L1 、L2 和滤波电容C2 ,通过Matlab 仿真得到LCL 型滤波器中滤波总电感值L1 + L2 与滤波电容C2 两者之间的关系如图2 所示,并且可以看出:在滤波电容C2 值越大的时候,L1 + L2 总电感量值越小。

图1 三相并网逆变器并网拓扑结构

图2 滤波器中C2 与L1 + L2 之间的关系
依据上述仿真结果,本文在保持滤波电容、总电感值较小且不变的情况下,通过改变L1 ,L2 进行相关性能比较,最后提出在滤波电容C2 值以及L1 + L2 总电感量值不变的情况下,L1 电感值大于L2 电感值的时候,此时LCL滤波器的性能达到最优。并且依据滤波器的限制条件对滤波器的参数进行如下设计:
(1)谐振频率可以表示为:

在已知谐振频率的前提下可以求出滤波电容C2 ,而C2 吸收的无功功率不能大于系统额定有功功率的5%,此处选取2%的无功功率;可以得到:

式中:Pn 为并网逆变器输出的额定有功功率;ug 为相电压有效值;f1 为电网基波频率。
(2)LCL 滤波器总的电感所产生的阻抗压降小于正常额定工作情况下电网电压的10%;由式(2)以及上述推导可以得到:

3 实验验证
在额定容量10 kVA的单相并网逆变器样机上其电路拓扑如图1所示,给定电网额定电压230 V,直流电压580 V,调制频率5 kHz,并且保持滤波电容C1 为20 μF且总电感值L1 + L2 为2.5 mH 不变的情况下,通过改变L1 ,L2 的参数进行相关比较实验,分别得到了逆变电压以及并网电流的波形图如图3所示。


图3 实验波形
通过上述实验可以明显看出在滤波电容、总电感值不变的情况下,当滤波电感L1 大于L2 的时候相比L2 大于L1 时所设计的LCL 滤波器的实际性能更加优越,即逆变器逆变输出电压以及并网电流的电能质量更加优化。
4 结语
本文根据LCL滤波器L1 + L2 ,C2 两者之间的关系,提出了一种在滤波电容以及总电感值较低且不变的情况下,通过改变滤波电感L1,L2 的值设计出满足并网要求且谐波抑制最为显著的滤波器。最后在10 kVA的单相并网逆变器样机上验证了当滤波电感L1 大于L2 的时候,LCL滤波器的实际性能更加显著。
射频工程师养成培训教程套装,助您快速成为一名优秀射频工程师...
天线设计工程师培训课程套装,资深专家授课,让天线设计不再难...
上一篇:在不同颜色间转换的电压指示器
下一篇:单电感移动电源设计方案
射频和天线工程师培训课程详情>>

