- 易迪拓培训,专注于微波、射频、天线设计工程师的培养
单电感移动电源设计方案
录入:edatop.com 点击:
1.引言
针对如今便携式移动设备的发展,越来越大的屏幕需要更大的功率。基于锂电池容量和体积的正比关系,便携式设备的电池容量只能局限在一定的范围内,一种大容量的独立充电设备由此产生。但是由于通常做法是充电阶段与放电阶段为两个不同的环路,容易产生信号的互相干扰,并且对于移动电源这种相对廉价的设备,充电与放电共享的环路可以大大降低移动电源的生产成本。
市面上移动电源中常使用2个电感,其中充电电路中,充电过程需要一个电感,Boost电路放电过程中也需要一个电感。充电电路的工作过程是通过5V的交流适配器给移动电源内部的锂电池充电;而Boost电路工作过程是将移动电源内部锂电池升压到5V进行输出,从而给移动设备供电。但在移动电源实际工作中这两种电路通常情况不需要同时工作,也就是工作中两个电感只有一个电感处于工作状态,两个环路只需要一个工作。
2.芯片工作原理
本文提出了一种单电感移动电源的方案,这样不仅利于移动电源节省器件成本,还可节省设备体积,便于移动电源更小型化。使设备稳定性更高,单电感移动电源电路如图1所示:

(a). 充电芯片外围电路

(b). 升压芯片外围电路

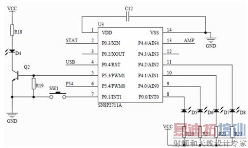
(c). 单片机外围电路
图1. 电路中芯片工作电路。
MT2011是来颉科技设计的一款高效率大电流单串联锂电池充电控制器。它支持4.5V~6.5V输入电压,输出电压可以跟随锂电池电压,最大2A的充电电流,使用了高效率的同步整流结构,适合应用于便携式充电设备和移动电源充电。整合电流采样电阻、高精度的电流与电压管理电路、满电自动停止充电。MT2011工作频率为1.5MHz,使用同步整流结构,效率高达93%。带有充电电流软启动、防反相电流二极管、充电电流采样等功能,并带有完善的输出短路保护和过温保护功能。
MT5036是来颉科技设计的一款95%高效的800KHz同步升压转换器,它为单节锂电池或多节锂电池组并联提供了良好的供电解决方案。 转换器通过设置芯片外部FB分压电阻或使用内部FB分压电阻来获得一个稳定输出电压。芯片转换效率非常高,能提供足够的负载电流,当供电电压下降到3V时,仍能在输出电压为5V时,输出3A的负载电流, 电感中的峰值电流被限制在6.6A。 MT5036工作频率可达800KHz,这使得电感和输出电容都可以不用太大,并且带有轻载PSM功能,可以保证芯片在全负载范围内保持较高的转换效率。 拥有60uA的静态电流,可以大大提高锂电池的寿命,带有低EMI工作模式,断续工作时,可以有效减少振铃,转换器可以避免电池过放电,在关断时负载可以完全与电池断开。
SN8P2711是一颗采用高速低功耗CMOS工艺设计开发的8位高性能精简指令单片机, 内部有1K×16位一次性编程ROM(OTP-ROM),64K×8位的数据寄存器(RAM),三个双向I/O口,两个8位定时器/计数器,两个PWM/Buzzer模块,多个系统时钟,四种系统工作模式,一个五信道的十二位模数转换器以及五个中断源。这款单片机可以广泛应用于测量、电机控制、工业控制、家电玩具类产品等。
3.电路工作原理分析
电路的工作具体原理如下:
电路工作分为两个过程,一是外加5V电源对移动电源内置锂电池充电,二是移动电源对外接移动设备充电。
工作在第一种过程时,交流适配器或5V电源接在移动电源的Micro USB接口上,VIN为5V电压时,R1与R2分压产生USB信号送入单片机,单片机检测到USB信号后,会将输出EN信号拉低,禁止MT5036工作。MT2011上电后会检测VCC的电压,如果VCC电压在可充电范围内,充电芯片开始工作,对锂电池按照浮充、快速充电、恒压充电的过程开始充电,电感电流由SW到VCC充电。TS信号在默认状态下是高,如果外部电路让TS强行拉低让MT2011停止工作, D2是钳位二极管,可以限制SW电压最低在-0.6V。图2为充电和放电过程信号和输入输出的时序图。

图2 电路图中控制与时序关系。
工作在第二个过程时,没有交流适配器连接在USB2.0口连接被充电设备。即MT5036的VOUT只与被充电设备相连。电路会检测到便携设备是否连接在USB2.0端口,若插入设备或按启动按钮就会启动MT5036,对设备进行充电。电路中VCC通过R24(100K)与VOUT相连。
在移动电源输出端口不连接设备时,VOUT电压等于VCC电压,此时MT5036的EN信号为低,芯片不工作。当设备插入时,VOUT被设备瞬间拉低,单片机检测到VOUT变低的瞬间降低,可以判断设备已接入,将EN信号拉高,使能MT5036工作,对设备充电。当EN变高,STAT信号就被强制拉低,这时可以禁止MT2011工作,保证充放电芯片最多一个工作。
MT5036工作时,电感电流由VCC到SW。R9为下拉电阻,保证由于某种原因EN悬空时,EN引脚可以接地,MT5036不会误工作。R7与R8为FB的分压电阻,通过这两个电阻来设置MT5036的VOUT电压。C9、C10、C11为输出储能电容,BOOST电路电感往输出端电流不连续,输出电容容量应尽量选大一些,在MT5036芯片中选用2个22uF贴片电容并联。R14,R15为输出电流采样电阻,可以采样MT5036的负载,用来判断过载或者空载情况情况。
当AMP信号电压超过过载阈值时,单片机判断为过载,此时将EN拉低,关段MT5036。当AMP信号电压低于0.1A负载阈值时,单片机判断为空载,为防止效率耗散,40s后也将EN拉低,关段MT5036。
输出电压与分压电阻关系为:

当移动电源工作于充电过程中,SW是VIN和GND的方波信号,VBAT引脚是MT5036的内部供电引脚,此时VBAT引脚如果为电池电压,此时会出现内部漏电情况,可能会造成MT5036的损坏。由图1(a)可看出,电源适配器5V输入端(VIN)和锂电池输出端(VCC)均通过二极管连接到MT5036的VBAT引脚。这样做可以防止芯片内部漏电的情况。加入这两个二极管后,MT5036的供电引脚会选取电压大的一侧作为供电电源,可以保证内部MOS管有效关段。二极管类型最好选取肖特基二极管。
单片机在移动电源中起调节工作模式和保护的功能。单片机7号脚的SW1是移动电源输出的开关。开关按下时,会拉高EN信号,使MT5036工作。4个LED灯用来显示行动电源当前电量和充放电状态。SW1开关还可以通过长按让移动电源手电筒功能打开。
4.实验结果与分析
本文提出了一款单电感高效率移动电源设计方案已经普遍应用于市面上的移动电源中。使用1盎司铜厚双层板PCB指标已能达到使用要求。
随电池电压可变的占空比可以保持系统在输入输出范围内工作都是稳定的,如图3所示。SW占空比可以保持D=VOUT/VIN。整个系统是稳定的

图3. 充电状态不同电池电压的SW状态。

图4. 放电状态负载跳变时对输出电压的影响。
由图4可知,2A的负载跳变会引起低于100mV的输出变化,为2%变化率,在移动电源芯片中表现是很好的。
在充电过程中,最高效率可以达到92%;在放电过程中,最高效率可以达到96%。所以用MT2011和MT5036两款电源芯片可以使整体设备保持很高的效率。在芯片处于待命状态工作时,静态电流可以低达40uA,也就是说处于待命状态180000小时,才会消耗行动电源25%的电量,所以,系统可以保持很长的寿命。
5.结论
在这篇文章中,通过对来颉科技两款电源芯片的介绍和对整体电路工作状态的介绍,描述了一种低静态电流的充电升压单电感应用的移动电源设计方案。
系统可以在单电感(低成本)情况下,保持移动电源系统稳定工作。并且可以保持高达96%的放电效率。40uA级别的低静态电流使得行动电源拥有超长的寿命。此文介绍的单电感移动电源还带有插入用电器自启动功能,并且2A负载跳变(ipad插入或拔出)能够保持在2%输出精度。
针对如今便携式移动设备的发展,越来越大的屏幕需要更大的功率。基于锂电池容量和体积的正比关系,便携式设备的电池容量只能局限在一定的范围内,一种大容量的独立充电设备由此产生。但是由于通常做法是充电阶段与放电阶段为两个不同的环路,容易产生信号的互相干扰,并且对于移动电源这种相对廉价的设备,充电与放电共享的环路可以大大降低移动电源的生产成本。
市面上移动电源中常使用2个电感,其中充电电路中,充电过程需要一个电感,Boost电路放电过程中也需要一个电感。充电电路的工作过程是通过5V的交流适配器给移动电源内部的锂电池充电;而Boost电路工作过程是将移动电源内部锂电池升压到5V进行输出,从而给移动设备供电。但在移动电源实际工作中这两种电路通常情况不需要同时工作,也就是工作中两个电感只有一个电感处于工作状态,两个环路只需要一个工作。
2.芯片工作原理
本文提出了一种单电感移动电源的方案,这样不仅利于移动电源节省器件成本,还可节省设备体积,便于移动电源更小型化。使设备稳定性更高,单电感移动电源电路如图1所示:

(a). 充电芯片外围电路

(b). 升压芯片外围电路

(c). 单片机外围电路
图1. 电路中芯片工作电路。
MT2011是来颉科技设计的一款高效率大电流单串联锂电池充电控制器。它支持4.5V~6.5V输入电压,输出电压可以跟随锂电池电压,最大2A的充电电流,使用了高效率的同步整流结构,适合应用于便携式充电设备和移动电源充电。整合电流采样电阻、高精度的电流与电压管理电路、满电自动停止充电。MT2011工作频率为1.5MHz,使用同步整流结构,效率高达93%。带有充电电流软启动、防反相电流二极管、充电电流采样等功能,并带有完善的输出短路保护和过温保护功能。
MT5036是来颉科技设计的一款95%高效的800KHz同步升压转换器,它为单节锂电池或多节锂电池组并联提供了良好的供电解决方案。 转换器通过设置芯片外部FB分压电阻或使用内部FB分压电阻来获得一个稳定输出电压。芯片转换效率非常高,能提供足够的负载电流,当供电电压下降到3V时,仍能在输出电压为5V时,输出3A的负载电流, 电感中的峰值电流被限制在6.6A。 MT5036工作频率可达800KHz,这使得电感和输出电容都可以不用太大,并且带有轻载PSM功能,可以保证芯片在全负载范围内保持较高的转换效率。 拥有60uA的静态电流,可以大大提高锂电池的寿命,带有低EMI工作模式,断续工作时,可以有效减少振铃,转换器可以避免电池过放电,在关断时负载可以完全与电池断开。
SN8P2711是一颗采用高速低功耗CMOS工艺设计开发的8位高性能精简指令单片机, 内部有1K×16位一次性编程ROM(OTP-ROM),64K×8位的数据寄存器(RAM),三个双向I/O口,两个8位定时器/计数器,两个PWM/Buzzer模块,多个系统时钟,四种系统工作模式,一个五信道的十二位模数转换器以及五个中断源。这款单片机可以广泛应用于测量、电机控制、工业控制、家电玩具类产品等。
3.电路工作原理分析
电路的工作具体原理如下:
电路工作分为两个过程,一是外加5V电源对移动电源内置锂电池充电,二是移动电源对外接移动设备充电。
工作在第一种过程时,交流适配器或5V电源接在移动电源的Micro USB接口上,VIN为5V电压时,R1与R2分压产生USB信号送入单片机,单片机检测到USB信号后,会将输出EN信号拉低,禁止MT5036工作。MT2011上电后会检测VCC的电压,如果VCC电压在可充电范围内,充电芯片开始工作,对锂电池按照浮充、快速充电、恒压充电的过程开始充电,电感电流由SW到VCC充电。TS信号在默认状态下是高,如果外部电路让TS强行拉低让MT2011停止工作, D2是钳位二极管,可以限制SW电压最低在-0.6V。图2为充电和放电过程信号和输入输出的时序图。

图2 电路图中控制与时序关系。
工作在第二个过程时,没有交流适配器连接在USB2.0口连接被充电设备。即MT5036的VOUT只与被充电设备相连。电路会检测到便携设备是否连接在USB2.0端口,若插入设备或按启动按钮就会启动MT5036,对设备进行充电。电路中VCC通过R24(100K)与VOUT相连。
在移动电源输出端口不连接设备时,VOUT电压等于VCC电压,此时MT5036的EN信号为低,芯片不工作。当设备插入时,VOUT被设备瞬间拉低,单片机检测到VOUT变低的瞬间降低,可以判断设备已接入,将EN信号拉高,使能MT5036工作,对设备充电。当EN变高,STAT信号就被强制拉低,这时可以禁止MT2011工作,保证充放电芯片最多一个工作。
MT5036工作时,电感电流由VCC到SW。R9为下拉电阻,保证由于某种原因EN悬空时,EN引脚可以接地,MT5036不会误工作。R7与R8为FB的分压电阻,通过这两个电阻来设置MT5036的VOUT电压。C9、C10、C11为输出储能电容,BOOST电路电感往输出端电流不连续,输出电容容量应尽量选大一些,在MT5036芯片中选用2个22uF贴片电容并联。R14,R15为输出电流采样电阻,可以采样MT5036的负载,用来判断过载或者空载情况情况。
当AMP信号电压超过过载阈值时,单片机判断为过载,此时将EN拉低,关段MT5036。当AMP信号电压低于0.1A负载阈值时,单片机判断为空载,为防止效率耗散,40s后也将EN拉低,关段MT5036。
输出电压与分压电阻关系为:

当移动电源工作于充电过程中,SW是VIN和GND的方波信号,VBAT引脚是MT5036的内部供电引脚,此时VBAT引脚如果为电池电压,此时会出现内部漏电情况,可能会造成MT5036的损坏。由图1(a)可看出,电源适配器5V输入端(VIN)和锂电池输出端(VCC)均通过二极管连接到MT5036的VBAT引脚。这样做可以防止芯片内部漏电的情况。加入这两个二极管后,MT5036的供电引脚会选取电压大的一侧作为供电电源,可以保证内部MOS管有效关段。二极管类型最好选取肖特基二极管。
单片机在移动电源中起调节工作模式和保护的功能。单片机7号脚的SW1是移动电源输出的开关。开关按下时,会拉高EN信号,使MT5036工作。4个LED灯用来显示行动电源当前电量和充放电状态。SW1开关还可以通过长按让移动电源手电筒功能打开。
4.实验结果与分析
本文提出了一款单电感高效率移动电源设计方案已经普遍应用于市面上的移动电源中。使用1盎司铜厚双层板PCB指标已能达到使用要求。
随电池电压可变的占空比可以保持系统在输入输出范围内工作都是稳定的,如图3所示。SW占空比可以保持D=VOUT/VIN。整个系统是稳定的

图3. 充电状态不同电池电压的SW状态。

图4. 放电状态负载跳变时对输出电压的影响。
由图4可知,2A的负载跳变会引起低于100mV的输出变化,为2%变化率,在移动电源芯片中表现是很好的。
在充电过程中,最高效率可以达到92%;在放电过程中,最高效率可以达到96%。所以用MT2011和MT5036两款电源芯片可以使整体设备保持很高的效率。在芯片处于待命状态工作时,静态电流可以低达40uA,也就是说处于待命状态180000小时,才会消耗行动电源25%的电量,所以,系统可以保持很长的寿命。
5.结论
在这篇文章中,通过对来颉科技两款电源芯片的介绍和对整体电路工作状态的介绍,描述了一种低静态电流的充电升压单电感应用的移动电源设计方案。
系统可以在单电感(低成本)情况下,保持移动电源系统稳定工作。并且可以保持高达96%的放电效率。40uA级别的低静态电流使得行动电源拥有超长的寿命。此文介绍的单电感移动电源还带有插入用电器自启动功能,并且2A负载跳变(ipad插入或拔出)能够保持在2%输出精度。
射频工程师养成培训教程套装,助您快速成为一名优秀射频工程师...
天线设计工程师培训课程套装,资深专家授课,让天线设计不再难...
上一篇:LCL滤波器参数性能的比较
下一篇:基于MOSFET的焦耳小偷电路可提升电压
射频和天线工程师培训课程详情>>

