- 易迪拓培训,专注于微波、射频、天线设计工程师的培养
热插拔控制器在直流升压电路中的设计应用
录入:edatop.com 点击:
设计了一种利用热插拔保护控制芯片,实现直流升压电路的输出过流、短路保护。分析了直流升压电路以及热插拔保护电路的工作原理及实现方式,详细介绍了电路及参数设计、选择过程,以及实际工作开关波形,并给出了设计实例。实验证明,利用热插拔保护控制芯片,有效地避免了常规直流升压电路在输出过流短路时的固有缺陷,提高了电源使用的可靠性。
热插拔保护电路通常用于服务器、网络交换机、以及其他形式的通信基础设施等高可用性系统。这种系统通常需要在带电状态下替换发生故障的电路板或模块,而系统照样维持正常运转,这个过程称为热插拔(Hot Swapping)。本文将阐述热插拔控制器的另一种用法,利用热插拔保护电路具有的过流和短路保护功能,解决开关直流升压电路的输出端保护问题。
1 开关直流升压电路的基本原理
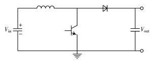
开关直流升压电路(The Boost Converter或者Step-up Converter),是一种开关直流升压电路。输出电压高于输入电压,输出电压极性不变,基本电路图如图1所示。

图1 The Boost Converter
开关管导通时,电源经由电感-开关管形成回路,电流在电感中转化为磁能贮存;开关管关断时,电感中的磁能转化为电能在电感端左负右正,此电压叠加在电源正端,经由二极管-负载形成回路,完成升压功能。
输出过流时,电路会采样开关管的峰值电流,减小占空比,导致输出电压下降。当输出电压降到输入电压时,过流保护不再受控,保护失效。另外输出过流点还会随着输入电压升高而变大。当输出短路时,输入电源会通过电感、升压二极管形成短路回路,导致电源故障。BOOST电路还有一个缺陷是不方便控制关闭输出,当控制芯片关闭,开关管截止时,输出仍然有电压,不像BUCK电路,很方便的将输出电压降到0 V。
2 热插拔控制器的基本原理
热插拔(Hot-Plugging或Hot Swap)即带电插拔,热插拔功能就是允许用户在不关闭系统,不切断电源的情况下取出和更换损坏的电源或板卡等部件,从而提高了系统对灾难的及时恢复能力、扩展性和灵活性。如果没有热插拔控制器,负载端的模块插拔时,会对电源产生浪涌电流的冲击,影响电压的稳定与电源的可靠性。这个问题可通过热插拔控制器来解决,热插拔控制器能合理控制浪涌电流,确保安全上电间隔。上电后,热插拔控制器还能持续监控电源电流,在正常工作过程中避免短路和过流。
3 关键电路设计与实例
3.1 电源要求
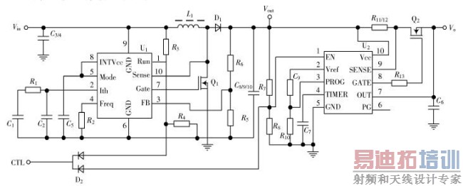
电源实例如图2所示,其中的电源输入9~18 V,额定输出28 V/1.2 A,过流保护1.5 A。

图2 电源实例
3.2 电路简介
这是一款用了TPS2491 热插拔控制芯片的升压电路,带有输出过流短路保护,当遥控端CTL接地时,电源进入待机模式,输出为零。
热插拔控制器包括用作电源控制主开关的N 沟道MOSFET、测量电流的检测电阻以及热插拔控制器TPS2491 三个主要元件,如上图2所示。热插拔控制器用于实现控制MOSFET导通电流的环路,其中包含一个电流检测比较器。电流检测比较器用于监控外部检测电阻上的电压降。当流过检测电阻上产生50 mV以上电压的电流将导致比较器指示过流,关闭MOSFET.TPS2491具有软启动功能,其中过流基准电压线性上升,而不是突然开启,这使得负载电流也以类似方式跟着变化。
TPS2491 内部集成了比较器及参考电压构成的开启电路用于使能输出。比较器的开启电压为1.35 V,关闭电压1.25 V,有0.1 V的滞差保证工作的稳定。通过分压电阻精确设定了使能控制器所必须达到的电源电压。器件一旦使能,MOSFET 栅极就开始充电,这种电路所使用的N 沟道MOSFET 的栅极电压必须高于源极。为了在整个电源电压(VCC)范围内实现这个条件,热插拔控制器集成了一个电荷泵,能够将GATE引脚的电压维持在比VCC还高10 V的水平。必要时,GATE引脚需要电荷泵上拉电流来使能MOSFET,并需要下拉电流来禁用MOSFET.较弱的下拉电流用于调节,较强的下拉电流则用于在短路情况下快速关闭MOSFET。
热插拔控制器还有一个模块为定时器,它限制过流情况下电流的调节时间。选用的MOSFET能在指定的最长时间内承受一定的功率。MOSFET制造商使用图3标出这个范围,或称作安全工作区(SOA)。

图3 MOSFET安全工作区
定时器还决定控制器自动重启的时间,故障导致关闭MOSFET,经过16 个振荡周期后,芯片重新使能输出。
3.3 设计过程
保护电路参数设定分几步:
(1)过流采样电阻
Rs=0.05/(1.2×IMAX),取值33mΩ,过流动作点为1.5A左右。
(2)MOSFET的选型:耐压要大于输入电压和瞬态过冲,并放一定余量;选择RDSON(MAX)。
RDSON(MAX)≤(TJ(MAX)-TA(MAX))/(RθJA-I2MAX)
TJ(MAX)一般取125℃,热阻RθJA取决于管子的封装,散热的方式。
(3)选择MOSFET的PLIM
MOSFET在启动或输出短路时会有极大的功率消耗,限制PLIM可以保护管子防止温度过高烧毁。通过3脚PROG电压的调节,设定PLIM的大小:
PLIM≤0.7×{TJ(MAX)2-[(I2MAX×RDSON×RθJA)+ TA(MAX)]}/RθJA
TJ(MAX)2一般取150℃,RDSON为MOSFET最高工作温度时的导通电阻。
VPROG= PLIM/(10×ILIM)
VPROG= VREF×R10/(R9×R10)
式中VREF为4V。实际选用MOSFET为AOL1242。
(4)选择CT
选择合适的电容,保证输出启动时能完成输出电容的充电且不引起故障保护的动作。
(5)选择使能启动电压
EN端启动电压为1.35 V,关闭电压为1.25 V.利用此引脚,可以做输入欠压保护;设计分压电阻为240 kΩ和13 kΩ,开启电压为26.3 V,在24.3 V时关闭。
(6)其他参数
GATE驱动电阻,为了抑制高频振荡,通常取10 Ω;PG 端上拉电阻,保证吸收电流小于2 mA,在本设计中不需要,悬空处理;Vcc端旁路电容,取0.1 μF.
电源使能端串联一个二极管BAV70,低电平时可以关闭升压电路和电源输出。
4 测试结果和各测试点的工作波形
测试结果为过流保护动作点:1.45 A;输出长期短路无损坏,短路去除恢复输出;遥控端使能工作正常。
上电时各个测试点波形如图4所示。
图4中CH2是升压后的电压,当输入加电,升压电路立即工作,很快达到28 V.为了防止后极负载的浪涌电流对MOSFET的冲击,可以看到驱动电压(CH1)是缓慢上升的,输出电压(CH3)也是跟随缓慢上升。在启动过程中,很明显看到MOSFET的驱动电压不高,MOSFET工作于线性区,同样可以抑制输出端电流的增大,有效保护MOSFET在启动过程中不过载。

图4 上电波形
正常工作时的各点电压如图5所示。由图5可以看到,正常工作时,输出电压(CH3)等于升压后的电压(CH2),MOSFET驱动电压(CH1)比输出电压高了14 V,可以保证MOSFET良好导通,降低热耗和压差。

图5 正常工作波形
当负载过流或短路时的波形如图6所示。由图6可以看到,当输出过流或短路时,MOSFET驱动电压(CH1)迅速下降,导致输出电压(CH3)跟着下降,有效的保护电源的安全。经过2s的重启周期后,驱动电压有个小小的试探电压,如果故障仍然存在,重启不成功,驱动电压又恢复到零。反之重启成功,正常输出。如图7所示。

图6 故障保护波形

图7 电源重启波形
5 结语
实践证明,基于TPS2491热插拔控制器的保护控制电路具有电路简单可靠,应用方便的特点。本电路应用于开关直流升压电路中,完美解决了原来没有输出过流短路保护以及不能遥控输出的缺陷,收到了良好效果。
热插拔保护电路通常用于服务器、网络交换机、以及其他形式的通信基础设施等高可用性系统。这种系统通常需要在带电状态下替换发生故障的电路板或模块,而系统照样维持正常运转,这个过程称为热插拔(Hot Swapping)。本文将阐述热插拔控制器的另一种用法,利用热插拔保护电路具有的过流和短路保护功能,解决开关直流升压电路的输出端保护问题。
1 开关直流升压电路的基本原理
开关直流升压电路(The Boost Converter或者Step-up Converter),是一种开关直流升压电路。输出电压高于输入电压,输出电压极性不变,基本电路图如图1所示。

图1 The Boost Converter
开关管导通时,电源经由电感-开关管形成回路,电流在电感中转化为磁能贮存;开关管关断时,电感中的磁能转化为电能在电感端左负右正,此电压叠加在电源正端,经由二极管-负载形成回路,完成升压功能。
输出过流时,电路会采样开关管的峰值电流,减小占空比,导致输出电压下降。当输出电压降到输入电压时,过流保护不再受控,保护失效。另外输出过流点还会随着输入电压升高而变大。当输出短路时,输入电源会通过电感、升压二极管形成短路回路,导致电源故障。BOOST电路还有一个缺陷是不方便控制关闭输出,当控制芯片关闭,开关管截止时,输出仍然有电压,不像BUCK电路,很方便的将输出电压降到0 V。
2 热插拔控制器的基本原理
热插拔(Hot-Plugging或Hot Swap)即带电插拔,热插拔功能就是允许用户在不关闭系统,不切断电源的情况下取出和更换损坏的电源或板卡等部件,从而提高了系统对灾难的及时恢复能力、扩展性和灵活性。如果没有热插拔控制器,负载端的模块插拔时,会对电源产生浪涌电流的冲击,影响电压的稳定与电源的可靠性。这个问题可通过热插拔控制器来解决,热插拔控制器能合理控制浪涌电流,确保安全上电间隔。上电后,热插拔控制器还能持续监控电源电流,在正常工作过程中避免短路和过流。
3 关键电路设计与实例
3.1 电源要求
电源实例如图2所示,其中的电源输入9~18 V,额定输出28 V/1.2 A,过流保护1.5 A。

图2 电源实例
3.2 电路简介
这是一款用了TPS2491 热插拔控制芯片的升压电路,带有输出过流短路保护,当遥控端CTL接地时,电源进入待机模式,输出为零。
热插拔控制器包括用作电源控制主开关的N 沟道MOSFET、测量电流的检测电阻以及热插拔控制器TPS2491 三个主要元件,如上图2所示。热插拔控制器用于实现控制MOSFET导通电流的环路,其中包含一个电流检测比较器。电流检测比较器用于监控外部检测电阻上的电压降。当流过检测电阻上产生50 mV以上电压的电流将导致比较器指示过流,关闭MOSFET.TPS2491具有软启动功能,其中过流基准电压线性上升,而不是突然开启,这使得负载电流也以类似方式跟着变化。
TPS2491 内部集成了比较器及参考电压构成的开启电路用于使能输出。比较器的开启电压为1.35 V,关闭电压1.25 V,有0.1 V的滞差保证工作的稳定。通过分压电阻精确设定了使能控制器所必须达到的电源电压。器件一旦使能,MOSFET 栅极就开始充电,这种电路所使用的N 沟道MOSFET 的栅极电压必须高于源极。为了在整个电源电压(VCC)范围内实现这个条件,热插拔控制器集成了一个电荷泵,能够将GATE引脚的电压维持在比VCC还高10 V的水平。必要时,GATE引脚需要电荷泵上拉电流来使能MOSFET,并需要下拉电流来禁用MOSFET.较弱的下拉电流用于调节,较强的下拉电流则用于在短路情况下快速关闭MOSFET。
热插拔控制器还有一个模块为定时器,它限制过流情况下电流的调节时间。选用的MOSFET能在指定的最长时间内承受一定的功率。MOSFET制造商使用图3标出这个范围,或称作安全工作区(SOA)。

图3 MOSFET安全工作区
定时器还决定控制器自动重启的时间,故障导致关闭MOSFET,经过16 个振荡周期后,芯片重新使能输出。
3.3 设计过程
保护电路参数设定分几步:
(1)过流采样电阻
Rs=0.05/(1.2×IMAX),取值33mΩ,过流动作点为1.5A左右。
(2)MOSFET的选型:耐压要大于输入电压和瞬态过冲,并放一定余量;选择RDSON(MAX)。
RDSON(MAX)≤(TJ(MAX)-TA(MAX))/(RθJA-I2MAX)
TJ(MAX)一般取125℃,热阻RθJA取决于管子的封装,散热的方式。
(3)选择MOSFET的PLIM
MOSFET在启动或输出短路时会有极大的功率消耗,限制PLIM可以保护管子防止温度过高烧毁。通过3脚PROG电压的调节,设定PLIM的大小:
PLIM≤0.7×{TJ(MAX)2-[(I2MAX×RDSON×RθJA)+ TA(MAX)]}/RθJA
TJ(MAX)2一般取150℃,RDSON为MOSFET最高工作温度时的导通电阻。
VPROG= PLIM/(10×ILIM)
VPROG= VREF×R10/(R9×R10)
式中VREF为4V。实际选用MOSFET为AOL1242。
(4)选择CT
选择合适的电容,保证输出启动时能完成输出电容的充电且不引起故障保护的动作。
(5)选择使能启动电压
EN端启动电压为1.35 V,关闭电压为1.25 V.利用此引脚,可以做输入欠压保护;设计分压电阻为240 kΩ和13 kΩ,开启电压为26.3 V,在24.3 V时关闭。
(6)其他参数
GATE驱动电阻,为了抑制高频振荡,通常取10 Ω;PG 端上拉电阻,保证吸收电流小于2 mA,在本设计中不需要,悬空处理;Vcc端旁路电容,取0.1 μF.
电源使能端串联一个二极管BAV70,低电平时可以关闭升压电路和电源输出。
4 测试结果和各测试点的工作波形
测试结果为过流保护动作点:1.45 A;输出长期短路无损坏,短路去除恢复输出;遥控端使能工作正常。
上电时各个测试点波形如图4所示。
图4中CH2是升压后的电压,当输入加电,升压电路立即工作,很快达到28 V.为了防止后极负载的浪涌电流对MOSFET的冲击,可以看到驱动电压(CH1)是缓慢上升的,输出电压(CH3)也是跟随缓慢上升。在启动过程中,很明显看到MOSFET的驱动电压不高,MOSFET工作于线性区,同样可以抑制输出端电流的增大,有效保护MOSFET在启动过程中不过载。

图4 上电波形
正常工作时的各点电压如图5所示。由图5可以看到,正常工作时,输出电压(CH3)等于升压后的电压(CH2),MOSFET驱动电压(CH1)比输出电压高了14 V,可以保证MOSFET良好导通,降低热耗和压差。

图5 正常工作波形
当负载过流或短路时的波形如图6所示。由图6可以看到,当输出过流或短路时,MOSFET驱动电压(CH1)迅速下降,导致输出电压(CH3)跟着下降,有效的保护电源的安全。经过2s的重启周期后,驱动电压有个小小的试探电压,如果故障仍然存在,重启不成功,驱动电压又恢复到零。反之重启成功,正常输出。如图7所示。

图6 故障保护波形

图7 电源重启波形
5 结语
实践证明,基于TPS2491热插拔控制器的保护控制电路具有电路简单可靠,应用方便的特点。本电路应用于开关直流升压电路中,完美解决了原来没有输出过流短路保护以及不能遥控输出的缺陷,收到了良好效果。
射频工程师养成培训教程套装,助您快速成为一名优秀射频工程师...
射频和天线工程师培训课程详情>>

