- 易迪拓培训,专注于微波、射频、天线设计工程师的培养
如何运用数字I/O来保护继电器
录入:edatop.com 点击:
1. 简述
在开关系统中,短路或者是开路的情况下,由于存在着额外的电流或者是电压,继电器往往会过载。所有的继电器都有一个最大的承载电流和热切换功率,如果超出了这个范围,会增加继电器焊接在一起的风险,从而引起无法释放,或者是释放时间过长的情况。
原因是在电源这部分有存在着电容性的器件,可能会释放大电流,从而产生热量使得连接部分融化,等到冷却之后就有可能连接在一起。
增加额外的限流器可以减少这部分的问题,但是需要清楚的是在电源部分增加限流器也是无法避免电容性的电流的影响,并且,由于限流器是接入到电源控制系统中的,在工作的时候需要一定的时间来响应,就达不到想要的结果。
像一些模块卡,像40-411,40-412和40-413就可以用来减少焊接故障的发生,特别是在接入故障的测试目标的时候。为了解释以上的数字IO模块可以减少了这方面的损坏,下面就以故障注入模块作为例子来说明一下。
2. 数字I/O模块
40-411,40-412和40-413的输出端就带有限流器的驱动,这些驱动使用的是MOSFET输出,并且包括可以让电流顺利通过的限流器。在驱动进入到限流模式之后,电压电压降会穿过MOSFET,这个电压降会让MOSFET变热。这个驱动同样也包含了一个可以通过保护电流啦将MOSFET关闭的温度传感器。当MOSFET冷却之后,它又可以重新开始工作了。这个强大的装置可以保护器件免于受损害--之后持续的高电压才会将器件烧坏。这个温度传感器和限流器是非常靠近MOSFET的,所以响应时间是非常的短的,这样可以有效地保护了MOSFET。
在包含了拉电流和灌电流驱动的数字I/O卡中,这两个驱动都是可以关闭的,或者是将某一个驱动连接到电源或者是接地。
在高电平被应用的地方,应该注意的是它包含了一个偏置二极管,在开关打开的时候,就意味着将会有一个电压电压降穿过驱动,这个就出现了比预想中更加高的阻抗。

3. 故障注入模块
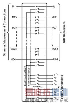
Pickering的故障注入模块是用于仿真模拟对于安全性的要求比较高的系统中常见的故障类型。它们可以用来模拟开路短路的故障,和一些常见的与其他的信号线或者是电源/地线之间的短路。但是在选择的时候,需要看具体的应用,因为有一些应用中需要的切换电流或者是电压有比较高的要求,特别是一些比较特殊的应用,这就需要从元器件层面去做必要的权衡。下图是Pickering的故障注入模块的图示:

4. 模块组合-故障注入模块与数字I/O模块
为了将电源和地线连接到路径中,用户可以用数字I/O模块来实现,并且还可以为开关提供限流保护。可以使用数字I/O模块来将故障注入的切换变换为冷切换,冷切换对于开关的寿命的没有太大的影响。
故障注入的经典的结构图如上面的图示所示,这里面已经集成了多种可能的故障信号源的接口,有一个或者是多个故障信号源可以是电源(电池)或者是地线。当使用数字I/O卡来进行中间部分的连接后,就可以起到一个限流的作用。
如果数字I/O模块40-411只提供与地线之间的联系,那么它只能驱动一个激励信号源。如果信号方向是颠倒的,那么40-411将会把信号压缩到在比地线低0.6V,因为输出存在着二极管。40-411是带有1A的灌电流的,它将会把信号限制在1.5A和+3.5V,如果是低电压,那么将会有一个高电流,最坏的情况是在1.5V的时候有3.5A的电流。
40-412模块将会提供允许连接外部地线或者是电源线的驱动,唯一的要求是连接一条故障线来提供这样的功能。在低电平的驱动的情况下(连接到地线),电流一般也是限制在1A的,最坏的情况是在1.5V的时候还带着1.5A的电流。在高电平的驱动的情况下,电流大约会在1A,但是需要注意的是电压降会比低电平驱动的时候更大。
40-413数字I/O模块与40-412的功能是差不多一样的,但是在高电流的情况下,低电平的驱动一般是在7A的电流,还有在高电平的情况下,是3.5A的电流。这种设计不适合于2A电流的应用中,但是可以用于需要大电流的故障注入应用中。
在很多情况下,可以通过并行排布多于1个通道的数字I/O模块来提高对更大电流的限制的能力。
不管在什么情况下,用户都可以通过数字I/O模块卡来切换信号,而不用再通过开关来操作。在数字I/O模块关闭与地线或者是激励源之间的连接之前,就可以关闭故障注入卡上的开关。这样就意味着可以大大地提高开关的使用寿命,原因在于将开关的热切换转化为了冷切换。
任何情况下,用户都必须保证数字I/O的电压不能超过标称的电压。
5. 其他应用
在实际应用上,数字I/O不只可用于故障注入模块中,也可以用在其他的有连接到地线或者电源线的开关模块中。
在开关系统中,短路或者是开路的情况下,由于存在着额外的电流或者是电压,继电器往往会过载。所有的继电器都有一个最大的承载电流和热切换功率,如果超出了这个范围,会增加继电器焊接在一起的风险,从而引起无法释放,或者是释放时间过长的情况。
原因是在电源这部分有存在着电容性的器件,可能会释放大电流,从而产生热量使得连接部分融化,等到冷却之后就有可能连接在一起。
增加额外的限流器可以减少这部分的问题,但是需要清楚的是在电源部分增加限流器也是无法避免电容性的电流的影响,并且,由于限流器是接入到电源控制系统中的,在工作的时候需要一定的时间来响应,就达不到想要的结果。
像一些模块卡,像40-411,40-412和40-413就可以用来减少焊接故障的发生,特别是在接入故障的测试目标的时候。为了解释以上的数字IO模块可以减少了这方面的损坏,下面就以故障注入模块作为例子来说明一下。
2. 数字I/O模块
40-411,40-412和40-413的输出端就带有限流器的驱动,这些驱动使用的是MOSFET输出,并且包括可以让电流顺利通过的限流器。在驱动进入到限流模式之后,电压电压降会穿过MOSFET,这个电压降会让MOSFET变热。这个驱动同样也包含了一个可以通过保护电流啦将MOSFET关闭的温度传感器。当MOSFET冷却之后,它又可以重新开始工作了。这个强大的装置可以保护器件免于受损害--之后持续的高电压才会将器件烧坏。这个温度传感器和限流器是非常靠近MOSFET的,所以响应时间是非常的短的,这样可以有效地保护了MOSFET。
在包含了拉电流和灌电流驱动的数字I/O卡中,这两个驱动都是可以关闭的,或者是将某一个驱动连接到电源或者是接地。
在高电平被应用的地方,应该注意的是它包含了一个偏置二极管,在开关打开的时候,就意味着将会有一个电压电压降穿过驱动,这个就出现了比预想中更加高的阻抗。

3. 故障注入模块
Pickering的故障注入模块是用于仿真模拟对于安全性的要求比较高的系统中常见的故障类型。它们可以用来模拟开路短路的故障,和一些常见的与其他的信号线或者是电源/地线之间的短路。但是在选择的时候,需要看具体的应用,因为有一些应用中需要的切换电流或者是电压有比较高的要求,特别是一些比较特殊的应用,这就需要从元器件层面去做必要的权衡。下图是Pickering的故障注入模块的图示:

4. 模块组合-故障注入模块与数字I/O模块
为了将电源和地线连接到路径中,用户可以用数字I/O模块来实现,并且还可以为开关提供限流保护。可以使用数字I/O模块来将故障注入的切换变换为冷切换,冷切换对于开关的寿命的没有太大的影响。
故障注入的经典的结构图如上面的图示所示,这里面已经集成了多种可能的故障信号源的接口,有一个或者是多个故障信号源可以是电源(电池)或者是地线。当使用数字I/O卡来进行中间部分的连接后,就可以起到一个限流的作用。
如果数字I/O模块40-411只提供与地线之间的联系,那么它只能驱动一个激励信号源。如果信号方向是颠倒的,那么40-411将会把信号压缩到在比地线低0.6V,因为输出存在着二极管。40-411是带有1A的灌电流的,它将会把信号限制在1.5A和+3.5V,如果是低电压,那么将会有一个高电流,最坏的情况是在1.5V的时候有3.5A的电流。
40-412模块将会提供允许连接外部地线或者是电源线的驱动,唯一的要求是连接一条故障线来提供这样的功能。在低电平的驱动的情况下(连接到地线),电流一般也是限制在1A的,最坏的情况是在1.5V的时候还带着1.5A的电流。在高电平的驱动的情况下,电流大约会在1A,但是需要注意的是电压降会比低电平驱动的时候更大。
40-413数字I/O模块与40-412的功能是差不多一样的,但是在高电流的情况下,低电平的驱动一般是在7A的电流,还有在高电平的情况下,是3.5A的电流。这种设计不适合于2A电流的应用中,但是可以用于需要大电流的故障注入应用中。
在很多情况下,可以通过并行排布多于1个通道的数字I/O模块来提高对更大电流的限制的能力。
不管在什么情况下,用户都可以通过数字I/O模块卡来切换信号,而不用再通过开关来操作。在数字I/O模块关闭与地线或者是激励源之间的连接之前,就可以关闭故障注入卡上的开关。这样就意味着可以大大地提高开关的使用寿命,原因在于将开关的热切换转化为了冷切换。
任何情况下,用户都必须保证数字I/O的电压不能超过标称的电压。
5. 其他应用
在实际应用上,数字I/O不只可用于故障注入模块中,也可以用在其他的有连接到地线或者电源线的开关模块中。
射频工程师养成培训教程套装,助您快速成为一名优秀射频工程师...
射频和天线工程师培训课程详情>>

